Добрый день.
Уважаемые специалисты, ответьте на следующие вопросы:
Дано:
- Дом 115 кв.м. (2 этажа)
- проект газоснабжения (от старого хозяина) предписывает установку двухконтурного EcoCompact 24F
Хочу:
- одноконтурный котел с закрытой камерой сгорания и отдельным БКН
Выбрал взамен EcoFour 1.24F и вот что интересует:
1) Может ли котел работая в режиме теплых полов (30-45) переключаться на режим (30-85) для более быстрого нагрева бойлера и переходить обратно в низкотемпературный режим после срабатывания датчика температуры в бойлере?
2) Как заказать "Датчик NTC контура ГВС и мотор трехходового клапана"? У них есть артикул или что то подобное?
3) Есть ли альтернатива данному котлу в -/+ данном ценовом диапазоне?
Спасибо.
Выбор одноконтурного котла, 24кВт с подключением БКН
-
Bahus
- Главный администратор

- Сообщения: 12478
- Зарегистрирован: 24 июл 2012, 13:05
- Откуда: Пенза
- Мой котел: Пензенская ТЭЦ-1
- Благодарил (а): 78 раз
- Поблагодарили: 1612 раз
- Возраст: 45
Выбор одноконтурного котла, 24кВт с подключением БКН
1. Данным параметром вы ограничиваете физическую уставку температуры отопления. То есть физически не получится выставить температуру выше 45 градусов. На выбор желаемой температуры ГВС не влияет.
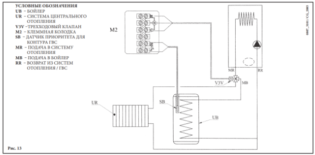
2. Комплект с трехходовым клапаном для присоединения бойлера к котлам ECO Compact и ECOFOUR. артикул KHG71409631-
Цена 133 евро.
Обратите внимание. Трехходового в этом котле нет. Он в комплекте присоединения. И ставится снаружи котла.
3. Посмотрите в сторону серии Луна3. В серии Луна3 Комфорт есть модель 1.24Fi
Надежность выше, в комплекте выносная панель с датчиком комнатной температуры. Ну и подороже он, конечно. Зато комплект подключения дешевле, поскольку трехходовой уже в котле.
Комплект, состоящий из мотора трехходового клапана и кабеля подключения к плате и датчика температуры бойлера для одноконтурных котлов LUNA-3 Comfort Код: KFG71411191-
Цена 30 евро.
4. Цены котлов. Ecofour 1.24F - 915 евро.
Luna3 comfort 1.24Fi - 1176 евро.
Все цены рекомендованные и, естественно, могут отличаться.
2. Комплект с трехходовым клапаном для присоединения бойлера к котлам ECO Compact и ECOFOUR. артикул KHG71409631-
Цена 133 евро.
Обратите внимание. Трехходового в этом котле нет. Он в комплекте присоединения. И ставится снаружи котла.
3. Посмотрите в сторону серии Луна3. В серии Луна3 Комфорт есть модель 1.24Fi
Надежность выше, в комплекте выносная панель с датчиком комнатной температуры. Ну и подороже он, конечно. Зато комплект подключения дешевле, поскольку трехходовой уже в котле.
Комплект, состоящий из мотора трехходового клапана и кабеля подключения к плате и датчика температуры бойлера для одноконтурных котлов LUNA-3 Comfort Код: KFG71411191-
Цена 30 евро.
4. Цены котлов. Ecofour 1.24F - 915 евро.
Luna3 comfort 1.24Fi - 1176 евро.
Все цены рекомендованные и, естественно, могут отличаться.
-
- Похожие темы
- Ответы
- Просмотры
- Последнее сообщение
-
- 1 Ответы
- 1791 Просмотры
-
Последнее сообщение Bahus
-
- 10 Ответы
- 5407 Просмотры
-
Последнее сообщение Starik
-
- 22 Ответы
- 6927 Просмотры
-
Последнее сообщение ALKO
-
- 2 Ответы
- 5899 Просмотры
-
Последнее сообщение Bahus
-
- 10 Ответы
- 8013 Просмотры
-
Последнее сообщение RebellesAnima
Кто сейчас на конференции
Сейчас этот форум просматривают: нет зарегистрированных пользователей и 1 гость