baxi slim in + бойлер(при загрузке ГВС греет отопление)
-
alex23
- Новичок
- Сообщения: 6
- Зарегистрирован: 19 авг 2021, 11:21
- Откуда: Владимир
baxi slim in + бойлер(при загрузке ГВС греет отопление)
Добрый день, недавно была собрана котельная по данной схеме, три насоса (один котла, до коллектора) , и два на контуры бойлера и отопления(организованы в прямых модулях geffen). Котел управляет теми, что в модулях, первый насос постоянно включен на низкой скорости.
При включении нагрева ГВС, идет нагрев системы отопления. При выключенном насосе котла, этого эффекта не наблюдается, но разница в температурах достигает 30 градусов на котле тогда. Что можете посоветовать?
При включении нагрева ГВС, идет нагрев системы отопления. При выключенном насосе котла, этого эффекта не наблюдается, но разница в температурах достигает 30 градусов на котле тогда. Что можете посоветовать?
У вас нет необходимых прав для просмотра вложений в этом сообщении.
Последний раз редактировалось alex23 20 авг 2021, 11:26, всего редактировалось 1 раз.
-
Bahus
- Главный администратор

- Сообщения: 13126
- Зарегистрирован: 24 июл 2012, 13:05
- Откуда: Пенза
- Мой котел: Пензенская ТЭЦ-1
- Благодарил (а): 84 раза
- Поблагодарили: 1714 раз
- Возраст: 45
baxi slim in + бойлер(при загрузке ГВС греет отопление)
Чот фигня какая-то. Нафига там коллектор и насос на обратке? Коллектор может и не мешает, а вот насос надо убрать. Ну или хотя бы выключить. Думаю всё в норму зайдет
В ЛС отвечаю только по работе форума
Илья Бахталин
АСЦ BAXI "Санфорт". г. Пенза
Подключение к Зонту - bahus1980
Илья Бахталин
АСЦ BAXI "Санфорт". г. Пенза
Подключение к Зонту - bahus1980
-
Starik
- Местный аксакал
- Сообщения: 7590
- Зарегистрирован: 27 ноя 2015, 22:41
- Откуда: Краснодарский край
- Мой котел: BAXI MAIN 5 14f
- Благодарил (а): 75 раз
- Поблагодарили: 841 раз
- Возраст: 59
-
alex23
- Новичок
- Сообщения: 6
- Зарегистрирован: 19 авг 2021, 11:21
- Откуда: Владимир
baxi slim in + бойлер(при загрузке ГВС греет отопление)
Первый - до коллектора( на обратке к котлу). Без него котёл сильнее греется и возникает разница температуры вроде как. В какой то момент на подаче бойлера 70, на обратке (тоже на модуле к бойлеру) 55, а котёл 85. Правда именно температуру обратки после коллектора ( при выключенном первом насосе) нечем пока измерить. Завтра попробую найти прибор.
- первый вариант убрать насос на обратке к котлу,если выясниться, что нет большой разницы в температурах на входе в котел.
- Второй вариант поставить обратные клапаны на обратки контуров(после коллектора)
- ну и крайний, предложили поставить гидрорасперделитель перед коллектором.
-
Starik
- Местный аксакал
- Сообщения: 7590
- Зарегистрирован: 27 ноя 2015, 22:41
- Откуда: Краснодарский край
- Мой котел: BAXI MAIN 5 14f
- Благодарил (а): 75 раз
- Поблагодарили: 841 раз
- Возраст: 59
baxi slim in + бойлер(при загрузке ГВС греет отопление)
На мой взгляд, схема более чем странная. Зачем надо было так мудрить, если в иструкции https://baxi.ru/upload/iblock/912/Slim_ ... ktsiya.pdf на стр. 18, рис. 11 дана стандартная схема подключения бойлера. Для чего нужно было "изобретать велосипед", что бы теперь думать, как разводить потоки? Ещё и гидрострелку туда...
-
alex23
- Новичок
- Сообщения: 6
- Зарегистрирован: 19 авг 2021, 11:21
- Откуда: Владимир
baxi slim in + бойлер(при загрузке ГВС греет отопление)
В дальнейшем планируется подключать контур теплого пола в оставшееся место на коллекторе и была выбрана такая схема. Сегодня измерил температуру обратки на входе в котел при нагреве бойлера (с закрытыми вентилями на системе отопления). \
В начале нагрева отключил первый насос( который до коллектора), чтобы понять возникающую разницу в температурах. Потом, когда горелка выключилась из-за достижения котлом 80гр(а насос бойлера продолжал работать, включил первый насос. Наглядно видно, что разница значительно уменьшилась при работе этого насоса.
Так же было замечено, что при выключенных насосах отопления и бойлера, если первый насос постоянно включен, то он прокачивает не только отопление, но и бойлер(который стоит в подвале). Надеюсь установка обратных клапанов решит эту проблему. Первый насос планирую, чтобы через автоматику включался только с одним из насосов после коллектора(установленных в модулях).
В начале нагрева отключил первый насос( который до коллектора), чтобы понять возникающую разницу в температурах. Потом, когда горелка выключилась из-за достижения котлом 80гр(а насос бойлера продолжал работать, включил первый насос. Наглядно видно, что разница значительно уменьшилась при работе этого насоса.
Так же было замечено, что при выключенных насосах отопления и бойлера, если первый насос постоянно включен, то он прокачивает не только отопление, но и бойлер(который стоит в подвале). Надеюсь установка обратных клапанов решит эту проблему. Первый насос планирую, чтобы через автоматику включался только с одним из насосов после коллектора(установленных в модулях).
У вас нет необходимых прав для просмотра вложений в этом сообщении.
-
Starik
- Местный аксакал
- Сообщения: 7590
- Зарегистрирован: 27 ноя 2015, 22:41
- Откуда: Краснодарский край
- Мой котел: BAXI MAIN 5 14f
- Благодарил (а): 75 раз
- Поблагодарили: 841 раз
- Возраст: 59
baxi slim in + бойлер(при загрузке ГВС греет отопление)
В инструкцию решил не смотреть?alex23 писал(а): 20 авг 2021, 11:23В дальнейшем планируется подключать контур теплого пола в оставшееся место на коллекторе...
Как знаешь.
-
alex23
- Новичок
- Сообщения: 6
- Зарегистрирован: 19 авг 2021, 11:21
- Откуда: Владимир
baxi slim in + бойлер(при загрузке ГВС греет отопление)
еще предлагают совсем убрать первый насос(возможно совсем без него в системе не будет разницы температур такой.+ обратные клапана на контура.
Дело в том, что уже смонтирован узел. Инструкцию смотрел подрядчик. Хотелось бы исправить этот момент с прокачкой контуров первым насосом без радикальных переделок.
-
Starik
- Местный аксакал
- Сообщения: 7590
- Зарегистрирован: 27 ноя 2015, 22:41
- Откуда: Краснодарский край
- Мой котел: BAXI MAIN 5 14f
- Благодарил (а): 75 раз
- Поблагодарили: 841 раз
- Возраст: 59
baxi slim in + бойлер(при загрузке ГВС греет отопление)
Хорошая позиция, свалить проблему на кого-то.alex23 писал(а): 20 авг 2021, 14:42Дело в том, что уже смонтирован узел. Инструкцию смотрел подрядчик.
Картинку в инструкции посмотреть всё же стоит, ибо там показано куда надо подключать бойлер. Ничего "радикального" переделывать не придется, насос есть, подачу на него сделать как в инструкции (на картинке, минуя смеситель), обратный клапан на обратку бойлера на входе в смеситель. Управление насосами предоставить котлу (можно через контакторы).
Насос на обратке это вообще "шедевр", имхо.
-
alex23
- Новичок
- Сообщения: 6
- Зарегистрирован: 19 авг 2021, 11:21
- Откуда: Владимир
baxi slim in + бойлер(при загрузке ГВС греет отопление)
Был удален первый насос. Осталось решить, как быть с контуром бойлера.
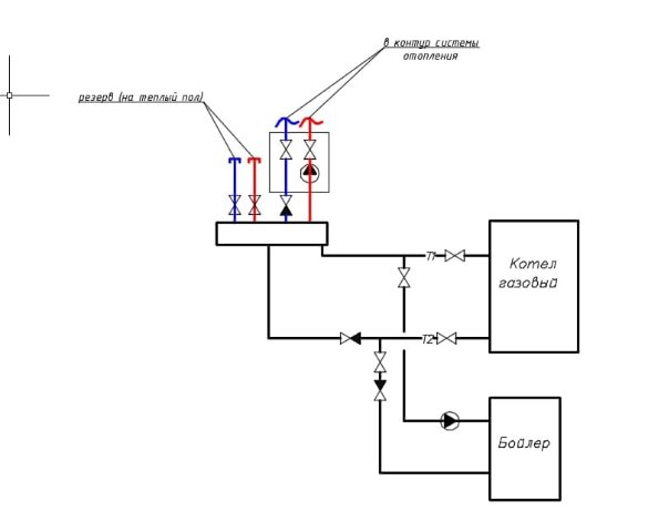
Вроде как такая схема получится, если вынести загрузку бойлера с коллектора(все остальные элементы, типа расширит баков, прочую запорную арматуры, с грязевиками не отрисовывали тут). Нужен ли обратный клапан перед коллектором или достаточно после узла с насосом(на контур отопления)? Или и там и там нужно? Может не на обратке, а перед насосами их поставить. Или на контуре отопления поставить только перед коллектором, а на контуре бойлера тоже перед насосом на подаче? чтобы избежать подмеса туда, пока отопление не работает или работает на низкой температуре)?
Еще есть сомнение в правильности того, что насос отопления в этой схеме остается в прямом модуле(т.е. после компланарного коллектора), а не до него. Т.е. работая там, система немного "буксует". На данный момент отопление в таком виде работает. Контур подачи после коллектора запаздывает немного относительно подачи котла.(изза того что происходит смешение в компланарном коллекторе. Хотя это наверное можно сравнить с контуром гидрострелки, где расход до коллектора , меньше расхода после него и это вроде как неправильный ее режим.
Управление насосами котлом по датчику комн температуры и уличному, а так же датчику ntc в бойлере.
Вроде как такая схема получится, если вынести загрузку бойлера с коллектора(все остальные элементы, типа расширит баков, прочую запорную арматуры, с грязевиками не отрисовывали тут). Нужен ли обратный клапан перед коллектором или достаточно после узла с насосом(на контур отопления)? Или и там и там нужно? Может не на обратке, а перед насосами их поставить. Или на контуре отопления поставить только перед коллектором, а на контуре бойлера тоже перед насосом на подаче? чтобы избежать подмеса туда, пока отопление не работает или работает на низкой температуре)?
Еще есть сомнение в правильности того, что насос отопления в этой схеме остается в прямом модуле(т.е. после компланарного коллектора), а не до него. Т.е. работая там, система немного "буксует". На данный момент отопление в таком виде работает. Контур подачи после коллектора запаздывает немного относительно подачи котла.(изза того что происходит смешение в компланарном коллекторе. Хотя это наверное можно сравнить с контуром гидрострелки, где расход до коллектора , меньше расхода после него и это вроде как неправильный ее режим.
Управление насосами котлом по датчику комн температуры и уличному, а так же датчику ntc в бойлере.
У вас нет необходимых прав для просмотра вложений в этом сообщении.
-
alex23
- Новичок
- Сообщения: 6
- Зарегистрирован: 19 авг 2021, 11:21
- Откуда: Владимир
baxi slim in + бойлер(при загрузке ГВС греет отопление)
В итоге переделали, как в инструкцию обратные клапана поставили на обратку отопления и контура бойлера. Отопление больше не нагревается так при загрузке бойлера. Спасибо.
-
Миха
- Новичок
- Сообщения: 5
- Зарегистрирован: 28 дек 2024, 22:11
- Откуда: Ярославль
- Мой котел: Baxi Luna 3 Comfort 1.240Fi
- Благодарил (а): 2 раза
baxi slim in + бойлер(при загрузке ГВС греет отопление)
Здравствуйте. Скажите пожалуйста, почему при нагреве только ГВС вода на обратном протоке от бойлера начинает прогревать контур СО в обратном направлении(на фото фиолетовая стрелка)? Котел - Третья одноконтурная Луна 1.240Fi. Предлагается на фиолетовом участке поставить обратный клапан.
У вас нет необходимых прав для просмотра вложений в этом сообщении.
-
Bahus
- Главный администратор

- Сообщения: 13126
- Зарегистрирован: 24 июл 2012, 13:05
- Откуда: Пенза
- Мой котел: Пензенская ТЭЦ-1
- Благодарил (а): 84 раза
- Поблагодарили: 1714 раз
- Возраст: 45
baxi slim in + бойлер(при загрузке ГВС греет отопление)
Ну вообще-то на обратках по умолчанию обратный клапан должен быть
В ЛС отвечаю только по работе форума
Илья Бахталин
АСЦ BAXI "Санфорт". г. Пенза
Подключение к Зонту - bahus1980
Илья Бахталин
АСЦ BAXI "Санфорт". г. Пенза
Подключение к Зонту - bahus1980
-
Миха
- Новичок
- Сообщения: 5
- Зарегистрирован: 28 дек 2024, 22:11
- Откуда: Ярославль
- Мой котел: Baxi Luna 3 Comfort 1.240Fi
- Благодарил (а): 2 раза