Каскад одноконтурных турбированных котлов
-
Redfax
- Новичок
- Сообщения: 12
- Зарегистрирован: 30 сен 2021, 21:24
- Откуда: Russia
- Благодарил (а): 1 раз
Каскад одноконтурных турбированных котлов
Доброго времени суток
Подскажите , по системе «на вырост»:
если ставить сейчас турбированный одноконтурный настенный котел для работы с БКН,
А потом, если все- таки когда нибудь будет бассейн и нужно будет удвоить мощность - поставить еще один такой де для работы в каскаде с автоматикой.
Какая модель подойдет оптималльно? Погодозависимая автоматика и прочее не нужно. Только правильное управление загрузкой бойлера и автоматическое включение второго котла при работе теплообменника.
Подскажите , по системе «на вырост»:
если ставить сейчас турбированный одноконтурный настенный котел для работы с БКН,
А потом, если все- таки когда нибудь будет бассейн и нужно будет удвоить мощность - поставить еще один такой де для работы в каскаде с автоматикой.
Какая модель подойдет оптималльно? Погодозависимая автоматика и прочее не нужно. Только правильное управление загрузкой бойлера и автоматическое включение второго котла при работе теплообменника.
-
Bahus
- Главный администратор

- Сообщения: 12961
- Зарегистрирован: 24 июл 2012, 13:05
- Откуда: Пенза
- Мой котел: Пензенская ТЭЦ-1
- Благодарил (а): 82 раза
- Поблагодарили: 1681 раз
- Возраст: 45
Каскад одноконтурных турбированных котлов
А зачем каскадировать? Один котел на бочку будет работать, второй на теплообменник бассейна. На отопление будут независимо работать. Или попеременно их включать (неделя, месяц, год)
В ЛС отвечаю только по работе форума
Илья Бахталин
АСЦ BAXI "Санфорт". г. Пенза
Подключение к Зонту - bahus1980
Илья Бахталин
АСЦ BAXI "Санфорт". г. Пенза
Подключение к Зонту - bahus1980
-
Redfax
- Новичок
- Сообщения: 12
- Зарегистрирован: 30 сен 2021, 21:24
- Откуда: Russia
- Благодарил (а): 1 раз
Каскад одноконтурных турбированных котлов
На бассейн примерно 45-50 квт нужно будет. Настенник на 24 квт закрывает все потребности. Когда ночью включается циркуляция / очистка / подогрев по расчетам нужно 50 квт на теплообменник, то есть оба котла. Включаться должны по команде с реле. Как без каскада? Ставить отдельный на 1.49 - это уже напольник , занимает место и негуманно по ценам.
-
Bahus
- Главный администратор

- Сообщения: 12961
- Зарегистрирован: 24 июл 2012, 13:05
- Откуда: Пенза
- Мой котел: Пензенская ТЭЦ-1
- Благодарил (а): 82 раза
- Поблагодарили: 1681 раз
- Возраст: 45
Каскад одноконтурных турбированных котлов
У вас на бассейн будет стоять 50 кВт-ный теплообменник? Аднака...
В любом случае, объединить в каскад можно что угодно. Но понадобится автоматика. И скорее всего сторонняя, поскольку у Baxi для традиционников с этим не густо.
В любом случае, объединить в каскад можно что угодно. Но понадобится автоматика. И скорее всего сторонняя, поскольку у Baxi для традиционников с этим не густо.
В ЛС отвечаю только по работе форума
Илья Бахталин
АСЦ BAXI "Санфорт". г. Пенза
Подключение к Зонту - bahus1980
Илья Бахталин
АСЦ BAXI "Санфорт". г. Пенза
Подключение к Зонту - bahus1980
-
Redfax
- Новичок
- Сообщения: 12
- Зарегистрирован: 30 сен 2021, 21:24
- Откуда: Russia
- Благодарил (а): 1 раз
Каскад одноконтурных турбированных котлов
Если быть точным 45 квт.
Так возвращаюсь к вопросу:
E8 c какими котлами (можно конвекционными, модуляция не нужна особо) будет нормально работать по следующему функционалу:
- включение по команде / времени обоих котлов по контуру отопления на максимальную мощность, и выключение одного из котлов а во втором снижение температуры до 40. И вообще такое возможно?
- включение по команде с бойлера одного (ну или двух) котлов по контуру на бойлер.
А то местные проектанты / монтажники очень редко работают с каскадами и по обвязке не сильно могут сказать что нужно чтобы работало и как это обвязать.
Так возвращаюсь к вопросу:
E8 c какими котлами (можно конвекционными, модуляция не нужна особо) будет нормально работать по следующему функционалу:
- включение по команде / времени обоих котлов по контуру отопления на максимальную мощность, и выключение одного из котлов а во втором снижение температуры до 40. И вообще такое возможно?
- включение по команде с бойлера одного (ну или двух) котлов по контуру на бойлер.
А то местные проектанты / монтажники очень редко работают с каскадами и по обвязке не сильно могут сказать что нужно чтобы работало и как это обвязать.
-
Bahus
- Главный администратор

- Сообщения: 12961
- Зарегистрирован: 24 июл 2012, 13:05
- Откуда: Пенза
- Мой котел: Пензенская ТЭЦ-1
- Благодарил (а): 82 раза
- Поблагодарили: 1681 раз
- Возраст: 45
Каскад одноконтурных турбированных котлов
По возможностям Кромшрёдера это не сюда. Лучше напрямую к производителю - кто там нынче их преемник в РФ...
Они подберут необходимую модель E8.
Они подберут необходимую модель E8.
В ЛС отвечаю только по работе форума
Илья Бахталин
АСЦ BAXI "Санфорт". г. Пенза
Подключение к Зонту - bahus1980
Илья Бахталин
АСЦ BAXI "Санфорт". г. Пенза
Подключение к Зонту - bahus1980
-
Redfax
- Новичок
- Сообщения: 12
- Зарегистрирован: 30 сен 2021, 21:24
- Откуда: Russia
- Благодарил (а): 1 раз
Каскад одноконтурных турбированных котлов
Почитал, посчитал, посмотрел кто все это будет настраивать в случае поломки и как много у нас спецов по настройке e8, загрустил и подумал а зачем каскад, если ни модуляция, ни попеременная работа котла в автоматическом режиме, ни погодазависмые плюшки не нужны от слова совсем.
Если один котел 24 квт перекрывает все потребности, второй ставим в резерв.
Сейчас в схеме теплоснабжения котлы загружают балансировочный коллектор ( которому сейчас будут подключен контур отопления тепловентилятором, контур отопления дома, два контура в резерв (потом , возможно, будут подключены контур отопления бани, и теплообменник бассейна) и контур загрузки БКН ( то есть бкн с насосом подключены к стрелке).
Возможно ли по команде бойлера выключать насосы всех нагрузок и давать команду на оба котла переходить в режим ГВС и тем самым обеспечивать приоритет? Где то на читал что возможно собрать отключающие реле.
при будущем подключении теплообменника бассейна Один котел работает в обычном режиме, один в летнем. По команде с реле теплообменника на котлы подается команда перехода в режим ГВС, двух котлов хватит на все потребители гидрострелки. По окончанию подогрева один котел возвращается в режим отопления, второй отключается и ждет в летнем режиме новой команды с реле теплообменника.
Возможно ли такое?
Если один котел 24 квт перекрывает все потребности, второй ставим в резерв.
Сейчас в схеме теплоснабжения котлы загружают балансировочный коллектор ( которому сейчас будут подключен контур отопления тепловентилятором, контур отопления дома, два контура в резерв (потом , возможно, будут подключены контур отопления бани, и теплообменник бассейна) и контур загрузки БКН ( то есть бкн с насосом подключены к стрелке).
Возможно ли по команде бойлера выключать насосы всех нагрузок и давать команду на оба котла переходить в режим ГВС и тем самым обеспечивать приоритет? Где то на читал что возможно собрать отключающие реле.
при будущем подключении теплообменника бассейна Один котел работает в обычном режиме, один в летнем. По команде с реле теплообменника на котлы подается команда перехода в режим ГВС, двух котлов хватит на все потребители гидрострелки. По окончанию подогрева один котел возвращается в режим отопления, второй отключается и ждет в летнем режиме новой команды с реле теплообменника.
Возможно ли такое?
-
Starik
- Местный аксакал
- Сообщения: 7402
- Зарегистрирован: 27 ноя 2015, 22:41
- Откуда: Краснодарский край
- Мой котел: BAXI MAIN 5 14f
- Благодарил (а): 72 раза
- Поблагодарили: 816 раз
- Возраст: 59
Каскад одноконтурных турбированных котлов
Это именно то, что делать не рекомендуется, от слова - совсем.
-
Redfax
- Новичок
- Сообщения: 12
- Зарегистрирован: 30 сен 2021, 21:24
- Откуда: Russia
- Благодарил (а): 1 раз
Каскад одноконтурных турбированных котлов
Когда я спрашивал, почему, кроме приоритета ГВС ничего другого не слышал. Бкн все равно ведь кака он подключен, главное чтобы вода там градусов 80…
https://forum.baxi.ru/viewtopic.php?t=3772 здесь Андрей с baxi Волга тоже самое говорил про отключающие остальные насосы реле.
Если считать что теплобменник бассейна, по сути тоже бойлер, как подключают электрической частью второй бойлер к котлу?
P.s. в большинстве схем производителей если стоит два котла стрелка и БКН, бкн грузится именно от стрелки.
-
Starik
- Местный аксакал
- Сообщения: 7402
- Зарегистрирован: 27 ноя 2015, 22:41
- Откуда: Краснодарский край
- Мой котел: BAXI MAIN 5 14f
- Благодарил (а): 72 раза
- Поблагодарили: 816 раз
- Возраст: 59
Каскад одноконтурных турбированных котлов
Да ладно, другого не слышал.Redfax писал(а): 11 окт 2021, 09:44Когда я спрашивал, почему, кроме приоритета ГВС ничего другого не слышал.
Если тебе в СО кипяток уже (или вообще) не нужен, а в бойлере хочется +60 держать, как его (бойлер) греть после стрелки и каков результат будет каждый раз после прогрева бойлера? А летом что делать с ГВС?
-
Redfax
- Новичок
- Сообщения: 12
- Зарегистрирован: 30 сен 2021, 21:24
- Откуда: Russia
- Благодарил (а): 1 раз
Каскад одноконтурных турбированных котлов
Вот сейчас не понял от слова совсем.
Откуда в СО кипяток, если каждый контур СО с теплыми полами имеет свою насосную группу с трехходовым смесительным клапаном и при загрузке бойлера должны отключаться все циркуляционники насосных групп СО? И летом и зимой и в межсезонье прицип один - кипяток в гидрострелке только когда грузится бойлер или теплообменник бассейна . После загрузки бойлера температура котлы обратное переходят на 45градусов. Во время загрузки бассейна На СО трехходовики заберут столько, сколько им нужно.
прямых контуров у меня нет.
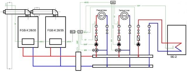
Ну вот на секунду представьте что на этой картинке нет радиаторов (или вместо них теплообменник бассейна) и подскажите, откуда в СО возьмется кипяток?
Откуда в СО кипяток, если каждый контур СО с теплыми полами имеет свою насосную группу с трехходовым смесительным клапаном и при загрузке бойлера должны отключаться все циркуляционники насосных групп СО? И летом и зимой и в межсезонье прицип один - кипяток в гидрострелке только когда грузится бойлер или теплообменник бассейна . После загрузки бойлера температура котлы обратное переходят на 45градусов. Во время загрузки бассейна На СО трехходовики заберут столько, сколько им нужно.
прямых контуров у меня нет.
Ну вот на секунду представьте что на этой картинке нет радиаторов (или вместо них теплообменник бассейна) и подскажите, откуда в СО возьмется кипяток?
-
Starik
- Местный аксакал
- Сообщения: 7402
- Зарегистрирован: 27 ноя 2015, 22:41
- Откуда: Краснодарский край
- Мой котел: BAXI MAIN 5 14f
- Благодарил (а): 72 раза
- Поблагодарили: 816 раз
- Возраст: 59
Каскад одноконтурных турбированных котлов
Мне не нужно ничего представлять.
Если не хочешь понять сейчас, значит запустишь в эксплуатацию и уже потом начнешь переделывать.
-
Redfax
- Новичок
- Сообщения: 12
- Зарегистрирован: 30 сен 2021, 21:24
- Откуда: Russia
- Благодарил (а): 1 раз
Каскад одноконтурных турбированных котлов
Я понял. Конструктивный диалог. Мой дед так строил, отец так строил, .... а как ответить на вопрос откуда в СО возмется кипяток, так сразу тяжело стало... , в гидрусе и у производителей котлов работают двоечники и своими каскадныеми схемами с загрузкой БКН от гидрострелки смущают неокрепшие мозги покупателей.
Из опыта проектирования и монтажа, может кто то подсказать про электрическое подключение теплообменника бассейна к системам?
Из опыта проектирования и монтажа, может кто то подсказать про электрическое подключение теплообменника бассейна к системам?
-
Starik
- Местный аксакал
- Сообщения: 7402
- Зарегистрирован: 27 ноя 2015, 22:41
- Откуда: Краснодарский край
- Мой котел: BAXI MAIN 5 14f
- Благодарил (а): 72 раза
- Поблагодарили: 816 раз
- Возраст: 59
Каскад одноконтурных турбированных котлов
Зачем такую чепуху печатать? Если нет желания понимать что пытаюсь донести, то хотя бы хамить не нужно, идет?!
К стати, совсем недавно тут появлялись вопросы о том, что делать с доп. насосами зимой (откуда брать сигнал) и как греть подключенный после стрелки бойлер летом. Ответы были даны (и мною в том числе).
Удачи.
-
Redfax
- Новичок
- Сообщения: 12
- Зарегистрирован: 30 сен 2021, 21:24
- Откуда: Russia
- Благодарил (а): 1 раз
Каскад одноконтурных турбированных котлов
Прошу прощения, если сообщение было воспринято как хамство, был излишне резок в суждениях. Здесь форум, и естественно никто никому не должен и не обязан.Starik писал(а): 11 окт 2021, 19:25Зачем такую чепуху печатать? Если нет желания понимать что пытаюсь донести, то хотя бы хамить не нужно, идет?!![]()
К стати, совсем недавно тут появлялись вопросы о том, что делать с доп. насосами зимой (откуда брать сигнал) и как греть подключенный после стрелки бойлер летом. Ответы были даны (и мною в том числе).Как говорится: "ищущий, да ..."
![]()
Удачи.
Желание разобраться есть. Мне в этот доме жить и обслуживать потом систему.
Прочитал семинарские тетради, смотрел кучу видео реализованных котельных, задавал вопросы теплотехникам.
По моему ТЗ схему по гидравлике проектанты набрасывали примерно как во вложенной гидруссовской схеме (только без марки и модели котлов и типов каскадной автоматики). Только вместо радиаторного контура - теплообменник бассейна.
Эту схему я показывал разным теплотехникам, говорили что схема рабочая (без учета каскадной автоматики, выключающей -включающей насосы, по ней - к производителям котлов/автоматики) и что в принципе циркуляционники перекрывать не обязательно, поскольку даже при загрузке бойлера теплые полы с поконтурнымы террмостатами не сожрут много теплоносителя. Конечно проще было бы грузить БКН до стрелки, но при наличии на стрелке 40 квт теплообменника бассейна (по сути второго БКН) грузить один БКН до стрелки другой от стрелки смысла нет.
А сейчас вы еще и говорите что гидравлика неправильная и у меня кипяток пойдет в СО. Я конечно неправ, что не написал сразу, что все контуры СО со смесительными термостатическими трехходовиками. Но откуда она том может появится я действительно не пойму. Как и не пойму необходимости вынесения БКН до стрелки при оставленном теплообменнике бассейна.
А пока не пойму это не смогу поправить ТЗ электрикам /автоматчикам.
-
Starik
- Местный аксакал
- Сообщения: 7402
- Зарегистрирован: 27 ноя 2015, 22:41
- Откуда: Краснодарский край
- Мой котел: BAXI MAIN 5 14f
- Благодарил (а): 72 раза
- Поблагодарили: 816 раз
- Возраст: 59
Каскад одноконтурных турбированных котлов
Это не критично, важнее что бы схему считали по расходу, стрелку по нагрузке и т.п.Redfax писал(а): 11 окт 2021, 22:19Я конечно неправ, что не написал сразу, что все контуры СО со смесительными термостатическими трехходовиками.
Самый простой, на данный момент, вопрос (для бойлера после стрелки): лето, СО отключена, бойлер надо нагреть, а для этого должны включиться котел (для подачи на стрелку) и дополнительный насос бойлера (для разбора со стрелки), но как? Как котел будет включать второй (доп.) насос?
Ответ простой, если бойлер до стрелки, то не нужен ему насос, котел (котлы) сам всё выполнит и трехход переключит, и циркуляцию обеспечит, не подавая кипяток в гидрострелку. А зимой в это время, совершенно спокойно, в СО продолжат маслать насосы и работать смесители, при этом не надо городить гирлянду из контакторов и ломать голову, где брать сигнал на отключение всей СО. По окончании нагрева бойлера, совсем не большое количество кипятка попадет на стрелку, в отличии от ситуации, когда бойлер после неё. Вот о каком кипятке я выше печатал.
Следующий вопрос. Когда (в какое время года) планируется подогревать бассейн?
-
Redfax
- Новичок
- Сообщения: 12
- Зарегистрирован: 30 сен 2021, 21:24
- Откуда: Russia
- Благодарил (а): 1 раз
Каскад одноконтурных турбированных котлов
Спасибо большое за ответ!
Отлично, с гидравликой разобрались, те есть кипяток может появится исключительно в стрелке и при некорректной настройке работы циркуляционного насоса. при попытке включать /отключать бойлер силами платы котла, а не внешней автоматике.
Вы не подумайте, я не "топлю" за БКН до стрелки, но еще не знаю если внешняя автоматика будет неизбежна, сможет ли она управлять одновременно и загрузкой бойлера и загрузкой бассейна при подключении одного из них к стрелке, другого к двум котлам. В большинстве контроллеров один бкн.
Можно еще потупить? - при реализации схемы на "гирлянде контакторов" брать сигнал включения доп насоса загрузки бойлера с питания трехходового клапана возможно?
По режиму подогрева - май-окотябрь (пересекается где то месяца полтора с отоплением). Если потом внезапно разбогатею и поставлю павильон, то сезон расширится на весь отопительный период.
Отлично, с гидравликой разобрались, те есть кипяток может появится исключительно в стрелке и при некорректной настройке работы циркуляционного насоса. при попытке включать /отключать бойлер силами платы котла, а не внешней автоматике.
Вы не подумайте, я не "топлю" за БКН до стрелки, но еще не знаю если внешняя автоматика будет неизбежна, сможет ли она управлять одновременно и загрузкой бойлера и загрузкой бассейна при подключении одного из них к стрелке, другого к двум котлам. В большинстве контроллеров один бкн.
Можно еще потупить? - при реализации схемы на "гирлянде контакторов" брать сигнал включения доп насоса загрузки бойлера с питания трехходового клапана возможно?
По режиму подогрева - май-окотябрь (пересекается где то месяца полтора с отоплением). Если потом внезапно разбогатею и поставлю павильон, то сезон расширится на весь отопительный период.
-
Starik
- Местный аксакал
- Сообщения: 7402
- Зарегистрирован: 27 ноя 2015, 22:41
- Откуда: Краснодарский край
- Мой котел: BAXI MAIN 5 14f
- Благодарил (а): 72 раза
- Поблагодарили: 816 раз
- Возраст: 59
Каскад одноконтурных турбированных котлов
Redfax писал(а): 14 окт 2021, 18:40Отлично, с гидравликой разобрались, то есть кипяток может появится ... при некорректной настройке работы циркуляционного насоса.
Не понимаю, зачем такой "огород городить", тем более сейчас в ситуации:
Гораздо проще (и существенно дешевле) "когда ни-будь потом" поставить самый "дохлый" одноконтурный котел исключительно для бассейна, оставив СО в покое. Это будет надежнее, экономичнее, удобнее в обслуживании и эксплуатации, не понадобится "супер" автоматика, а так же круглогодичная работа всей СО, имхо.
-
Redfax
- Новичок
- Сообщения: 12
- Зарегистрирован: 30 сен 2021, 21:24
- Откуда: Russia
- Благодарил (а): 1 раз
Каскад одноконтурных турбированных котлов
Видимо, придется так и сделать . Ставить 24квт lunа 3 со встроенным трехходовиком, запитывать бойлер от котла, а второй настенник потом выводить напрямую на теплообменник бойлера . Пусть будет греться на пару дней больше, на поддержку и 30 квт хватит. Резерв обеспечу ручным переключением и обвязкой. Иначе я раскорячусь среди зимы с котлом в аварии и никто мне толком не скажет что полетело, каскадная автоматика или котловая электроника.
-
- Похожие темы
- Ответы
- Просмотры
- Последнее сообщение
-
- 2 Ответы
- 2210 Просмотры
-
Последнее сообщение РоманГришаевич
-
- 11 Ответы
- 4768 Просмотры
-
Последнее сообщение Bahus
-
- 5 Ответы
- 7212 Просмотры
-
Последнее сообщение Bahus
-
- 14 Ответы
- 12949 Просмотры
-
Последнее сообщение Андрей П_
Кто сейчас на конференции
Сейчас этот форум просматривают: нет зарегистрированных пользователей и 11 гостей