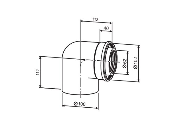
Добрый день. Подскажите где можно ознакомиться с чертежами на отводы KHG71410161 и KHG71410151? Интересуют линейные размеры.
Например как у будеруса (см. вложенный файл).
Размеры коаксиальных отводов 60/100
-
Arthous
- Забегающий
- Сообщения: 42
- Зарегистрирован: 10 дек 2019, 20:33
- Откуда: Ижевск
- Мой котел: Baxi Eco 4s
- Благодарил (а): 8 раз
Размеры коаксиальных отводов 60/100
У вас нет необходимых прав для просмотра вложений в этом сообщении.
-
Steamboy
- Гуру
- Сообщения: 1290
- Зарегистрирован: 18 апр 2013, 14:52
- Откуда: Россия
- Мой котел: Baxi Nuvola 3 B40 240 Fi
- Благодарил (а): 31 раз
- Поблагодарили: 195 раз
- Возраст: 49
Размеры коаксиальных отводов 60/100
все знающий интернет. Да и зачем заморачиваться именно с этими? Я не заморачивался. Брал те размеры, что есть в нэте.Arthous писал(а): 19 дек 2019, 22:00 Подскажите где можно ознакомиться с чертежами на отводы KHG71410161 и KHG71410151
Мои посты, это только мое мнение и оно не претендует быть единственным верным решением.
Любое решение остается за Вами.
Хотите поблагодарить нажмите лайк
Любое решение остается за Вами.
Хотите поблагодарить нажмите лайк
-
Bahus
- Главный администратор

- Сообщения: 13208
- Зарегистрирован: 24 июл 2012, 13:05
- Откуда: Пенза
- Мой котел: Пензенская ТЭЦ-1
- Благодарил (а): 85 раз
- Поблагодарили: 1729 раз
- Возраст: 46
Размеры коаксиальных отводов 60/100
71410161
71410161
Отправлено спустя 1 минуту 52 секунды:
Остальные аксессуары там же. Раздел Библиотека документов на сайте Baxi. 2-продукция/7-аксессуары/Аксессуары-чертежи
71410161
Отправлено спустя 1 минуту 52 секунды:
Остальные аксессуары там же. Раздел Библиотека документов на сайте Baxi. 2-продукция/7-аксессуары/Аксессуары-чертежи
В ЛС отвечаю только по работе форума
Илья Бахталин
АСЦ BAXI "Санфорт". г. Пенза
Подключение к Зонту - bahus1980
Илья Бахталин
АСЦ BAXI "Санфорт". г. Пенза
Подключение к Зонту - bahus1980
-
Arthous
- Забегающий
- Сообщения: 42
- Зарегистрирован: 10 дек 2019, 20:33
- Откуда: Ижевск
- Мой котел: Baxi Eco 4s
- Благодарил (а): 8 раз