подключение внешнего бойлера к 2-х конт. котлу
-
Сергей Гуцал
подключение внешнего бойлера к 2-х конт. котлу
Возникла необходимость подключить к котлу майн 24 2-х конт. косвенник. можно ли использовать комплект трёхходового клапана. И стыковка с датчиком температуры и платы?!
-
rabotnic
- Новичок
- Сообщения: 11
- Зарегистрирован: 10 авг 2015, 11:29
- Благодарил (а): 1 раз
подключение внешнего бойлера к 2-х конт. котлу
все патрубки на вход\выход ГВС и "змеевика" размерами 3/4' !я бы и не задумывался об этих "гильзах", еслиб там не было зазубрины, как будто специально для того,что поддеть её и выкрутить. Короче, сделаю фотки вечером, скину.Bahus писал(а):Ох. За эти не скажу.
Скорее всего ничего не нужно выкручивать. На патрубках обычно стоят транспортные заглушки, только и всего. А линия рециркуляции всю жизнь полудюймовая у всех. Вы посмотрите инструкцию на бойлер, где диаметры подключений. Все сразу ясно будет, думаю.
кстати, до этого был опыт с Drazice OKC 160 NTR, так вот там также подключение 3/4', и там тоже заужение на входе\выходе ГВС, но там понятно, что это типа "эмаль\глазурь"
-
Bahus
- Главный администратор

- Сообщения: 13234
- Зарегистрирован: 24 июл 2012, 13:05
- Откуда: Пенза
- Мой котел: Пензенская ТЭЦ-1
- Благодарил (а): 85 раз
- Поблагодарили: 1734 раза
- Возраст: 46
подключение внешнего бойлера к 2-х конт. котлу
Подключения змеевика и воды, обычно, трехчетвертные и есть, это правильно. А вот рециркуляция, обычно, полудюймовая.
В ЛС отвечаю только по работе форума
Илья Бахталин
АСЦ BAXI "Санфорт". г. Пенза
Подключение к Зонту - bahus1980
Илья Бахталин
АСЦ BAXI "Санфорт". г. Пенза
Подключение к Зонту - bahus1980
-
rabotnic
- Новичок
- Сообщения: 11
- Зарегистрирован: 10 авг 2015, 11:29
- Благодарил (а): 1 раз
подключение внешнего бойлера к 2-х конт. котлу
Bahus писал(а):Подключения змеевика и воды, обычно, трехчетвертные и есть, это правильно. А вот рециркуляция, обычно, полудюймовая.
...заужение диаметра на рецеркуляции?? а как это для насоса, нормально?
-
garry
- Ас
- Сообщения: 1005
- Зарегистрирован: 25 янв 2013, 21:48
- Благодарил (а): 1 раз
- Поблагодарили: 56 раз
подключение внешнего бойлера к 2-х конт. котлу
А там как раз ставят grundfos UP 15-14 с 1/2 подключением. Так что в самый раз.
-
rabotnic
- Новичок
- Сообщения: 11
- Зарегистрирован: 10 авг 2015, 11:29
- Благодарил (а): 1 раз
подключение внешнего бойлера к 2-х конт. котлу
подскажите, самая высокая точка (ванная с большим полотенцесушителем размерами 1.2х0.8 м лесенка) 3.этаж) находится на высоте 9 метром от бойлера + чуть меньше полотенцесушитель на 2 этаже. - продавит ли grundfos UP 15-14, такую ветку? предлагают купить и установить ALPHA2 25-40!
..и вот смотрю, в большинстве схем обвязки бойлеров косвенного нагрева, насос ставят на обратку, почему? или это не принципиально?
Последний раз редактировалось rabotnic 18 авг 2015, 10:41, всего редактировалось 1 раз.
-
electric
- Опытный
- Сообщения: 357
- Зарегистрирован: 05 авг 2015, 16:06
- Поблагодарили: 27 раз
- Возраст: 42
подключение внешнего бойлера к 2-х конт. котлу
точно не продавит, у него вроде как только 1,5 метра подъем.
на подачу ставят насосы только для повышения давления, а Вам же нужна только рециркуляция (поддержание однородной температуры воды по всей длине трубы)
Если начнется разбор, циркуляционный насос будет только создавать лишнее сопротивление на подаче, прекратится циркуляция на обратке. То есть будет молотить в холостую.
У Вас же магистральная вода?
-
Bahus
- Главный администратор

- Сообщения: 13234
- Зарегистрирован: 24 июл 2012, 13:05
- Откуда: Пенза
- Мой котел: Пензенская ТЭЦ-1
- Благодарил (а): 85 раз
- Поблагодарили: 1734 раза
- Возраст: 46
подключение внешнего бойлера к 2-х конт. котлу
Ну шо за такэ, а?
Это такой же циркуляционник, только у него улитка из бронзы. Ничего ему давить не надо. Давление у вас в сети и так есть. Назначение насоса исключительно перегнать воду из под крана назад в бочку.
Тут уже речь идет НЕ о РЕциркуляции, а о циркуляции контура змеевика.
Если посмотреть на гидравлику настенника - там насос на обратке стоит. Это общепринятая практика. Раньше насосы боялись температуры, теперь им по фигу. Но, по привычке все ставят на обратке. Кстати, если есть гидрострелка с коллекторами - там на подаче ставят.
А насос рециркуляции естественно на обратке ГВС. Это его смысл...
В ЛС отвечаю только по работе форума
Илья Бахталин
АСЦ BAXI "Санфорт". г. Пенза
Подключение к Зонту - bahus1980
Илья Бахталин
АСЦ BAXI "Санфорт". г. Пенза
Подключение к Зонту - bahus1980
-
BAXI - Volga
- Представитель BAXI

- Сообщения: 2335
- Зарегистрирован: 21 фев 2014, 00:20
- Откуда: Нижний Новгород
- Благодарил (а): 40 раз
- Поблагодарили: 212 раз
подключение внешнего бойлера к 2-х конт. котлу
данные советы в топку!!!!electric писал(а):точно не продавит, у него вроде как только 1,5 метра подъем.на подачу ставят насосы только для повышения давления, а Вам же нужна только рециркуляция (поддержание однородной температуры воды по всей длине трубы)
Если начнется разбор, циркуляционный насос будет только создавать лишнее сопротивление на подаче, прекратится циркуляция на обратке. То есть будет молотить в холостую.
У Вас же магистральная вода?
типичные ошибки новичка...
циркуляционные насосы работают по замкнутому кругу системы, поэтому высота "подъёма" никакого значения не имеет.учитывается только гидравлические потери давления в системе. задача циркуляционного насоса преодолеть гидросопротивление, то есть напор в м.в.ст создаваемый насосом должен быть больше потерь давления в системе.
Место установки циркуляционного насоса с точки зрения гидравлики значения не имеет.... на подаче или на обратке всё равно.
насос на рециркуляцию поставьте на обратке...
по поводу продавит или нет - сколько метров трубы проложено от бойлера до самой дальней точки ГВС? включая линию возврата?
Андрей.
Технический специалист BAXI.
Нижний Новгород.
Технический специалист BAXI.
Нижний Новгород.
-
rabotnic
- Новичок
- Сообщения: 11
- Зарегистрирован: 10 авг 2015, 11:29
- Благодарил (а): 1 раз
подключение внешнего бойлера к 2-х конт. котлу
-да, вода магистральная, а причем тут подача воды?electric писал(а):данные советы в топку!!!!![]()
типичные ошибки новичка...
циркуляционные насосы работают по замкнутому кругу системы, поэтому высота "подъёма" никакого значения не имеет.учитывается только гидравлические потери давления в системе. задача циркуляционного насоса преодолеть гидросопротивление, то есть напор в м.в.ст создаваемый насосом должен быть больше потерь давления в системе.
Место установки циркуляционного насоса с точки зрения гидравлики значения не имеет.... на подаче или на обратке всё равно.
насос на рециркуляцию поставьте на обратке...
по поводу продавит или нет - сколько метров трубы проложено от бойлера до самой дальней точки ГВС? включая линию возврата?
-место роли не играет, но Вы рекомендуете ставить на "обратку"??
-длина трубы 30 (труба 25') (общая, туда-обратно) + примерно 30 "изломов" 90-х + два полотенцесушителя (1.2х0.8 м., второй чуть меньше) + два коллектора!
Отправлено спустя 28 минут 25 секунд:
вот, сделал вчера фотки, но вопрос уже неактуальный ..эта самая "гильза", похоже до самой емкости бойлера идётBahus писал(а):Подключения змеевика и воды, обычно, трехчетвертные и есть, это правильно. А вот рециркуляция, обычно, полудюймовая.
У вас нет необходимых прав для просмотра вложений в этом сообщении.
Последний раз редактировалось rabotnic 18 авг 2015, 10:32, всего редактировалось 1 раз.
-
rabotnic
- Новичок
- Сообщения: 11
- Зарегистрирован: 10 авг 2015, 11:29
- Благодарил (а): 1 раз
подключение внешнего бойлера к 2-х конт. котлу
и ещё одна сомнительная штука - называется "клапан предохранительный"...цитирую: "Назначение: для обеспечения безопасной эксплуатации водонагревателей накопительного типа. Клапан предохранительный предотвращает поток воды в обратном направлении из-за понижения давления воды, а также защищает водонагреватель от повышенного давления воды." . Если я правильно понял..эта штука заменит мне обратный клапан и защитит от избыточного повышения давления в системе ГВС при расширении\нагреве?
- и снова вопрос...зачем было вести трубу 3/4, чтоб потом, перед бойлером поток воды встретился с этим "отверстием" меньше, чем 1\2
??
сама эта "штука" с посадкой 3/4
У вас нет необходимых прав для просмотра вложений в этом сообщении.
-
Bahus
- Главный администратор

- Сообщения: 13234
- Зарегистрирован: 24 июл 2012, 13:05
- Откуда: Пенза
- Мой котел: Пензенская ТЭЦ-1
- Благодарил (а): 85 раз
- Поблагодарили: 1734 раза
- Возраст: 46
подключение внешнего бойлера к 2-х конт. котлу
Купите отдельно обратный клапан и нормальную группу безопасности. Ну или как минимум нормальный предохранитель (концевой, а не проходной). Очков на 6. А этот шлак фтопку.
В ЛС отвечаю только по работе форума
Илья Бахталин
АСЦ BAXI "Санфорт". г. Пенза
Подключение к Зонту - bahus1980
Илья Бахталин
АСЦ BAXI "Санфорт". г. Пенза
Подключение к Зонту - bahus1980
-
rabotnic
- Новичок
- Сообщения: 11
- Зарегистрирован: 10 авг 2015, 11:29
- Благодарил (а): 1 раз
подключение внешнего бойлера к 2-х конт. котлу
- а поставить также на "подаче" перед бойлером или на выходе горячей воды?Bahus писал(а):Купите отдельно обратный клапан и нормальную группу безопасности. Ну или как минимум нормальный предохранитель (концевой, а не проходной). Очков на 6. А этот шлак фтопку.
- обратный клапан есть в наличии, хотел сэкономить. 6 очков - это 6 bar?
-
electric
- Опытный
- Сообщения: 357
- Зарегистрирован: 05 авг 2015, 16:06
- Поблагодарили: 27 раз
- Возраст: 42
подключение внешнего бойлера к 2-х конт. котлу
Bahus, BAXI - Volga,
Вы правы, сейчас читаю и стыдно, был не в себе
Вы правы, сейчас читаю и стыдно, был не в себе
-
CYMPAK
подключение внешнего бойлера к 2-х конт. котлу
Всем привет, так случилось, что купил себе год назад котел 310fi, пришло время ставить, ну и после прочтения форумов понимаю, что нужно ставить косвиник. Вопрос- вместо ГВС его можно поставить или нет?
Рассуждаю так:
1 Трехходовой клапан в котле есть,
2 при программировании котла есть функция - F03 =05(любой кател с внешним брйлером)
3 тпехходовой клапан стоит как раз СО-ГВС
4 покупаю какой нить косвиник от baxi с дотчиком температуры шоб кател знал температуру бойлера и когда нужно включал нагрев
5 наверное, нужно купить насос шоб гонять воду по кругу с котла в бойлер и обратно( или в baxi народ умный и его насос сможет это сделать)
Тоесть, система котла может вместо ГВС работать на нагрев брйлера?!?!
ЭТО БУДЕТ РАБОТАТЬ ИЛИ НЕТ?
Если нет, то можно на пальцах описать САМУЮ ПРОСТУЮ (у меня всего духэтажный дом, без разных там теплых полов и прочего, только будут стоять всего 12 батарей) схему подключеня бойлера ДВУХКОНТУРНОГО КОТЛА
Рассуждаю так:
1 Трехходовой клапан в котле есть,
2 при программировании котла есть функция - F03 =05(любой кател с внешним брйлером)
3 тпехходовой клапан стоит как раз СО-ГВС
4 покупаю какой нить косвиник от baxi с дотчиком температуры шоб кател знал температуру бойлера и когда нужно включал нагрев
5 наверное, нужно купить насос шоб гонять воду по кругу с котла в бойлер и обратно( или в baxi народ умный и его насос сможет это сделать)
Тоесть, система котла может вместо ГВС работать на нагрев брйлера?!?!
ЭТО БУДЕТ РАБОТАТЬ ИЛИ НЕТ?
Если нет, то можно на пальцах описать САМУЮ ПРОСТУЮ (у меня всего духэтажный дом, без разных там теплых полов и прочего, только будут стоять всего 12 батарей) схему подключеня бойлера ДВУХКОНТУРНОГО КОТЛА
-
Bahus
- Главный администратор

- Сообщения: 13234
- Зарегистрирован: 24 июл 2012, 13:05
- Откуда: Пенза
- Мой котел: Пензенская ТЭЦ-1
- Благодарил (а): 85 раз
- Поблагодарили: 1734 раза
- Возраст: 46
подключение внешнего бойлера к 2-х конт. котлу
Не. Не будет.
Дело в том, что, хоть и в одноконтурной, и в двухконтурной Луне3 стоят трехходовики - гидравлическая часть у них разная. Физически не получится подключить бойлер по гидравлике.
Но. Есть один испытанный способ. Он описа здесь в первом вопросе. Данным комплектом подключают бойлер к одноконтурному EcoFour, в котором нет встроенного треххода.
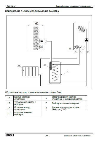
Смысл простой. Трехход из комплекта монтируется снаружи котла на подаче в СО. Сервопривод монтируется на него и заводится на плату вместо штатного. С этого момента про штатные трехход и сервопривод забываем. Датчик температуры из комплекта толкаем в бойлер, на отведенное ему место и подключаем на плату котла вместо штатного датчика температуры ГВС. Ну и F03 меняем.
Все. При запросе от датчика ГВС, котел будет включать трехход на ветку змеевика бойлера. Насос используется штатный, дополнительного не надо.
Обратка из бойлера врезается в обратку СО обычным тройником.
Дело в том, что, хоть и в одноконтурной, и в двухконтурной Луне3 стоят трехходовики - гидравлическая часть у них разная. Физически не получится подключить бойлер по гидравлике.
Но. Есть один испытанный способ. Он описа здесь в первом вопросе. Данным комплектом подключают бойлер к одноконтурному EcoFour, в котором нет встроенного треххода.
Смысл простой. Трехход из комплекта монтируется снаружи котла на подаче в СО. Сервопривод монтируется на него и заводится на плату вместо штатного. С этого момента про штатные трехход и сервопривод забываем. Датчик температуры из комплекта толкаем в бойлер, на отведенное ему место и подключаем на плату котла вместо штатного датчика температуры ГВС. Ну и F03 меняем.
Все. При запросе от датчика ГВС, котел будет включать трехход на ветку змеевика бойлера. Насос используется штатный, дополнительного не надо.
Обратка из бойлера врезается в обратку СО обычным тройником.
В ЛС отвечаю только по работе форума
Илья Бахталин
АСЦ BAXI "Санфорт". г. Пенза
Подключение к Зонту - bahus1980
Илья Бахталин
АСЦ BAXI "Санфорт". г. Пенза
Подключение к Зонту - bahus1980
-
CYMPAK
-
garry
- Ас
- Сообщения: 1005
- Зарегистрирован: 25 янв 2013, 21:48
- Благодарил (а): 1 раз
- Поблагодарили: 56 раз
подключение внешнего бойлера к 2-х конт. котлу
Тут недавно наоборот было, мужику по ошибке отгрузили одноконтурный вместо двухконтурного, мы мужику объяснили на пальцах сколько счастья ему привалило, он забрал разницу в котлах и купил бойлер, почему народ не запомнит сразу дом=бойлер, квартира=проточник, а то начинается потом вызывают, у них проток 25 литров в минуту и течет холодная вода, и ты ищешь ходишь горячую.
-
CYMPAK
подключение внешнего бойлера к 2-х конт. котлу
Ecgarry писал(а):Тут недавно наоборот было, мужику по ошибке отгрузили одноконтурный вместо двухконтурного, мы мужику объяснили на пальцах сколько счастья ему привалило, он забрал разницу в котлах и купил бойлер, почему народ не запомнит сразу дом=бойлер, квартира=проточник, а то начинается потом вызывают, у них проток 25 литров в минуту и течет холодная вода, и ты ищешь ходишь горячую.
Если честно, мой косяк, смотрел только отзывы по производителям и доступности запчастей, и решил брать Baxi, а насчет того что двухконтурный не практичный в своем доме даже мысли не было, а на оборот.....думал сразу горячая вода без всяких бойлеров это лучше и ее будет хватать...У соседа двухконтурник без бойлера, но мне он не говорил что ему не хватает....ну их и живет два человека....
Понимаю, что переплатил, но радует что котел взял пару лет назад, сейчас он на 23000 дороже.
Всем спасибо за помощь!
-
KRAHA
- Новичок
- Сообщения: 9
- Зарегистрирован: 10 дек 2024, 11:52
- Откуда: Рязань
- Мой котел: Eco Nova 18F
подключение внешнего бойлера к 2-х конт. котлу
Я так понимаю, что у меня тот же путь с котлом Eco Nova 18F и бойлером Термекс Nixen 150 F (Combi)Bahus писал(а): 19 авг 2015, 11:17 Дело в том, что, хоть и в одноконтурной, и в двухконтурной Луне3 стоят трехходовики - гидравлическая часть у них разная. Физически не получится подключить бойлер по гидравлике.
Или можно также рассмотреть указанный в ссылке вариант подогрева электричеством протока ГВС через бойлер?
И можно ли использовать комплект трехходовой клапан с сервоприводом + датчик другого производителя, в частности Термекс
-
Bahus
- Главный администратор

- Сообщения: 13234
- Зарегистрирован: 24 июл 2012, 13:05
- Откуда: Пенза
- Мой котел: Пензенская ТЭЦ-1
- Благодарил (а): 85 раз
- Поблагодарили: 1734 раза
- Возраст: 46
подключение внешнего бойлера к 2-х конт. котлу
Да. Комплект внешнего трёхходового, мотора и датчика. На Нове используются такие же датчики, что и на EcoFour, насколько я помню.
В ЛС отвечаю только по работе форума
Илья Бахталин
АСЦ BAXI "Санфорт". г. Пенза
Подключение к Зонту - bahus1980
Илья Бахталин
АСЦ BAXI "Санфорт". г. Пенза
Подключение к Зонту - bahus1980
-
KRAHA
- Новичок
- Сообщения: 9
- Зарегистрирован: 10 дек 2024, 11:52
- Откуда: Рязань
- Мой котел: Eco Nova 18F
подключение внешнего бойлера к 2-х конт. котлу
Изначально просто теплилась надежда потому, что в оригинальной инструкции трехходовой клапан и подключение изображены внутри котла
У вас нет необходимых прав для просмотра вложений в этом сообщении.
-
Bahus
- Главный администратор

- Сообщения: 13234
- Зарегистрирован: 24 июл 2012, 13:05
- Откуда: Пенза
- Мой котел: Пензенская ТЭЦ-1
- Благодарил (а): 85 раз
- Поблагодарили: 1734 раза
- Возраст: 46
подключение внешнего бойлера к 2-х конт. котлу
Ну так само собой. Вот если бы у вас была одноконтурная версия - тогда вообще проблем нет. Даже датчик в комплекте есть.
Но у вас сейчас трёхходовой переключает поток на внутренний теплообменник. Конфигурация латунных групп в 1- и 2-контурных разная.
Но у вас сейчас трёхходовой переключает поток на внутренний теплообменник. Конфигурация латунных групп в 1- и 2-контурных разная.
В ЛС отвечаю только по работе форума
Илья Бахталин
АСЦ BAXI "Санфорт". г. Пенза
Подключение к Зонту - bahus1980
Илья Бахталин
АСЦ BAXI "Санфорт". г. Пенза
Подключение к Зонту - bahus1980
-
KRAHA
- Новичок
- Сообщения: 9
- Зарегистрирован: 10 дек 2024, 11:52
- Откуда: Рязань
- Мой котел: Eco Nova 18F
подключение внешнего бойлера к 2-х конт. котлу
Спасибо.
Второй вариант - подогрев проточки электричеством, в моем случае наверное экономически не обоснован. Котел и бойлер (комби) уже куплены.
Не в обиду Baxi, комплекты трехходовых Termex сейчас в два раза дешевле, а суть такая же. Только датчик под сомнением. Хотя (я занимаюсь электрикой) все они однотипные, вопрос только в градуировке (или учету поправки) прибора к которому они подключены
Второй вариант - подогрев проточки электричеством, в моем случае наверное экономически не обоснован. Котел и бойлер (комби) уже куплены.
Не в обиду Baxi, комплекты трехходовых Termex сейчас в два раза дешевле, а суть такая же. Только датчик под сомнением. Хотя (я занимаюсь электрикой) все они однотипные, вопрос только в градуировке (или учету поправки) прибора к которому они подключены
-
Bahus
- Главный администратор

- Сообщения: 13234
- Зарегистрирован: 24 июл 2012, 13:05
- Откуда: Пенза
- Мой котел: Пензенская ТЭЦ-1
- Благодарил (а): 85 раз
- Поблагодарили: 1734 раза
- Возраст: 46
подключение внешнего бойлера к 2-х конт. котлу
Ну так если куплено, то к чему вопросы. Котёл-термекс-бойлер. И всё зашуршит.
Датчик, да. Ну если будет привирать, то завсегда родной можно купить, да заменить.
Датчик, да. Ну если будет привирать, то завсегда родной можно купить, да заменить.
В ЛС отвечаю только по работе форума
Илья Бахталин
АСЦ BAXI "Санфорт". г. Пенза
Подключение к Зонту - bahus1980
Илья Бахталин
АСЦ BAXI "Санфорт". г. Пенза
Подключение к Зонту - bahus1980
-
KRAHA
- Новичок
- Сообщения: 9
- Зарегистрирован: 10 дек 2024, 11:52
- Откуда: Рязань
- Мой котел: Eco Nova 18F