Подключение термостата Siemens RAA31.16
Подключение термостата Siemens RAA31.16
Схема
Выше по ссылке инструкция по подключению, как подключить термостат я разобрался. Вопрос как сделать чтобы работал индикатор, когда термостат включен, там похоже надо еще 220 в подводить!
Выше по ссылке инструкция по подключению, как подключить термостат я разобрался. Вопрос как сделать чтобы работал индикатор, когда термостат включен, там похоже надо еще 220 в подводить!
Последний раз редактировалось igormert 18 окт 2015, 10:52, всего редактировалось 1 раз.
-
RADAR
- Местный аксакал
- Сообщения: 6627
- Зарегистрирован: 25 июл 2012, 00:33
- Откуда: г.Кострома
- Мой котел: Gepard 23MTV19
- Благодарил (а): 111 раз
- Поблагодарили: 412 раз
- Возраст: 51
Подключение термостати Siemens RAA31.16
а модель котла? надо же думать, как подключить индикатор к котлу..
Подключение термостати Siemens RAA31.16
main 5 24f - вроде к котлу все термостаты одинаково подключаются 1 и 2 контакты, поэтому модель не указал. Или вы хотите посмотреть, откуда с котла можно за питать индикатор?
-
RADAR
- Местный аксакал
- Сообщения: 6627
- Зарегистрирован: 25 июл 2012, 00:33
- Откуда: г.Кострома
- Мой котел: Gepard 23MTV19
- Благодарил (а): 111 раз
- Поблагодарили: 412 раз
- Возраст: 51
Подключение термостата Siemens RAA31.16
Индикатор можно подключить параллельно насосу котла..либо использовать промежуточное реле..
Подключение термостата Siemens RAA31.16
если не затруднит, то дайте более развернутый ответ, как подключить паралельно насосу? У меня идет от термостата к котлу двух жильный кабель, надо еще дополнительные жилы будет?RADAR писал(а):
-
RADAR
- Местный аксакал
- Сообщения: 6627
- Зарегистрирован: 25 июл 2012, 00:33
- Откуда: г.Кострома
- Мой котел: Gepard 23MTV19
- Благодарил (а): 111 раз
- Поблагодарили: 412 раз
- Возраст: 51
Подключение термостата Siemens RAA31.16
да, потребуется 4 провода..2 уже есть я так понимаю..еще 2 на индикатор, подключиться к насосу там- где удобно, хоть в колодке насоса, хоть на плате на разъем насоса..если индикатор запараллелить с контактами термостата - будет обратная логика свечения индикатора..
Подключение термостата Siemens RAA31.16
тогда в пень этот индикатор, я думал должно быть как то проще.. А с 1 и 2 контакта колодки, куда термостат подключен нельзя взять 220в? или их там нет?
-
RADAR
- Местный аксакал
- Сообщения: 6627
- Зарегистрирован: 25 июл 2012, 00:33
- Откуда: г.Кострома
- Мой котел: Gepard 23MTV19
- Благодарил (а): 111 раз
- Поблагодарили: 412 раз
- Возраст: 51
Подключение термостата Siemens RAA31.16
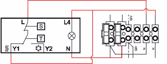
ну как минимум надо 3 провода..еще брать нейтраль с котла..
Отправлено спустя 10 минут 6 секунд:
попробую нарисовать сейчас..
Отправлено спустя 21 минуту 13 секунд: ну вот как то так..на скорую руку..
Отправлено спустя 10 минут 6 секунд:
попробую нарисовать сейчас..
Отправлено спустя 21 минуту 13 секунд: ну вот как то так..на скорую руку..
-
- Похожие темы
- Ответы
- Просмотры
- Последнее сообщение
-
- 3 Ответы
- 1384 Просмотры
-
Последнее сообщение Bahus
-
- 1 Ответы
- 3103 Просмотры
-
Последнее сообщение Starik
-
- 8 Ответы
- 3649 Просмотры
-
Последнее сообщение Starik
-
- 1 Ответы
- 5085 Просмотры
-
Последнее сообщение Bahus
-
- 3 Ответы
- 310 Просмотры
-
Последнее сообщение Nikolaev.ON
Кто сейчас на конференции
Сейчас этот форум просматривают: нет зарегистрированных пользователей и 3 гостя