Luna HT 1.450 и бойлер
-
RADAR
- Местный аксакал
- Сообщения: 6698
- Зарегистрирован: 25 июл 2012, 00:33
- Откуда: г.Кострома
- Мой котел: Gepard 23MTV19
- Благодарил (а): 112 раз
- Поблагодарили: 415 раз
- Возраст: 51
Luna HT 1.450 и бойлер
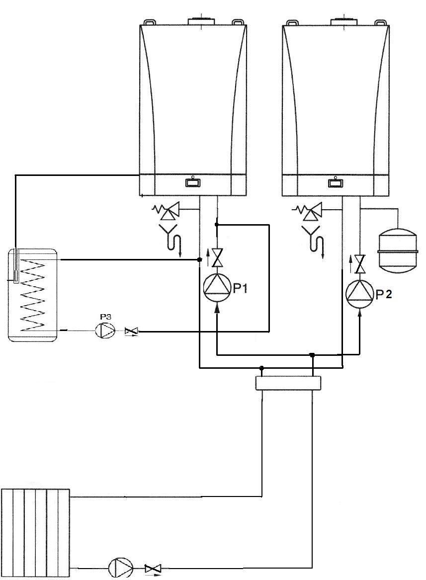
сабж...не углублялся в подробности, но есть вопрос - имеет ли схема на рисунке - право на жизнь? нужно 2 котла чтоб работали на стрелку и один из них на бойлер..по этой схеме? ответ получен...спасибо!
Re: Luna HT 1.450 и бойлер
Здравствуйте
Данная схема вполне приемлема и является одним из стандартных подключений при использовании котлов в каскаде с применением контроллера RVA47. Каскад будет модулируемым и мы получим широкое изменение мощности котлов благодаря использованию протокола Siemens через общую шину соединений BUS. Котёл с бойлером должен иметь порядковый номер (адрес), идущий сразу за мастером каскада ( RVA47) В данной схеме это будет адрес №2, который выставляется на панели котла в режиме установщика параметром 605. В случае использования регулятора каскада не имеющего прямого контроля мощности котлов. ( типа Кромшрёдер), нет необходимости ничего менять в настройке каскадных параметрах котла, только правильно выставить тип гидравлической системы на котле с бойлером ( для правильного порядка включения котлового насоса и ГВС), а контроллер будет запускать котлы по контактам комнатного термостата каждого из котлов. В этом случае они будут работать сами по себе, не "видя" друг друга и набор мощности каскада будет производится регулятором просто в режиме вкл.-выкл. одного или другого котла.
Данная схема вполне приемлема и является одним из стандартных подключений при использовании котлов в каскаде с применением контроллера RVA47. Каскад будет модулируемым и мы получим широкое изменение мощности котлов благодаря использованию протокола Siemens через общую шину соединений BUS. Котёл с бойлером должен иметь порядковый номер (адрес), идущий сразу за мастером каскада ( RVA47) В данной схеме это будет адрес №2, который выставляется на панели котла в режиме установщика параметром 605. В случае использования регулятора каскада не имеющего прямого контроля мощности котлов. ( типа Кромшрёдер), нет необходимости ничего менять в настройке каскадных параметрах котла, только правильно выставить тип гидравлической системы на котле с бойлером ( для правильного порядка включения котлового насоса и ГВС), а контроллер будет запускать котлы по контактам комнатного термостата каждого из котлов. В этом случае они будут работать сами по себе, не "видя" друг друга и набор мощности каскада будет производится регулятором просто в режиме вкл.-выкл. одного или другого котла.
-
RADAR
- Местный аксакал
- Сообщения: 6698
- Зарегистрирован: 25 июл 2012, 00:33
- Откуда: г.Кострома
- Мой котел: Gepard 23MTV19
- Благодарил (а): 112 раз
- Поблагодарили: 415 раз
- Возраст: 51
Re: Luna HT 1.450 и бойлер
Здравствуйте!dimabond писал(а):Здравствуйте
Данная схема вполне приемлема и является одним из стандартных подключений при использовании котлов в каскаде с применением контроллера RVA47. Каскад будет модулируемым и мы получим широкое изменение мощности котлов благодаря использованию протокола Siemens через общую шину соединений BUS. Котёл с бойлером должен иметь порядковый номер (адрес), идущий сразу за мастером каскада ( RVA47) В данной схеме это будет адрес №2, который выставляется на панели котла в режиме установщика параметром 605. В случае использования регулятора каскада не имеющего прямого контроля мощности котлов. ( типа Кромшрёдер), нет необходимости ничего менять в настройке каскадных параметрах котла, только правильно выставить тип гидравлической системы на котле с бойлером ( для правильного порядка включения котлового насоса и ГВС), а контроллер будет запускать котлы по контактам комнатного термостата каждого из котлов. В этом случае они будут работать сами по себе, не "видя" друг друга и набор мощности каскада будет производится регулятором просто в режиме вкл.-выкл. одного или другого котла.
я вот например стесняюсь предложить заказчику RVA47, и не решусь их предлагать до того времени, когда не станут внешне приятными и с дружественным интерфейсом...все-таки мини котельные в коттеджах требуют и эстетики...так что будем ждать с нетерпением и у BAXI красивых и понятных каскадников, способных управлять одновременно как минимум 2мя смесительными контурами...
-
RADAR
- Местный аксакал
- Сообщения: 6698
- Зарегистрирован: 25 июл 2012, 00:33
- Откуда: г.Кострома
- Мой котел: Gepard 23MTV19
- Благодарил (а): 112 раз
- Поблагодарили: 415 раз
- Возраст: 51
Re: Luna HT 1.450 и бойлер
запустил таки сегодня эту систему...неожиданно встал вопрос - как вывести котел на 45кВт? вместо природного газа поставили газгольдер и пришлось переводить на пропан...счетчика нет...подробной инструкции по перенастройке нет...кроме поворота винта V на 3 оборота по часовой, при которых котел не завелся...только при 2 оборотах запустился и работал, при 3 оборотах видно начало отрыва факела...
Luna HT 1.450 и бойлер
Power 1.450 и бойлер косвенного нагрева.
1.NTC датчик приоритета ГВС бойлера-какие его параметры и желательно марка.
2.Какая температура нагрева отопительной воды при работе на гвс.Зависит ли она от установленной температуры СО.
3.Возможно ли отключение насоса СО при работе на ГВС.
Бойлер 500 литров.Производитель неизвестен.требуемая температура ГВС 50-60 градусов.
Отопление-теплый пол 150-200м2 и радиатор подогрева воздуха принудительной вентиляции.
Спасибо.
1.NTC датчик приоритета ГВС бойлера-какие его параметры и желательно марка.
2.Какая температура нагрева отопительной воды при работе на гвс.Зависит ли она от установленной температуры СО.
3.Возможно ли отключение насоса СО при работе на ГВС.
Бойлер 500 литров.Производитель неизвестен.требуемая температура ГВС 50-60 градусов.
Отопление-теплый пол 150-200м2 и радиатор подогрева воздуха принудительной вентиляции.
Спасибо.
Luna HT 1.450 и бойлер
ДА.
На сжиженном газе.
Сейчас насосы на СО и на бойлер работают просто от розетки.
бойлер на рециркуляции.
Нужно к 8 часам нагреть воду .А в ночь просто отопление с поддержанием мин. температуры и к 8 разогреть помещение до 16-18 град.
Весь смысл -экономия газа.
На сжиженном газе.
Сейчас насосы на СО и на бойлер работают просто от розетки.
бойлер на рециркуляции.
Нужно к 8 часам нагреть воду .А в ночь просто отопление с поддержанием мин. температуры и к 8 разогреть помещение до 16-18 град.
Весь смысл -экономия газа.
-
4min
- Завсегдатай
- Сообщения: 127
- Зарегистрирован: 26 янв 2013, 16:57
- Откуда: г.Сочи
- Благодарил (а): 16 раз
- Поблагодарили: 6 раз
- Возраст: 63
Luna HT 1.450 и бойлер
1. http://www.baxi.ru/upload/iblock/c47/ak ... foto_.xlsx
2. Зависит, увеличение температуры на подаче котла при работе на контур ГВС изменяется параметром Н510, заводская настройка 25С
3. Возможно, более понятно как подключить в инструкции Luna HT 1.450-1.550-1.650 стр 21,27
Суточный рабочий цикл системы ГВС можно запрограммировать.
2. Зависит, увеличение температуры на подаче котла при работе на контур ГВС изменяется параметром Н510, заводская настройка 25С
3. Возможно, более понятно как подключить в инструкции Luna HT 1.450-1.550-1.650 стр 21,27
Суточный рабочий цикл системы ГВС можно запрограммировать.
Дмитрий
Умножающий знание умножает печаль ...
Умножающий знание умножает печаль ...
-
- Похожие темы
- Ответы
- Просмотры
- Последнее сообщение
-
- 10 Ответы
- 3636 Просмотры
-
Последнее сообщение Bahus
-
- 4 Ответы
- 151 Просмотры
-
Последнее сообщение Architectorus
-
- 3 Ответы
- 212 Просмотры
-
Последнее сообщение RADAR
-
- 2 Ответы
- 312 Просмотры
-
Последнее сообщение dregvodaster
-
- 2 Ответы
- 246 Просмотры
-
Последнее сообщение ya_garik
Кто сейчас на конференции
Сейчас этот форум просматривают: нет зарегистрированных пользователей и 2 гостя