Всем добрый день.
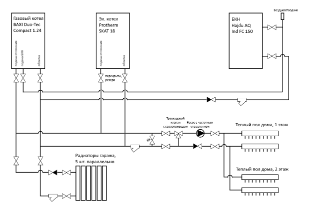
Прошлой зимой схема отопления включала в себя только газовый котел, БКН и теплые полы, при этом они работали напрямую от котла без узла подмеса и дополнительного насоса. Электрический котел выведен в резерв, его краны перекрыты.
Этим летом добавились 5 радиаторов гаража, а также узел подмеса на трехходовом клапане TIM с сервоприводом (управляет Zont), а также насос с частотным управлением Oasis everywhere CNE-25/6. Система работает, все управляется и температура поддерживается.
Месяц назад примерно после запуска отопления возникла проблема: при переключении трехходового клапана с отопления на ГВС и обратно был какой-то свист, а также заметил, что бойлер стал остывать слишком быстро. Поменял ремкомплект трехходового, резинка на верхней тарелке болталась. После этого звуки при переключениях пропали, но проблема с быстрым остыванием бойлера не ушла.
При переключении на нагрев ГВС часть теплоносителя попадает в отопление, т.е. подача отопления также начинает нагреваться до температуры теплоносителя, но циркуляция при этом небольшая. При переключении назад на отопление трехходовой клапан котла также не полностью перекрывает контур бойлера и через бойлер идет циркуляция (даже слышно, если руками перекрыть кран на его контуре). Причем иногда закрывается полностью и циркуляции нет, бойлер не выстужается (судя по логам Zont). Это повторяется даже в случае, когда узел подмеса теплого пола полностью перекрыт кранами и насос выключен, т.е. дело точно не в доп. насосе.
Разводка котельной выполнена ПП трубой 32 мм, до коллекторов теплого пола 1 и 2 этажа также идет ПП 32 мм, радиаторы гаража подключены ПП 25 мм (одна линия из 2 радиаторов, вторая - из 3 радиаторов, до крайних радиаторов идет ПП 20 мм, по расчетам должно хватать на гараж).
Почистил все грязевики, проверил всю систему. Были мысли о недостаточной циркуляции, но схема подключения бойлера не менялась, а прошлой зимой при нагреве бойлера теплоноситель в отопление точно не шел (иначе было бы видно в Zont). Недостаточной циркуляции вроде не должно быть, т.к. есть перепускной клапан (TIM), пробовал выставлять на нем разный перепад давлений, но это не влияет.
Может быть, кто-то еще может что-нибудь посоветовать. Наверное, попробую еще раз залезть в трехходовой клапан, вдруг что-то попало каким-то образом, но слабо реально. По ремкомплекту (Wo-Lab, заказывал на Ozon) отзывы все хорошие, да и непонятно, что с ним может быть не так. Может, сервопривод как-то не отрабатывает (вчера пробовал его снять - по ощущениям, циркуляция в отопление все равно идет, т.е. продавливает пружину нижней тарелки?), а вот когда снятый сервопривод переключился в положение отопления, поставил его назад, продавив пружину трехходового, после этого циркуляция через бойлер прекратилась. Но на утро та же картина, как будто ему не хватает мощности продавить пружину и закрыть клапан полностью.
Пропускает трехходовой клапан Baxi Duo-Tec Compact 1.24
-
Bahus
- Главный администратор

- Сообщения: 13100
- Зарегистрирован: 24 июл 2012, 13:05
- Откуда: Пенза
- Мой котел: Пензенская ТЭЦ-1
- Благодарил (а): 84 раза
- Поблагодарили: 1708 раз
- Возраст: 45
Пропускает трехходовой клапан Baxi Duo-Tec Compact 1.24
Тут не подскажу. Только руками уже. Открывать, смотреть, оценивать, мыть и т.п.
В ЛС отвечаю только по работе форума
Илья Бахталин
АСЦ BAXI "Санфорт". г. Пенза
Подключение к Зонту - bahus1980
Илья Бахталин
АСЦ BAXI "Санфорт". г. Пенза
Подключение к Зонту - bahus1980
-
КонстантинШ
- Новичок
- Сообщения: 9
- Зарегистрирован: 05 дек 2025, 11:26
- Откуда: СПб
- Мой котел: Baxi Duo-Tech Compact 1.24
Пропускает трехходовой клапан Baxi Duo-Tec Compact 1.24
Вообщем поставил ОК на ГВС и все стало работать правильно
Пропускает трехходовой клапан Baxi Duo-Tec Compact 1.24
Полскажите, медные трубки, подходящик к трехходовому клапану многоразовые, можно открутить и закрутить несколько раз без доп. запчастей?andr писал(а): 28 ноя 2024, 08:53 Извиняюсь, что заметил сообщение только сейчас.
Снял все патрубки, открутил снизу фиксирующий болт, а затем на снятом трехходовом просто открутил точно так же, как и верхнюю чашку, они в этом плане не отличаются
-
Bahus
- Главный администратор

- Сообщения: 13100
- Зарегистрирован: 24 июл 2012, 13:05
- Откуда: Пенза
- Мой котел: Пензенская ТЭЦ-1
- Благодарил (а): 84 раза
- Поблагодарили: 1708 раз
- Возраст: 45
Пропускает трехходовой клапан Baxi Duo-Tec Compact 1.24
Только прокладки. Если держат, то ок
В ЛС отвечаю только по работе форума
Илья Бахталин
АСЦ BAXI "Санфорт". г. Пенза
Подключение к Зонту - bahus1980
Илья Бахталин
АСЦ BAXI "Санфорт". г. Пенза
Подключение к Зонту - bahus1980
-
- Похожие темы
- Ответы
- Просмотры
- Последнее сообщение
Кто сейчас на конференции
Сейчас этот форум просматривают: нет зарегистрированных пользователей и 13 гостей
Боты: Google [Bot]