Как подпитать котел baxi eco life 1.24? Если кран подпитки отсутствует
-
ОльгаДежкина
- Сообщения: 3
- Зарегистрирован: 09 апр 2026, 14:40
- Откуда: Наро-Фоминск
Как подпитать котел baxi eco life 1.24? Если кран подпитки отсутствует
Котёл начал выдавать ошибку е10, на манометре 0, я понимаю, что нужно подпитать котёл, но на моём котле нет крана подпитки, как можно подпитать данный котёл?
-
Olegbez
- Старожил
- Сообщения: 690
- Зарегистрирован: 13 сен 2012, 19:17
- Откуда: Оренбург
- Благодарил (а): 12 раз
- Поблагодарили: 104 раза
- Возраст: 38
Как подпитать котел baxi eco life 1.24? Если Каран подпитки отсутствует
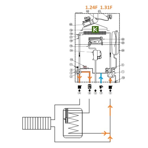
Вход холодный воды в ваш котел является прямым соединением с контуром системой отопления котла (синяя стрелка), на этом соединении должен быть кран он и является подпиткой. Если монтажники поставили заглушку то ищите кран в другом месте.


Telegram : Oleg9040
-
ОльгаДежкина
- Сообщения: 3
- Зарегистрирован: 09 апр 2026, 14:40
- Откуда: Наро-Фоминск
Как подпитать котел baxi eco life 1.24? Если Каран подпитки отсутствует
На том месте стоит просто кран, без подвода воды.
-
ОльгаДежкина
- Сообщения: 3
- Зарегистрирован: 09 апр 2026, 14:40
- Откуда: Наро-Фоминск
Как подпитать котел baxi eco life 1.24? Если Каран подпитки отсутствует
Без понятия
я пришла и уже все работало
-
Bahus
- Главный администратор

- Сообщения: 13229
- Зарегистрирован: 24 июл 2012, 13:05
- Откуда: Пенза
- Мой котел: Пензенская ТЭЦ-1
- Благодарил (а): 85 раз
- Поблагодарили: 1733 раза
- Возраст: 46
Как подпитать котел baxi eco life 1.24? Если кран подпитки отсутствует
Пройдитесь по системе отопления. Может вам совсем в другом месте перемычку с краном заполнения сделали из водопровода.
Если таковой нет, тогда печаль. Только насос подключать и из ведра заполнять. Либо монтировать подвод холодной воды к крану, указанному стрелкой выше.
Если таковой нет, тогда печаль. Только насос подключать и из ведра заполнять. Либо монтировать подвод холодной воды к крану, указанному стрелкой выше.
В ЛС отвечаю только по работе форума
Илья Бахталин
АСЦ BAXI "Санфорт". г. Пенза
Подключение к Зонту - bahus1980
Илья Бахталин
АСЦ BAXI "Санфорт". г. Пенза
Подключение к Зонту - bahus1980
-
Wawyan
- Забегающий
- Сообщения: 35
- Зарегистрирован: 09 дек 2024, 13:41
- Откуда: Московская область
- Мой котел: Baxi ECO Nova 14F
- Благодарил (а): 2 раза
- Поблагодарили: 6 раз
- Возраст: 41
Как подпитать котел baxi eco life 1.24? Если кран подпитки отсутствует
Сделайте общее фото где висит котел, может где рядом есть. или позвоните монтажникам.