Работа Luna 3 comfort на ГВС
-
Shumskoy
- Забегающий
- Сообщения: 23
- Зарегистрирован: 17 янв 2017, 20:56
- Мой котел: LUNA 3 comfort
- Благодарил (а): 4 раза
Работа Luna 3 comfort на ГВС
Добрый день.
После подключения БКН к котлу Luna 3 comfort 1.310 через родной датчик температуры и моторчик трехходового возник вопрос по эксплуатации.
Котел работает по температуре теплоносителя + внешний датчик температуры. На период нашего отсутствия - мы через таймер выключаем отопление днем как и ГВС.
И почему то после выключения отопления, трехходовый котла всё равно переключается на контур ГВС и почему то видимо циркулирующий теплоноситель очень быстро остужает нагретую утром санитарную воду в БКН. То есть почему то продолжающий циркуляцию теплоноситель обратно переносит тепло от нагретого БКН на теплообменник выключеного котла, остужая воду в БКН за рабочий день на 20-25 гр.
Скажите, это нормальная работа на ГВС данного котла или что то не так подключили с БКН? И вообще, можно ли как то в настройках котла решить проблему открытия по умолчанию на неработающим котле контура ГВС и прекратить тем самым циркуляцию теплоносителя в нем?
Спасибо!
После подключения БКН к котлу Luna 3 comfort 1.310 через родной датчик температуры и моторчик трехходового возник вопрос по эксплуатации.
Котел работает по температуре теплоносителя + внешний датчик температуры. На период нашего отсутствия - мы через таймер выключаем отопление днем как и ГВС.
И почему то после выключения отопления, трехходовый котла всё равно переключается на контур ГВС и почему то видимо циркулирующий теплоноситель очень быстро остужает нагретую утром санитарную воду в БКН. То есть почему то продолжающий циркуляцию теплоноситель обратно переносит тепло от нагретого БКН на теплообменник выключеного котла, остужая воду в БКН за рабочий день на 20-25 гр.
Скажите, это нормальная работа на ГВС данного котла или что то не так подключили с БКН? И вообще, можно ли как то в настройках котла решить проблему открытия по умолчанию на неработающим котле контура ГВС и прекратить тем самым циркуляцию теплоносителя в нем?
Спасибо!
-
Bahus
- Главный администратор

- Сообщения: 13224
- Зарегистрирован: 24 июл 2012, 13:05
- Откуда: Пенза
- Мой котел: Пензенская ТЭЦ-1
- Благодарил (а): 85 раз
- Поблагодарили: 1733 раза
- Возраст: 46
Работа Luna 3 comfort на ГВС
Надо бы схемку набросать. Хотя бы от руки. Чего и куда подключено. С запорниками и обратными клапанами.
Иначе сложно
Иначе сложно
В ЛС отвечаю только по работе форума
Илья Бахталин
АСЦ BAXI "Санфорт". г. Пенза
Подключение к Зонту - bahus1980
Илья Бахталин
АСЦ BAXI "Санфорт". г. Пенза
Подключение к Зонту - bahus1980
-
Shumskoy
- Забегающий
- Сообщения: 23
- Зарегистрирован: 17 янв 2017, 20:56
- Мой котел: LUNA 3 comfort
- Благодарил (а): 4 раза
Работа Luna 3 comfort на ГВС
Фотки проекта:
У вас нет необходимых прав для просмотра вложений в этом сообщении.
-
dobsan
- Опытный
- Сообщения: 251
- Зарегистрирован: 11 окт 2015, 20:14
- Откуда: Чебоксары
- Благодарил (а): 2 раза
- Поблагодарили: 17 раз
Работа Luna 3 comfort на ГВС
в какое место здесь трёхход котла работает ?Shumskoy писал(а): трехходовый котла всё равно переключается на контур ГВС
-
Bahus
- Главный администратор

- Сообщения: 13224
- Зарегистрирован: 24 июл 2012, 13:05
- Откуда: Пенза
- Мой котел: Пензенская ТЭЦ-1
- Благодарил (а): 85 раз
- Поблагодарили: 1733 раза
- Возраст: 46
Работа Luna 3 comfort на ГВС
А чего вы хотели, когда у вас бойлер за стрелкой? Как вы его регулировать собрались? Выносим бойлер за стрелку - будет вам счастье
В ЛС отвечаю только по работе форума
Илья Бахталин
АСЦ BAXI "Санфорт". г. Пенза
Подключение к Зонту - bahus1980
Илья Бахталин
АСЦ BAXI "Санфорт". г. Пенза
Подключение к Зонту - bahus1980
-
Shumskoy
- Забегающий
- Сообщения: 23
- Зарегистрирован: 17 янв 2017, 20:56
- Мой котел: LUNA 3 comfort
- Благодарил (а): 4 раза
Работа Luna 3 comfort на ГВС
Прошу прощения - старые картинки сбросил. Бойлер не после стрелки подключен, а напрямую от котла через котловой же трехходовый. Видимо на проекте старая схема. Завтра сфоткаю всю обвязку котельной и выложу. Простите, что ввел Вас в заблуждение схемами...
-
Bahus
- Главный администратор

- Сообщения: 13224
- Зарегистрирован: 24 июл 2012, 13:05
- Откуда: Пенза
- Мой котел: Пензенская ТЭЦ-1
- Благодарил (а): 85 раз
- Поблагодарили: 1733 раза
- Возраст: 46
Работа Luna 3 comfort на ГВС
оке. ждемс
В ЛС отвечаю только по работе форума
Илья Бахталин
АСЦ BAXI "Санфорт". г. Пенза
Подключение к Зонту - bahus1980
Илья Бахталин
АСЦ BAXI "Санфорт". г. Пенза
Подключение к Зонту - bahus1980
-
Shumskoy
- Забегающий
- Сообщения: 23
- Зарегистрирован: 17 янв 2017, 20:56
- Мой котел: LUNA 3 comfort
- Благодарил (а): 4 раза
Работа Luna 3 comfort на ГВС
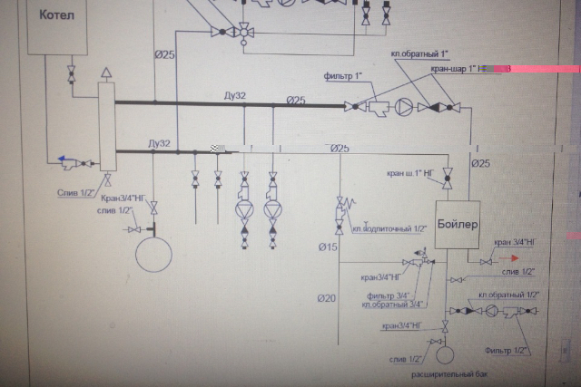
По факту все смонтировано вот так:
Отправлено спустя 3 минуты 18 секунд:
Не все фотки грузятся - пишет слишком большой размер. Но логика следующая: подающая и обратная магистраль от котла идет в бойлер напрямую, имея на входе в бойлер только отчетные краны. Ни на подаче, ни на обратке БКН нет никаких обратных клапанов. Они установлены только на линии подачи санитарной воды и на рециркуляции.
Отправлено спустя 2 часа 2 минуты 6 секунд:
В дополнение по итогам проведенных сегодня утром экспериментов: после выключения по теймеру работы на контур отопления и после 3-х минутного выбега насоса котла, при свеженагретом бойлере, труба обратки от котла постепенно начинает нагреваться, причем субъективно нагрев происходит от котла и далее по трубе. Увеличение температуры на подаче (еще раз повторю при выключенном котле) показывает и датчик котла в параметрах.
Из чего я делаю СУБЪЕКТИВНЫЙ вывод о том, что, при выключении работы котла на отопление и завершении работы котлового насоса, трехходовый переключается на контур ГВС и под воздействием каких-либо причин (естественной ли циркуляции в этом контуре или из-за того, что насосы контуров отопления продолжают работать и обеспечивают циркуляцию теплоносителя на отопление через гидрострелку) у нас происходит циркуляция теплоносителя в контуре ГВС, который постепенно через теплообменник котла и охлаждает ускоренно санитарную воду в бойлере.
скажите, верно ли я понимаю, что:
1. котел Луна 3 Комфорт по умолчанию В ВЫКЛЮЧЕННОМ РЕЖИМЕ переключает трехходовый на контур ГВС и это не является поломкой и некорректной работой котла?
2. правильно ли выполнена обвязка бойлера на фото и описании выше?
3. если котел работает верно и 3-хходовый правильно переключает на ГВС автоматически при выключении контура СО, то значит на подачу на БКН нужен обратный клапан, так? или нет?
спасибо!
Отправлено спустя 3 минуты 18 секунд:
Не все фотки грузятся - пишет слишком большой размер. Но логика следующая: подающая и обратная магистраль от котла идет в бойлер напрямую, имея на входе в бойлер только отчетные краны. Ни на подаче, ни на обратке БКН нет никаких обратных клапанов. Они установлены только на линии подачи санитарной воды и на рециркуляции.
Отправлено спустя 2 часа 2 минуты 6 секунд:
В дополнение по итогам проведенных сегодня утром экспериментов: после выключения по теймеру работы на контур отопления и после 3-х минутного выбега насоса котла, при свеженагретом бойлере, труба обратки от котла постепенно начинает нагреваться, причем субъективно нагрев происходит от котла и далее по трубе. Увеличение температуры на подаче (еще раз повторю при выключенном котле) показывает и датчик котла в параметрах.
Из чего я делаю СУБЪЕКТИВНЫЙ вывод о том, что, при выключении работы котла на отопление и завершении работы котлового насоса, трехходовый переключается на контур ГВС и под воздействием каких-либо причин (естественной ли циркуляции в этом контуре или из-за того, что насосы контуров отопления продолжают работать и обеспечивают циркуляцию теплоносителя на отопление через гидрострелку) у нас происходит циркуляция теплоносителя в контуре ГВС, который постепенно через теплообменник котла и охлаждает ускоренно санитарную воду в бойлере.
скажите, верно ли я понимаю, что:
1. котел Луна 3 Комфорт по умолчанию В ВЫКЛЮЧЕННОМ РЕЖИМЕ переключает трехходовый на контур ГВС и это не является поломкой и некорректной работой котла?
2. правильно ли выполнена обвязка бойлера на фото и описании выше?
3. если котел работает верно и 3-хходовый правильно переключает на ГВС автоматически при выключении контура СО, то значит на подачу на БКН нужен обратный клапан, так? или нет?
спасибо!
У вас нет необходимых прав для просмотра вложений в этом сообщении.
-
Shumskoy
- Забегающий
- Сообщения: 23
- Зарегистрирован: 17 янв 2017, 20:56
- Мой котел: LUNA 3 comfort
- Благодарил (а): 4 раза
Работа Luna 3 comfort на ГВС
Илья, ну так что скажете по изложенному выше?Bahus писал(а): оке. ждемс
Заранее огромное спасибо всем, кто откликнулся в этой теме!
-
plehan
- Дока по нормативам
- Сообщения: 3355
- Зарегистрирован: 04 мар 2014, 23:50
- Откуда: Астрахань
- Благодарил (а): 75 раз
- Поблагодарили: 268 раз
Работа Luna 3 comfort на ГВС
- а что вы отключаете ,если циркуляция продолжается ! Повесьте на таймер и насосы ГВС !Shumskoy писал(а): На период нашего отсутствия - мы через таймер выключаем отопление днем как и ГВС.
Ооо!.. Етит твою мать, профессор! Иди сюда, выпей с нами!
-
Bahus
- Главный администратор

- Сообщения: 13224
- Зарегистрирован: 24 июл 2012, 13:05
- Откуда: Пенза
- Мой котел: Пензенская ТЭЦ-1
- Благодарил (а): 85 раз
- Поблагодарили: 1733 раза
- Возраст: 46
Работа Luna 3 comfort на ГВС
Еще раз, пожалуйста, поподробнее. Откуда и в какую сторону что начинает греться? У вас то обратка в сторону от котла написано, то уже подача.Shumskoy писал(а): В дополнение по итогам проведенных сегодня утром экспериментов: после выключения по теймеру работы на контур отопления и после 3-х минутного выбега насоса котла, при свеженагретом бойлере, труба обратки от котла постепенно начинает нагреваться, причем субъективно нагрев происходит от котла и далее по трубе. Увеличение температуры на подаче (еще раз повторю при выключенном котле) показывает и датчик котла в параметрах.
А что это подключено в обратку системы мимо стрелки? Прямо под котлом тройник. Полипропилен без изоляции.
В ЛС отвечаю только по работе форума
Илья Бахталин
АСЦ BAXI "Санфорт". г. Пенза
Подключение к Зонту - bahus1980
Илья Бахталин
АСЦ BAXI "Санфорт". г. Пенза
Подключение к Зонту - bahus1980
-
Shumskoy
- Забегающий
- Сообщения: 23
- Зарегистрирован: 17 янв 2017, 20:56
- Мой котел: LUNA 3 comfort
- Благодарил (а): 4 раза
Работа Luna 3 comfort на ГВС
Ок. Еще раз излагаю суть вопроса.
1. Имеем котел Luna 3 Comfort, который через свой внутренний трехходовый клапан работает на СО и на ГВС через БКН.
2. СО организована через гидрострелку, после которой идут 4 контура отопления каждый со своим насосом. Насосы крутят постоянно, не отключаясь даже при отключении котла на отопление.
3. Бойлер подключили недавно, через родной датчик Т и мотор трехходового. Бойлер по типу "бак в баке".
4. Сейчас в доме никто пока не живет, поэтому котел СО греет по таймеру: ночью греет, днем спит. Нагрев котлом БКН ГВС в автоматическом режиме отключен, я его включаю вручную раз в несколько дней, чтобы вода не остыла сильно в бойлере. Водоразбора ГВС в доме нет. Рециркуляция отключена.
5. Обратка БКН и СО соединяются в одну трубу, которая уже входит в штатное место котла.
6. Беспокоит тот факт, что в описанном выше режиме горячая вода в бойлере очень быстро остывает - на 25 градусов в сутки примерно. При этом замечено, что если перекрыть кран на подаче теплоносителя от котла на БКН, то остывание составляет 5-6 градусов в сутки. Примерно с такой же скоростью горячая вода в бойлере остывает и при включенной на постоянку работе котла на отопление...
7. отсюда возникает вопрос: 1) верно ли, что при совсем выключенном котле, трехходовый клапан котла по умолчанию перекрывает СО и открывается на ГВС? Если так и есть, то я провел след эксперимент.
8. Я запустил нагрев БКН, температура в контуре ГВС поднялась до 80гр., БКН нагрелся. после, на некоторое время я включил режим котла на отопление. Температура на подаче в СО - 40 гр. После этого я отключаю на панели управления котел. Вообще. И вижу, что после 3-хминутного выбега насоса в систему отопления и его отключения, температура по датчику Т котла на подаче начала расти условно с 40 градусов до 60-70, затем рукой чувствую, что стала нагреваться труба обратки, входящая в котел, затем повысилась температура трубы обратки дальше от котла. Из чего я сделал вывод, что после отключения котла и выбега насоса на СО, трехходовый переключился на контур ГВС и более горячий теплоноситель контура ГВС начал двигаться от подачи в сторону обратки.
Отсюда 3 вопроса:
1. Из-за чего это может быть?
2. Штатная ли это работа котла с таким переключением трехходового или как-то не так подключили БКН к котлу вервисники?
3. Как убрать эту ненужную циркуляцию теплоносителя в контуре ГВС дабы не передавать температуру от горячего бойлера через более холодный теплообменник котла в воздух? при включенном котле. Так как такая же хрень будет у меня и летом при включенном режиме ЛЕТО.
Очень надеюсь, я исчерпывающе все описал
Буду очень признателен за Вашу помощь в данном вопросе.
Так как местный официальный сервис говорит, мол мы все нормально подключили - разбирайтесь со своими сантехниками и бойлером.
А сантехники говорят, мол мы все сделали правильно и всегда так подключаем БКН, поэтому ничего не знаем...
1. Имеем котел Luna 3 Comfort, который через свой внутренний трехходовый клапан работает на СО и на ГВС через БКН.
2. СО организована через гидрострелку, после которой идут 4 контура отопления каждый со своим насосом. Насосы крутят постоянно, не отключаясь даже при отключении котла на отопление.
3. Бойлер подключили недавно, через родной датчик Т и мотор трехходового. Бойлер по типу "бак в баке".
4. Сейчас в доме никто пока не живет, поэтому котел СО греет по таймеру: ночью греет, днем спит. Нагрев котлом БКН ГВС в автоматическом режиме отключен, я его включаю вручную раз в несколько дней, чтобы вода не остыла сильно в бойлере. Водоразбора ГВС в доме нет. Рециркуляция отключена.
5. Обратка БКН и СО соединяются в одну трубу, которая уже входит в штатное место котла.
6. Беспокоит тот факт, что в описанном выше режиме горячая вода в бойлере очень быстро остывает - на 25 градусов в сутки примерно. При этом замечено, что если перекрыть кран на подаче теплоносителя от котла на БКН, то остывание составляет 5-6 градусов в сутки. Примерно с такой же скоростью горячая вода в бойлере остывает и при включенной на постоянку работе котла на отопление...
7. отсюда возникает вопрос: 1) верно ли, что при совсем выключенном котле, трехходовый клапан котла по умолчанию перекрывает СО и открывается на ГВС? Если так и есть, то я провел след эксперимент.
8. Я запустил нагрев БКН, температура в контуре ГВС поднялась до 80гр., БКН нагрелся. после, на некоторое время я включил режим котла на отопление. Температура на подаче в СО - 40 гр. После этого я отключаю на панели управления котел. Вообще. И вижу, что после 3-хминутного выбега насоса в систему отопления и его отключения, температура по датчику Т котла на подаче начала расти условно с 40 градусов до 60-70, затем рукой чувствую, что стала нагреваться труба обратки, входящая в котел, затем повысилась температура трубы обратки дальше от котла. Из чего я сделал вывод, что после отключения котла и выбега насоса на СО, трехходовый переключился на контур ГВС и более горячий теплоноситель контура ГВС начал двигаться от подачи в сторону обратки.
Отсюда 3 вопроса:
1. Из-за чего это может быть?
2. Штатная ли это работа котла с таким переключением трехходового или как-то не так подключили БКН к котлу вервисники?
3. Как убрать эту ненужную циркуляцию теплоносителя в контуре ГВС дабы не передавать температуру от горячего бойлера через более холодный теплообменник котла в воздух? при включенном котле. Так как такая же хрень будет у меня и летом при включенном режиме ЛЕТО.
Очень надеюсь, я исчерпывающе все описал
Буду очень признателен за Вашу помощь в данном вопросе.
Так как местный официальный сервис говорит, мол мы все нормально подключили - разбирайтесь со своими сантехниками и бойлером.
А сантехники говорят, мол мы все сделали правильно и всегда так подключаем БКН, поэтому ничего не знаем...
-
Shumskoy
- Забегающий
- Сообщения: 23
- Зарегистрирован: 17 янв 2017, 20:56
- Мой котел: LUNA 3 comfort
- Благодарил (а): 4 раза
-
Bahus
- Главный администратор

- Сообщения: 13224
- Зарегистрирован: 24 июл 2012, 13:05
- Откуда: Пенза
- Мой котел: Пензенская ТЭЦ-1
- Благодарил (а): 85 раз
- Поблагодарили: 1733 раза
- Возраст: 46
Работа Luna 3 comfort на ГВС
Судя по фоткам подключено все верно (не видно полностью обратки с бойлера, но думаю там накосячить сложно).
Не ответили на мой вопрос - чего в обратку приходит полипропиленом без изоляции (прямо под котлом).
Мысли... Да что-то особо нет их. Есть предположение, что тепло из бочки вытягивают насосы, которые за стрелкой стоят (не знаю, возможна ли вообще такая циркуляция
). Ради прикола можно провести еще раз ваш эксперимент, но предварительно отключить зональные насосы. Ведь теплоноситель из змеевика сам по себе не пойдет, что-то его оттуда вытягивает. А поставите обратный клапан - так через обратку та же петрушка случится. Да и насосы же к автоматике должны быть подключены (термостаты там, датчики температуры), а не просто так в розетку воткнуты.
Пока, наверное, так
Насколько я помню - да, это так. С отжатым штоком картриджа открыт проход ГВС. Это на всех моделях Baxi так.Shumskoy писал(а): Штатная ли это работа котла с таким переключением трехходового
Не ответили на мой вопрос - чего в обратку приходит полипропиленом без изоляции (прямо под котлом).
Мысли... Да что-то особо нет их. Есть предположение, что тепло из бочки вытягивают насосы, которые за стрелкой стоят (не знаю, возможна ли вообще такая циркуляция
Пока, наверное, так
В ЛС отвечаю только по работе форума
Илья Бахталин
АСЦ BAXI "Санфорт". г. Пенза
Подключение к Зонту - bahus1980
Илья Бахталин
АСЦ BAXI "Санфорт". г. Пенза
Подключение к Зонту - bahus1980
-
Shumskoy
- Забегающий
- Сообщения: 23
- Зарегистрирован: 17 янв 2017, 20:56
- Мой котел: LUNA 3 comfort
- Благодарил (а): 4 раза
Работа Luna 3 comfort на ГВС
Илья, спасибо ВАм огромное за ответ.
1. да, обратка бойлера идет обычной трубой, через тройник соединяется с обраткой контура отопления и единой трубой с косым фильтром и отсечным краном входит в штатное соединение котла. Тут сложно накосячить, верно.
2. Полипропиленовая труба в обратку - это соединение с расширительным баком СО.
3. Мысли... ну тогда поделюсь своими, возможно согласитесь, а, возможно, поправите. Если я перекрываю на подающей трубе теплоносителя в бойлер краник, то соответственно, никакой циркуляции в контуре БКН-котел не происходит и санитарная вода в бойлере остывает очень медленно - порядка 5 градусов в сутки. Что еще больше укрепляет меня во мнении, что в быстром охлаждении бойлера виновата какая-то паразитная циркуляция в контуре ГВС.
3.1. Продолжение мыслей. Насосы на контурах отопления у меня работаю всегда, оно мне в принципе не мешают, электроэнергии потребляют немного, так как 3 из 4-х - альфы. Регулирование температуры в помещениях у меня выполнено через покомнатные терморегуляторы и сервоприводы на коллекторах лучевой разводки на радиаторы на каждом этаже. как бы система работает и я как-то не хочу особенно лазить в котел, цеплять какие-то доп. устройства, синхронизирующие работу котлового насоса и насосов на контурах отопления. Думаете стоит?
3.2. Для исключения этого паразитического циркулирования теплоносителя в контуре ГВС не вижу другого пути как все-таки ставить обратный клапан. Только вот пока не знаю, поставить его на линии подаче "котел-БКН" (как бы получается сразу за котловым насосом по схеме получится) или немного больше заморочиться и поставить на линию обратки СО между стрелкой и тройником соединения обратки СО и ГВС. В первом случае мы остановим циркуляцию, если она возникает каким то непонятным образом именно в контуре ГВС, но не устраним причину, если все таки насосы СО виноваты в этом. Во втором - устраним паразитическое влияние насосов СО на контур ГВС, но если циркуляция по каким-то причинам возникает только в котуре ГВС - мы не устраним ее. Либо поставить клапаны в обоих этих местах, но не хотелось бы заужать сечения труб. Но с другой стороны оба этих первичных от котла контура короткие и сопротивление там низкое, вряд ли мы сильно затрудним работу котлового насоса обратными клапанами...
что думаете?
p.s. пардон, за такое количество букв, просто данный вопрос меня серьезно парит.
1. да, обратка бойлера идет обычной трубой, через тройник соединяется с обраткой контура отопления и единой трубой с косым фильтром и отсечным краном входит в штатное соединение котла. Тут сложно накосячить, верно.
2. Полипропиленовая труба в обратку - это соединение с расширительным баком СО.
3. Мысли... ну тогда поделюсь своими, возможно согласитесь, а, возможно, поправите. Если я перекрываю на подающей трубе теплоносителя в бойлер краник, то соответственно, никакой циркуляции в контуре БКН-котел не происходит и санитарная вода в бойлере остывает очень медленно - порядка 5 градусов в сутки. Что еще больше укрепляет меня во мнении, что в быстром охлаждении бойлера виновата какая-то паразитная циркуляция в контуре ГВС.
3.1. Продолжение мыслей. Насосы на контурах отопления у меня работаю всегда, оно мне в принципе не мешают, электроэнергии потребляют немного, так как 3 из 4-х - альфы. Регулирование температуры в помещениях у меня выполнено через покомнатные терморегуляторы и сервоприводы на коллекторах лучевой разводки на радиаторы на каждом этаже. как бы система работает и я как-то не хочу особенно лазить в котел, цеплять какие-то доп. устройства, синхронизирующие работу котлового насоса и насосов на контурах отопления. Думаете стоит?
3.2. Для исключения этого паразитического циркулирования теплоносителя в контуре ГВС не вижу другого пути как все-таки ставить обратный клапан. Только вот пока не знаю, поставить его на линии подаче "котел-БКН" (как бы получается сразу за котловым насосом по схеме получится) или немного больше заморочиться и поставить на линию обратки СО между стрелкой и тройником соединения обратки СО и ГВС. В первом случае мы остановим циркуляцию, если она возникает каким то непонятным образом именно в контуре ГВС, но не устраним причину, если все таки насосы СО виноваты в этом. Во втором - устраним паразитическое влияние насосов СО на контур ГВС, но если циркуляция по каким-то причинам возникает только в котуре ГВС - мы не устраним ее. Либо поставить клапаны в обоих этих местах, но не хотелось бы заужать сечения труб. Но с другой стороны оба этих первичных от котла контура короткие и сопротивление там низкое, вряд ли мы сильно затрудним работу котлового насоса обратными клапанами...
что думаете?
p.s. пардон, за такое количество букв, просто данный вопрос меня серьезно парит.
-
dobsan
- Опытный
- Сообщения: 251
- Зарегистрирован: 11 окт 2015, 20:14
- Откуда: Чебоксары
- Благодарил (а): 2 раза
- Поблагодарили: 17 раз
Работа Luna 3 comfort на ГВС
вы думаете что у вас так бежит теплоноситель ? поставьте обратный клапан на подачу в бойлерShumskoy писал(а): труба обратки от котла постепенно начинает нагреваться, причем субъективно нагрев происходит от котла и далее по трубе.
или вместе с котлом отключайте насосы. смысл гонять остывающий теплоноситель ?
как теплоноситель снова попадает в бойлер ? так ?
У вас нет необходимых прав для просмотра вложений в этом сообщении.
-
Bahus
- Главный администратор

- Сообщения: 13224
- Зарегистрирован: 24 июл 2012, 13:05
- Откуда: Пенза
- Мой котел: Пензенская ТЭЦ-1
- Благодарил (а): 85 раз
- Поблагодарили: 1733 раза
- Возраст: 46
Работа Luna 3 comfort на ГВС
Обратный клапан вам не поможет в этом случае вообще. Он ведь все равно в одну сторону открыт.
Сейчас у вас (исходя из результатов эксперимента) вода у вас из змеевика бойлера идет обратным током через котел и "куда-то там" (кстати, неплохо было бы продолжить эксперимент и выяснить куда она нагретая потом двинется. В стрелку или в обратку бойлера). Поставите вы клапан - ничего не изменится. Тепло у вас уже пойдет в нужном направлении. Но с тем же результатом - пойдет. Поэтому нужно определить причину циркуляции при выключенном котле. Для того и предлагал на время эксперимента вырубить зональные насосы.
Сейчас у вас (исходя из результатов эксперимента) вода у вас из змеевика бойлера идет обратным током через котел и "куда-то там" (кстати, неплохо было бы продолжить эксперимент и выяснить куда она нагретая потом двинется. В стрелку или в обратку бойлера). Поставите вы клапан - ничего не изменится. Тепло у вас уже пойдет в нужном направлении. Но с тем же результатом - пойдет. Поэтому нужно определить причину циркуляции при выключенном котле. Для того и предлагал на время эксперимента вырубить зональные насосы.
В ЛС отвечаю только по работе форума
Илья Бахталин
АСЦ BAXI "Санфорт". г. Пенза
Подключение к Зонту - bahus1980
Илья Бахталин
АСЦ BAXI "Санфорт". г. Пенза
Подключение к Зонту - bahus1980
-
Shumskoy
- Забегающий
- Сообщения: 23
- Зарегистрирован: 17 янв 2017, 20:56
- Мой котел: LUNA 3 comfort
- Благодарил (а): 4 раза
Работа Luna 3 comfort на ГВС
Спасибо, dobsan. Спасибо, Илья!
Сейчас отключил все насосы контуров отопления и даже перекрыл эти контура от стрелки как на подачу, так и на обратку.
После остановки котла на СО и переключения ТРЕХХОДОВОГО на ГВС вижу, что опять началась медленная циркуляция в данном контуре. Температура по датчику на полаче плавно выросла с 33 до 48 градусов. (Т сан воды в БКН 54 градуса), также отметил постепенный нагрев обратки. От котла и вниз в сторону бойлера. Ни так, ни с включенными насосами СО, более горячий теплоноситель НЕ идет по трубе обратки к гидрострелке СО, а спускается вниз на БКН.
Видимо какая-то естественная циркуляция имеет быть в этом контуре. Поставлю обратный клапан на подаче в БКН, посмотрю результат.
Сейчас отключил все насосы контуров отопления и даже перекрыл эти контура от стрелки как на подачу, так и на обратку.
После остановки котла на СО и переключения ТРЕХХОДОВОГО на ГВС вижу, что опять началась медленная циркуляция в данном контуре. Температура по датчику на полаче плавно выросла с 33 до 48 градусов. (Т сан воды в БКН 54 градуса), также отметил постепенный нагрев обратки. От котла и вниз в сторону бойлера. Ни так, ни с включенными насосами СО, более горячий теплоноситель НЕ идет по трубе обратки к гидрострелке СО, а спускается вниз на БКН.
Видимо какая-то естественная циркуляция имеет быть в этом контуре. Поставлю обратный клапан на подаче в БКН, посмотрю результат.
-
Bahus
- Главный администратор

- Сообщения: 13224
- Зарегистрирован: 24 июл 2012, 13:05
- Откуда: Пенза
- Мой котел: Пензенская ТЭЦ-1
- Благодарил (а): 85 раз
- Поблагодарили: 1733 раза
- Возраст: 46
Работа Luna 3 comfort на ГВС
А через обратку? Контур-то кольцом и ему, видимо, пофигу в какую сторону крутиться.
Отправлено спустя 2 минуты 39 секунд:
Так-то клапаны, конечно нужны. И на СО и на бойлер. Но, думаю, от этого не спасут.
Отправлено спустя 2 минуты 39 секунд:
Так-то клапаны, конечно нужны. И на СО и на бойлер. Но, думаю, от этого не спасут.
В ЛС отвечаю только по работе форума
Илья Бахталин
АСЦ BAXI "Санфорт". г. Пенза
Подключение к Зонту - bahus1980
Илья Бахталин
АСЦ BAXI "Санфорт". г. Пенза
Подключение к Зонту - bahus1980
-
Shumskoy
- Забегающий
- Сообщения: 23
- Зарегистрирован: 17 янв 2017, 20:56
- Мой котел: LUNA 3 comfort
- Благодарил (а): 4 раза
Работа Luna 3 comfort на ГВС
Вы упомянули о том, чтобы отключать насосы контуров отопления синхронно с отключением котлового насоса. Подскажите, как лучше это сделать? Согласен, что при нагреве котлом теплоносителя до нужной Т и последующем отключении, работающие постоянно насосы гонять остывший теплоноситель в радиаторы, только зря их охлаждая...
Буду очень признателен, если подскажете, как их лучше синхронизировать между собой или поделитесь ссылкой на материал.
Еще раз огромное Вам спасибо!
Отправлено спустя 3 минуты 39 секунд:
Илья, да ХЗ. Если это естественная циркуляция, то она идет в определенном направлении от горячего к холодному. и возможно, как раз клапан и решит эту проблему. Если же тянут насосы СО все таки. То нужен обратный клапан между гидрострелкой и впадением обратки СО в общую обратку. Тогда мы нивелируем работу этих насосов на контур ГВС.
Я как то так пока думаю...
Буду очень признателен, если подскажете, как их лучше синхронизировать между собой или поделитесь ссылкой на материал.
Еще раз огромное Вам спасибо!
Отправлено спустя 3 минуты 39 секунд:
Илья, да ХЗ. Если это естественная циркуляция, то она идет в определенном направлении от горячего к холодному. и возможно, как раз клапан и решит эту проблему. Если же тянут насосы СО все таки. То нужен обратный клапан между гидрострелкой и впадением обратки СО в общую обратку. Тогда мы нивелируем работу этих насосов на контур ГВС.
Я как то так пока думаю...
-
plehan
- Дока по нормативам
- Сообщения: 3355
- Зарегистрирован: 04 мар 2014, 23:50
- Откуда: Астрахань
- Благодарил (а): 75 раз
- Поблагодарили: 268 раз
Работа Luna 3 comfort на ГВС
У вас Гидр. разделитель заводской ?
- не смогу, мне электрику электрики делают !Shumskoy писал(а): . Подскажите, как лучше это сделать?
- я вот этого не могу понять вы отключили насосы , что продолжает циркулировать ? Теплопотери Бака ,что я видел ,правда не помню объем что то в районе 2х Квт в сутки !Shumskoy писал(а): На период нашего отсутствия - мы через таймер выключаем отопление днем как и ГВС.
Ооо!.. Етит твою мать, профессор! Иди сюда, выпей с нами!
-
Bahus
- Главный администратор

- Сообщения: 13224
- Зарегистрирован: 24 июл 2012, 13:05
- Откуда: Пенза
- Мой котел: Пензенская ТЭЦ-1
- Благодарил (а): 85 раз
- Поблагодарили: 1733 раза
- Возраст: 46
Работа Luna 3 comfort на ГВС
Поймите одно Обратный клапан даст вам циркуляцию только в правильную сторону. И все. Закрыть циркуляцию он не в силах
В ЛС отвечаю только по работе форума
Илья Бахталин
АСЦ BAXI "Санфорт". г. Пенза
Подключение к Зонту - bahus1980
Илья Бахталин
АСЦ BAXI "Санфорт". г. Пенза
Подключение к Зонту - bahus1980
-
dobsan
- Опытный
- Сообщения: 251
- Зарегистрирован: 11 окт 2015, 20:14
- Откуда: Чебоксары
- Благодарил (а): 2 раза
- Поблагодарили: 17 раз
Работа Luna 3 comfort на ГВС
вот так гравитационка сможет работать
а вот так наврядли
поэтому клапан на подачу в бойлер
в любом случае надо пробовать
в любом случае надо пробовать
У вас нет необходимых прав для просмотра вложений в этом сообщении.
-
Shumskoy
- Забегающий
- Сообщения: 23
- Зарегистрирован: 17 янв 2017, 20:56
- Мой котел: LUNA 3 comfort
- Благодарил (а): 4 раза
Работа Luna 3 comfort на ГВС
Отчитываюсь вкратце.
действительно имела место какая то странная естественная циркуляция теплоносителя в контуре ГВС при неработающем котле. То есть когда работа котла на отопление отключалось по таймеру, трехходовый переводился в контур ГВС, теплоноситель при нагретом бойлере начинал циркулировать в обратном направлении - от бойлера по линии подачи на котел, там через теплообменник и по линии обратки в бойлер. Причем именно в бойлер, а не на гидрострелку и в контур отопления из-за работающих насосов системы отопления.
установка клапана на обратку бойлера (к линиям подачи было сложно дотянуться пресс-клещами) решило проблему на корню. Паразитная циркуляция в контуре ГВС побеждена
всем участникам обсуждения большое спасибо за советы.
Возможно моя история кому-то пригодится...
действительно имела место какая то странная естественная циркуляция теплоносителя в контуре ГВС при неработающем котле. То есть когда работа котла на отопление отключалось по таймеру, трехходовый переводился в контур ГВС, теплоноситель при нагретом бойлере начинал циркулировать в обратном направлении - от бойлера по линии подачи на котел, там через теплообменник и по линии обратки в бойлер. Причем именно в бойлер, а не на гидрострелку и в контур отопления из-за работающих насосов системы отопления.
установка клапана на обратку бойлера (к линиям подачи было сложно дотянуться пресс-клещами) решило проблему на корню. Паразитная циркуляция в контуре ГВС побеждена
всем участникам обсуждения большое спасибо за советы.
Возможно моя история кому-то пригодится...