ECO Four 1.24 F
ECO Four 1.24 F
Добрый день. Вопрос профессионалам BAXI.
Имеем на сегодняшний день колхоз:
- Котел MAIN Four 240 F;
- Бойлер PREMIER Plus 150 (42 градуса выставлено релюшкой);
- Трехходовой клапан, который управляется релюшкой бойлера;
- Комнатный механический термостат KHG 71408691 (25 градусов).
Есть недостатки данной системы:
Чтобы быстро нагреть температуру в бойлере необходимо на котле выставить максимальную температуру.
Вода в бойлере нагревается до 42 градусов, реле переключает трехходовой клапан на отопление и эта максимальная температура теперь давит в отопление.
Температура воздуха в помещении где установлен термостат нагревается до 25 градусов, срабатывает комнатный механический термостат и отключает котел.
А в это время температура воды в бойлере падает и релюшка переключает трехходовой клапан на нагрев воды в бойлере. Но вода греться в бойлере не будет пока температура воздуха не упадет ниже 25 градусов и термостат не включит котел.
Хочу поменять котел на ECO Four 1.24 F, потому что он одноконтурный и позволяет подключить бойлер с установкой разных температур на отопление и нагрев воды.
Что посоветуете по работе котла ECO Four 1.24 F???
P.S. Котел луна-3 не залазит по своим габаритным размерам!!!
Имеем на сегодняшний день колхоз:
- Котел MAIN Four 240 F;
- Бойлер PREMIER Plus 150 (42 градуса выставлено релюшкой);
- Трехходовой клапан, который управляется релюшкой бойлера;
- Комнатный механический термостат KHG 71408691 (25 градусов).
Есть недостатки данной системы:
Чтобы быстро нагреть температуру в бойлере необходимо на котле выставить максимальную температуру.
Вода в бойлере нагревается до 42 градусов, реле переключает трехходовой клапан на отопление и эта максимальная температура теперь давит в отопление.
Температура воздуха в помещении где установлен термостат нагревается до 25 градусов, срабатывает комнатный механический термостат и отключает котел.
А в это время температура воды в бойлере падает и релюшка переключает трехходовой клапан на нагрев воды в бойлере. Но вода греться в бойлере не будет пока температура воздуха не упадет ниже 25 градусов и термостат не включит котел.
Хочу поменять котел на ECO Four 1.24 F, потому что он одноконтурный и позволяет подключить бойлер с установкой разных температур на отопление и нагрев воды.
Что посоветуете по работе котла ECO Four 1.24 F???
P.S. Котел луна-3 не залазит по своим габаритным размерам!!!
-
VLADIMIR-AMIRAN
- Новичок
- Сообщения: 13
- Зарегистрирован: 29 сен 2015, 12:38
-
BAXI - Volga
- Представитель BAXI

- Сообщения: 2338
- Зарегистрирован: 21 фев 2014, 00:20
- Откуда: Нижний Новгород
- Благодарил (а): 40 раз
- Поблагодарили: 212 раз
-
VLADIMIR-AMIRAN
- Новичок
- Сообщения: 13
- Зарегистрирован: 29 сен 2015, 12:38
-
BAXI - Volga
- Представитель BAXI

- Сообщения: 2338
- Зарегистрирован: 21 фев 2014, 00:20
- Откуда: Нижний Новгород
- Благодарил (а): 40 раз
- Поблагодарили: 212 раз
ECO Four 1.24 F
не по адресу дорогой товарисч! нас на слабо брать не нужно
а вот подумать перед тем как рисовать подобные схемки, было бы неплохо...
рециркуляцию через котёл хотите пустить?
Андрей.
Технический специалист BAXI.
Нижний Новгород.
Технический специалист BAXI.
Нижний Новгород.
-
RADAR
- Местный аксакал
- Сообщения: 6757
- Зарегистрирован: 25 июл 2012, 00:33
- Откуда: г.Кострома
- Мой котел: Gepard 23MTV19
- Благодарил (а): 114 раз
- Поблагодарили: 417 раз
- Возраст: 51
ECO Four 1.24 F
а чего не понравилось то?..вроде всё работоспособно..если точно вспомню - это схема работы аристона клас б..
-
garry
- Ас
- Сообщения: 1005
- Зарегистрирован: 25 янв 2013, 21:48
- Благодарил (а): 1 раз
- Поблагодарили: 56 раз
ECO Four 1.24 F
Да, как то не православно все судя по схеме, и подогревать воду и рециркулировать - фигня.
-
VLADIMIR-AMIRAN
- Новичок
- Сообщения: 13
- Зарегистрирован: 29 сен 2015, 12:38
ECO Four 1.24 F
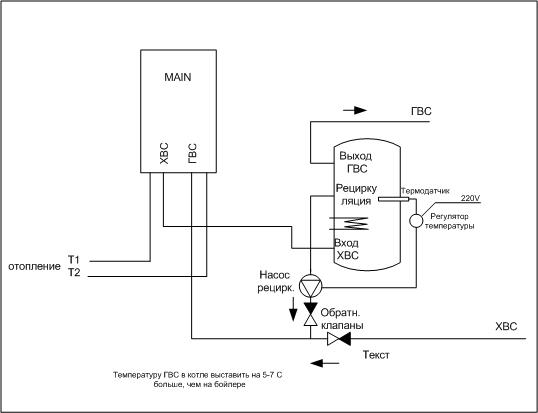
На схеме ясно показано, что вход рециркуляции используется ТОЛЬКО для подогрева бойлера, а не для рециркуляции.
Можно и без него обойтись.
Можно и без него обойтись.
-
BAXI - Volga
- Представитель BAXI

- Сообщения: 2338
- Зарегистрирован: 21 фев 2014, 00:20
- Откуда: Нижний Новгород
- Благодарил (а): 40 раз
- Поблагодарили: 212 раз
ECO Four 1.24 F
то есть Вы хотите подогревать бойлер через контур ГВС???
Андрей.
Технический специалист BAXI.
Нижний Новгород.
Технический специалист BAXI.
Нижний Новгород.
-
VLADIMIR-AMIRAN
- Новичок
- Сообщения: 13
- Зарегистрирован: 29 сен 2015, 12:38
ECO Four 1.24 F
Да.
Извиняюсь, на схеме перепутаны местами надписи вход и выход ХВС и ГВС на котле!!1
Извиняюсь, на схеме перепутаны местами надписи вход и выход ХВС и ГВС на котле!!1
-
BAXI - Volga
- Представитель BAXI

- Сообщения: 2338
- Зарегистрирован: 21 фев 2014, 00:20
- Откуда: Нижний Новгород
- Благодарил (а): 40 раз
- Поблагодарили: 212 раз
ECO Four 1.24 F
Когда будет включаться насос по датчику, то начнёт работать контур ГВС и соответственно приоритет ГВС.
Таким образом в этот момент контур отопления работать не будет.
От 3-х ходового решили отказаться?
Кстати есть и другой вариант - плата у котла универсальная, то есть её можно перепрограмировать как котёл одноконтурный с бойлером.
Завести на плату датчик и мотор 3-х ходового. Контур ГВС заглушить.
Таким образом в этот момент контур отопления работать не будет.
От 3-х ходового решили отказаться?
Кстати есть и другой вариант - плата у котла универсальная, то есть её можно перепрограмировать как котёл одноконтурный с бойлером.
Завести на плату датчик и мотор 3-х ходового. Контур ГВС заглушить.
Андрей.
Технический специалист BAXI.
Нижний Новгород.
Технический специалист BAXI.
Нижний Новгород.
-
VLADIMIR-AMIRAN
- Новичок
- Сообщения: 13
- Зарегистрирован: 29 сен 2015, 12:38
ECO Four 1.24 F
Так это у всех и всегда- "приоритет ГВС".BAXI - Volga писал(а): Когда будет включаться насос по датчику, то начнёт работать контур ГВС и соответственно приоритет ГВС.
Таким образом в этот момент контур отопления работать не будет.
От 3-х ходового решили отказаться?
Подогрев бойлера - всего несколько минут в час.
Да трехходовой ненужен.
Главное - котел работает в штатном режиме и без косяков.
-
- Похожие темы
- Ответы
- Просмотры
- Последнее сообщение
Кто сейчас на конференции
Сейчас этот форум просматривают: нет зарегистрированных пользователей и 7 гостей
Боты: Bing [Bot], Yandex [Bot]