Baxi nuvola 3 comfort 280i
-
DmitryB
- Завсегдатай
- Сообщения: 126
- Зарегистрирован: 09 июл 2018, 19:50
- Откуда: МО
- Мой котел: Nuvola 3 280i
- Благодарил (а): 11 раз
- Поблагодарили: 1 раз
Baxi nuvola 3 comfort 280i
Доброго времени суток всем!
Поставили месяц назад baxi nuvola 3 comfort 280i. Дом порядка 150 кв.м отопавливаемой площади.
2 этажа жилых + цоколь.
Стоит гидрострелка и коллектор на два контура:
1 контур - отопление
2 контур - тп с треходовым краном.
Вопрос в том, что при работе на отопление тёплые полы практические не прогреваются. Трёхходовой полностью открыт.
На котле стоит 70 градусов - отопление прогревается до заданной температуры, тёплые полы нет.
В чем может быть причина?
Заранее спасибо.
Поставили месяц назад baxi nuvola 3 comfort 280i. Дом порядка 150 кв.м отопавливаемой площади.
2 этажа жилых + цоколь.
Стоит гидрострелка и коллектор на два контура:
1 контур - отопление
2 контур - тп с треходовым краном.
Вопрос в том, что при работе на отопление тёплые полы практические не прогреваются. Трёхходовой полностью открыт.
На котле стоит 70 градусов - отопление прогревается до заданной температуры, тёплые полы нет.
В чем может быть причина?
Заранее спасибо.
-
plehan
- Дока по нормативам
- Сообщения: 3355
- Зарегистрирован: 04 мар 2014, 23:50
- Откуда: Астрахань
- Благодарил (а): 75 раз
- Поблагодарили: 267 раз
Baxi nuvola 3 comfort 280i
- какой расход на коллекторе (расходомерах ) ?DmitryB писал(а): Вопрос в том, что при работе на отопление тёплые полы практические не прогреваются. Трёхходовой полностью открыт
- а какая заданная должна быть в контуре и на поверхности ?DmitryB писал(а): На котле стоит 70 градусов - отопление прогревается до заданной температуры, тёплые полы нет.
Ооо!.. Етит твою мать, профессор! Иди сюда, выпей с нами!
-
DmitryB
- Завсегдатай
- Сообщения: 126
- Зарегистрирован: 09 июл 2018, 19:50
- Откуда: МО
- Мой котел: Nuvola 3 280i
- Благодарил (а): 11 раз
- Поблагодарили: 1 раз
Baxi nuvola 3 comfort 280i
Коллектор имел ввиду от котла с гидрострелкой. Там стоят насосные группы. На отопление и тп.
На коллекторе с тёплыми полами нет расходомеров
Стоят просто краны и на обратке заглушки.
Температура на выходе при открытом трёхходовом должна быть точно такаяже как и на отопление. А она не идёт.
Может дело в насосе который стоит на тп в насосной группе?
На коллекторе с тёплыми полами нет расходомеров
Стоят просто краны и на обратке заглушки.
Температура на выходе при открытом трёхходовом должна быть точно такаяже как и на отопление. А она не идёт.
Может дело в насосе который стоит на тп в насосной группе?
-
plehan
- Дока по нормативам
- Сообщения: 3355
- Зарегистрирован: 04 мар 2014, 23:50
- Откуда: Астрахань
- Благодарил (а): 75 раз
- Поблагодарили: 267 раз
Baxi nuvola 3 comfort 280i
- с какого перепугу в ТП должна поступать такая же температура -70 грд.Это не теплый пол ,кто считал или на коленке собиралось . Если последнее то вот вам и ответ .DmitryB писал(а): Температура на выходе при открытом трёхходовом должна быть точно такаяже как и на отопление. А она не идёт.
Ооо!.. Етит твою мать, профессор! Иди сюда, выпей с нами!
-
DmitryB
- Завсегдатай
- Сообщения: 126
- Зарегистрирован: 09 июл 2018, 19:50
- Откуда: МО
- Мой котел: Nuvola 3 280i
- Благодарил (а): 11 раз
- Поблагодарили: 1 раз
Baxi nuvola 3 comfort 280i
Понятно, что она не должна поступать туда такая, так как стоит трёхходовой и он открыт полностью без подмеча обратки.
Но есть такой момент, что если перекрыть отопление в радиаторную систему, то тп работает и можно регулировать трёхходовой на нужную температуру (45гражусов)
Но есть такой момент, что если перекрыть отопление в радиаторную систему, то тп работает и можно регулировать трёхходовой на нужную температуру (45гражусов)
-
plehan
- Дока по нормативам
- Сообщения: 3355
- Зарегистрирован: 04 мар 2014, 23:50
- Откуда: Астрахань
- Благодарил (а): 75 раз
- Поблагодарили: 267 раз
Baxi nuvola 3 comfort 280i
- стоит предположить ,что у вас стоит готовый узел смешивания, с необходимым наличием перепада давления перед ним . Но так как у вас Г/Р то этого нет .DmitryB писал(а): Но есть такой момент, что если перекрыть отопление в радиаторную систему
Простой вопрос -система собрана на коленке ?
Ооо!.. Етит твою мать, профессор! Иди сюда, выпей с нами!
-
DmitryB
- Завсегдатай
- Сообщения: 126
- Зарегистрирован: 09 июл 2018, 19:50
- Откуда: МО
- Мой котел: Nuvola 3 280i
- Благодарил (а): 11 раз
- Поблагодарили: 1 раз
Baxi nuvola 3 comfort 280i
Прошу прощения, а что такое Г/Р?plehan писал(а):- стоит предположить ,что у вас стоит готовый узел смешивания, с необходимым наличием перепада давления перед ним . Но так как у вас Г/Р то этого нет .DmitryB писал(а): Но есть такой момент, что если перекрыть отопление в радиаторную систему
Простой вопрос -система собрана на коленке ?
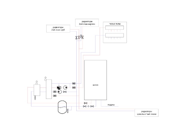
Сама система (до монтажа котла), собиралась специалистом из мосэнергосбыт. После приезжал официальный представитель Baxi по г.Электросталь (Московская область) поставили котел + гидрострелку + коллектор отопления + насосные узлы (без насосов) разведенные на контура.
Насосы grundfos.
1 насосный узел стоит на обратке отопления
2 насосный узел стоит на подаче теплых полов вместе с трехгодовым краном - далее трубы уходят в коллектор теплых полов.
-
plehan
- Дока по нормативам
- Сообщения: 3355
- Зарегистрирован: 04 мар 2014, 23:50
- Откуда: Астрахань
- Благодарил (а): 75 раз
- Поблагодарили: 267 раз
Baxi nuvola 3 comfort 280i
-Гидравлический разделитель .DmitryB писал(а): что такое Г/Р?
DmitryB писал(а): специалистом из мосэнергосбыт
Это монтажники ,кто проектировал ,в рамках чего они собирали ,на глаз ? Где на коллекторе теплого пола расходомеры ,какие длины контуров ,шаг ,кто все это рассчитывал и все остальное ,чтобы те кого вы указали вам собрали ?DmitryB писал(а): После приезжал официальный представитель Baxi по г.Электросталь (Московская область) поставили котел
Ооо!.. Етит твою мать, профессор! Иди сюда, выпей с нами!
-
DmitryB
- Завсегдатай
- Сообщения: 126
- Зарегистрирован: 09 июл 2018, 19:50
- Откуда: МО
- Мой котел: Nuvola 3 280i
- Благодарил (а): 11 раз
- Поблагодарили: 1 раз
Baxi nuvola 3 comfort 280i
Спасибо, буду знать =)plehan писал(а): -Гидравлический разделитель .
Собирали все это из мосэнерго, соотвественно расчет был, где он и каким образом они это делали я не смогу уже подсказать, так как делал отец... а он в этом ничего не соображал, а я в свою очередь не участвовал.plehan писал(а): Это монтажники ,кто проектировал ,в рамках чего они собирали ,на глаз ? Где на коллекторе теплого пола расходомеры ,какие длины контуров ,шаг ,кто все это рассчитывал и все остальное ,чтобы те кого вы указали вам собрали ?
Где на коллекторе теплого пола расходомеры: хороший вопрос - их можно поставить или нужно будет ставить новый коллектор?
Длина контура - порядка 100 метров (он греет если перекрыть подачу на радиаторы).
Шаг 15см
Могли бы подсказать в каком месте искать?
Может быть не идет вода, так как завоздушен ТП?
-
Bahus
- Главный администратор

- Сообщения: 12969
- Зарегистрирован: 24 июл 2012, 13:05
- Откуда: Пенза
- Мой котел: Пензенская ТЭЦ-1
- Благодарил (а): 82 раза
- Поблагодарили: 1683 раза
- Возраст: 45
Baxi nuvola 3 comfort 280i
Если при выключенных группах отопления тп запускаются, то проблема вроде как очевидна. Нет балансировки по контурам. Проще говоря, сопротивление полов настолько больше, чем остальных контуров, что теплоноситель туда просто не заходит. Без цифр гидравлического расчета могу предположить только это.
В ЛС отвечаю только по работе форума
Илья Бахталин
АСЦ BAXI "Санфорт". г. Пенза
Подключение к Зонту - bahus1980
Илья Бахталин
АСЦ BAXI "Санфорт". г. Пенза
Подключение к Зонту - bahus1980
-
DmitryB
- Завсегдатай
- Сообщения: 126
- Зарегистрирован: 09 июл 2018, 19:50
- Откуда: МО
- Мой котел: Nuvola 3 280i
- Благодарил (а): 11 раз
- Поблагодарили: 1 раз
Baxi nuvola 3 comfort 280i
Илья, подскажите, как возможно отрегулировать ветки ТП?Bahus писал(а): Если при выключенных группах отопления тп запускаются, то проблема вроде как очевидна. Нет балансировки по контурам. Проще говоря, сопротивление полов настолько больше, чем остальных контуров, что теплоноситель туда просто не заходит. Без цифр гидравлического расчета могу предположить только это.
У меня стоят маховики(краны) на одной оси, на второй заглушки, под ними разьем под шестигранники.
-
Bahus
- Главный администратор

- Сообщения: 12969
- Зарегистрирован: 24 июл 2012, 13:05
- Откуда: Пенза
- Мой котел: Пензенская ТЭЦ-1
- Благодарил (а): 82 раза
- Поблагодарили: 1683 раза
- Возраст: 45
Baxi nuvola 3 comfort 280i
C расходомерами или без, вы их между собой уравнять сможете. Но лучше от этого не станет, думаю.
Расходомеры, как правило, можно купить отдельно у того же производителя, чтобы коллектор полностью не менять.
И вообще. Схемку бы посмотреть. На словах это одно, на чертеже - может совсем другое оказаться.
Расходомеры, как правило, можно купить отдельно у того же производителя, чтобы коллектор полностью не менять.
И вообще. Схемку бы посмотреть. На словах это одно, на чертеже - может совсем другое оказаться.
В ЛС отвечаю только по работе форума
Илья Бахталин
АСЦ BAXI "Санфорт". г. Пенза
Подключение к Зонту - bahus1980
Илья Бахталин
АСЦ BAXI "Санфорт". г. Пенза
Подключение к Зонту - bahus1980
-
DmitryB
- Завсегдатай
- Сообщения: 126
- Зарегистрирован: 09 июл 2018, 19:50
- Откуда: МО
- Мой котел: Nuvola 3 280i
- Благодарил (а): 11 раз
- Поблагодарили: 1 раз
Baxi nuvola 3 comfort 280i
Вопрос как уровнять... гуглил, но везде с расходомерами...Bahus писал(а): C расходомерами или без, вы их между собой уравнять сможете. Но лучше от этого не станет, думаю.
Расходомеры, как правило, можно купить отдельно у того же производителя, чтобы коллектор полностью не менять.
И вообще. Схемку бы посмотреть. На словах это одно, на чертеже - может совсем другое оказаться.
Илья, я могу подготовить схему, как сейчас все подключено, конечно это будет не инженерная схема.
А вот с расходомерами тяжко, стоит Luxor на 5 веток. Не нашёл я у них отдельно расходомеры.
-
Bahus
- Главный администратор

- Сообщения: 12969
- Зарегистрирован: 24 июл 2012, 13:05
- Откуда: Пенза
- Мой котел: Пензенская ТЭЦ-1
- Благодарил (а): 82 раза
- Поблагодарили: 1683 раза
- Возраст: 45
Baxi nuvola 3 comfort 280i
Да схематично от руки.
Тааак. Слухайте. А сделайте для начала фотку г/р и коллектора с насосными группами. Желательно в одном кадре. И укажите производителя всего этого.
Тааак. Слухайте. А сделайте для начала фотку г/р и коллектора с насосными группами. Желательно в одном кадре. И укажите производителя всего этого.
В ЛС отвечаю только по работе форума
Илья Бахталин
АСЦ BAXI "Санфорт". г. Пенза
Подключение к Зонту - bahus1980
Илья Бахталин
АСЦ BAXI "Санфорт". г. Пенза
Подключение к Зонту - bahus1980
-
DmitryB
- Завсегдатай
- Сообщения: 126
- Зарегистрирован: 09 июл 2018, 19:50
- Откуда: МО
- Мой котел: Nuvola 3 280i
- Благодарил (а): 11 раз
- Поблагодарили: 1 раз
Baxi nuvola 3 comfort 280i
Илья, фотографию прикладываю.Bahus писал(а): Да схематично от руки.
Тааак. Слухайте. А сделайте для начала фотку г/р и коллектора с насосными группами. Желательно в одном кадре. И укажите производителя всего этого.
Коллектор - warme
Гидрострелка - warme
Группа быстрого монтажа warme.
Насосы grundfos 25-80, 180
Схема дома и подключения радиаторов пришлю позднее
-
Bahus
- Главный администратор

- Сообщения: 12969
- Зарегистрирован: 24 июл 2012, 13:05
- Откуда: Пенза
- Мой котел: Пензенская ТЭЦ-1
- Благодарил (а): 82 раза
- Поблагодарили: 1683 раза
- Возраст: 45
Baxi nuvola 3 comfort 280i
Блин. Вроде всё ровно. Кроме как офигенным сопротивлением контура я это не могу объяснить.
В ЛС отвечаю только по работе форума
Илья Бахталин
АСЦ BAXI "Санфорт". г. Пенза
Подключение к Зонту - bahus1980
Илья Бахталин
АСЦ BAXI "Санфорт". г. Пенза
Подключение к Зонту - bahus1980
-
DmitryB
- Завсегдатай
- Сообщения: 126
- Зарегистрирован: 09 июл 2018, 19:50
- Откуда: МО
- Мой котел: Nuvola 3 280i
- Благодарил (а): 11 раз
- Поблагодарили: 1 раз
Baxi nuvola 3 comfort 280i
Илья,Bahus писал(а):Блин. Вроде всё ровно. Кроме как офигенным сопротивлением контура я это не могу объяснить.
вот вся остальная схема.
- Вложения
-
радиаторы_2ой этаж сруб.png- (5.33 КБ) 0 скачиваний
-
радиаторы_1ый этаж.png- (6.01 КБ) 0 скачиваний
-
радиаторы_2ой этаж кирпич.png- (5.07 КБ) 0 скачиваний
-
DmitryB
- Завсегдатай
- Сообщения: 126
- Зарегистрирован: 09 июл 2018, 19:50
- Откуда: МО
- Мой котел: Nuvola 3 280i
- Благодарил (а): 11 раз
- Поблагодарили: 1 раз
Baxi nuvola 3 comfort 280i
Вот еще одна, ограничение на 3 вложения стоит.Bahus писал(а): Блин. Вроде всё ровно. Кроме как офигенным сопротивлением контура я это не могу объяснить.
Отправлено спустя 1 минуту 44 секунды:
Илья, а может быть такое: отец включил насос и отопление, но не открыл краны после насоса, и насос просто умер? Возможно как то это проверить, может дело в этом?Bahus писал(а): Блин. Вроде всё ровно. Кроме как офигенным сопротивлением контура я это не могу объяснить.
Спасибо!
- Вложения
-
радиаторы_цокольный этаж.png- (7.55 КБ) 0 скачиваний
-
Starik
- Местный аксакал
- Сообщения: 7445
- Зарегистрирован: 27 ноя 2015, 22:41
- Откуда: Краснодарский край
- Мой котел: BAXI MAIN 5 14f
- Благодарил (а): 73 раза
- Поблагодарили: 819 раз
- Возраст: 59
Baxi nuvola 3 comfort 280i
Байпасить надо, что бы чего не вышло (раз уж краны закрываете). Расходомеры как раз пригодились бы.DmitryB писал(а): Возможно как то это проверить, может дело в этом?
-
Bahus
- Главный администратор

- Сообщения: 12969
- Зарегистрирован: 24 июл 2012, 13:05
- Откуда: Пенза
- Мой котел: Пензенская ТЭЦ-1
- Благодарил (а): 82 раза
- Поблагодарили: 1683 раза
- Возраст: 45
Baxi nuvola 3 comfort 280i
Во время работы откройте на насосе центральный винт. Будет видно крутится ротор или нет.DmitryB писал(а): Возможно как то это проверить, может дело в этом?
Меня тут ещё сомнения терзают. Не уверен что тут может быть проблема, но все-таки как-то не по себе. Почему на отопительной насосной группе насос на обратке стоит? Должен на подаче же.
В ЛС отвечаю только по работе форума
Илья Бахталин
АСЦ BAXI "Санфорт". г. Пенза
Подключение к Зонту - bahus1980
Илья Бахталин
АСЦ BAXI "Санфорт". г. Пенза
Подключение к Зонту - bahus1980
-
DmitryB
- Завсегдатай
- Сообщения: 126
- Зарегистрирован: 09 июл 2018, 19:50
- Откуда: МО
- Мой котел: Nuvola 3 280i
- Благодарил (а): 11 раз
- Поблагодарили: 1 раз
Baxi nuvola 3 comfort 280i
Илья, я тоже спрашивал данный момент у установщика Baxi.Bahus писал(а):Во время работы откройте на насосе центральный винт. Будет видно крутится ротор или нет.DmitryB писал(а): Возможно как то это проверить, может дело в этом?
Меня тут ещё сомнения терзают. Не уверен что тут может быть проблема, но все-таки как-то не по себе. Почему на отопительной насосной группе насос на обратке стоит? Должен на подаче же.
Его ответ был такой: снять нагрузку с насоса который стоит в котле.
Отопительный контур на обратке, а тёплые на подачу.
Отправлено спустя 2 минуты 2 секунды:
Байпасить надо сразу после насоса? После него краны стоят, и соотвественно не поможет, если ещё такое рад произойдёт...
Отправлено спустя 4 минуты 19 секунд:
У меня завтра и выходные есть время, чтобы покапаться во всем этом и пропробывыаать варианты.
Скажите, как возможно отрегулировать ветки Тп? Я честно так и не понял:( с расходомерами крутишь его и он открывает и закрывает, а вот с моим что делать.
Есть краны на одной оси, на второй заглушки, под ними шестигранник...
-
Starik
- Местный аксакал
- Сообщения: 7445
- Зарегистрирован: 27 ноя 2015, 22:41
- Откуда: Краснодарский край
- Мой котел: BAXI MAIN 5 14f
- Благодарил (а): 73 раза
- Поблагодарили: 819 раз
- Возраст: 59
Baxi nuvola 3 comfort 280i
Байпасить надо сам насос ( сразу до и сразу после насоса тройник и короткий контур, краны до тройника и после) клапаном давления в коротком контуре. Клапан держит давление до тех пор, пока оно не превышено, открываясь, переключает насос в режим "сам на себя" через короткий контур. Как-то так.
-
DmitryB
- Завсегдатай
- Сообщения: 126
- Зарегистрирован: 09 июл 2018, 19:50
- Откуда: МО
- Мой котел: Nuvola 3 280i
- Благодарил (а): 11 раз
- Поблагодарили: 1 раз
Baxi nuvola 3 comfort 280i
Получается как-то так?Starik писал(а):Байпасить надо сам насос ( сразу до и сразу после насоса тройник и короткий контур, краны до тройника и после) клапаном давления в коротком контуре. Клапан держит давление до тех пор, пока оно не превышено, открываясь, переключает насос в режим "сам на себя" через короткий контур. Как-то так.
Не совсем понимаю, что за клапан которые держит давление, и по всей видимости управляет еще и насосом...
Можете пояснить?
Спасибо!
-
Starik
- Местный аксакал
- Сообщения: 7445
- Зарегистрирован: 27 ноя 2015, 22:41
- Откуда: Краснодарский край
- Мой котел: BAXI MAIN 5 14f
- Благодарил (а): 73 раза
- Поблагодарили: 819 раз
- Возраст: 59
Baxi nuvola 3 comfort 280i
Прошу прощения, не корректно обозвал клапан. Нужен перепускной клапан (или предохранительный) нужно установить сразу за насосом, а то, что он будет перепускать (сбрасывать) вернуть в насос. Вот первая попавшаяся статья http://dnevnik-stroika.ru/otoplenie/per ... -otopleni/
-
DmitryB
- Завсегдатай
- Сообщения: 126
- Зарегистрирован: 09 июл 2018, 19:50
- Откуда: МО
- Мой котел: Nuvola 3 280i
- Благодарил (а): 11 раз
- Поблагодарили: 1 раз
Baxi nuvola 3 comfort 280i
Теперь понял.Starik писал(а):Прошу прощения, не корректно обозвал клапан. Нужен перепускной клапан (или предохранительный) нужно установить сразу за насосом, а то, что он будет перепускать (сбрасывать) вернуть в насос. Вот первая попавшаяся статья http://dnevnik-stroika.ru/otoplenie/per ... -otopleni/
Скажите, а если его ставить, то ставить его между веткой обратки и подачи.
Стоит ли менять насос на отопление радиаторами, и ставить его на подачу, а не на обратку? И нужен ли туда такой клапан?
+ нужно ли ставить балансировочные краны на контура?
-
Starik
- Местный аксакал
- Сообщения: 7445
- Зарегистрирован: 27 ноя 2015, 22:41
- Откуда: Краснодарский край
- Мой котел: BAXI MAIN 5 14f
- Благодарил (а): 73 раза
- Поблагодарили: 819 раз
- Возраст: 59
Baxi nuvola 3 comfort 280i
Ставить вокруг насоса на случай, если опять кран не открыть, насос будет гонять каплю воды вокруг себя и не выйдет из строя. Касается всех насосов (в котле байпас есть, емнип), т.е. обезопасить их от ошибок, не напрягая всю систему отопления.
На остальные вопросы однозначный и точный ответ не могу дать, не вникал. Дополнительный насос я бы ставил на подачу. Какую нагрузку с насоса котла можно снять обраткой, мне не понятно.
А если производительность внешнего насоса выше котлового, то что будет происходить с котловым, которому в обратку вдувают так, что мало ему не кажется?
Он же не выдаст больше, чем впереди уперлось. Благоприятные условия для котлового, это когда сопротивления контуров сведены к минимуму, т.е. он свободно выдаёт своё и ничто ему не мешает. И воду через систему всегда проталкивают, а не высасывают (от воздушных пробок она ж умрет). Бывает, что высасывают, но это не про отопление и не всегда про воду.
Для начала, поставь всё правильно и безопасно, а остальные "вкусняшки" - по мере сил и возможностей.
На остальные вопросы однозначный и точный ответ не могу дать, не вникал. Дополнительный насос я бы ставил на подачу. Какую нагрузку с насоса котла можно снять обраткой, мне не понятно.
А если производительность внешнего насоса выше котлового, то что будет происходить с котловым, которому в обратку вдувают так, что мало ему не кажется?
Для начала, поставь всё правильно и безопасно, а остальные "вкусняшки" - по мере сил и возможностей.
-
DmitryB
- Завсегдатай
- Сообщения: 126
- Зарегистрирован: 09 июл 2018, 19:50
- Откуда: МО
- Мой котел: Nuvola 3 280i
- Благодарил (а): 11 раз
- Поблагодарили: 1 раз
Baxi nuvola 3 comfort 280i
Получается как то вот так, верно?Starik писал(а):Ставить вокруг насоса на случай, если опять кран не открыть, насос будет гонять каплю воды вокруг себя и не выйдет из строя. Касается всех насосов (в котле байпас есть, емнип), т.е. обезопасить их от ошибок, не напрягая всю систему отопления.
На остальные вопросы однозначный и точный ответ не могу дать, не вникал. Дополнительный насос я бы ставил на подачу. Какую нагрузку с насоса котла можно снять обраткой, мне не понятно.
А если производительность внешнего насоса выше котлового, то что будет происходить с котловым, которому в обратку вдувают так, что мало ему не кажется?Он же не выдаст больше, чем впереди уперлось. Благоприятные условия для котлового, это когда сопротивления контуров сведены к минимуму, т.е. он свободно выдаёт своё и ничто ему не мешает. И воду через систему всегда проталкивают, а не высасывают (от воздушных пробок она ж умрет). Бывает, что высасывают, но это не про отопление и не всегда про воду.
![]()
Для начала, поставь всё правильно и безопасно, а остальные "вкусняшки" - по мере сил и возможностей.
Отправлено спустя 13 минут 39 секунд:
Хотя нет, по логике вот так, если вокруг насоса...
-
Starik
- Местный аксакал
- Сообщения: 7445
- Зарегистрирован: 27 ноя 2015, 22:41
- Откуда: Краснодарский край
- Мой котел: BAXI MAIN 5 14f
- Благодарил (а): 73 раза
- Поблагодарили: 819 раз
- Возраст: 59
Baxi nuvola 3 comfort 280i
С условными обозначениями у меня не очень крепкая дружба, но думаю ты поймешь.
-
DmitryB
- Завсегдатай
- Сообщения: 126
- Зарегистрирован: 09 июл 2018, 19:50
- Откуда: МО
- Мой котел: Nuvola 3 280i
- Благодарил (а): 11 раз
- Поблагодарили: 1 раз
Baxi nuvola 3 comfort 280i
А пропускной куда? ))) то что ты изобразил это трехдовой, который на контр ТП подмешивает температуру из обратки.Starik писал(а): С условными обозначениями у меня не очень крепкая дружба, но думаю ты поймешь.
байпас.png
В дебри уже ушли, а проблема пока не решена с ТП, видимо все постепенно)
И глобальный вопрос: трехходовой на подаче или на обкатке? или вообще не имеет значения?
Последний раз редактировалось DmitryB 12 июл 2018, 23:37, всего редактировалось 1 раз.
-
- Похожие темы
- Ответы
- Просмотры
- Последнее сообщение
-
- 1 Ответы
- 1854 Просмотры
-
Последнее сообщение Bahus
-
- 1 Ответы
- 5570 Просмотры
-
Последнее сообщение Bahus
-
- 7 Ответы
- 5844 Просмотры
-
Последнее сообщение Strannik
-
- 1 Ответы
- 11232 Просмотры
-
Последнее сообщение Starik
-
- 4 Ответы
- 441 Просмотры
-
Последнее сообщение Architectorus
Кто сейчас на конференции
Сейчас этот форум просматривают: нет зарегистрированных пользователей и 1 гость