Slim 1.300 Fi и Slim UB INOX 120
-
anuka83
- Новичок
- Сообщения: 14
- Зарегистрирован: 05 май 2018, 21:04
- Откуда: Атырау
- Мой котел: Baxi slim 1.300 Fi
- Благодарил (а): 1 раз
Slim 1.300 Fi и Slim UB INOX 120
Добрый день всем!
Прошу сильно не ругать. В котельном деле новичок.
Имеется котел slim 1.300 Fi и бойлер косвенного нагрева slim inox 120. Недавно перевели котел на летний режим. Дело в том, что котел закипает раньше чем температура воды в бойлере. Если на котле 70 градусов, то на термометре бойлера 35-40 градусов. Такое ощущение, что не работает рециркуляция. Перевожу обратно на зимний режим, бойлер быстро набирает температуру котла. По крайней мере, заданная температура отражается на термометре бойлера. Насосы (Grundfos) стоят на выходе из котла в бойлер(соеденен в плату котла), и на обратке в бойлер.
Вроде проводили обвязку строго по инструкции. Посоветуйте, где нужно смотреть.
Спасибо!
Прошу сильно не ругать. В котельном деле новичок.
Имеется котел slim 1.300 Fi и бойлер косвенного нагрева slim inox 120. Недавно перевели котел на летний режим. Дело в том, что котел закипает раньше чем температура воды в бойлере. Если на котле 70 градусов, то на термометре бойлера 35-40 градусов. Такое ощущение, что не работает рециркуляция. Перевожу обратно на зимний режим, бойлер быстро набирает температуру котла. По крайней мере, заданная температура отражается на термометре бойлера. Насосы (Grundfos) стоят на выходе из котла в бойлер(соеденен в плату котла), и на обратке в бойлер.
Вроде проводили обвязку строго по инструкции. Посоветуйте, где нужно смотреть.
Спасибо!
-
RADAR
- Местный аксакал
- Сообщения: 6656
- Зарегистрирован: 25 июл 2012, 00:33
- Откуда: г.Кострома
- Мой котел: Gepard 23MTV19
- Благодарил (а): 111 раз
- Поблагодарили: 413 раз
- Возраст: 51
Slim 1.300 Fi и Slim UB INOX 120
если все сделано правильно, то разницы в зимнем и летнем режиме не будет..
-
Bahus
- Главный администратор

- Сообщения: 12928
- Зарегистрирован: 24 июл 2012, 13:05
- Откуда: Пенза
- Мой котел: Пензенская ТЭЦ-1
- Благодарил (а): 81 раз
- Поблагодарили: 1676 раз
- Возраст: 45
-
anuka83
- Новичок
- Сообщения: 14
- Зарегистрирован: 05 май 2018, 21:04
- Откуда: Атырау
- Мой котел: Baxi slim 1.300 Fi
- Благодарил (а): 1 раз
Slim 1.300 Fi и Slim UB INOX 120
Наблюдаю последние пару дней. Котел перегревается и срабатывает автоматика на выключение.
Моргают индикаторы 30 и 40. То есть Индикатор блокировки из-за отсутствия пламени и Индикатор срабатывания термостата перегрева.
Сегодня постараюсь все сфоткать и выложить.
Сегодня постараюсь все сфоткать и выложить.
-
Bahus
- Главный администратор

- Сообщения: 12928
- Зарегистрирован: 24 июл 2012, 13:05
- Откуда: Пенза
- Мой котел: Пензенская ТЭЦ-1
- Благодарил (а): 81 раз
- Поблагодарили: 1676 раз
- Возраст: 45
Slim 1.300 Fi и Slim UB INOX 120
Мда. Сборочка так себе. Без пузыря не разобрать. Не всё видно. Надо больше фото. А лучше фактическую схему всех трубопроводов помещения. От руки прям. И можно без запорных элементов.
Очевидно одно. Собрано точно неправильно. Ибо в зимнем режиме должна быть в бойлера заданная вами температура ГВС, а не температура системы отопления. И уж тем более никаких перегревов.
Очевидно одно. Собрано точно неправильно. Ибо в зимнем режиме должна быть в бойлера заданная вами температура ГВС, а не температура системы отопления. И уж тем более никаких перегревов.
-
anuka83
- Новичок
- Сообщения: 14
- Зарегистрирован: 05 май 2018, 21:04
- Откуда: Атырау
- Мой котел: Baxi slim 1.300 Fi
- Благодарил (а): 1 раз
Slim 1.300 Fi и Slim UB INOX 120
Всем добрый день!
Наблюдаю последнюю неделю. Из за перегрева котел выключался пару раз. Картина та же самая.
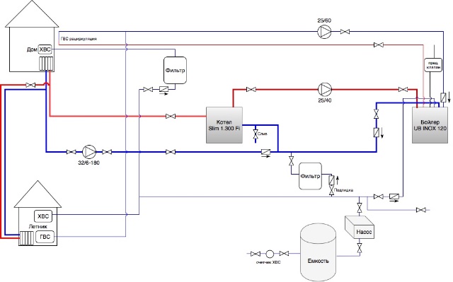
Нарисовал схему обвязки. Надеюсь, ничего не пропустил.
Наблюдаю последнюю неделю. Из за перегрева котел выключался пару раз. Картина та же самая.
Нарисовал схему обвязки. Надеюсь, ничего не пропустил.
-
Bahus
- Главный администратор

- Сообщения: 12928
- Зарегистрирован: 24 июл 2012, 13:05
- Откуда: Пенза
- Мой котел: Пензенская ТЭЦ-1
- Благодарил (а): 81 раз
- Поблагодарили: 1676 раз
- Возраст: 45
Slim 1.300 Fi и Slim UB INOX 120
Мне казалось я личкой 2 сообщения писал. Смотрю - только одно. Либо не дописал, либо сбойнуло что-то.
Итак - сразу несколько вопросов.
1. Схема на первый взгляд верная. Вопрос - с факта рисовали или с проекта выдернули? В том плане - она соответствует тому, что фактически сделано?
2. Куда подключены насосы: бойлерный 25-40, системы отопления 32-60 (на обратке который)
3. На схеме не указано к каким портам котла подключены патрубки подачи отопления и бойлера. Если исходить строго из схемы - сдается впечатление, что они перепутаны. По инструкции отопление должно быть подключено к патрубку "А" (на нем в котле насос). А подача бойлера к "D". Из схемы выходит наоборот, хотя это может для наглядности сделано. Тем не менее проверить не мешает.
Отправлено спустя 5 минут 27 секунд:
Переключатель D.Pompa на плате в каком положении?
Контакты 5-6 колодки М2 перемкнуты?
Итак - сразу несколько вопросов.
1. Схема на первый взгляд верная. Вопрос - с факта рисовали или с проекта выдернули? В том плане - она соответствует тому, что фактически сделано?
2. Куда подключены насосы: бойлерный 25-40, системы отопления 32-60 (на обратке который)
3. На схеме не указано к каким портам котла подключены патрубки подачи отопления и бойлера. Если исходить строго из схемы - сдается впечатление, что они перепутаны. По инструкции отопление должно быть подключено к патрубку "А" (на нем в котле насос). А подача бойлера к "D". Из схемы выходит наоборот, хотя это может для наглядности сделано. Тем не менее проверить не мешает.
Отправлено спустя 5 минут 27 секунд:
Переключатель D.Pompa на плате в каком положении?
Контакты 5-6 колодки М2 перемкнуты?
-
anuka83
- Новичок
- Сообщения: 14
- Зарегистрирован: 05 май 2018, 21:04
- Откуда: Атырау
- Мой котел: Baxi slim 1.300 Fi
- Благодарил (а): 1 раз
Slim 1.300 Fi и Slim UB INOX 120
Приветствую Илья,
1. С факта. Взял ручку и на листке все нарисовал.
2. Насос бойлера 25-40 подключен в плату котла (датчик и насос). Насос на обратке 32-60 тупо в розетке. Циркулирует постоянно.
3. Высылаю новую схему согласно коментарию.
4. Переключатель D.POMPA в положении ON.
5. Контакты M2 перемкнуты с 5 го на 6.
1. С факта. Взял ручку и на листке все нарисовал.
2. Насос бойлера 25-40 подключен в плату котла (датчик и насос). Насос на обратке 32-60 тупо в розетке. Циркулирует постоянно.
3. Высылаю новую схему согласно коментарию.
4. Переключатель D.POMPA в положении ON.
5. Контакты M2 перемкнуты с 5 го на 6.
-
Bahus
- Главный администратор

- Сообщения: 12928
- Зарегистрирован: 24 июл 2012, 13:05
- Откуда: Пенза
- Мой котел: Пензенская ТЭЦ-1
- Благодарил (а): 81 раз
- Поблагодарили: 1676 раз
- Возраст: 45
Slim 1.300 Fi и Slim UB INOX 120
Блин. Мысли кончились. Подключено вроде правильно. Особого криминала не вижу. Ну разве что постоянно молотящий 32-60, который отбирает мощность во время работы на бойлер. Может ли получиться такая ситуация из-за этого насоса? Сообразить не могу. В любом случае сейчас этот насос не нужен и его можно отключить. И понаблюдать. Или уже отключен и ни на что влиять не должен?
Проверить видит ли котел сам датчик бойлера. В котловой части вроде все нормально. В самом бойлере ещё соединение должно быть на клеммнике.
Ну и рекомендации явно не относящиеся к делу, уж коли пишу:
1. Насос рециркуляции я бы заменил более экономичным Grundfos UP15-14 или Wilo Star-Z Nova, а не этим "чугуневым" чудовищем, которое денег будет жрать как не в себя.
2. Перемычка подпитки на обратке слишком близко к котлу. Ни в коем случае не запитывайте систему "на горячую", в противном случае будьте готовы оплатить прилетевший счет в 25000 руб. (ну или сколько там у вас это в вашей валюте) за замену лопнувшей задней секции теплообменника.
Проверить видит ли котел сам датчик бойлера. В котловой части вроде все нормально. В самом бойлере ещё соединение должно быть на клеммнике.
Ну и рекомендации явно не относящиеся к делу, уж коли пишу:
1. Насос рециркуляции я бы заменил более экономичным Grundfos UP15-14 или Wilo Star-Z Nova, а не этим "чугуневым" чудовищем, которое денег будет жрать как не в себя.
2. Перемычка подпитки на обратке слишком близко к котлу. Ни в коем случае не запитывайте систему "на горячую", в противном случае будьте готовы оплатить прилетевший счет в 25000 руб. (ну или сколько там у вас это в вашей валюте) за замену лопнувшей задней секции теплообменника.
-
RADAR
- Местный аксакал
- Сообщения: 6656
- Зарегистрирован: 25 июл 2012, 00:33
- Откуда: г.Кострома
- Мой котел: Gepard 23MTV19
- Благодарил (а): 111 раз
- Поблагодарили: 413 раз
- Возраст: 51
Slim 1.300 Fi и Slim UB INOX 120
циркуляцию линии загрузки бойлера посмотреть, чистоту греющего теплообменника бойлера на предмет накипи, исправность NTC котлового..
-
anuka83
- Новичок
- Сообщения: 14
- Зарегистрирован: 05 май 2018, 21:04
- Откуда: Атырау
- Мой котел: Baxi slim 1.300 Fi
- Благодарил (а): 1 раз
Slim 1.300 Fi и Slim UB INOX 120
25-60 стоит на обратке ГВС в бойлер. Если его отключить, не отключаю ли я рециркуляцию? Проверил соединение на клеммнике. Скидываю фото.Bahus писал(а): Блин. Мысли кончились. Подключено вроде правильно. Особого криминала не вижу. Ну разве что постоянно молотящий 32-60, который отбирает мощность во время работы на бойлер. Может ли получиться такая ситуация из-за этого насоса? Сообразить не могу. В любом случае сейчас этот насос не нужен и его можно отключить. И понаблюдать. Или уже отключен и ни на что влиять не должен?
Проверить видит ли котел сам датчик бойлера. В котловой части вроде все нормально. В самом бойлере ещё соединение должно быть на клеммнике.
А как проверить видит ли котел датчик бойлера?
Отправлено спустя 7 минут 29 секунд:
Добрый день.RADAR писал(а): циркуляцию линии загрузки бойлера посмотреть, чистоту греющего теплообменника бойлера на предмет накипи, исправность NTC котлового..
Температура циркуляции линии загрузки бойлера, в бойлер и обратно в котел - одинаковая. Котел и бойлер эксплуатируются 5-ый месяц. Возможно ли что образуется накипь за такой короткий промежуток? Ну и датчик котла, разве котел не от датчика бойлера должен срабатывать?
-
Bahus
- Главный администратор

- Сообщения: 12928
- Зарегистрирован: 24 июл 2012, 13:05
- Откуда: Пенза
- Мой котел: Пензенская ТЭЦ-1
- Благодарил (а): 81 раз
- Поблагодарили: 1676 раз
- Возраст: 45
Slim 1.300 Fi и Slim UB INOX 120
Я про 32-60, который на обратке отопления.anuka83 писал(а): 25-60 стоит на обратке ГВС в бойлер
Выключить котел, скинуть колодку с синими проводами датчика, ну и на прозвонку. Должен показать соответствующее температуре в бойлере сопротивление подсказать. Таблица сопротивлений в семинарке есть (в аптечке).anuka83 писал(а): А как проверить видит ли котел датчик бойлера?
Да, но теплоноситель-то он контролирует именно по котловому.anuka83 писал(а): Ну и датчик котла, разве котел не от датчика бойлера должен срабатывать?
-
RADAR
- Местный аксакал
- Сообщения: 6656
- Зарегистрирован: 25 июл 2012, 00:33
- Откуда: г.Кострома
- Мой котел: Gepard 23MTV19
- Благодарил (а): 111 раз
- Поблагодарили: 413 раз
- Возраст: 51
Slim 1.300 Fi и Slim UB INOX 120
не должна она быть одинаковой..иначе нет теплосъема, соответственно котел может перегреваться..anuka83 писал(а): Температура циркуляции линии загрузки бойлера, в бойлер и обратно в котел - одинаковая.
маловероятно..anuka83 писал(а): Котел и бойлер эксплуатируются 5-ый месяц. Возможно ли что образуется накипь за такой короткий промежуток?
от обоих должен срабатывать, а вот останавливаться только от датчика котлового, а вот авария 40 от другого датчика, и если NTC котловой неверные показания дает - может уже срабатывать предельный датчик и давать ошибку 40..anuka83 писал(а): Ну и датчик котла, разве котел не от датчика бойлера должен срабатывать?
-
Bahus
- Главный администратор

- Сообщения: 12928
- Зарегистрирован: 24 июл 2012, 13:05
- Откуда: Пенза
- Мой котел: Пензенская ТЭЦ-1
- Благодарил (а): 81 раз
- Поблагодарили: 1676 раз
- Возраст: 45
Slim 1.300 Fi и Slim UB INOX 120
О. Это я пропустил. Почему нет теплосъема со змеевика?RADAR писал(а): не должна она быть одинаковой..иначе нет теплосъема, соответственно котел может перегреваться..
-
anuka83
- Новичок
- Сообщения: 14
- Зарегистрирован: 05 май 2018, 21:04
- Откуда: Атырау
- Мой котел: Baxi slim 1.300 Fi
- Благодарил (а): 1 раз
Slim 1.300 Fi и Slim UB INOX 120
32-60 выключен. Краны на подаче и обратке перекрыты.Bahus писал(а): Я про 32-60, который на обратке отопления.
Спасибо. Мультиметр у отца. Завтра привезет и проверим.Bahus писал(а): Выключить котел, скинуть колодку с синими проводами датчика, ну и на прозвонку. Должен показать соответствующее температуре в бойлере сопротивление подсказать. Таблица сопротивлений в семинарке есть (в аптечке).
Отправлено спустя 8 минут 25 секунд:
Еще раз хотелось бы напомнить. Котел и бойлер находятся в котельной. Котельная находится на расстоянии 10 метров от дома. Дома ГВС (хоть и 40 град) нужно прилично спустить, чтобы в итоге получить температуру как на бойлере. Поэтому, мое предположение было рециркуляция от котельной до дома. Не это ли теплосъем? Тогда вопрос, почему не рециркулирует по ГВС? Фуф, замкнутый круг получается.RADAR писал(а): не должна она быть одинаковой..иначе нет теплосъема, соответственно котел может перегреваться..
-
RADAR
- Местный аксакал
- Сообщения: 6656
- Зарегистрирован: 25 июл 2012, 00:33
- Откуда: г.Кострома
- Мой котел: Gepard 23MTV19
- Благодарил (а): 111 раз
- Поблагодарили: 413 раз
- Возраст: 51
Slim 1.300 Fi и Slim UB INOX 120
Теплосьем со змеевика бойлера имелся ввиду..он прямо пропорционален дельте подаче и обратки змеевика..а дельта по словам равна 0..почему нет рециркуляции смотреть по месту, отсюда не видно.. 
-
anuka83
- Новичок
- Сообщения: 14
- Зарегистрирован: 05 май 2018, 21:04
- Откуда: Атырау
- Мой котел: Baxi slim 1.300 Fi
- Благодарил (а): 1 раз
Slim 1.300 Fi и Slim UB INOX 120
Возможно ли завоздушивание бойлера? На бойлере отсутствует воздухотводчик.
-
anuka83
- Новичок
- Сообщения: 14
- Зарегистрирован: 05 май 2018, 21:04
- Откуда: Атырау
- Мой котел: Baxi slim 1.300 Fi
- Благодарил (а): 1 раз
Slim 1.300 Fi и Slim UB INOX 120
почему то мультиметр с 2К не показывает ничего. Значение снял при 70 град котла, и 45 град бойлера.Bahus писал(а): Выключить котел, скинуть колодку с синими проводами датчика, ну и на прозвонку. Должен показать соответствующее температуре в бойлере сопротивление подсказать.
4,97 значение бойлера.
2,29 значение котла.
Отправлено спустя 2 минуты 15 секунд:
А есть идеи из-за чего может не быть теплосъем?RADAR писал(а): не должна она быть одинаковой..иначе нет теплосъема, соответственно котел может перегреваться..
-
anuka83
- Новичок
- Сообщения: 14
- Зарегистрирован: 05 май 2018, 21:04
- Откуда: Атырау
- Мой котел: Baxi slim 1.300 Fi
- Благодарил (а): 1 раз
Slim 1.300 Fi и Slim UB INOX 120
На выходных поменял обратный клапан на обратке ГВС в бойлер. Проблема с плохой рециркуляцией решилась. По крайней мере, трубы подачи и обратки ГВС быстро приняли нужную температуру.
Нормально что у котла 70-80 градусов, а на бойлере манометр показывает 50-60 градусов? И должен ли вообще котел показывать температуру бойлера на панели?
И еще я полагаю у меня активируется режим "антилегионелла". На втором заходе на обогрев воды котел закипает до максимума и не реагирует на регулятор ГВС. Заканчивается тем, что котел вырубается с ошибками 30 и 40. Пока изучаю тему.
Нормально что у котла 70-80 градусов, а на бойлере манометр показывает 50-60 градусов? И должен ли вообще котел показывать температуру бойлера на панели?
И еще я полагаю у меня активируется режим "антилегионелла". На втором заходе на обогрев воды котел закипает до максимума и не реагирует на регулятор ГВС. Заканчивается тем, что котел вырубается с ошибками 30 и 40. Пока изучаю тему.
Slim 1.300 Fi и Slim UB INOX 120
Добрый день ! Сразу скажу я не мастер. Могу Высказать свои предположения. 1. на схеме и на фото нет группы безопасности. Это плохо. 2. при П - образном соединении труб надо ставить воздухоотводчик, тк скорее у вас воздушная пробка. и насос не может ее полностью пробить. теплоноситель пытается, но насос гудит в пустую. в результате перегрев. когда включаете отопление котел охлаждается через радиаторы. Надеюсь вы с мая справились с проблемой, - тогда пишите что было.
-
- Похожие темы
- Ответы
- Просмотры
- Последнее сообщение
-
- 2 Ответы
- 3521 Просмотры
-
Последнее сообщение WalterSkinner
-
- 9 Ответы
- 7435 Просмотры
-
Последнее сообщение Misha.saf
-
- 7 Ответы
- 3316 Просмотры
-
Последнее сообщение Дмитрий079
-
- 10 Ответы
- 181 Просмотры
-
Последнее сообщение dos140673
-
- 4 Ответы
- 531 Просмотры
-
Последнее сообщение Bahus
Кто сейчас на конференции
Сейчас этот форум просматривают: нет зарегистрированных пользователей и 60 гостей