Гидравлическая развязка BAXI Duo-Tec Compact 28 + теплый пол+ полотенцесушитель.

Обсуждаем все, что касается гидравлической обвязки оборудования.

Автор темы
qven47
Новичок
Сообщения: 5
Зарегистрирован: 09 окт 2021, 13:48
Откуда: Крым
Мой котел: Baxi DUO-TEC COMPACT 28

Гидравлическая развязка BAXI Duo-Tec Compact 28 + теплый пол+ полотенцесушитель.

Сообщение qven47 »

Добрый день.
Прошу помощи в решении моей задачки)
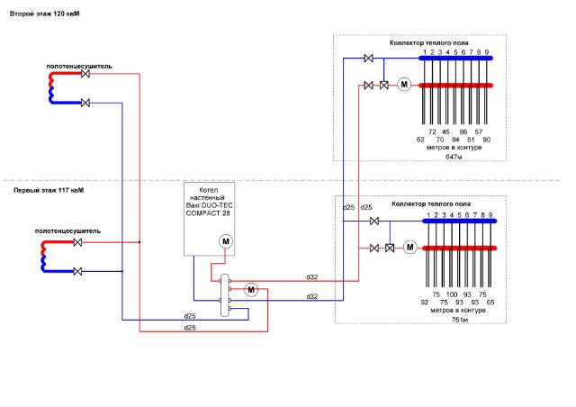
Дом, два этажа каждый по 120 м2, оба этажа закатаны сшитым полиэтиленом д16мм (теплый пол). На каждом этаже по гребенке на 9 контуров с расходомерами, в среднем контур +-80 метров. Обогрев только теплыми полами, Южный регион. На каждом этаже по полотенцесушителю. Расчет на низкотемпературный режим работы, низкая температура в полотенцесушителе вполне устраивает.
Планировал изначально коллектора теплого пола подключить напрямую к конденсационному котлу BAXI Duo-Tec Compact 28. После гидравлического расчета (необходим насос с характеристиками 3.5 бар 50 -55 л.м) понял что штатный насос не вытянет. Подключение последовательно насосов я так понял не рекомендуют, хотя в инструкции написано установка доп насоса на обратке допускается.
Накидал несколько вариантов, прошу утвердить или предложить свой вариант, или просто поразмышлять в рамках моей проблемы.
Вложения
это то, что уже смонтировано (магистрали замурованы в стенах и полах)
это то, что уже смонтировано (магистрали замурованы в стенах и полах)
я так понимаю это самый правильный вариант, но не бюджетно
я так понимаю это самый правильный вариант, но не бюджетно
имеет ли место быть такой вариант?
имеет ли место быть такой вариант?

Starik
Местный аксакал
Сообщения: 6925
Зарегистрирован: 27 ноя 2015, 22:41
Откуда: Краснодарский край
Мой котел: BAXI MAIN 5 14f
Благодарил (а): 71 раз
Поблагодарили: 768 раз
Возраст: 59

Гидравлическая развязка BAXI Duo-Tec Compact 28 + теплый пол+ полотенцесушитель.

Сообщение Starik »

qven47 писал(а): 09 окт 2021, 18:29Расчет на низкотемпературный режим работы, низкая температура в полотенцесушителе вполне устраивает.
Думаю, что в таком случае подмес не нужен. Останется сбалансировать систему имеющимися кранами (и полотенчики поджать, у них же самое маленькое сопротивление), может расходомеры туда тоже установить. И дополнительный насос лучше отдельно в розетку включать, плата котла не дешево стоит, а значит лишняя нагрузка на неё ни к чему.
Такие вот мысли по оптимизации. :)
ГВС вообще не будет?

Автор темы
qven47
Новичок
Сообщения: 5
Зарегистрирован: 09 окт 2021, 13:48
Откуда: Крым
Мой котел: Baxi DUO-TEC COMPACT 28

Гидравлическая развязка BAXI Duo-Tec Compact 28 + теплый пол+ полотенцесушитель.

Сообщение qven47 »

Starik писал(а): 10 окт 2021, 06:49 Думаю, что в таком случае подмес не нужен. Останется сбалансировать систему имеющимися кранами (и полотенчики поджать, у них же самое маленькое сопротивление), может расходомеры туда тоже установить. И дополнительный насос лучше отдельно в розетку включать, плата котла не дешево стоит, а значит лишняя нагрузка на неё ни к чему.
Я так понял Вы за третий вариант, с одним дополнительным насосом?

Отправлено спустя 4 минуты 42 секунды:
Starik писал(а): 10 окт 2021, 06:49 ГВС вообще не будет?
Котел двухконтурный, думаю для двох человек вполне хватит.

можно попробовать запихать гидрострелку в шкаф, краны подмеса лишние, а вот будет ли работать полотенчик???
Вложения
схема обвязки котла 4.jpg

Starik
Местный аксакал
Сообщения: 6925
Зарегистрирован: 27 ноя 2015, 22:41
Откуда: Краснодарский край
Мой котел: BAXI MAIN 5 14f
Благодарил (а): 71 раз
Поблагодарили: 768 раз
Возраст: 59

Гидравлическая развязка BAXI Duo-Tec Compact 28 + теплый пол+ полотенцесушитель.

Сообщение Starik »

qven47 писал(а): 10 окт 2021, 10:57а вот будет ли работать полотенчик???
:shock: Метаморфоза схемы произошла, не? :)
Разбор после гидрострелки принято делать, а не врезать полотенчики вместо бойлера, что это за... изменения, для чего?
Ответить
  • Похожие темы
    Ответы
    Просмотры
    Последнее сообщение
  • Baxi duo-tec compact
    Maks83 » » в форуме Автоматика котлов
    0 Ответы
    1007 Просмотры
    Последнее сообщение Maks83
  • Baxi Duo-Tec Compact заливает дождем
    Viper1 » » в форуме Дымоудаление и воздухоприток
    14 Ответы
    2375 Просмотры
    Последнее сообщение Bahus
  • насос baxi duo-tec compact
    Perepek » » в форуме Другие вопросы проектирования
    3 Ответы
    7373 Просмотры
    Последнее сообщение Bahus
  • BAXI DUO-TEC COMPACT 28GA проблемы ГВС
    Valeriy » » в форуме Другие вопросы
    4 Ответы
    5286 Просмотры
    Последнее сообщение Valeriy
  • Пропускает трехходовой клапан Baxi Duo-Tec Compact 1.24
    arimefu » » в форуме Поломалось - чинимся
    11 Ответы
    4037 Просмотры
    Последнее сообщение andr

Вернуться в «Гидравлическое подключение»

Кто сейчас на конференции

Сейчас этот форум просматривают: нет зарегистрированных пользователей и 3 гостя