Baxi SLIM 1.230 iN + бойлер Baxi PREMIER Plus 150 + теплые полы
-
- Новичок
- Сообщения: 12
- Зарегистрирован: 22 янв 2022, 18:21
- Откуда: Москва
- Мой котел: Baxi Slim
- Благодарил (а): 7 раз
Baxi SLIM 1.230 iN + бойлер Baxi PREMIER Plus 150 + теплые полы
Добрый день,
Имеется котел Baxi SLIM 1.230 iN 24 квт + бойлер Baxi PREMIER Plus 150 + комплект подключения бойлера Baxi для Slim KHW714087410 (тоесть бойлером управляет котел)
Контур отопления реализован исключительно теплыми полами, он один, т.к. всего 80 кв.м.
Вопрос - если выбрать на котле режим "теплые полы" (ограничить температуру котельной воды, как я понимаю, до 45 градусов). Бойлер тогда будет постоянно недогреваться? Или автоматика котла будет нагревать бойлер (по приоритету), а потом уже пускать воду на теплые полы?
Или лучше не делать эксперименты и поставить трехходовый смесительный клапан.
Имеется котел Baxi SLIM 1.230 iN 24 квт + бойлер Baxi PREMIER Plus 150 + комплект подключения бойлера Baxi для Slim KHW714087410 (тоесть бойлером управляет котел)
Контур отопления реализован исключительно теплыми полами, он один, т.к. всего 80 кв.м.
Вопрос - если выбрать на котле режим "теплые полы" (ограничить температуру котельной воды, как я понимаю, до 45 градусов). Бойлер тогда будет постоянно недогреваться? Или автоматика котла будет нагревать бойлер (по приоритету), а потом уже пускать воду на теплые полы?
Или лучше не делать эксперименты и поставить трехходовый смесительный клапан.
-
- Главный администратор
- Сообщения: 12366
- Зарегистрирован: 24 июл 2012, 13:05
- Откуда: Пенза
- Мой котел: Пензенская ТЭЦ-1
- Благодарил (а): 78 раз
- Поблагодарили: 1607 раз
- Возраст: 45
Baxi SLIM 1.230 iN + бойлер Baxi PREMIER Plus 150 + теплые полы
На отопление своя температура задается, на ГВС своя. Так что можно ограничить.
-
- Новичок
- Сообщения: 12
- Зарегистрирован: 22 янв 2022, 18:21
- Откуда: Москва
- Мой котел: Baxi Slim
- Благодарил (а): 7 раз
Baxi SLIM 1.230 iN + бойлер Baxi PREMIER Plus 150 + теплые полы
А не получится так, что бойлер будет недогреваться из-за низкой температуры, которая требуется на теплые полы?
-
- Завсегдатай
- Сообщения: 101
- Зарегистрирован: 22 сен 2017, 20:47
- Откуда: Серпухов
- Мой котел: baxi slim 1.300 in
- Благодарил (а): 2 раза
- Поблагодарили: 7 раз
Baxi SLIM 1.230 iN + бойлер Baxi PREMIER Plus 150 + теплые полы
вам ответили, на гвс своя крутилка. но я бы не советовал вам использовать режим "теплые полы". не тот котел выбралиvenom_blade писал(а): 24 янв 2022, 17:51 А не получится так, что бойлер будет недогреваться из-за низкой температуры, которая требуется на теплые полы?
разогреет котел легионелу до 80, а потом вам в обратку теплый пол с его 30 градусами
-
- Новичок
- Сообщения: 12
- Зарегистрирован: 22 янв 2022, 18:21
- Откуда: Москва
- Мой котел: Baxi Slim
- Благодарил (а): 7 раз
Baxi SLIM 1.230 iN + бойлер Baxi PREMIER Plus 150 + теплые полы
Да, понятно, что котел не конденсационный...но если есть такая возможность на котле, то почему не обойтись без смесителя.
Я только не понимаю немного саму идеологию работы автоматики котла при связке теплый (до 45) и бойлер (до 60 или 80 для удаления)- если приоритет по ГВС, то котел например нагревает воду до 60 градусов для бойлера, а далее остывает до 45 и пускает на теплый пол....и так всегда - 60/45
Я только не понимаю немного саму идеологию работы автоматики котла при связке теплый (до 45) и бойлер (до 60 или 80 для удаления)- если приоритет по ГВС, то котел например нагревает воду до 60 градусов для бойлера, а далее остывает до 45 и пускает на теплый пол....и так всегда - 60/45
-
- Местный аксакал
- Сообщения: 6899
- Зарегистрирован: 27 ноя 2015, 22:41
- Откуда: Краснодарский край
- Мой котел: BAXI MAIN 5 14f
- Благодарил (а): 71 раз
- Поблагодарили: 766 раз
- Возраст: 59
Baxi SLIM 1.230 iN + бойлер Baxi PREMIER Plus 150 + теплые полы
Не остывает, а сразу переключается на СО, как только нагрев бойлера окончен.
-
- Старожил
- Сообщения: 677
- Зарегистрирован: 31 июл 2019, 17:25
- Откуда: Покров
- Мой котел: BAXI SLIM 1.490 iN
- Благодарил (а): 18 раз
- Поблагодарили: 50 раз
Baxi SLIM 1.230 iN + бойлер Baxi PREMIER Plus 150 + теплые полы
С оговорочкой, если есть запрос тепла от СО и температура теплоносителя после отработки ГВС упала ниже 45 (если дип в положении 45), ограничение не даст включить СО.Starik писал(а): 26 янв 2022, 19:47 Не остывает, а сразу переключается на СО, как только нагрев бойлера окончен.
OpenTherm контроллер. Собственная разработка. Описание
-
- Местный аксакал
- Сообщения: 6899
- Зарегистрирован: 27 ноя 2015, 22:41
- Откуда: Краснодарский край
- Мой котел: BAXI MAIN 5 14f
- Благодарил (а): 71 раз
- Поблагодарили: 766 раз
- Возраст: 59
Baxi SLIM 1.230 iN + бойлер Baxi PREMIER Plus 150 + теплые полы
Я про то, что циркуляция переключится с ГВС на СО сразу (или у слимов иначе). О горелке речи не веду, там всё очевидно.
-
- Старожил
- Сообщения: 677
- Зарегистрирован: 31 июл 2019, 17:25
- Откуда: Покров
- Мой котел: BAXI SLIM 1.490 iN
- Благодарил (а): 18 раз
- Поблагодарили: 50 раз
Baxi SLIM 1.230 iN + бойлер Baxi PREMIER Plus 150 + теплые полы
Наверное это лучший вариант.venom_blade писал(а): 22 янв 2022, 22:02 Или лучше не делать эксперименты и поставить трехходовый смесительный клапан.
Отправлено спустя 2 минуты 31 секунду:
Иначе, мозги сравнивают фактическую и ограничительную Т, если фактическая > ограничительной - не включит.Starik писал(а): 26 янв 2022, 20:23 что циркуляция переключится с ГВС на СО сразу (или у слимов иначе)
OpenTherm контроллер. Собственная разработка. Описание
-
- Новичок
- Сообщения: 12
- Зарегистрирован: 22 янв 2022, 18:21
- Откуда: Москва
- Мой котел: Baxi Slim
- Благодарил (а): 7 раз
Baxi SLIM 1.230 iN + бойлер Baxi PREMIER Plus 150 + теплые полы
Резюмирую все вышесказанное + что прочитал тут и на форумхаусе.
Думаю пригодится.
Поправьте, если есть ошибки.
Вообщем после изучения записей здесь и на форумхаусе:
- Slim, несмотря на заводское наличие режима "теплых полов" и возможности регулировки контура отопления 30-45 градусов самим котлом, этот режим не любит (на форуме есть споры и разногласия даже среди представителей Baxi - кто говорит, что плохо для теплообменника, а кто то, что схема живая, но нужно защититься от гидроудара, поставив гидростелку, чтобы после нагрева бойлера теплоноситель не попал на теплые полы).
- если Slim участвует в связке отопление только на теплые полы + бойлер, то самое лучшее что можно сделать - поставить трехходовый кран с термоголовкой/сервоприводом с датчиком температуры носителя (выставив на них температуру для теплого пола), а на самом котле для теплого пола поставить 50 градусов (мин для нормальной работы чугунного котла). Таким образом котел будет всегда выдавать 50 градусов, а термоголовка/сервопривод эту температуру глушить до комфортных для теплого пола.
- любая автоматика вроде терморегулятора QAA73 или погодозависимый датчик теряют смысл. Т.к. регулировать тут особо нечего, а трехходовым клапаном даже с сервоприводом ни котел, ни QAA73 управлять не могут (соответственно они будут постоянно подмешивать исходя из температуры теплоносителя). Получается, что насос контура теплых полов будет постоянно работать. Да и понижать/повышать температуру теплоносителя (в зависимости от наружной температуры это помогает уличный датчик) тут смысла нет.
Бойлер впринципе от погодозависимой автоматики не работает. При работе на бойлер котёл не будет обращать внимание на погодозависимую кривую и выдаст макс. мощность
- единственная регулировка в такой системе - это температура самого контура теплого пола (это регулировка на приводе трехходового клапана/сервоприводе или термоголовке).
Можно конечно для пользователей поставить к сервоприводу термостат для теплого пола (тем самым появится регулятор для температуры пола). Но с погодозависимой автоматикой Slim или QAA73 их не подружить.
- возможно еще будет попробовать Zont со внутренним температурным датчиком (внешней здесь для Zont не нужен, т.к. температуру теплого пола Zont регулировать не может, т.к. не управляет сервоприводами) и уже Zont при достижении температур на внутреннем датчике будет просто останавливать котел.
Думаю пригодится.
Поправьте, если есть ошибки.
Вообщем после изучения записей здесь и на форумхаусе:
- Slim, несмотря на заводское наличие режима "теплых полов" и возможности регулировки контура отопления 30-45 градусов самим котлом, этот режим не любит (на форуме есть споры и разногласия даже среди представителей Baxi - кто говорит, что плохо для теплообменника, а кто то, что схема живая, но нужно защититься от гидроудара, поставив гидростелку, чтобы после нагрева бойлера теплоноситель не попал на теплые полы).
- если Slim участвует в связке отопление только на теплые полы + бойлер, то самое лучшее что можно сделать - поставить трехходовый кран с термоголовкой/сервоприводом с датчиком температуры носителя (выставив на них температуру для теплого пола), а на самом котле для теплого пола поставить 50 градусов (мин для нормальной работы чугунного котла). Таким образом котел будет всегда выдавать 50 градусов, а термоголовка/сервопривод эту температуру глушить до комфортных для теплого пола.
- любая автоматика вроде терморегулятора QAA73 или погодозависимый датчик теряют смысл. Т.к. регулировать тут особо нечего, а трехходовым клапаном даже с сервоприводом ни котел, ни QAA73 управлять не могут (соответственно они будут постоянно подмешивать исходя из температуры теплоносителя). Получается, что насос контура теплых полов будет постоянно работать. Да и понижать/повышать температуру теплоносителя (в зависимости от наружной температуры это помогает уличный датчик) тут смысла нет.
Бойлер впринципе от погодозависимой автоматики не работает. При работе на бойлер котёл не будет обращать внимание на погодозависимую кривую и выдаст макс. мощность
- единственная регулировка в такой системе - это температура самого контура теплого пола (это регулировка на приводе трехходового клапана/сервоприводе или термоголовке).
Можно конечно для пользователей поставить к сервоприводу термостат для теплого пола (тем самым появится регулятор для температуры пола). Но с погодозависимой автоматикой Slim или QAA73 их не подружить.
- возможно еще будет попробовать Zont со внутренним температурным датчиком (внешней здесь для Zont не нужен, т.к. температуру теплого пола Zont регулировать не может, т.к. не управляет сервоприводами) и уже Zont при достижении температур на внутреннем датчике будет просто останавливать котел.
-
- Гуру
- Сообщения: 1290
- Зарегистрирован: 18 апр 2013, 14:52
- Откуда: Россия
- Мой котел: Baxi Nuvola 3 B40 240 Fi
- Благодарил (а): 31 раз
- Поблагодарили: 194 раза
- Возраст: 48
Baxi SLIM 1.230 iN + бойлер Baxi PREMIER Plus 150 + теплые полы
Кто Вам это подсказал???
И откуда там в СО сей процесс?
Отправлено спустя 2 минуты 9 секунд:
Пр работе на бойлер, котёл будет и должен смотреть на уставку ГВС в своих настройках и будет сравнивать с фактом.venom_blade писал(а): 29 янв 2022, 01:36 При работе на бойлер котёл не будет обращать внимание на погодозависимую кривую и выдаст макс. мощность
Мои посты, это только мое мнение и оно не претендует быть единственным верным решением.
Любое решение остается за Вами.
Хотите поблагодарить нажмите лайк
Любое решение остается за Вами.
Хотите поблагодарить нажмите лайк
-
- Местный аксакал
- Сообщения: 6899
- Зарегистрирован: 27 ноя 2015, 22:41
- Откуда: Краснодарский край
- Мой котел: BAXI MAIN 5 14f
- Благодарил (а): 71 раз
- Поблагодарили: 766 раз
- Возраст: 59
Baxi SLIM 1.230 iN + бойлер Baxi PREMIER Plus 150 + теплые полы


-
- Главный администратор
- Сообщения: 12366
- Зарегистрирован: 24 июл 2012, 13:05
- Откуда: Пенза
- Мой котел: Пензенская ТЭЦ-1
- Благодарил (а): 78 раз
- Поблагодарили: 1607 раз
- Возраст: 45
Baxi SLIM 1.230 iN + бойлер Baxi PREMIER Plus 150 + теплые полы
Здесь такого быть не может. Исключительно с форумхауса, будь он не ладен. Вы бы ещё кустарей с ютуба послушали. Вот замес был бы.venom_blade писал(а): 29 янв 2022, 01:36 Резюмирую все вышесказанное + что прочитал тут и на форумхаусе.
Касаемо вышенаписанного.
1. Нет. Если производитель предусмотрел возможность 30-45 на чугуне, значит можно. Ничего нигде не рванёт. КПД мы не касаемся в данном опусе.
Кстати, подскажите, кто из представителей Baxi на форумхаусе есть, кого почитать.
2. Тоже глупость. Если хочется, то можно, но зачем? Излишки тепла от приготовления ГВС, а его не так много будет, дойдут до коллектора и там уже рассеются. Ничего запредельного вам в полы не прилетит.
3. Вообще глупость. Даже если у вас ВСЁ отопление теплыми полами/стенами сделано, кто запретит вам использовать комнатный термостат? Это же система отопления у вас, а не комфорт для ног. Вот если вы стрелку вкорячите, тогда да. К котлу вешать ПЗА бессмысленно. Нужно вешать уже на сегменты системы. А стрелку постоянно загруженной по максимуму держать.
Ну и дальше ваши измышления, которые не буду комментировать.
Как по мне. Если хотите классно, и здорово, и дорого - врубайте гидравлический разделитель. Ставьте коллектор с группами быстрого монтажа (вы же про бассейн ещё спрашивали вроде. Вот, норм будет). На насосы групп заводите автоматику, для каждого свою. И будет вам счастье.
-
- Новичок
- Сообщения: 12
- Зарегистрирован: 22 янв 2022, 18:21
- Откуда: Москва
- Мой котел: Baxi Slim
- Благодарил (а): 7 раз
Baxi SLIM 1.230 iN + бойлер Baxi PREMIER Plus 150 + теплые полы
Всем спасибо за комментарии. Глупость поправим и выведем на нормальный уровень.
Как пример - аналогичные ситуации: Baxi Slim + бойлер + только теплые полы.
viewtopic.php?f=50&t=3913&p=24825&hilit ... %BB#p24825
viewtopic.php?f=31&t=6000&p=49680&hilit ... %BB#p49680
viewtopic.php?f=31&t=6000&p=49680&hilit ... %BB#p49680
Ответ представитель Baxi 1: при таком режиме Ваш котёл скоро накроется
нужно было ставить гидрострелку или хотя бы смесительный узел на тёплый пол
и кто это Вас надоумил чугунный котёл на низкотемпературный режим поставить?
Ответ представитель Baxi 2: В котлах Slim нет низкотемпературного режима - есть ограничение по максимальной температуре в 45 гр. Если посмотреть внимательно, то ничего не говорится о том какая при этом должна быть температура обратки.
При эксплуатации чугунного котла на низких температурах есть высокий риск загнать его в конденсационный режим и в результате получим низкотемпературную коррозию теплообменника с последующим его разрушением.
Поэтому в данном случае нужно поднять температуру на котле, а на тёплый пол установить смесительный узел.
Ответ представитель Baxi 3: Сомнения по поводу термоударов более обоснованы, сам видел треснувшие котлы, но, э-эээ, других марок, Slim не видел (Чесно!)
Решается стрелкой с "опрокинутой" циркуляцией теплых полов, - увеличиваем температуру подачи, сближаем температуры на теплый пол и бойлер...
Здесь на форуме много тем, где как раз представители Baxi говорят о том, что возможность скорее номинальная:Bahus писал(а): 29 янв 2022, 16:14 1. Нет. Если производитель предусмотрел возможность 30-45 на чугуне, значит можно. Ничего нигде не рванёт. КПД мы не касаемся в данном опусе.
Как пример - аналогичные ситуации: Baxi Slim + бойлер + только теплые полы.
viewtopic.php?f=50&t=3913&p=24825&hilit ... %BB#p24825
viewtopic.php?f=31&t=6000&p=49680&hilit ... %BB#p49680
viewtopic.php?f=31&t=6000&p=49680&hilit ... %BB#p49680
Ответ представитель Baxi 1: при таком режиме Ваш котёл скоро накроется
нужно было ставить гидрострелку или хотя бы смесительный узел на тёплый пол
и кто это Вас надоумил чугунный котёл на низкотемпературный режим поставить?
Ответ представитель Baxi 2: В котлах Slim нет низкотемпературного режима - есть ограничение по максимальной температуре в 45 гр. Если посмотреть внимательно, то ничего не говорится о том какая при этом должна быть температура обратки.
При эксплуатации чугунного котла на низких температурах есть высокий риск загнать его в конденсационный режим и в результате получим низкотемпературную коррозию теплообменника с последующим его разрушением.
Поэтому в данном случае нужно поднять температуру на котле, а на тёплый пол установить смесительный узел.
Ответ представитель Baxi 3: Сомнения по поводу термоударов более обоснованы, сам видел треснувшие котлы, но, э-эээ, других марок, Slim не видел (Чесно!)
Решается стрелкой с "опрокинутой" циркуляцией теплых полов, - увеличиваем температуру подачи, сближаем температуры на теплый пол и бойлер...
-
- Новичок
- Сообщения: 12
- Зарегистрирован: 22 янв 2022, 18:21
- Откуда: Москва
- Мой котел: Baxi Slim
- Благодарил (а): 7 раз
Baxi SLIM 1.230 iN + бойлер Baxi PREMIER Plus 150 + теплые полы
viewtopic.php?f=50&t=3913&p=24825&hilit ... %BB#p24825Bahus писал(а): 29 янв 2022, 16:14 2. Тоже глупость. Если хочется, то можно, но зачем? Излишки тепла от приготовления ГВС, а его не так много будет, дойдут до коллектора и там уже рассеются. Ничего запредельного вам в полы не прилетит.
В это же теме есть жалоба как раз на работу котла Slim с бойлером и только теплыми полами (температура на Slim 45)/ После прогрева бойлера на полы попадает 80-90 градусов
Цитирую: При поступлении команды на нагрев бойлера насос котла отключается, включается насос бойлера и происходит разогрев бойлера. Температура котла после окончания нагрева бойлера достигает 80-90 гр. После того как бойлер нагрет, насос бойлера отключается и включается насос котла, при этом в теплый пол уходит вода разогретая до 80-90 гр, а с обратки из теплых плов поступает 25-27 гр. Остывание котла при этом происходит довольно быстро.
Так если стоит на ТП смеситель (он сам по себе регулируется например на 30 градусов, ну или приводом от термостата) + на котле выставлена минималка для контура отопления 50 градусов. То что тогда например будет регулировать Уличный датчиr или QAA73? QAA73 может разве что отключать котел, если получает от отдельного датчика температуры в помещении, что температура помещения в порядке. Встроенного датчика вроде нет в QAA73 (тут поправьте).Bahus писал(а): 29 янв 2022, 16:14 3. Вообще глупость. Даже если у вас ВСЁ отопление теплыми полами/стенами сделано, кто запретит вам использовать комнатный термостат? Это же система отопления у вас, а не комфорт для ног. Вот если вы стрелку вкорячите, тогда да. К котлу вешать ПЗА бессмысленно. Нужно вешать уже на сегменты системы. А стрелку постоянно загруженной по максимуму держать.
Ну и дальше ваши измышления, которые не буду комментировать.
Bahus писал(а): 29 янв 2022, 16:14 Как по мне. Если хотите классно, и здорово, и дорого - врубайте гидравлический разделитель. Ставьте коллектор с группами быстрого монтажа (вы же про бассейн ещё спрашивали вроде. Вот, норм будет). На насосы групп заводите автоматику, для каждого свою. И будет вам счастье.
К сожалению проекта отопления не сделали, т.к. помещение всего 120 кв.м. и ничего сложного не предполагали в этом помещении (окна в пол, клееный брус).
Что стоит:
- Slim без насоса и группы безопасности
- коллектор Grundfos стоит на 2 контура
- 2 насосные группы с насосом Grundfos UPSO 25-65 180 тоже (прямые, без смесителей).
- колл.группа 1"х3/4" 6 вых с расходомерами и термостатическими вентилями
- 2 насоса UPS 25-60 с гайками
- насос COMFORT 15-14 B PM на рециркуляцию
Вот думаю как организовать автоматику.
-
- Новичок
- Сообщения: 12
- Зарегистрирован: 22 янв 2022, 18:21
- Откуда: Москва
- Мой котел: Baxi Slim
- Благодарил (а): 7 раз
Baxi SLIM 1.230 iN + бойлер Baxi PREMIER Plus 150 + теплые полы
Опечатался - термоудар, а не гидроудар. Из-за перехода постоянного ГВС - теплый пол.Starik писал(а): 29 янв 2022, 08:47 Назначение гидрострелки изучи, для начала, а то ведь откровенные глупости пишешь.
Вот тут это обсуждалось:
viewtopic.php?f=31&t=6000&p=49680&hilit ... %BB#p49680
-
- Местный аксакал
- Сообщения: 6899
- Зарегистрирован: 27 ноя 2015, 22:41
- Откуда: Краснодарский край
- Мой котел: BAXI MAIN 5 14f
- Благодарил (а): 71 раз
- Поблагодарили: 766 раз
- Возраст: 59
Baxi SLIM 1.230 iN + бойлер Baxi PREMIER Plus 150 + теплые полы
Так и не захотел изучить для чего гидрострелка?!

Всякие "удары" чепуха, по сравнению с тем, что циркуляционный насос может "лечь", когда все смесительные узлы будут закрыты (почти закрыты). Бояться надо прекращения циркуляции, а не чего-то "мистического". В случае теплые полы + БКН гирдострелка необходима, а если узлами будет регулироваться температура каждого помещения, то - обязательна, имхо. Разбор на полы через коллектора организовать ещё одним насосом (котловой пусть работает на гидрострелку).
-
- Завсегдатай
- Сообщения: 101
- Зарегистрирован: 22 сен 2017, 20:47
- Откуда: Серпухов
- Мой котел: baxi slim 1.300 in
- Благодарил (а): 2 раза
- Поблагодарили: 7 раз
Baxi SLIM 1.230 iN + бойлер Baxi PREMIER Plus 150 + теплые полы
подмешивающий насос, зачем лишний элемент в виде гидрострелки?
-
- Местный аксакал
- Сообщения: 6899
- Зарегистрирован: 27 ноя 2015, 22:41
- Откуда: Краснодарский край
- Мой котел: BAXI MAIN 5 14f
- Благодарил (а): 71 раз
- Поблагодарили: 766 раз
- Возраст: 59
Baxi SLIM 1.230 iN + бойлер Baxi PREMIER Plus 150 + теплые полы


Переделывать всегда сложнее, чем делать сразу (и правильно).
-
- Старожил
- Сообщения: 677
- Зарегистрирован: 31 июл 2019, 17:25
- Откуда: Покров
- Мой котел: BAXI SLIM 1.490 iN
- Благодарил (а): 18 раз
- Поблагодарили: 50 раз
Baxi SLIM 1.230 iN + бойлер Baxi PREMIER Plus 150 + теплые полы
venom_blade, написал, то много, только понимания своей хотелки, полагаю, так и нет. Мой слим 9 лет прекрасно работает, см. ниже.
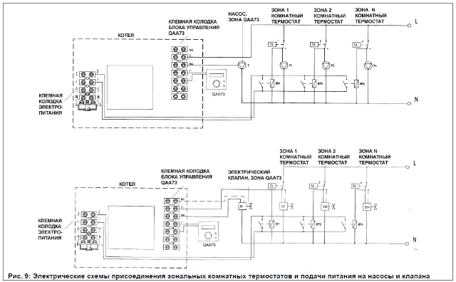
Без 3-4х ходовых клапанов для контура ТП не обойтись по любому. Если изучал вопрос, то должен знать, что слимы работают с зонами (это для автоматизации процесса), а можешь применить и автономный контроллер, он уже с приводом, UMM 10 (STABIL-D) называется. Описывать как это работает не буду, из картинок всё понятно (когда запускал свою систему именно этими картинками и пользовался).
Без 3-4х ходовых клапанов для контура ТП не обойтись по любому. Если изучал вопрос, то должен знать, что слимы работают с зонами (это для автоматизации процесса), а можешь применить и автономный контроллер, он уже с приводом, UMM 10 (STABIL-D) называется. Описывать как это работает не буду, из картинок всё понятно (когда запускал свою систему именно этими картинками и пользовался).
OpenTherm контроллер. Собственная разработка. Описание
-
- Завсегдатай
- Сообщения: 101
- Зарегистрирован: 22 сен 2017, 20:47
- Откуда: Серпухов
- Мой котел: baxi slim 1.300 in
- Благодарил (а): 2 раза
- Поблагодарили: 7 раз
Baxi SLIM 1.230 iN + бойлер Baxi PREMIER Plus 150 + теплые полы
да взять схемы vaillant или dietrich, там делается подмешивающий насос, который защищает от перепада температуры и создает циркуляцию. слим сам как гидрострелкаStarik писал(а): 02 фев 2022, 12:26 Моё дело предложить, а дальше - как знаешь.
Переделывать всегда сложнее, чем делать сразу (и правильно).
-
- Новичок
- Сообщения: 12
- Зарегистрирован: 22 янв 2022, 18:21
- Откуда: Москва
- Мой котел: Baxi Slim
- Благодарил (а): 7 раз
Baxi SLIM 1.230 iN + бойлер Baxi PREMIER Plus 150 + теплые полы
Starik, tsv63,
Спасибо огромное!
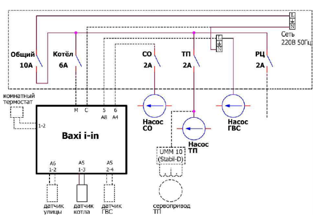
Узнал на первой картинке выдержку из инструкции к Slim.
)
Про гидростелку и котловой контур я идею понял (а также опасения к том, что не будет циркуляции при положении смесителя, близком к закрытию). Нет вопросов, что гидростелка - это хорошо, просто для такой мелкой котельной всегда думал, что слишком....
В моем мире гидрострелка - это когда 2 котла минимум (тогда отдельный котловой контур) или же несколько контуров пра контуров СО + пара контуров ТП + бойлер.
А у нас то - один контур ТП + БКН. Но за разъяснения огромное спасибо. Всегда приятно учится.
Остался вопрос с управлением сервоприводом смесителя/термоголовки на ТП. Напомню, что отопление только один контур ТП. Радиаторов или других контуров отопления нет.
С ручным понятно - выставили на термоголовке или сервоприводе (например 45) и все - они сами ограничивают в зависимости от температуры теплоносителя. Если при этом стоит любой комнатный термостат (пусть Zont - он при достижении температуры нужной в комнате - останавливает котел. Температура падает - котел запускает). Уличный датчик температуры котла/Zont тут какой то эффект дадут?
Т.к. повышение температуры теплоносителя для ТП выгоды особой не даст.
Я там понял, что SM 4-FR у tsv63 - этот как раз из этой серии. Установил на контур полов, выставил температуру и забыл.
Если придумывать автоматическое управление сервоприводом - тогда можно будет регулировать температуру именно контура ТП напрямую. Но никакой другой выгоды я не вижу от этого. Погодозависимая автоматика и тут не будет работать. Да и температурой теплоносителя тут особо не поиграешь.
Кстати - если кому интересно, то Zont Smart 2.0 (у нас как назло Zont Connect) дает возможность релейного управления 4мя насосами + сервопривод термоголовки или трехходового крана.
Спасибо огромное!
Узнал на первой картинке выдержку из инструкции к Slim.

Про гидростелку и котловой контур я идею понял (а также опасения к том, что не будет циркуляции при положении смесителя, близком к закрытию). Нет вопросов, что гидростелка - это хорошо, просто для такой мелкой котельной всегда думал, что слишком....
В моем мире гидрострелка - это когда 2 котла минимум (тогда отдельный котловой контур) или же несколько контуров пра контуров СО + пара контуров ТП + бойлер.
А у нас то - один контур ТП + БКН. Но за разъяснения огромное спасибо. Всегда приятно учится.
Остался вопрос с управлением сервоприводом смесителя/термоголовки на ТП. Напомню, что отопление только один контур ТП. Радиаторов или других контуров отопления нет.
С ручным понятно - выставили на термоголовке или сервоприводе (например 45) и все - они сами ограничивают в зависимости от температуры теплоносителя. Если при этом стоит любой комнатный термостат (пусть Zont - он при достижении температуры нужной в комнате - останавливает котел. Температура падает - котел запускает). Уличный датчик температуры котла/Zont тут какой то эффект дадут?
Т.к. повышение температуры теплоносителя для ТП выгоды особой не даст.
Я там понял, что SM 4-FR у tsv63 - этот как раз из этой серии. Установил на контур полов, выставил температуру и забыл.
Если придумывать автоматическое управление сервоприводом - тогда можно будет регулировать температуру именно контура ТП напрямую. Но никакой другой выгоды я не вижу от этого. Погодозависимая автоматика и тут не будет работать. Да и температурой теплоносителя тут особо не поиграешь.
Кстати - если кому интересно, то Zont Smart 2.0 (у нас как назло Zont Connect) дает возможность релейного управления 4мя насосами + сервопривод термоголовки или трехходового крана.
-
- Завсегдатай
- Сообщения: 101
- Зарегистрирован: 22 сен 2017, 20:47
- Откуда: Серпухов
- Мой котел: baxi slim 1.300 in
- Благодарил (а): 2 раза
- Поблагодарили: 7 раз
Baxi SLIM 1.230 iN + бойлер Baxi PREMIER Plus 150 + теплые полы
venom_blade, по вашей схеме настроить слим на 50-55 градусов, и поставить подмешивающий насос. на ТП сделать смеситель можно и термостатический+термостат который вкл-выкл насос или по температуре пола, можно и сервопровод, но это надо привод и контролер. от зонта в вашей схеме толку не будет, если только Zont Smart 2.0 ставить для привода, там же можно по ПЗА выставить температуру пола. но я бы рекомендовал вам tech-i1 cwu
-
- Похожие темы
- Ответы
- Просмотры
- Последнее сообщение
Кто сейчас на конференции
Сейчас этот форум просматривают: нет зарегистрированных пользователей и 1 гость