Всем добрый день. есть одноконтурный котел Eco Life 1.24F, каково назначение патрубка "D". Этот патрубок на 1/2, а все остальные на 3/4.
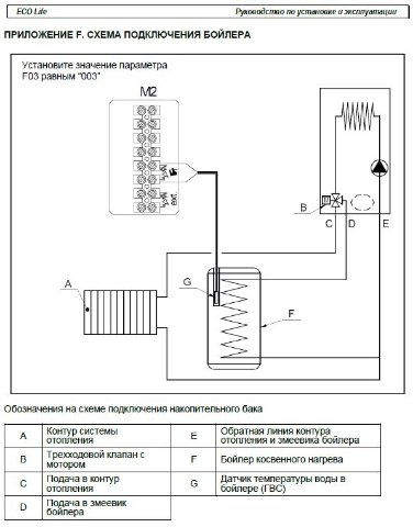
На схеме в инструкции он обозначен как "Подача холодной воды", для чего холодная вода в двухконтурном котле?
Для заправки теплоносителя в систему отопления, подпитки теплоносителем?
Возможно ли к нему подключить обратку бойлера или обратка бойлера подключается строго по схеме в инструкции, через тройник в обратку системы отопления?
И еще вопрос, На сколько метров допустимо удлиннять провод датчика бойлера? На 15 метров допустимо удлиннить?
Baxi ECO Life 1.24F назначение патрубка котла.
-
ksv
- Сообщения: 2
- Зарегистрирован: 18 апр 2024, 21:31
- Откуда: Москва
- Мой котел: ECO Life 1.24F
- Благодарил (а): 2 раза
Baxi ECO Life 1.24F назначение патрубка котла.
У вас нет необходимых прав для просмотра вложений в этом сообщении.
-
Bahus
- Главный администратор

- Сообщения: 13126
- Зарегистрирован: 24 июл 2012, 13:05
- Откуда: Пенза
- Мой котел: Пензенская ТЭЦ-1
- Благодарил (а): 84 раза
- Поблагодарили: 1714 раз
- Возраст: 45
Baxi ECO Life 1.24F назначение патрубка котла.
Верно. Перед котлом ставится запорный кран и с помощью него производится подпитка системы отопления.ksv писал(а): 19 апр 2024, 09:34 Для заправки теплоносителя в систему отопления, подпитки теплоносителем?
Нежелательно. Там сечение очень маленькое, циркуляция по контуру змеевика бойлера будет плохая. Лучше через тройник в обратку (как на схеме).
Попробуйте "на коленке" удлинить и замерьте сопротивление без удлинения и с оным. Если не сильно различаться будет, значит нормально.
В ЛС отвечаю только по работе форума
Илья Бахталин
АСЦ BAXI "Санфорт". г. Пенза
Подключение к Зонту - bahus1980
Илья Бахталин
АСЦ BAXI "Санфорт". г. Пенза
Подключение к Зонту - bahus1980
-
ksv
- Сообщения: 2
- Зарегистрирован: 18 апр 2024, 21:31
- Откуда: Москва
- Мой котел: ECO Life 1.24F
- Благодарил (а): 2 раза
Baxi ECO Life 1.24F назначение патрубка котла.
Спасибо за ответы.
Если уже так подключено, то стоит ли переделывать, вреда от этого котлу не будет? Мощность теплообменника бойлера всего 6000 Вт. И подключен 25мм полипропиленом.Bahus писал(а): 19 апр 2024, 10:01 Нежелательно. Там сечение очень маленькое, циркуляция по контуру змеевика бойлера будет плохая. Лучше через тройник в обратку (как на схеме).
-
Bahus
- Главный администратор

- Сообщения: 13126
- Зарегистрирован: 24 июл 2012, 13:05
- Откуда: Пенза
- Мой котел: Пензенская ТЭЦ-1
- Благодарил (а): 84 раза
- Поблагодарили: 1714 раз
- Возраст: 45
Baxi ECO Life 1.24F назначение патрубка котла.
Я бы переделал.
В ЛС отвечаю только по работе форума
Илья Бахталин
АСЦ BAXI "Санфорт". г. Пенза
Подключение к Зонту - bahus1980
Илья Бахталин
АСЦ BAXI "Санфорт". г. Пенза
Подключение к Зонту - bahus1980
-
Pomaxa
- Сообщения: 2
- Зарегистрирован: 12 июн 2025, 23:00
- Откуда: Калужская обл
- Мой котел: Baxl eco life 1.24f
- Благодарил (а): 1 раз
Baxi ECO Life 1.24F назначение патрубка котла.
Добрый вечер.
Парни, пожалуйста разъясните по подключению этого отвода "D".
Подводить туда простую холодную воду из водопровода? Кран постоянно должен быть открыт, котёл автоматически производит подачу к трёх ходовому клапану?
Можно тупо заглушить этот отвод "D", а подпитку сделать к обратке отопления? Не будет-ли глючить электрика котла?
Помогите пожалуйста. А если схема есть обвязки именно эко лайф 1.24f буду весьма признателен.
Парни, пожалуйста разъясните по подключению этого отвода "D".
Подводить туда простую холодную воду из водопровода? Кран постоянно должен быть открыт, котёл автоматически производит подачу к трёх ходовому клапану?
Можно тупо заглушить этот отвод "D", а подпитку сделать к обратке отопления? Не будет-ли глючить электрика котла?
Помогите пожалуйста. А если схема есть обвязки именно эко лайф 1.24f буду весьма признателен.
-
Bahus
- Главный администратор

- Сообщения: 13126
- Зарегистрирован: 24 июл 2012, 13:05
- Откуда: Пенза
- Мой котел: Пензенская ТЭЦ-1
- Благодарил (а): 84 раза
- Поблагодарили: 1714 раз
- Возраст: 45
Baxi ECO Life 1.24F назначение патрубка котла.
Это просто для подпитки. Кран должен быть постоянно закрыт. Если хотите сделать подпитку в другом месте системы, то этот патрубок можно просто заглушить.
Схема обвязки на одноконтурные Life ровно такая же, как и приведенных скринах.
Трёхход к ХВС отношения не имеет. Переключает направления потока теплоносителя.
Схема обвязки на одноконтурные Life ровно такая же, как и приведенных скринах.
Трёхход к ХВС отношения не имеет. Переключает направления потока теплоносителя.
В ЛС отвечаю только по работе форума
Илья Бахталин
АСЦ BAXI "Санфорт". г. Пенза
Подключение к Зонту - bahus1980
Илья Бахталин
АСЦ BAXI "Санфорт". г. Пенза
Подключение к Зонту - bahus1980
-
Pomaxa
- Сообщения: 2
- Зарегистрирован: 12 июн 2025, 23:00
- Откуда: Калужская обл
- Мой котел: Baxl eco life 1.24f
- Благодарил (а): 1 раз
Baxi ECO Life 1.24F назначение патрубка котла.
Bahus, Спасибо большое дружище. За быстрый ответ и за разъяснения. 