Инструкция к Baxi Slim 1.23 in
-
bva
- Новичок
- Сообщения: 15
- Зарегистрирован: 03 окт 2021, 20:55
- Откуда: Магнитогорск
- Мой котел: Baxi Slim 1.23 in
- Благодарил (а): 6 раз
Инструкция к Baxi Slim 1.23 in
В инструкции на котел Baxi Slim 1.23 in на странице 15 есть эл. схема. Там есть клеммная колодка М3.
На странице 19 рис. 12 есть плата М2. Это то же самая плата что и на стр. 15 (М3) и в инструкции ошибка, или всё таки это другая плата ?
На рис. 12 для платы М2 написано "Сместить перемычку" это значит, что просто убрать чтобы не мешало кабелю или всё таки отсоединить эту перемычку ?
На странице 19 рис. 12 есть плата М2. Это то же самая плата что и на стр. 15 (М3) и в инструкции ошибка, или всё таки это другая плата ?
На рис. 12 для платы М2 написано "Сместить перемычку" это значит, что просто убрать чтобы не мешало кабелю или всё таки отсоединить эту перемычку ?
-
Bahus
- Главный администратор

- Сообщения: 12969
- Зарегистрирован: 24 июл 2012, 13:05
- Откуда: Пенза
- Мой котел: Пензенская ТЭЦ-1
- Благодарил (а): 82 раза
- Поблагодарили: 1683 раза
- Возраст: 45
Инструкция к Baxi Slim 1.23 in
Обведенное вами - одна и та же колодка М2.
В ЛС отвечаю только по работе форума
Илья Бахталин
АСЦ BAXI "Санфорт". г. Пенза
Подключение к Зонту - bahus1980
Илья Бахталин
АСЦ BAXI "Санфорт". г. Пенза
Подключение к Зонту - bahus1980
-
bva
- Новичок
- Сообщения: 15
- Зарегистрирован: 03 окт 2021, 20:55
- Откуда: Магнитогорск
- Мой котел: Baxi Slim 1.23 in
- Благодарил (а): 6 раз
Инструкция к Baxi Slim 1.23 in
Спасибо, а сместить перемычку что значит ?
И еще можете подсказать: есть датчик температуры бойлера в комплекте с платой 71408741. Можно ли датчик и насос подключить минуя эту плату (обвел красным) на котел или обязательно нужно подключать сначала на клеммы платы (которая идет в комплекте с датчиком) а уже потом на котел (есть подозрение что это просто клеммная коробка) ?
И еще можете подсказать: есть датчик температуры бойлера в комплекте с платой 71408741. Можно ли датчик и насос подключить минуя эту плату (обвел красным) на котел или обязательно нужно подключать сначала на клеммы платы (которая идет в комплекте с датчиком) а уже потом на котел (есть подозрение что это просто клеммная коробка) ?
-
Bahus
- Главный администратор

- Сообщения: 12969
- Зарегистрирован: 24 июл 2012, 13:05
- Откуда: Пенза
- Мой котел: Пензенская ТЭЦ-1
- Благодарил (а): 82 раза
- Поблагодарили: 1683 раза
- Возраст: 45
Инструкция к Baxi Slim 1.23 in
Перемычка на колодке вставлена обоими концами в пятое положение клеммы. То есть её по факту нет. Нужно одним концом замкнуть в шестое положение, а второй оставить в пятом. Тем самым на плате активируется режим ГВС.
По поводу второго вопроса - да, ето просто клеммник большущий. Пять зашло - пять вышло. Просто для удобства.
По поводу второго вопроса - да, ето просто клеммник большущий. Пять зашло - пять вышло. Просто для удобства.
В ЛС отвечаю только по работе форума
Илья Бахталин
АСЦ BAXI "Санфорт". г. Пенза
Подключение к Зонту - bahus1980
Илья Бахталин
АСЦ BAXI "Санфорт". г. Пенза
Подключение к Зонту - bahus1980
-
bva
- Новичок
- Сообщения: 15
- Зарегистрирован: 03 окт 2021, 20:55
- Откуда: Магнитогорск
- Мой котел: Baxi Slim 1.23 in
- Благодарил (а): 6 раз
Инструкция к Baxi Slim 1.23 in
Есть котел Baxi 1.23 in, дом 170кв. м, контуры радиаторов, контуры теплых полов, бойлер с датчиком температуры (пока не запущен).
Сейчас пока запущено только отопление: радиаторы и теплые полы.
Котел 3 минуты работает, 3 простаивает. Насос контура отопления (который установлен на обратке), насос теплых полов, насос контуров радиаторов постоянно работают (подключены каждый на свой автомат).
Приобретен датчик уличной температуры KHG71406211, приобретен термостат Teplocom TS-2AA/8A. Подскажите правильно ли я подключаю датчики и насосы (хочу настроить систему отопления чтобы котел не включался так часто) :
1) Нормально открытый контакт термостата Teplocom TS-2AA/8A подключаю на клеммы 1 и 2 колодки электропитания ?
Есть ли на клеммах 1 и 2 потенциал и какой если есть ?
2) Кабель от котла до датчиков температуры и термостата должен быть экранированным ? Есть ли куда подключить экран ? Можно ли для уличного датчика температуры использовать кабель больше 20м ?
3) Как будет работать котел в случае когда подключен и термостат и датчик температуры (не нашел документации алгоритма работы котла в этом случае) ?
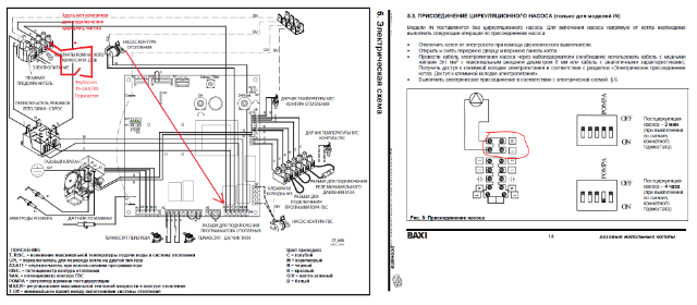
4) Правильно ли я понимаю что к котлу можно подключить и насос контура отопления (который установлен на обратке) и насос ГВС ? Если да, то на схеме (на рис. 8 стр 14) есть контакты L, N для подключения насоса, а на эл. схеме на стр. 15 контактов L, N уже нет и насос уже подключается к колодке А4. Так куда должен быть подключен циркуляционный насос ? Какой режим работы будет у него: он будет отключаться вместе с котлом ?
Сейчас пока запущено только отопление: радиаторы и теплые полы.
Котел 3 минуты работает, 3 простаивает. Насос контура отопления (который установлен на обратке), насос теплых полов, насос контуров радиаторов постоянно работают (подключены каждый на свой автомат).
Приобретен датчик уличной температуры KHG71406211, приобретен термостат Teplocom TS-2AA/8A. Подскажите правильно ли я подключаю датчики и насосы (хочу настроить систему отопления чтобы котел не включался так часто) :
1) Нормально открытый контакт термостата Teplocom TS-2AA/8A подключаю на клеммы 1 и 2 колодки электропитания ?
Есть ли на клеммах 1 и 2 потенциал и какой если есть ?
2) Кабель от котла до датчиков температуры и термостата должен быть экранированным ? Есть ли куда подключить экран ? Можно ли для уличного датчика температуры использовать кабель больше 20м ?
3) Как будет работать котел в случае когда подключен и термостат и датчик температуры (не нашел документации алгоритма работы котла в этом случае) ?
4) Правильно ли я понимаю что к котлу можно подключить и насос контура отопления (который установлен на обратке) и насос ГВС ? Если да, то на схеме (на рис. 8 стр 14) есть контакты L, N для подключения насоса, а на эл. схеме на стр. 15 контактов L, N уже нет и насос уже подключается к колодке А4. Так куда должен быть подключен циркуляционный насос ? Какой режим работы будет у него: он будет отключаться вместе с котлом ?
-
Starik
- Местный аксакал
- Сообщения: 7432
- Зарегистрирован: 27 ноя 2015, 22:41
- Откуда: Краснодарский край
- Мой котел: BAXI MAIN 5 14f
- Благодарил (а): 73 раза
- Поблагодарили: 819 раз
- Возраст: 59
Инструкция к Baxi Slim 1.23 in
Котел продолжит включаться, согласно вшитому в "мозги" алгоритму, это не изменить датчиками и термостатами.
Термостат полностью отключит котел после достижения заданной температуры в помещении (в котором расположен термостат).
-
bva
- Новичок
- Сообщения: 15
- Зарегистрирован: 03 окт 2021, 20:55
- Откуда: Магнитогорск
- Мой котел: Baxi Slim 1.23 in
- Благодарил (а): 6 раз
Инструкция к Baxi Slim 1.23 in
Это понятно, вопрос как часто.
И по остальным вопросам пока не понятно.
И по остальным вопросам пока не понятно.
-
Starik
- Местный аксакал
- Сообщения: 7432
- Зарегистрирован: 27 ноя 2015, 22:41
- Откуда: Краснодарский край
- Мой котел: BAXI MAIN 5 14f
- Благодарил (а): 73 раза
- Поблагодарили: 819 раз
- Возраст: 59
Инструкция к Baxi Slim 1.23 in
Ответ в инструкции есть, прояви самостоятельность, найди что там сказано.
-
Bahus
- Главный администратор

- Сообщения: 12969
- Зарегистрирован: 24 июл 2012, 13:05
- Откуда: Пенза
- Мой котел: Пензенская ТЭЦ-1
- Благодарил (а): 82 раза
- Поблагодарили: 1683 раза
- Возраст: 45
Инструкция к Baxi Slim 1.23 in
1. НО или НЗ - всё время путаюсь. Не подключая к котлу запустите термостат. При комнатной температуре выкрутите уставку на максимум (30 градусов у него вроде). Какой из контактов будет в этот момент замкнут с общим - тот и нужен.
На клеммах котла где перемычка термостата - 220VAC.
2. Экранировать не нужно. Максимальные длины кабелей есть в таблице в семинарской тетради.
3. При подключенном ДУТ ручкой температуры теплоносителя котла вы будете выбирать не собственно температуру, а задавать некую кривую датчика. Диаграмма есть в инструкции. Только там указаны 10 кривых. На самом деле их около сотни. Остальные промежуточные. В общем придется маленько поиграться пока не найдёте оптимальную кривую для своего региона. Ну а термостат будет просто включать-выключать котел по заданной на нём температуре в помещении.
4. Насос(ы) безусловно подключить нужно, поскольку у вас завязана бочка ГВС.
Насос отопления. Если не ошибаюсь в инструкции не очень корректно отрисованы схемы. Если не ошибаюсь, с колодки А4 до колодки М1 для насоса прокинута проводка, поскольку коннектор А4 довольно специфический, а на винтовой клеммник завести кабель только отвертка нужна. В общем это вживую по факту нужно смотреть.
С насосом ГВС та же песня. Колодка А8 пятиштырёвая и найти её коннектор - надо постараться. Для этого у Baxi есть спецкомплект подключения бойлера к котлу. Там датчик бойлера и шестиполюсная колодка, куда подключаются датчик и насос (обычная винтовая тоже). А вот на выходе из колодки идёт кабель с коннекторами, которые уже на плату заводятся.
Логика работы насосов простая:
1. Без подключенного термостата насос отопления работает постоянно (кроме времени, когда идёт нагрев ГВС). С подключенным комнатным термостатом котел выключает насос после потухания горелки, с выбегом, установленным дипом с рисунка выше. И включает за несколько секунд до розжига горелки.
2. Насос ГВС включается по сигналу датчика температуры бойлера. Котёл видит, что нужно греть бочку, выключает насос отопления, включает насос ГВС. После нагрева бочки насос ГВС останавливается. Насос отопления работает по алгоритму из пункта 1 (или включается или нет, по ситуации).
На клеммах котла где перемычка термостата - 220VAC.
2. Экранировать не нужно. Максимальные длины кабелей есть в таблице в семинарской тетради.
3. При подключенном ДУТ ручкой температуры теплоносителя котла вы будете выбирать не собственно температуру, а задавать некую кривую датчика. Диаграмма есть в инструкции. Только там указаны 10 кривых. На самом деле их около сотни. Остальные промежуточные. В общем придется маленько поиграться пока не найдёте оптимальную кривую для своего региона. Ну а термостат будет просто включать-выключать котел по заданной на нём температуре в помещении.
4. Насос(ы) безусловно подключить нужно, поскольку у вас завязана бочка ГВС.
Насос отопления. Если не ошибаюсь в инструкции не очень корректно отрисованы схемы. Если не ошибаюсь, с колодки А4 до колодки М1 для насоса прокинута проводка, поскольку коннектор А4 довольно специфический, а на винтовой клеммник завести кабель только отвертка нужна. В общем это вживую по факту нужно смотреть.
С насосом ГВС та же песня. Колодка А8 пятиштырёвая и найти её коннектор - надо постараться. Для этого у Baxi есть спецкомплект подключения бойлера к котлу. Там датчик бойлера и шестиполюсная колодка, куда подключаются датчик и насос (обычная винтовая тоже). А вот на выходе из колодки идёт кабель с коннекторами, которые уже на плату заводятся.
Логика работы насосов простая:
1. Без подключенного термостата насос отопления работает постоянно (кроме времени, когда идёт нагрев ГВС). С подключенным комнатным термостатом котел выключает насос после потухания горелки, с выбегом, установленным дипом с рисунка выше. И включает за несколько секунд до розжига горелки.
2. Насос ГВС включается по сигналу датчика температуры бойлера. Котёл видит, что нужно греть бочку, выключает насос отопления, включает насос ГВС. После нагрева бочки насос ГВС останавливается. Насос отопления работает по алгоритму из пункта 1 (или включается или нет, по ситуации).
В ЛС отвечаю только по работе форума
Илья Бахталин
АСЦ BAXI "Санфорт". г. Пенза
Подключение к Зонту - bahus1980
Илья Бахталин
АСЦ BAXI "Санфорт". г. Пенза
Подключение к Зонту - bahus1980
-
bva
- Новичок
- Сообщения: 15
- Зарегистрирован: 03 окт 2021, 20:55
- Откуда: Магнитогорск
- Мой котел: Baxi Slim 1.23 in
- Благодарил (а): 6 раз
Инструкция к Baxi Slim 1.23 in
Bahus, большое спасибо, всё подключил, пока наблюдаю.
Есть еще пару вопросов:
1) У меня бойлер Baxi UBT DC200 и датчик 71408741. Гильза для установки датчика в бойлере очень большая, датчик в ней болтается. Так и должно быть или как-то нормально должно крепиться ?
2) У котла есть протокол OpenTherm ? Если да, то где клеммы для подключения ? Или нужна интерфейсная плата с ОТ ? Есть такой Шлюз Opentherm-Modbus BCG-3.0.1-W, хочу через него считывать информацию с котла.
3) Еще заметил промаргивает индикатор с 60 градусами. Нашел что это ошибка пресостата но она относится к котлу Slim 1,62 in.
Есть еще пару вопросов:
1) У меня бойлер Baxi UBT DC200 и датчик 71408741. Гильза для установки датчика в бойлере очень большая, датчик в ней болтается. Так и должно быть или как-то нормально должно крепиться ?
2) У котла есть протокол OpenTherm ? Если да, то где клеммы для подключения ? Или нужна интерфейсная плата с ОТ ? Есть такой Шлюз Opentherm-Modbus BCG-3.0.1-W, хочу через него считывать информацию с котла.
3) Еще заметил промаргивает индикатор с 60 градусами. Нашел что это ошибка пресостата но она относится к котлу Slim 1,62 in.
-
Bahus
- Главный администратор

- Сообщения: 12969
- Зарегистрирован: 24 июл 2012, 13:05
- Откуда: Пенза
- Мой котел: Пензенская ТЭЦ-1
- Благодарил (а): 82 раза
- Поблагодарили: 1683 раза
- Возраст: 45
Инструкция к Baxi Slim 1.23 in
1. Гильзы у всех производителей разные. Хочется зафиксировать - ну зафиксируйте. Да хоть изолентой на кабеле намотать на выходе из гильзы.
Главное, чтобы датчик был вставлен до конца на всю глубину. И не врал котлу о фактической температуре.
2. Для подключения устройств с opentherm к котлу Слим понадобится интерфейсная плата для QAA73 (арт. KHG71407251-)
3. По этому поводу сказать ничего не могу. Ошибки у вас этой действительно не должно быть. Есть только мысль, что может быть котел добирает пограничную температуру 59-60 и там скачет, поэтому 60 и подмигивает. Остальные диоды-то в это время чего делают?
Главное, чтобы датчик был вставлен до конца на всю глубину. И не врал котлу о фактической температуре.
2. Для подключения устройств с opentherm к котлу Слим понадобится интерфейсная плата для QAA73 (арт. KHG71407251-)
3. По этому поводу сказать ничего не могу. Ошибки у вас этой действительно не должно быть. Есть только мысль, что может быть котел добирает пограничную температуру 59-60 и там скачет, поэтому 60 и подмигивает. Остальные диоды-то в это время чего делают?
В ЛС отвечаю только по работе форума
Илья Бахталин
АСЦ BAXI "Санфорт". г. Пенза
Подключение к Зонту - bahus1980
Илья Бахталин
АСЦ BAXI "Санфорт". г. Пенза
Подключение к Зонту - bahus1980
-
tsv63
- Старожил
- Сообщения: 677
- Зарегистрирован: 31 июл 2019, 17:25
- Откуда: Покров
- Мой котел: BAXI SLIM 1.490 iN
- Благодарил (а): 18 раз
- Поблагодарили: 50 раз
Инструкция к Baxi Slim 1.23 in
Он подключается к KHG71407251, через него можно не только считывать, но и управлять.bva писал(а): 17 ноя 2021, 20:08 Есть такой Шлюз Opentherm-Modbus BCG-3.0.1-W, хочу через него считывать информацию с котла.
OpenTherm контроллер. Собственная разработка. Описание
-
bva
- Новичок
- Сообщения: 15
- Зарегистрирован: 03 окт 2021, 20:55
- Откуда: Магнитогорск
- Мой котел: Baxi Slim 1.23 in
- Благодарил (а): 6 раз
Инструкция к Baxi Slim 1.23 in
Bahus, промаргивание заметил после подключения датчика температуры бойлера и насоса ГВС к котлу, потому что после включения ничего не происходило (выставил сначала как оказалось маленькую температуру ГВС, т.к. на регуляторе нет градации градусов) и я сидел и ждал/думал что могло пойти не так. И заметил что промаргивает индикатор 60 (остальные не мигают), полез искать что за ошибка, нашел, но к моему котлу это вроде как отношения не имеет. Выкрутил регулятор температуры ГВС на половину и всё заработало. Но промаргивания остались.
tsv63, да, я видел, спасибо.
tsv63, да, я видел, спасибо.
-
Bahus
- Главный администратор

- Сообщения: 12969
- Зарегистрирован: 24 июл 2012, 13:05
- Откуда: Пенза
- Мой котел: Пензенская ТЭЦ-1
- Благодарил (а): 82 раза
- Поблагодарили: 1683 раза
- Возраст: 45
Инструкция к Baxi Slim 1.23 in
Смотрите, контактов дребезг чувствую я.bva писал(а): 18 ноя 2021, 20:11 промаргивание заметил после подключения датчика температуры бойлера и насоса ГВС к котлу
На клеммной колодке М2 контакты 1-2 датчик температуры бойлера, 5-6 перемычка включения режима ГВС. А вот реле минимального давления газа к 62-му котлу подключается на контакты 3-4. Там у вас перемычка должна стоять.
Вот там что-то тронули и оно дребезжит. Протяните все контакты на колодке с обоих сторон. Должно уйти.
Отправлено спустя 2 минуты 4 секунды:
В целом идея такая - петля вместо датчика должна быть постоянно замкнута. От колодки платы, до клеммника, перемычка и назад от клеммника до колодки платы.
В ЛС отвечаю только по работе форума
Илья Бахталин
АСЦ BAXI "Санфорт". г. Пенза
Подключение к Зонту - bahus1980
Илья Бахталин
АСЦ BAXI "Санфорт". г. Пенза
Подключение к Зонту - bahus1980
-
bva
- Новичок
- Сообщения: 15
- Зарегистрирован: 03 окт 2021, 20:55
- Откуда: Магнитогорск
- Мой котел: Baxi Slim 1.23 in
- Благодарил (а): 6 раз
Инструкция к Baxi Slim 1.23 in
Bahus,
нужна только плата KHG71407251 или еще и сам QAA73 ?Bahus писал(а): 18 ноя 2021, 12:01 2. Для подключения устройств с opentherm к котлу Слим понадобится интерфейсная плата для QAA73 (арт. KHG71407251-)
-
Bahus
- Главный администратор

- Сообщения: 12969
- Зарегистрирован: 24 июл 2012, 13:05
- Откуда: Пенза
- Мой котел: Пензенская ТЭЦ-1
- Благодарил (а): 82 раза
- Поблагодарили: 1683 раза
- Возраст: 45
Инструкция к Baxi Slim 1.23 in
Интерфейсная плата даёт возможность котловой плате работу по Opentherm. Какое управляющее устройство вы к ней подключите - выбирать вам. Главное, чтобы оно работало по тому же протоколу.
В ЛС отвечаю только по работе форума
Илья Бахталин
АСЦ BAXI "Санфорт". г. Пенза
Подключение к Зонту - bahus1980
Илья Бахталин
АСЦ BAXI "Санфорт". г. Пенза
Подключение к Зонту - bahus1980
-
bva
- Новичок
- Сообщения: 15
- Зарегистрирован: 03 окт 2021, 20:55
- Откуда: Магнитогорск
- Мой котел: Baxi Slim 1.23 in
- Благодарил (а): 6 раз
Инструкция к Baxi Slim 1.23 in
Только сейчас появилась возможность подключить насосы отопления напрямую к котлу, но есть не понятные моменты (приложил функциональную схему ГВС и отопления):Bahus писал(а): 12 ноя 2021, 10:36 4. Насос(ы) безусловно подключить нужно, поскольку у вас завязана бочка ГВС.
Насос отопления. Если не ошибаюсь в инструкции не очень корректно отрисованы схемы. Если не ошибаюсь, с колодки А4 до колодки М1 для насоса прокинута проводка, поскольку коннектор А4 довольно специфический, а на винтовой клеммник завести кабель только отвертка нужна. В общем это вживую по факту нужно смотреть.
С насосом ГВС та же песня. Колодка А8 пятиштырёвая и найти её коннектор - надо постараться. Для этого у Baxi есть спецкомплект подключения бойлера к котлу. Там датчик бойлера и шестиполюсная колодка, куда подключаются датчик и насос (обычная винтовая тоже). А вот на выходе из колодки идёт кабель с коннекторами, которые уже на плату заводятся.
1. Видел где-то (сейчас не могу найти), что к котлу можно подключать насосы не больше какой-то определенной мощности. Какой именно или где можно найти эту информацию ?
2. К котлу нужно подключить насосы отопления теплого пола и радиаторов (Alpha2) или насос, который стоит в обратке UPS 32-60, или вообще все три насоса ? Просто при переключении котла на ГВС котел останавливает насос отопления, но ведь общая циркуляция должна работать. Я хотел подключить к котлу насосы теплого пола и радиаторов (нужно использовать промежуточный контактор ?), чтобы они останавливались при ГВС, а UPS 32-60 продолжал работать, но сейчас засомневался....
-
Starik
- Местный аксакал
- Сообщения: 7432
- Зарегистрирован: 27 ноя 2015, 22:41
- Откуда: Краснодарский край
- Мой котел: BAXI MAIN 5 14f
- Благодарил (а): 73 раза
- Поблагодарили: 819 раз
- Возраст: 59
Инструкция к Baxi Slim 1.23 in
К котлу надо подключить насос, который нагружает гидрострелку и насос ГВС (на свою колодку каждый). Остальные насосы - просто в розетку, имхо.
-
bva
- Новичок
- Сообщения: 15
- Зарегистрирован: 03 окт 2021, 20:55
- Откуда: Магнитогорск
- Мой котел: Baxi Slim 1.23 in
- Благодарил (а): 6 раз
Инструкция к Baxi Slim 1.23 in
Starik,
ГВС подключен. Т.е. нужно подключить к котлу UPS 32-60 ? Тогда при работе котла на ГВС теплоноситель также будет поступать и в теплый пол, и в радиаторы. Или нет ?
ГВС подключен. Т.е. нужно подключить к котлу UPS 32-60 ? Тогда при работе котла на ГВС теплоноситель также будет поступать и в теплый пол, и в радиаторы. Или нет ?
-
Starik
- Местный аксакал
- Сообщения: 7432
- Зарегистрирован: 27 ноя 2015, 22:41
- Откуда: Краснодарский край
- Мой котел: BAXI MAIN 5 14f
- Благодарил (а): 73 раза
- Поблагодарили: 819 раз
- Возраст: 59
Инструкция к Baxi Slim 1.23 in
Только сейчас досмотрел, что бойлер подключен не правильно, либо ты на схеме что-то пропустил.
Вот из инструкции, изучай, сравнивай, понимай.
-
bva
- Новичок
- Сообщения: 15
- Зарегистрирован: 03 окт 2021, 20:55
- Откуда: Магнитогорск
- Мой котел: Baxi Slim 1.23 in
- Благодарил (а): 6 раз
Инструкция к Baxi Slim 1.23 in
Да, подключен не по инструкции, доверился "профессионалам", но уже нет возможности переделать. В моем случае какие насосы нужно к котлу подключить ?
-
Starik
- Местный аксакал
- Сообщения: 7432
- Зарегистрирован: 27 ноя 2015, 22:41
- Откуда: Краснодарский край
- Мой котел: BAXI MAIN 5 14f
- Благодарил (а): 73 раза
- Поблагодарили: 819 раз
- Возраст: 59
Инструкция к Baxi Slim 1.23 in
Однако, если делать "кроилово", то подключать пару перед коллекторами (подключать через контактор), но это, по традиции, приведет к "попадалову", имхо, особенно если контактор не устанавливать.
-
bva
- Новичок
- Сообщения: 15
- Зарегистрирован: 03 окт 2021, 20:55
- Откуда: Магнитогорск
- Мой котел: Baxi Slim 1.23 in
- Благодарил (а): 6 раз
Инструкция к Baxi Slim 1.23 in
В чем возможно будет попадалово ? Мощность насосов альфа 2 - 20Вт каждый.
-
Starik
- Местный аксакал
- Сообщения: 7432
- Зарегистрирован: 27 ноя 2015, 22:41
- Откуда: Краснодарский край
- Мой котел: BAXI MAIN 5 14f
- Благодарил (а): 73 раза
- Поблагодарили: 819 раз
- Возраст: 59
Инструкция к Baxi Slim 1.23 in
Делай как считаешь нужным, это был мой "рецепт".
Только учти, что насос отопления (тот что нагружает гидрострелку) должен быть включен постоянно (если не перепаивать трубку), т.е. его нельзя отключать ни при каком режиме (придется просто воткнуть в розетку и пусть работает круглый год).
Только учти, что насос отопления (тот что нагружает гидрострелку) должен быть включен постоянно (если не перепаивать трубку), т.е. его нельзя отключать ни при каком режиме (придется просто воткнуть в розетку и пусть работает круглый год).
-
Bahus
- Главный администратор

- Сообщения: 12969
- Зарегистрирован: 24 июл 2012, 13:05
- Откуда: Пенза
- Мой котел: Пензенская ТЭЦ-1
- Благодарил (а): 82 раза
- Поблагодарили: 1683 раза
- Возраст: 45
Инструкция к Baxi Slim 1.23 in
Опять бочка после стрелки стоит......
В идеале переделывать. Ну а если колхоз - зональные насосы на место котлового. Желательно через контактор. Насос ГВС на место ГВС. Насос стрелки в розетку. Так будет неоправданный расход ресурсов. Но хоть стрелка не круглый год огненная будет.
В идеале переделывать. Ну а если колхоз - зональные насосы на место котлового. Желательно через контактор. Насос ГВС на место ГВС. Насос стрелки в розетку. Так будет неоправданный расход ресурсов. Но хоть стрелка не круглый год огненная будет.
В ЛС отвечаю только по работе форума
Илья Бахталин
АСЦ BAXI "Санфорт". г. Пенза
Подключение к Зонту - bahus1980
Илья Бахталин
АСЦ BAXI "Санфорт". г. Пенза
Подключение к Зонту - bahus1980
-
bva
- Новичок
- Сообщения: 15
- Зарегистрирован: 03 окт 2021, 20:55
- Откуда: Магнитогорск
- Мой котел: Baxi Slim 1.23 in
- Благодарил (а): 6 раз
-
Starik
- Местный аксакал
- Сообщения: 7432
- Зарегистрирован: 27 ноя 2015, 22:41
- Откуда: Краснодарский край
- Мой котел: BAXI MAIN 5 14f
- Благодарил (а): 73 раза
- Поблагодарили: 819 раз
- Возраст: 59
Инструкция к Baxi Slim 1.23 in
Думаю - да.
Котловой (тот что до стрелки) и бойлерный насосы подключить к котлу (как и должно быть), а остальные можно оставить постоянно включенными на зиму (руками вкл/выкл делать по сезону).
Единственное, стрелка может обраткой греться (летом), при приготовлении ГВС (нагреве бойлера), зависит от конструкции (гидрострелки), конечно. Не однозначно по схеме подключение обратки, там больше чем одна обратка и подача на гидрострелке ("хитрая" конструкция)?
Если нагрев не будет напрягать, то и пусть, ничего страшного, наверное.
Котловой (тот что до стрелки) и бойлерный насосы подключить к котлу (как и должно быть), а остальные можно оставить постоянно включенными на зиму (руками вкл/выкл делать по сезону).
Единственное, стрелка может обраткой греться (летом), при приготовлении ГВС (нагреве бойлера), зависит от конструкции (гидрострелки), конечно. Не однозначно по схеме подключение обратки, там больше чем одна обратка и подача на гидрострелке ("хитрая" конструкция)?
Если нагрев не будет напрягать, то и пусть, ничего страшного, наверное.
-
Bahus
- Главный администратор

- Сообщения: 12969
- Зарегистрирован: 24 июл 2012, 13:05
- Откуда: Пенза
- Мой котел: Пензенская ТЭЦ-1
- Благодарил (а): 82 раза
- Поблагодарили: 1683 раза
- Возраст: 45
Инструкция к Baxi Slim 1.23 in
Если подачу змеевика переделывать - почему не переделать и обратку?
В ЛС отвечаю только по работе форума
Илья Бахталин
АСЦ BAXI "Санфорт". г. Пенза
Подключение к Зонту - bahus1980
Илья Бахталин
АСЦ BAXI "Санфорт". г. Пенза
Подключение к Зонту - bahus1980
-
bva
- Новичок
- Сообщения: 15
- Зарегистрирован: 03 окт 2021, 20:55
- Откуда: Магнитогорск
- Мой котел: Baxi Slim 1.23 in
- Благодарил (а): 6 раз
Инструкция к Baxi Slim 1.23 in
Bahus,
Обратку от бойлера нужно переврезать после насоса UPS32-60 ? Или до него ?
Обратку от бойлера нужно переврезать после насоса UPS32-60 ? Или до него ?
-
- Похожие темы
- Ответы
- Просмотры
- Последнее сообщение
-
- 7 Ответы
- 10296 Просмотры
-
Последнее сообщение Bahus
-
- 9 Ответы
- 10801 Просмотры
-
Последнее сообщение Андрей П_
-
- 2 Ответы
- 401 Просмотры
-
Последнее сообщение dregvodaster
-
- 14 Ответы
- 1394 Просмотры
-
Последнее сообщение Bahus
-
- 10 Ответы
- 1076 Просмотры
-
Последнее сообщение dos140673
Кто сейчас на конференции
Сейчас этот форум просматривают: нет зарегистрированных пользователей и 23 гостя