Помощь в подключении Baxi F310 двухконтурного к бойлеру косвенного нагрева через ГВС.
-
aicidcrach
- Новичок
- Сообщения: 9
- Зарегистрирован: 16 ноя 2015, 19:44
Помощь в подключении Baxi F310 двухконтурного к бойлеру косвенного нагрева через ГВС.
Помощь в подключении Baxi F310 двухконтурного к бойлеру косвенного нагрева через ГВС.
Проблема следующая имею котел Baxi luna F310 двухконтурный со встроенным трехходовым датчиком и датчиком температуры ГВС NTC. Имееться бойлер косвенного нагрева необходимо подключить и настроить работу через ГВС. По гидравлики все понятно расключил по схеме контур ГВС пустил через змеевик бойлера а выход в обратку отопления. А вот по электрики нет купил датчик дополнительный для бойлера Baxi (NTC). За место встроенного датчика подключил внешний и опустил в колбу бойлера изменил параметр F03=05. Запустил котел на дисплее показывает что открыт кран ГВС но не чего не происходит не нагрев не переключение на отопление. Так же в этом котле стоит датчик приоритета ГВС необходимо ли его перемкнуть на плате котла или я что то делаю не так?
Проблема следующая имею котел Baxi luna F310 двухконтурный со встроенным трехходовым датчиком и датчиком температуры ГВС NTC. Имееться бойлер косвенного нагрева необходимо подключить и настроить работу через ГВС. По гидравлики все понятно расключил по схеме контур ГВС пустил через змеевик бойлера а выход в обратку отопления. А вот по электрики нет купил датчик дополнительный для бойлера Baxi (NTC). За место встроенного датчика подключил внешний и опустил в колбу бойлера изменил параметр F03=05. Запустил котел на дисплее показывает что открыт кран ГВС но не чего не происходит не нагрев не переключение на отопление. Так же в этом котле стоит датчик приоритета ГВС необходимо ли его перемкнуть на плате котла или я что то делаю не так?
-
BAXI - Volga
- Представитель BAXI

- Сообщения: 2338
- Зарегистрирован: 21 фев 2014, 00:20
- Откуда: Нижний Новгород
- Благодарил (а): 40 раз
- Поблагодарили: 211 раз
Помощь в подключении Baxi F310 двухконтурного к бойлеру косвенного нагрева через ГВС.
похоже Вы делаете всё совсем не так..
схемку или фото выложите - посмотрим
схемку или фото выложите - посмотрим
Андрей.
Технический специалист BAXI.
Нижний Новгород.
Технический специалист BAXI.
Нижний Новгород.
-
aicidcrach
- Новичок
- Сообщения: 9
- Зарегистрирован: 16 ноя 2015, 19:44
Помощь в подключении Baxi F310 двухконтурного к бойлеру косвенного нагрева через ГВС.
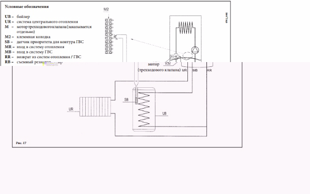
Вот схема подключения все то же самое как в инструкции
-
BAXI - Volga
- Представитель BAXI

- Сообщения: 2338
- Зарегистрирован: 21 фев 2014, 00:20
- Откуда: Нижний Новгород
- Благодарил (а): 40 раз
- Поблагодарили: 211 раз
Помощь в подключении Baxi F310 двухконтурного к бойлеру косвенного нагрева через ГВС.
схема для одноконтурного котла Luna-3, а у Вас двухконтурный !
в этом случае нужен внешний 3-х ходовой клапан с приводом
в этом случае нужен внешний 3-х ходовой клапан с приводом
Андрей.
Технический специалист BAXI.
Нижний Новгород.
Технический специалист BAXI.
Нижний Новгород.
-
Bahus
- Главный администратор

- Сообщения: 12969
- Зарегистрирован: 24 июл 2012, 13:05
- Откуда: Пенза
- Мой котел: Пензенская ТЭЦ-1
- Благодарил (а): 82 раза
- Поблагодарили: 1683 раза
- Возраст: 45
Помощь в подключении Baxi F310 двухконтурного к бойлеру косвенного нагрева через ГВС.
Отличная схема. Правильная.
Для начала скажите у вас котел (Я так понимаю вариация Луны-3), он одноконтурный (1.310Fi) или двухконтурный (310Fi). Отсюда разное решение. Точная маркировка должна быть на гарантийке (наклеена, а не написана). А так же под фасадной крышкой котла (на крышке камеры сгорания).
Для начала скажите у вас котел (Я так понимаю вариация Луны-3), он одноконтурный (1.310Fi) или двухконтурный (310Fi). Отсюда разное решение. Точная маркировка должна быть на гарантийке (наклеена, а не написана). А так же под фасадной крышкой котла (на крышке камеры сгорания).
В ЛС отвечаю только по работе форума
Илья Бахталин
АСЦ BAXI "Санфорт". г. Пенза
Подключение к Зонту - bahus1980
Илья Бахталин
АСЦ BAXI "Санфорт". г. Пенза
Подключение к Зонту - bahus1980
-
aicidcrach
- Новичок
- Сообщения: 9
- Зарегистрирован: 16 ноя 2015, 19:44
Помощь в подключении Baxi F310 двухконтурного к бойлеру косвенного нагрева через ГВС.
Котел двухконтурный baxi luna 3 comfort 310Fi с выносной панелью управления.
-
BAXI - Volga
- Представитель BAXI

- Сообщения: 2338
- Зарегистрирован: 21 фев 2014, 00:20
- Откуда: Нижний Новгород
- Благодарил (а): 40 раз
- Поблагодарили: 211 раз
Помощь в подключении Baxi F310 двухконтурного к бойлеру косвенного нагрева через ГВС.
зачем 2-х контурный брали?BAXI - Volga писал(а): схема для одноконтурного котла Luna-3, а у Вас двухконтурный !![]()
в этом случае нужен внешний 3-х ходовой клапан с приводом
Андрей.
Технический специалист BAXI.
Нижний Новгород.
Технический специалист BAXI.
Нижний Новгород.
-
aicidcrach
- Новичок
- Сообщения: 9
- Зарегистрирован: 16 ноя 2015, 19:44
Помощь в подключении Baxi F310 двухконтурного к бойлеру косвенного нагрева через ГВС.
Котел уже давно был подключен а бойлер не давно приобрели так при большом расходе воды отопление остывает.
-
BAXI - Volga
- Представитель BAXI

- Сообщения: 2338
- Зарегистрирован: 21 фев 2014, 00:20
- Откуда: Нижний Новгород
- Благодарил (а): 40 раз
- Поблагодарили: 211 раз
Помощь в подключении Baxi F310 двухконтурного к бойлеру косвенного нагрева через ГВС.
встроенный 3-х ходовой и вторичный теплообменник ГВС теперь повиснут "мёртвым грузом".
необходимо приобрести комплект подключения бойлера KHG71409631* который состоит из 3-х ходового с мотором и датчика бойлера.
3-х ходовой установить на выходе из котла - одна ветка после клапана пойдёт на отопление, вторая на греющий змеевик бойлера.
мотор с внешнего 3-х ходового завести на плату предварительно отключив моторчик встроенного.
датчик вставить в колбу бойлера и завести его на плату.
перепрограммировать параметр F03 =05
необходимо приобрести комплект подключения бойлера KHG71409631* который состоит из 3-х ходового с мотором и датчика бойлера.
3-х ходовой установить на выходе из котла - одна ветка после клапана пойдёт на отопление, вторая на греющий змеевик бойлера.
мотор с внешнего 3-х ходового завести на плату предварительно отключив моторчик встроенного.
датчик вставить в колбу бойлера и завести его на плату.
перепрограммировать параметр F03 =05
Андрей.
Технический специалист BAXI.
Нижний Новгород.
Технический специалист BAXI.
Нижний Новгород.
-
aicidcrach
- Новичок
- Сообщения: 9
- Зарегистрирован: 16 ноя 2015, 19:44
Помощь в подключении Baxi F310 двухконтурного к бойлеру косвенного нагрева через ГВС.
Понял спасибо. А регулировка температуры в помещении как будет происходить если в бойлер нужно установить градусов 60. А в помещении мне надо что бы было 40. Что придется краны прикрывать на каждой батарее.
-
BAXI - Volga
- Представитель BAXI

- Сообщения: 2338
- Зарегистрирован: 21 фев 2014, 00:20
- Откуда: Нижний Новгород
- Благодарил (а): 40 раз
- Поблагодарили: 211 раз
Помощь в подключении Baxi F310 двухконтурного к бойлеру косвенного нагрева через ГВС.
температура ГВС и отопления регулируется кнопками на котле, какую выставите такая и будет
Андрей.
Технический специалист BAXI.
Нижний Новгород.
Технический специалист BAXI.
Нижний Новгород.
-
aicidcrach
- Новичок
- Сообщения: 9
- Зарегистрирован: 16 ноя 2015, 19:44
-
GAZCONEC
- Старожил
- Сообщения: 617
- Зарегистрирован: 13 авг 2012, 22:49
- Откуда: Магнитогорск
- Благодарил (а): 12 раз
- Поблагодарили: 44 раза
- Возраст: 46
Помощь в подключении Baxi F310 двухконтурного к бойлеру косвенного нагрева через ГВС.
Я конечно извиняюсь но товарисч с Луной уже имеет мотор и датчик , может ему купить трёхходовой от нуволы а не комплект ?
Павел
АСЦ BAXI "TEPLODOC" г.Магнитогорск
АСЦ BAXI "TEPLODOC" г.Магнитогорск
Помощь в подключении Baxi F310 двухконтурного к бойлеру косвенного нагрева через ГВС.
Подключила трех ходовой, поменял параметр f03=05, не работает, греется тепло обменник в котле, а горелка загорается и сразу тухнет. Помогите специалисты!
Отправлено спустя 15 минут 7 секунд:
Приобрел комплект трехходового клапана с мотором для подключения baxi luna 3 comfort 310 FI к внешнему бойлеру. Один выход клапана (который ближе к мотору) по ключил к змеевику бойлера, второй выход в систему отоплениия, отключил мотор в котле завел вместо него, датчик от бойлера подключил вместо датчика ГВС на котле, поменял f03=05. Теперь горелка загорается и тухнет, а при горячей воде греется тепло обменник на котле. Что не так?дом без отопления остался
Отправлено спустя 15 минут 7 секунд:
Приобрел комплект трехходового клапана с мотором для подключения baxi luna 3 comfort 310 FI к внешнему бойлеру. Один выход клапана (который ближе к мотору) по ключил к змеевику бойлера, второй выход в систему отоплениия, отключил мотор в котле завел вместо него, датчик от бойлера подключил вместо датчика ГВС на котле, поменял f03=05. Теперь горелка загорается и тухнет, а при горячей воде греется тепло обменник на котле. Что не так?дом без отопления остался
-
Bahus
- Главный администратор

- Сообщения: 12969
- Зарегистрирован: 24 июл 2012, 13:05
- Откуда: Пенза
- Мой котел: Пензенская ТЭЦ-1
- Благодарил (а): 82 раза
- Поблагодарили: 1683 раза
- Возраст: 45
Помощь в подключении Baxi F310 двухконтурного к бойлеру косвенного нагрева через ГВС.
Блин. Ну когда уже инструкции читать станут..... Расея, мля.
Крайний левый патрубок должен идти в систему отопления. Это подача СО.
Второй слева патрубок - ГВС. Туда и нужно подключать змеевик бойлера (вход бойлера).
Выход тянете до ближайшей обратки отопления и подключаете обычным тройником.
ВСЁ.
Ну и F03, само собой
Крайний левый патрубок должен идти в систему отопления. Это подача СО.
Второй слева патрубок - ГВС. Туда и нужно подключать змеевик бойлера (вход бойлера).
Выход тянете до ближайшей обратки отопления и подключаете обычным тройником.
ВСЁ.
Ну и F03, само собой
В ЛС отвечаю только по работе форума
Илья Бахталин
АСЦ BAXI "Санфорт". г. Пенза
Подключение к Зонту - bahus1980
Илья Бахталин
АСЦ BAXI "Санфорт". г. Пенза
Подключение к Зонту - bahus1980
Помощь в подключении Baxi F310 двухконтурного к бойлеру косвенного нагрева через ГВС.
Большое Вам спасибо Bahus, за такой быстрый ответ. Всю ночь с котлом провел, восстановил все по старому. Инстуркцию на подключение KHG71409631 комплекта не нашел. Я Вас правильно понял: трехходовой кран (из данного комплекта) подключаю на выход отопления из котла, левый (который ближе к мотору) выход с данного трехходового клапана подключаю на подачу отопления, правый на трехходовом клапане подключаю на подачу змеевика в бойлере, выход со змеевика с бойлера подключаю в ближайшую обратку в отоплении. Мотор в котле выключаю а вместо него включаю мотор с этого комплекта (что бы разьемы не портить я подключил через провода от внутреннего мотора), датчик с бойлера я подключаю через провода датчика температуры ГВС установленного в бойлере(так что бы разьемы тоже не портить). параметр F03 меняю на 05. Все правильно? А где инструкцию на данный комплект можно увидеть? Простите за ошибки, голова ладом после бессонной ночи не работает.
-
Bahus
- Главный администратор

- Сообщения: 12969
- Зарегистрирован: 24 июл 2012, 13:05
- Откуда: Пенза
- Мой котел: Пензенская ТЭЦ-1
- Благодарил (а): 82 раза
- Поблагодарили: 1683 раза
- Возраст: 45
Помощь в подключении Baxi F310 двухконтурного к бойлеру косвенного нагрева через ГВС.
Да вроде все правильно. Только

Вот и вроде все.
Кстати, господа! Тут в голову стукнуло.
Для подобных манипуляций с композитом (двухконтурные Fourtech и Eco-5) НЕЛЬЗЯ снимать штатный сервомотор. Более того, его нужно провернуть на 90° ибо Ельбевские инженеры не придумали ничего лучше, чем по умолчанию ГВС открытым оставить.
Вот тут не упомню где отопление, где ГВС. Без сервомотора (с отпущеным штоком) должен быть открыт контур отопления. Вроде так.asd писал(а): подключаю на выход отопления из котла, левый (который ближе к мотору) выход
Можно было штатный мотор переставить. А из комплекта убрать в запас.asd писал(а): а вместо него включаю мотор с этого комплекта
Вот и вроде все.
Кстати, господа! Тут в голову стукнуло.
Для подобных манипуляций с композитом (двухконтурные Fourtech и Eco-5) НЕЛЬЗЯ снимать штатный сервомотор. Более того, его нужно провернуть на 90° ибо Ельбевские инженеры не придумали ничего лучше, чем по умолчанию ГВС открытым оставить.
В ЛС отвечаю только по работе форума
Илья Бахталин
АСЦ BAXI "Санфорт". г. Пенза
Подключение к Зонту - bahus1980
Илья Бахталин
АСЦ BAXI "Санфорт". г. Пенза
Подключение к Зонту - bahus1980
Помощь в подключении Baxi F310 двухконтурного к бойлеру косвенного нагрева через ГВС.
извините конечно, а что Вы имели ввиду "Крайний левый патрубок должен идти в систему отопления. Это подача СО.
Второй слева патрубок - ГВС. Туда и нужно подключать змеевик бойлера (вход бойлера)." Я ведь как понял: к левому патрубку из котла (который идет на отопление) подключаем вход трехходового клапана, а уж из этого трехходового клапана левый выход (он открыт при убраном двигателе) идет на отопление, а правый выход трехходового клапана идет на змеевик бойлера. Причем тут тогда второй патрубок из котла - ГВС. Ведь в данной схеме подключения используется лишь патрубок выхода котла для отопления и змеевик подключается не к котлу а к внешнему трехходовому крану.
Второй слева патрубок - ГВС. Туда и нужно подключать змеевик бойлера (вход бойлера)." Я ведь как понял: к левому патрубку из котла (который идет на отопление) подключаем вход трехходового клапана, а уж из этого трехходового клапана левый выход (он открыт при убраном двигателе) идет на отопление, а правый выход трехходового клапана идет на змеевик бойлера. Причем тут тогда второй патрубок из котла - ГВС. Ведь в данной схеме подключения используется лишь патрубок выхода котла для отопления и змеевик подключается не к котлу а к внешнему трехходовому крану.
-
Bahus
- Главный администратор

- Сообщения: 12969
- Зарегистрирован: 24 июл 2012, 13:05
- Откуда: Пенза
- Мой котел: Пензенская ТЭЦ-1
- Благодарил (а): 82 раза
- Поблагодарили: 1683 раза
- Возраст: 45
Помощь в подключении Baxi F310 двухконтурного к бойлеру косвенного нагрева через ГВС.
Эмм. Либо что-то не так сформулировал, либо имел ввиду одноконтурную версию
Конечно. Подача в отопление и в змеевик будет идти с внешнего треххода. Патрубок ГВС котла заглушить. ХВС оставить (только для подпитки системы будет). Ну и крайний правый обратка.
Конечно. Подача в отопление и в змеевик будет идти с внешнего треххода. Патрубок ГВС котла заглушить. ХВС оставить (только для подпитки системы будет). Ну и крайний правый обратка.
В ЛС отвечаю только по работе форума
Илья Бахталин
АСЦ BAXI "Санфорт". г. Пенза
Подключение к Зонту - bahus1980
Илья Бахталин
АСЦ BAXI "Санфорт". г. Пенза
Подключение к Зонту - bahus1980
Помощь в подключении Baxi F310 двухконтурного к бойлеру косвенного нагрева через ГВС.
Большое спасибо! Завтра буду пробовать!
Помощь в подключении Baxi F310 двухконтурного к бойлеру косвенного нагрева через ГВС.
Доброго времени суток уважаемые! Понимаю, что тема избитая, ну не догадался я поучиться на чужих ошибках, а в магазине, когда я после бойлера (Baxi premier 150) покупал котел (Luna 3) у них же и говорил им о необходимости использовать бойлер, мне реализовали двухконтурник.
Я полагал и задачу сантехнику ставил на следующую схему: Кухня остается запитанной от системы ГВС (минуя бойлер), а бойлер (для горячей воды) подключается через контур отопления и идет к двум санузлам.
Собственно вопрос: возможна ли такая реализация (поскольку читал, что нужно глушить на котле контур ГВС)? Если да, то будет ли возможность раздельной регулировки температуры на бойлере электронно? Или как понимаю в таком случае регулировать тепло отопления нужно будет вентилями на батареях?
P.s.: понимаю, что для профессионалов вопрос дилетанта звучит смешно, но прошу ответить. Заранее всех благодарю за критику и ответы!
Отправлено спустя 29 минут 29 секунд:
И сразу еще три вопроса: 1) Не повлияет ли переделка на гарантию котла, если да, то как возможно гарантию сохранить (котел абсолютно новый, но вернуть в магазин нет возможности, да и проект с газовиками уже на этот котел согласован)?
2) Проводят ли официальные представители (сервис) подобные работы с сохранением гарантийного срока на котел?
3) Где (у кого)возможно оперативно заказать комплект подключения бойлера KHG71409631 (если именно он нужен) для Саратова с доставкой в короткие сроки (на этот вопрос ответ можно в личку, если правила запрещают рекламу)?
4) насколько хуже эффективность 31 Луны "переделки-двухконтурника" против такой же мощности одноконтурного котла (понимаю в деньгах я уже потерял)?
Я полагал и задачу сантехнику ставил на следующую схему: Кухня остается запитанной от системы ГВС (минуя бойлер), а бойлер (для горячей воды) подключается через контур отопления и идет к двум санузлам.
Собственно вопрос: возможна ли такая реализация (поскольку читал, что нужно глушить на котле контур ГВС)? Если да, то будет ли возможность раздельной регулировки температуры на бойлере электронно? Или как понимаю в таком случае регулировать тепло отопления нужно будет вентилями на батареях?
P.s.: понимаю, что для профессионалов вопрос дилетанта звучит смешно, но прошу ответить. Заранее всех благодарю за критику и ответы!
Отправлено спустя 29 минут 29 секунд:
И сразу еще три вопроса: 1) Не повлияет ли переделка на гарантию котла, если да, то как возможно гарантию сохранить (котел абсолютно новый, но вернуть в магазин нет возможности, да и проект с газовиками уже на этот котел согласован)?
2) Проводят ли официальные представители (сервис) подобные работы с сохранением гарантийного срока на котел?
3) Где (у кого)возможно оперативно заказать комплект подключения бойлера KHG71409631 (если именно он нужен) для Саратова с доставкой в короткие сроки (на этот вопрос ответ можно в личку, если правила запрещают рекламу)?
4) насколько хуже эффективность 31 Луны "переделки-двухконтурника" против такой же мощности одноконтурного котла (понимаю в деньгах я уже потерял)?
-
Bahus
- Главный администратор

- Сообщения: 12969
- Зарегистрирован: 24 июл 2012, 13:05
- Откуда: Пенза
- Мой котел: Пензенская ТЭЦ-1
- Благодарил (а): 82 раза
- Поблагодарили: 1683 раза
- Возраст: 45
Помощь в подключении Baxi F310 двухконтурного к бойлеру косвенного нагрева через ГВС.
Котёл переделывать не нужно. Нужен комплект для экофор (не могу проверить указанный вами артикул сейчас). Но организовать описанную вами схему нельзя. Либо проточник, либо бочка. Одновременно получится колхоз без бойлера летом.
В ЛС отвечаю только по работе форума
Илья Бахталин
АСЦ BAXI "Санфорт". г. Пенза
Подключение к Зонту - bahus1980
Илья Бахталин
АСЦ BAXI "Санфорт". г. Пенза
Подключение к Зонту - bahus1980
-
- Похожие темы
- Ответы
- Просмотры
- Последнее сообщение
-
- 5 Ответы
- 3856 Просмотры
-
Последнее сообщение Bahus
-
- 8 Ответы
- 3794 Просмотры
-
Последнее сообщение Bahus
-
- 3 Ответы
- 311 Просмотры
-
Последнее сообщение Olegbez
-
- 2 Ответы
- 320 Просмотры
-
Последнее сообщение dregvodaster
-
- 14 Ответы
- 1310 Просмотры
-
Последнее сообщение Bahus
Кто сейчас на конференции
Сейчас этот форум просматривают: нет зарегистрированных пользователей и 1 гость