Синхронная работа насоса ТП на смесительном узле с насосом котла mainfour 240F
-
grin74
- Новичок
- Сообщения: 5
- Зарегистрирован: 23 мар 2017, 11:18
- Мой котел: baxi mainfour 240F
- Благодарил (а): 5 раз
Синхронная работа насоса ТП на смесительном узле с насосом котла mainfour 240F
Добрый День, подскажите пожалуйста, можно ли подключить насос от теплых полов со смесительного узла "валтек комбимикс"(марка насоса Валтек 25/6 работающей постоянно на первой скорости и потребляющий 46 вт ) на клемную колодку котла параллельно штатному насосу без доп контактора(реле), видел темы, где отвечали ваши спецы на подобные вопросы, но конкретно про эту модель такой темы не видел. На какой номинал стоит штатное реле в котле? 5А? Я видел что штатный насос willo на 80 с чем то вт, т.е. суммарно штатный+внешний будут потреблять в районе 130вт, тоже где то читал что это максимально допустимая нагрузка на плату, но может и не в моем случае. Есть опыт такого подключения и работы в течении длительного времени, в сутки у меня в районе 6-8 пусков котла работающего от комнатного термостата? Вариант с подключением через реле держу в рукаве.
-
RADAR
- Местный аксакал
- Сообщения: 6701
- Зарегистрирован: 25 июл 2012, 00:33
- Откуда: г.Кострома
- Мой котел: Gepard 23MTV19
- Благодарил (а): 112 раз
- Поблагодарили: 415 раз
- Возраст: 51
Синхронная работа насоса ТП на смесительном узле с насосом котла mainfour 240F
не нужно в рукаве этот вариант держать..воплощайте его..
-
grin74
- Новичок
- Сообщения: 5
- Зарегистрирован: 23 мар 2017, 11:18
- Мой котел: baxi mainfour 240F
- Благодарил (а): 5 раз
Синхронная работа насоса ТП на смесительном узле с насосом котла mainfour 240F
Спасибо, про реле понятно. Но хочет без лишних промежуточных приблуд которые тоже могут на надежности не лучшую сторону сказаться(реле тоже ток потребляет и в режиме замыкания и в режиме удержания и ненулевой кстати). Просто народ пишет что отключал штатный насос на 80 ватт и вместо него подключал внешний на 180 ватт и это работает, не разово, а постоянно. Неужели мои два насоса суммарной мощностью 130 хуже чем один на 180? У кого без реле подобная схема работает нормально? все таки потребление второго насоса не большое 46 вт. мпусковой ток конечно может быть высоким но все равно в разумных же он пределах и он кратковременный. все таки штатное реле на какой ток рассчитано? 5А? На плате есть какая то защита на случай перегрузки по этой линии? там есть предохранители примотанные скотчем к крышке платы и клемной колодки, они не на этот случай)?
-
Bahus
- Главный администратор

- Сообщения: 12969
- Зарегистрирован: 24 июл 2012, 13:05
- Откуда: Пенза
- Мой котел: Пензенская ТЭЦ-1
- Благодарил (а): 82 раза
- Поблагодарили: 1683 раза
- Возраст: 45
Синхронная работа насоса ТП на смесительном узле с насосом котла mainfour 240F
Это входные стекляшки. Номиналом 2 с копейками ампер.
В ЛС отвечаю только по работе форума
Илья Бахталин
АСЦ BAXI "Санфорт". г. Пенза
Подключение к Зонту - bahus1980
Илья Бахталин
АСЦ BAXI "Санфорт". г. Пенза
Подключение к Зонту - bahus1980
-
plehan
- Дока по нормативам
- Сообщения: 3355
- Зарегистрирован: 04 мар 2014, 23:50
- Откуда: Астрахань
- Благодарил (а): 75 раз
- Поблагодарили: 267 раз
Синхронная работа насоса ТП на смесительном узле с насосом котла mainfour 240F
А в чем смысл такого подключения ?
Ооо!.. Етит твою мать, профессор! Иди сюда, выпей с нами!
-
RADAR
- Местный аксакал
- Сообщения: 6701
- Зарегистрирован: 25 июл 2012, 00:33
- Откуда: г.Кострома
- Мой котел: Gepard 23MTV19
- Благодарил (а): 112 раз
- Поблагодарили: 415 раз
- Возраст: 51
Синхронная работа насоса ТП на смесительном узле с насосом котла mainfour 240F
работать то будет, но зачем перегруз родным релюшкам? мало здесь тем про Е00?..народ потом меняет их..а это уже не гарантийный случай..
-
Komyshov
- Старожил
- Сообщения: 519
- Зарегистрирован: 11 авг 2016, 23:44
- Откуда: Калужская область
- Мой котел: Navien Delux 24K
- Благодарил (а): 226 раз
- Поблагодарили: 92 раза
- Возраст: 47
Синхронная работа насоса ТП на смесительном узле с насосом котла mainfour 240F
Через модульный контактор на DIN-рейку (например TDM КМ63/2-25 SQ0213-0007) Не нужно лишний раз напрягать релюшки платы.
Я бы, грешным делом, и родной насос и вентилятор на контакторы посадил бы, а релюшки платы бы только контакторами управляли. ИМХО всё дольше проживет без E00
Я бы, грешным делом, и родной насос и вентилятор на контакторы посадил бы, а релюшки платы бы только контакторами управляли. ИМХО всё дольше проживет без E00
"Клиент всегда врёт! Смотрите своими глазами" ©
-
dobsan
- Опытный
- Сообщения: 251
- Зарегистрирован: 11 окт 2015, 20:14
- Откуда: Чебоксары
- Благодарил (а): 2 раза
- Поблагодарили: 17 раз
Синхронная работа насоса ТП на смесительном узле с насосом котла mainfour 240F
Сколько по времени работает котёл в этих интервалах?grin74 писал(а): в сутки у меня в районе 6-8 пусков котла работающего от комнатного термостата
приgrin74 писал(а): параллельно
не очень хороший вариант (в межсезонку).grin74 писал(а): котла работающего от комнатного термостата
-
grin74
- Новичок
- Сообщения: 5
- Зарегистрирован: 23 мар 2017, 11:18
- Мой котел: baxi mainfour 240F
- Благодарил (а): 5 раз
Синхронная работа насоса ТП на смесительном узле с насосом котла mainfour 240F
В разгар отопительного сезона час работает два стоит. Но все сильно зависит от температуры подачи. После того как был отрегулирован минимум на горелке котел заработал как надо. В разрешительный цикл работы по термостату он не останавливается при установке подаче 60 каптит себе на 60-62 градусах пока его не выключит термостат. При гистерезисе 0,5 градуса на это уходит до 1 часа. Сейчас в межсезонье цикличность немного другая в плане простоя днем когда солнце котел может вообще не включаться. Да и подачу немного уменьшаю чтобы воздух прогревался медленнее и пол успел запасти тепла. Обратка в полу не остывает ниже 24 как ни крути, а за час успевает прогреться до 27-28(обратка имею ввиду) по ее температуре косвенно сужу по температуре стяжки.dobsan писал(а): Сколько по времени работает котёл в этих интервалах?
Зачем гонять остывший теплоноситель в полу и тратить ресурс насоса... Зимой понятно в отсутствии циркуляции может какой нить контур у внешней стены и прихватить но на зиму (2-3 месяца в год хотя отступы и утепление нормальное) планируется постоянная циркуляция а в остальной период меня бы устроила синхронность работы - буду делать через модульный контактор.
Отправлено спустя 10 минут :
Когда совсем потеплеет планирую запускать котел по расписанию принудительно на 1 час благо автоматика позволяет, например пару тройку раз в сутки прогревать пол чтобы ходить комфортнее супруге было. Не держать же для этого насос полов включенным 24 часа в сутки, в котле же вырубается вот и тут пусть останавливается через 3 мин. всё само будет по расписанию работать не гоняя холодную воду в часы простоя котла.plehan писал(а): А в чем смысл такого подключения ?
Отправлено спустя 4 минуты 28 секунд:
Другое дело куда там дирейку девать это рядом надо вешать минибокс на несколько модулей...Komyshov писал(а): Через модульный контактор на DIN-рейку (например TDM КМ63/2-25 SQ0213-0007) Не нужно лишний раз напрягать релюшки платы.
-
Komyshov
- Старожил
- Сообщения: 519
- Зарегистрирован: 11 авг 2016, 23:44
- Откуда: Калужская область
- Мой котел: Navien Delux 24K
- Благодарил (а): 226 раз
- Поблагодарили: 92 раза
- Возраст: 47
Синхронная работа насоса ТП на смесительном узле с насосом котла mainfour 240F
В условиях отдельной котельной проблем не вижу. Ну а если на кухне висит, то не стоит, щёлкают они шумновато.grin74 писал(а): рядом надо вешать минибокс на несколько модулей
"Клиент всегда врёт! Смотрите своими глазами" ©
-
vlad77
- Бывалый
- Сообщения: 50
- Зарегистрирован: 14 дек 2016, 17:48
- Мой котел: luna 3 comfort 310
- Благодарил (а): 1 раз
- Поблагодарили: 2 раза
Синхронная работа насоса ТП на смесительном узле с насосом котла mainfour 240F
Прикрутил к насосу теплых полов термостат с датчиком температуры у китайцев 200-400 руб стоит, включает насос когда температура поднимается более 32 градусов и выключает когда температура опускается ниже 27 гр. датчик стоит на коллекторе подачи.
что то типа этого https://ru.aliexpress.com/item/High-Qua ... 2629af7bd1
что то типа этого https://ru.aliexpress.com/item/High-Qua ... 2629af7bd1
-
plehan
- Дока по нормативам
- Сообщения: 3355
- Зарегистрирован: 04 мар 2014, 23:50
- Откуда: Астрахань
- Благодарил (а): 75 раз
- Поблагодарили: 267 раз
Синхронная работа насоса ТП на смесительном узле с насосом котла mainfour 240F
- может на оборот ? И что это за температура ?vlad77 писал(а): поднимается более 32 градусов и выключает когда температура опускается ниже 27 гр
Ооо!.. Етит твою мать, профессор! Иди сюда, выпей с нами!
-
vlad77
- Бывалый
- Сообщения: 50
- Зарегистрирован: 14 дек 2016, 17:48
- Мой котел: luna 3 comfort 310
- Благодарил (а): 1 раз
- Поблагодарили: 2 раза
Синхронная работа насоса ТП на смесительном узле с насосом котла mainfour 240F
Нет не наоборот, это температура на коллекторе теплых полов, на смесительном узле выставлена температура 36 гр. Термостат только включением насоса управляет т.е.plehan писал(а): - может на оборот ? И что это за температура
Котел включился температура на коллекторе (подаче) начала подниматься как поднялось до 32 включился насос
Котел погас насос работает пока теплоноситель не остынет до 27 гр и выключает насос.
Выходит небольшая но экономия за счет того что насос не работает постоянно, да и смысла гонять холодный теплоноситель по полам нету. И в котел лезть не нужно с доработками.
Температура включения и выключения выставляется на любой вкус кому как понравиться.
-
plehan
- Дока по нормативам
- Сообщения: 3355
- Зарегистрирован: 04 мар 2014, 23:50
- Откуда: Астрахань
- Благодарил (а): 75 раз
- Поблагодарили: 267 раз
Синхронная работа насоса ТП на смесительном узле с насосом котла mainfour 240F
Можно схему , а то со слов не очень понятно ?
Ооо!.. Етит твою мать, профессор! Иди сюда, выпей с нами!
-
vlad77
- Бывалый
- Сообщения: 50
- Зарегистрирован: 14 дек 2016, 17:48
- Мой котел: luna 3 comfort 310
- Благодарил (а): 1 раз
- Поблагодарили: 2 раза
Синхронная работа насоса ТП на смесительном узле с насосом котла mainfour 240F
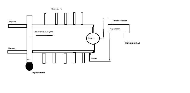
Как то так.
Последний раз редактировалось vlad77 25 мар 2017, 13:46, всего редактировалось 1 раз.
-
plehan
- Дока по нормативам
- Сообщения: 3355
- Зарегистрирован: 04 мар 2014, 23:50
- Откуда: Астрахань
- Благодарил (а): 75 раз
- Поблагодарили: 267 раз
Синхронная работа насоса ТП на смесительном узле с насосом котла mainfour 240F
Спасибо понял - а я потихоньку клиентов подбиваю на частотники , не надо ничего мудрить ,но пока дороговато !
Ооо!.. Етит твою мать, профессор! Иди сюда, выпей с нами!
-
grin74
- Новичок
- Сообщения: 5
- Зарегистрирован: 23 мар 2017, 11:18
- Мой котел: baxi mainfour 240F
- Благодарил (а): 5 раз
Синхронная работа насоса ТП на смесительном узле с насосом котла mainfour 240F
Решение вообще классное в моем случае удобно еще тем что котел от коллектора теплого пола далеко и не надо кидать провода. Указанный девай stc-1000 как я понял надо использовать в режиме охлаждения только так он будет включать пр они более высокой температуре например 32 и выключаться при 28. Это при выставленной на нем температуре 30 и гистерезисе в 2 градуса в его настройке. Так как на таких девайсах обычно не указать четко температуру включения и выключения только косвенно через гистерезис. Ну вообщем этот термостат уже заказал с Али )) едет, приедет буду колхозить )vlad77 писал(а): Нет не наоборот, это температура на коллекторе теплых полов, на смесительном узле выставлена температура 36 гр. Термостат только включением насоса управляет т.е.
Котел включился температура на коллекторе (подаче) начала подниматься как поднялось до 32 включился насос
Котел погас насос работает пока теплоноситель не остынет до 27 гр и выключает насос.
-
vlad77
- Бывалый
- Сообщения: 50
- Зарегистрирован: 14 дек 2016, 17:48
- Мой котел: luna 3 comfort 310
- Благодарил (а): 1 раз
- Поблагодарили: 2 раза
Синхронная работа насоса ТП на смесительном узле с насосом котла mainfour 240F
Да в режиме охлаждения, у меня просто валялся контроллер Овен от холодильной камеры я его и приспособил .
-
dobsan
- Опытный
- Сообщения: 251
- Зарегистрирован: 11 окт 2015, 20:14
- Откуда: Чебоксары
- Благодарил (а): 2 раза
- Поблагодарили: 17 раз
Синхронная работа насоса ТП на смесительном узле с насосом котла mainfour 240F
У Комбимикса при выключенном насосе узла теплоноситель , с подпором от котлового насоса, побежит так как указано стрелками.
В подающий коллектор полов не попадёт.
-
grin74
- Новичок
- Сообщения: 5
- Зарегистрирован: 23 мар 2017, 11:18
- Мой котел: baxi mainfour 240F
- Благодарил (а): 5 раз
Синхронная работа насоса ТП на смесительном узле с насосом котла mainfour 240F
Да именно так, датчик термостата при обсуждаемой тут выше схеме управления насосом надо подключить вместо стрелочного термометра под термоголовкой он первый по пути стрелок на вашей схеме. При выключенном насосе узла если работает только штатный в котле в моем случае температура на нем начинает расти минуты через 2 после разрешения на отопления от комнатного термостата. А на самом коллекторе подачи в пол я вообще термометр снял так как там всегда то значение что выставлено на термоголовке.dobsan писал(а): Сегодня, 22:15
У Комбимикса при выключенном насосе узла теплоноситель , с подпором от котлового насоса, побежит так как указано стрелками.
Синхронная работа насоса ТП на смесительном узле с насосом котла mainfour 240F
Хочу воспользоваться Вашим советом - подключить насос Grundfos ALPHA2 L 25-40 180 параллельно основному (котёл Baxi ECO FOUR). В Твери рекомендуемого контактора быстро не нашёл, предлагают КМЭ 9А 220В 1NC EKF. Можно ли его использовать? (увы, я не электрик) И ещё: на НЗ контакт подключать фазу или ноль?Komyshov писал(а): Через модульный контактор на DIN-рейку (например TDM КМ63/2-25 SQ0213-0007) Не нужно лишний раз напрягать релюшки платы.
Я бы, грешным делом, и родной насос и вентилятор на контакторы посадил бы, а релюшки платы бы только контакторами управляли.
-
Violator
- Новичок
- Сообщения: 13
- Зарегистрирован: 18 сен 2014, 09:27
- Откуда: Fe-City
- Мой котел: Luna 3 310FI
- Благодарил (а): 5 раз
Синхронная работа насоса ТП на смесительном узле с насосом котла mainfour 240F
Всем доброго времени суток. В котельной имеется гидрострелка и гребёнка, на которой установлены три насоса Wilo Star RS 25/6 (ТП, первый и второй этаж). Посоветуйте, как и через какое реле (марка, параметры) подключить эти дополнительные насосы, чтобы они включались и выключались только на отопление? 
Котел BAXI Luna 3 310FI (теперь Comfort)
-
plehan
- Дока по нормативам
- Сообщения: 3355
- Зарегистрирован: 04 мар 2014, 23:50
- Откуда: Астрахань
- Благодарил (а): 75 раз
- Поблагодарили: 267 раз
Синхронная работа насоса ТП на смесительном узле с насосом котла mainfour 240F
- к чему ?Violator писал(а): подключить
Ооо!.. Етит твою мать, профессор! Иди сюда, выпей с нами!
-
Violator
- Новичок
- Сообщения: 13
- Зарегистрирован: 18 сен 2014, 09:27
- Откуда: Fe-City
- Мой котел: Luna 3 310FI
- Благодарил (а): 5 раз
Синхронная работа насоса ТП на смесительном узле с насосом котла mainfour 240F
К ядерному реактору...
Котел BAXI Luna 3 310FI (теперь Comfort)
-
plehan
- Дока по нормативам
- Сообщения: 3355
- Зарегистрирован: 04 мар 2014, 23:50
- Откуда: Астрахань
- Благодарил (а): 75 раз
- Поблагодарили: 267 раз
Синхронная работа насоса ТП на смесительном узле с насосом котла mainfour 240F
- так они и должны работать в отопительный период круглосуточно ? И в котле он молотит круглосуточно !Violator писал(а): А то насосы молотят круглосуточно.
Ооо!.. Етит твою мать, профессор! Иди сюда, выпей с нами!
-
Violator
- Новичок
- Сообщения: 13
- Зарегистрирован: 18 сен 2014, 09:27
- Откуда: Fe-City
- Мой котел: Luna 3 310FI
- Благодарил (а): 5 раз
Синхронная работа насоса ТП на смесительном узле с насосом котла mainfour 240F
Нет. котловой работает как надо, с перекурами,- так они и должны работать в отопительный период круглосуточно ? И в котле он молотит круглосуточно !
Котел BAXI Luna 3 310FI (теперь Comfort)
-
plehan
- Дока по нормативам
- Сообщения: 3355
- Зарегистрирован: 04 мар 2014, 23:50
- Откуда: Астрахань
- Благодарил (а): 75 раз
- Поблагодарили: 267 раз
Синхронная работа насоса ТП на смесительном узле с насосом котла mainfour 240F
Так термостат у вас один ,как он узнает, что уже пора включать отопление в другом контуре ? Через термостат -разрыв и промежуточное реле ,но без ГВС !
Поставьте автоматику !
Поставьте автоматику !
Ооо!.. Етит твою мать, профессор! Иди сюда, выпей с нами!
-
Violator
- Новичок
- Сообщения: 13
- Зарегистрирован: 18 сен 2014, 09:27
- Откуда: Fe-City
- Мой котел: Luna 3 310FI
- Благодарил (а): 5 раз
Синхронная работа насоса ТП на смесительном узле с насосом котла mainfour 240F
Какое именно? Схема подключения?plehan писал(а): промежуточное реле
Посоветуйте...plehan писал(а): Поставьте автоматику !
Котел BAXI Luna 3 310FI (теперь Comfort)
-
plehan
- Дока по нормативам
- Сообщения: 3355
- Зарегистрирован: 04 мар 2014, 23:50
- Откуда: Астрахань
- Благодарил (а): 75 раз
- Поблагодарили: 267 раз
Синхронная работа насоса ТП на смесительном узле с насосом котла mainfour 240F
- меговольты подскажут ,я могу только фото выложить как они подключают !Violator писал(а): Схема подключения?
- колорматик 630 или другую модель (multiMATIC VRC 700/4) в зависимости от кол-ва контуров !Violator писал(а): Посоветуйте.
Ооо!.. Етит твою мать, профессор! Иди сюда, выпей с нами!
-
Violator
- Новичок
- Сообщения: 13
- Зарегистрирован: 18 сен 2014, 09:27
- Откуда: Fe-City
- Мой котел: Luna 3 310FI
- Благодарил (а): 5 раз
Синхронная работа насоса ТП на смесительном узле с насосом котла mainfour 240F
Глянуть можно.plehan писал(а): я могу только фото выложить как они подключают !
Не хилый ценник...plehan писал(а): - колорматик 630
Последний раз редактировалось Violator 14 сен 2017, 23:54, всего редактировалось 1 раз.
Котел BAXI Luna 3 310FI (теперь Comfort)
-
- Похожие темы
- Ответы
- Просмотры
- Последнее сообщение
-
- 4 Ответы
- 2277 Просмотры
-
Последнее сообщение Alexandr_M
-
- 3 Ответы
- 957 Просмотры
-
Последнее сообщение Bahus
-
- 12 Ответы
- 2472 Просмотры
-
Последнее сообщение Olegbez
-
- 4 Ответы
- 2474 Просмотры
-
Последнее сообщение student1
-
- 8 Ответы
- 1670 Просмотры
-
Последнее сообщение Starik
Кто сейчас на конференции
Сейчас этот форум просматривают: нет зарегистрированных пользователей и 1 гость