Zont h1000, openterm, baxislim включает ГВС вместо отопления.

Первичная программная настройка котла, контроллеров, термостатов и т.п. обсуждается здесь

Автор темы
R-TRY
Забегающий
Сообщения: 27
Зарегистрирован: 24 янв 2024, 09:26
Откуда: Иваново
Мой котел: Baxi slim

Zont h1000, openterm, baxislim включает ГВС вместо отопления.

Сообщение R-TRY »

Добрый день, опишу проблему. ЕСть два котла, одинаковых, на одном (основной) ГВС и отопление, на другом (резерв) только отопление. В ручном режиме все работает без проблем, оба котла. ПРи подключении ZONT основной работает правильно, а вот резервный почему-то упорно пытается греть контур ГВС вместо отопления, хотя в ЗОНТе ГВС у этого котла отключен. Убрал резистор с разъемов NPC термодатчики контура ГВС, котел выдал ошибку термодатчика контура ГВС, но при этом заработало отопление. Оба котла настроены одинаково, только у одного убрана галка с ГВС.

Прошу помощи, как это все правильно подключить?

P.s. пробовал к этому выходу ZONTа подключить котел основной, он работает корректно, показывает что ГВС отключен в настройках и он поджигает только отопления. Как мне видится, проблема в номинале резистора.
Вложения
IMG_20240123_192337.jpg
IMG_20240123_192348.jpg
IMG_20240123_192416.jpg
Последний раз редактировалось R-TRY 24 янв 2024, 09:59, всего редактировалось 1 раз.
Аватара пользователя

BAXI-Ural
Представитель BAXI
Представитель BAXI
Сообщения: 4493
Зарегистрирован: 07 авг 2012, 18:49
Откуда: Екатеринбург
Благодарил (а): 6 раз
Поблагодарили: 375 раз
Возраст: 57

Zont h1000, openterm, baxislim включает ГВС вместо отопления.

Сообщение BAXI-Ural »

R-TRY писал(а): 24 янв 2024, 09:41 Убрал резистор с разъемов NPC термодатчики контура ГВС
А перемычку бойлера(!) там случайно не воткнули (не забыли убрать)?
Ярослав Грабик
технический специалист BAXI, Екатеринбург

Автор темы
R-TRY
Забегающий
Сообщения: 27
Зарегистрирован: 24 янв 2024, 09:26
Откуда: Иваново
Мой котел: Baxi slim

Zont h1000, openterm, baxislim включает ГВС вместо отопления.

Сообщение R-TRY »

Что за перемычка? Вот это резистор?
Вложения
Колел резерв.png
Аватара пользователя

Bahus
Главный администратор
Главный администратор
Сообщения: 12969
Зарегистрирован: 24 июл 2012, 13:05
Откуда: Пенза
Мой котел: Пензенская ТЭЦ-1
Благодарил (а): 82 раза
Поблагодарили: 1683 раза
Возраст: 45

Zont h1000, openterm, baxislim включает ГВС вместо отопления.

Сообщение Bahus »

5-6 контакты не должны быть замкнуты, если ГВС не нужно. Это в инструкции же есть.
В ЛС отвечаю только по работе форума

Илья Бахталин

АСЦ BAXI "Санфорт". г. Пенза
Подключение к Зонту - bahus1980

Автор темы
R-TRY
Забегающий
Сообщения: 27
Зарегистрирован: 24 янв 2024, 09:26
Откуда: Иваново
Мой котел: Baxi slim

Zont h1000, openterm, baxislim включает ГВС вместо отопления.

Сообщение R-TRY »

Нету инструкции.Даже не совсем понятна модель котлов, ориентируюсь только по внешнему виду и фото. Если речь идет про эту перемычку, то да, она убрана. Причем убрана на обоих котлах, даже на том где ГВС расключено.
Вложения
Колел резерв2.png
Аватара пользователя

tsv63
Старожил
Сообщения: 677
Зарегистрирован: 31 июл 2019, 17:25
Откуда: Покров
Мой котел: BAXI SLIM 1.490 iN
Благодарил (а): 18 раз
Поблагодарили: 50 раз

Zont h1000, openterm, baxislim включает ГВС вместо отопления.

Сообщение tsv63 »

Вау, прямо эпидемия, какая-то с 1+ котлами, при попытках скрестить ужа и ежа...
OpenTherm контроллер. Собственная разработка. Описание

Автор темы
R-TRY
Забегающий
Сообщения: 27
Зарегистрирован: 24 янв 2024, 09:26
Откуда: Иваново
Мой котел: Baxi slim

Zont h1000, openterm, baxislim включает ГВС вместо отопления.

Сообщение R-TRY »

На счет эпидемии не знаю, но вот уже 3 специалиста приходили, чет подключают все по своему и ни фига не работает. Хочу разобраться сам. Один спец вообще подключил оба котла к одному адаптеру опентерм и вообще ни фига не работало. Инструкций и схем подключения нормальных нет, все приходится методом тыка проверять. Сейчас поставил сопротивление 2 кОм, ГВС не греет, отопление включилось и работает, на резервном котле. Однако в статусе ЗОНТа все стоит что ГВС на котле активирован.
Аватара пользователя

tsv63
Старожил
Сообщения: 677
Зарегистрирован: 31 июл 2019, 17:25
Откуда: Покров
Мой котел: BAXI SLIM 1.490 iN
Благодарил (а): 18 раз
Поблагодарили: 50 раз

Zont h1000, openterm, baxislim включает ГВС вместо отопления.

Сообщение tsv63 »

R-TRY писал(а): 24 янв 2024, 10:31 Один спец вообще подключил оба котла к одному адаптеру опентерм и вообще ни фига не работало.
А у тебя как подключено?
OpenTherm контроллер. Собственная разработка. Описание

Автор темы
R-TRY
Забегающий
Сообщения: 27
Зарегистрирован: 24 янв 2024, 09:26
Откуда: Иваново
Мой котел: Baxi slim

Zont h1000, openterm, baxislim включает ГВС вместо отопления.

Сообщение R-TRY »

два адаптера опентерм ко входу к-лайн контроллера. От адаптеров два провода до котлов в разъем доп платы.
Аватара пользователя

tsv63
Старожил
Сообщения: 677
Зарегистрирован: 31 июл 2019, 17:25
Откуда: Покров
Мой котел: BAXI SLIM 1.490 iN
Благодарил (а): 18 раз
Поблагодарили: 50 раз

Zont h1000, openterm, baxislim включает ГВС вместо отопления.

Сообщение tsv63 »

R-TRY писал(а): 24 янв 2024, 10:56 два адаптера опентерм ко входу к-лайн контроллера.
Входы адаптеров в параллели?
OpenTherm контроллер. Собственная разработка. Описание

Автор темы
R-TRY
Забегающий
Сообщения: 27
Зарегистрирован: 24 янв 2024, 09:26
Откуда: Иваново
Мой котел: Baxi slim

Zont h1000, openterm, baxislim включает ГВС вместо отопления.

Сообщение R-TRY »

tsv63 писал(а): 24 янв 2024, 11:02 Входы адаптеров в параллели?
Да
Аватара пользователя

tsv63
Старожил
Сообщения: 677
Зарегистрирован: 31 июл 2019, 17:25
Откуда: Покров
Мой котел: BAXI SLIM 1.490 iN
Благодарил (а): 18 раз
Поблагодарили: 50 раз

Zont h1000, openterm, baxislim включает ГВС вместо отопления.

Сообщение tsv63 »

R-TRY, это твой колхоз или кто подсказал, посоветовал?

Отправлено спустя 2 минуты 41 секунду:
:facepalm:
OpenTherm представляет собой систему связи "точка-точка" и соединяет котлы с комнатными контроллерами, поэтому невозможно
подключить несколько котлов или комнатных контроллеров по принципу систем на базе шин.
OpenTherm контроллер. Собственная разработка. Описание

Автор темы
R-TRY
Забегающий
Сообщения: 27
Зарегистрирован: 24 янв 2024, 09:26
Откуда: Иваново
Мой котел: Baxi slim

Zont h1000, openterm, baxislim включает ГВС вместо отопления.

Сообщение R-TRY »

колхоз в чем? Все было куплено с домом, я лишь докупил второй адаптер openterm и подключил второй котел. У меня в другом домен один котел и зонт, там все работает без проблем, а тут геморрой какой-то.
Аватара пользователя

tsv63
Старожил
Сообщения: 677
Зарегистрирован: 31 июл 2019, 17:25
Откуда: Покров
Мой котел: BAXI SLIM 1.490 iN
Благодарил (а): 18 раз
Поблагодарили: 50 раз

Zont h1000, openterm, baxislim включает ГВС вместо отопления.

Сообщение tsv63 »

R-TRY писал(а): 24 янв 2024, 11:09колхоз в чем?
Два котла к одному контроллеру... НЕЛЬЗЯ.
OpenTherm контроллер. Собственная разработка. Описание

Автор темы
R-TRY
Забегающий
Сообщения: 27
Зарегистрирован: 24 янв 2024, 09:26
Откуда: Иваново
Мой котел: Baxi slim

Zont h1000, openterm, baxislim включает ГВС вместо отопления.

Сообщение R-TRY »

tsv63 писал(а): 24 янв 2024, 11:08 OpenTherm представляет собой систему связи "точка-точка" и соединяет котлы с комнатными контроллерами, поэтому невозможно
подключить несколько котлов или комнатных контроллеров по принципу систем на базе шин.
не понял к чему это. Котроллер видит два адаптера на цифровой шине, два разных адреса, два котла. ЗОНТ пишут что данный контролер может управлять двумя котлами по принципу основной-резервный. Вопрос в том что не так в котле, что он включает ГВС вместо отопления при сопротивлении 10 кОм. Сейчас стоит сопротивление в 2 кОм, будем посмотреть.

Отправлено спустя 3 минуты 12 секунд:
tsv63 писал(а): 24 янв 2024, 11:11 Два котла к одному контроллеру... НЕЛЬЗЯ.
Давайте в терминологии, для меня
Контроллер это ZONT h1000
Адаптер - это Универсальный адаптер цифровых шин
Аватара пользователя

tsv63
Старожил
Сообщения: 677
Зарегистрирован: 31 июл 2019, 17:25
Откуда: Покров
Мой котел: BAXI SLIM 1.490 iN
Благодарил (а): 18 раз
Поблагодарили: 50 раз

Zont h1000, openterm, baxislim включает ГВС вместо отопления.

Сообщение tsv63 »

R-TRY, добавить к выше написанному мне нечего.
OpenTherm контроллер. Собственная разработка. Описание

Автор темы
R-TRY
Забегающий
Сообщения: 27
Зарегистрирован: 24 янв 2024, 09:26
Откуда: Иваново
Мой котел: Baxi slim

Zont h1000, openterm, baxislim включает ГВС вместо отопления.

Сообщение R-TRY »

tsv63, ну и хорошо, подожду, может кто-то подскажет что-то дельное, а не будет без аргументации рассуждать о колхозе.

Starik
Местный аксакал
Сообщения: 7432
Зарегистрирован: 27 ноя 2015, 22:41
Откуда: Краснодарский край
Мой котел: BAXI MAIN 5 14f
Благодарил (а): 73 раза
Поблагодарили: 819 раз
Возраст: 59

Zont h1000, openterm, baxislim включает ГВС вместо отопления.

Сообщение Starik »

R-TRY писал(а): 24 янв 2024, 11:19а не будет без аргументации рассуждать
:lol: Потрясающе грамотный выпад.

Автор темы
R-TRY
Забегающий
Сообщения: 27
Зарегистрирован: 24 янв 2024, 09:26
Откуда: Иваново
Мой котел: Baxi slim

Zont h1000, openterm, baxislim включает ГВС вместо отопления.

Сообщение R-TRY »

Starik писал(а): 24 янв 2024, 12:28 Потрясающе грамотный выпад.
Восхитительно конструктивный комментарий, тут форум по котлам или по недоюмору?

Starik
Местный аксакал
Сообщения: 7432
Зарегистрирован: 27 ноя 2015, 22:41
Откуда: Краснодарский край
Мой котел: BAXI MAIN 5 14f
Благодарил (а): 73 раза
Поблагодарили: 819 раз
Возраст: 59

Zont h1000, openterm, baxislim включает ГВС вместо отопления.

Сообщение Starik »

R-TRY писал(а): 24 янв 2024, 12:31тут форум по котлам
Именно так, а не ликбез по Опентерму.

Автор темы
R-TRY
Забегающий
Сообщения: 27
Зарегистрирован: 24 янв 2024, 09:26
Откуда: Иваново
Мой котел: Baxi slim

Zont h1000, openterm, baxislim включает ГВС вместо отопления.

Сообщение R-TRY »

Ну так я задал вопрос по котлу и вроде в правильной категории и надеялся получить конструктивное обсуждение на тему что не так. А получил высказывания агронома-завсегдатая. По сабжу ни чего.

Starik
Местный аксакал
Сообщения: 7432
Зарегистрирован: 27 ноя 2015, 22:41
Откуда: Краснодарский край
Мой котел: BAXI MAIN 5 14f
Благодарил (а): 73 раза
Поблагодарили: 819 раз
Возраст: 59

Zont h1000, openterm, baxislim включает ГВС вместо отопления.

Сообщение Starik »

R-TRY писал(а): 24 янв 2024, 12:41А получил высказывания агронома-завсегдатая.
Ты бы обратил внимание не на себя любимого, а на подпись того, кого сейчас оскорбить стараешься. Как с тобой можно что-то обсуждать после этого? И обсуждение не простых вопросов с дилетантами вообще бессмысленно, ибо дилетанту надо, для начала, понять содержание инструкции к девайсу (о котором мечтается создание обсуждения). Или ты в серьёз уверен в том, что ты тут первый и единственный с подобным вопросом? ;)

Автор темы
R-TRY
Забегающий
Сообщения: 27
Зарегистрирован: 24 янв 2024, 09:26
Откуда: Иваново
Мой котел: Baxi slim

Zont h1000, openterm, baxislim включает ГВС вместо отопления.

Сообщение R-TRY »

Да что мне подписи, если человек говорит колхоз и отходит в сторону. Подключено все правильно, согласно инструкции, два адаптера на цифровую шину контроллера, с каждого адаптера провод на котел. Котел в ручном работает нормально, от контроллера не правильно. Описал вроде что сделал, достаточно подробно. Человек говорит что один контроллер - один котел, ну это вот вообще уже на уровне бреда.

Starik
Местный аксакал
Сообщения: 7432
Зарегистрирован: 27 ноя 2015, 22:41
Откуда: Краснодарский край
Мой котел: BAXI MAIN 5 14f
Благодарил (а): 73 раза
Поблагодарили: 819 раз
Возраст: 59

Zont h1000, openterm, baxislim включает ГВС вместо отопления.

Сообщение Starik »

R-TRY писал(а): 24 янв 2024, 13:08человек говорит колхоз
Ты молодец, уже самостоятельно во всем разобрался. Полагаю, что беседа себя исчерпала полностью. ;)

Автор темы
R-TRY
Забегающий
Сообщения: 27
Зарегистрирован: 24 янв 2024, 09:26
Откуда: Иваново
Мой котел: Baxi slim

Zont h1000, openterm, baxislim включает ГВС вместо отопления.

Сообщение R-TRY »

Шапито какой-то. Сам с собой поговорил.
Аватара пользователя

tsv63
Старожил
Сообщения: 677
Зарегистрирован: 31 июл 2019, 17:25
Откуда: Покров
Мой котел: BAXI SLIM 1.490 iN
Благодарил (а): 18 раз
Поблагодарили: 50 раз

Zont h1000, openterm, baxislim включает ГВС вместо отопления.

Сообщение tsv63 »

R-TRY писал(а): 24 янв 2024, 09:41 Прошу помощи, как это все правильно подключить?
R-TRY писал(а): 24 янв 2024, 13:08 Подключено все правильно, согласно инструкции, два адаптера на цифровую шину контроллера, с каждого адаптера провод на котел.
Если всё правильно, к чему вопросы? Или, всё же, инструкцию стоит перечитать? Полагаю, для тебя, все цифровые шины одинаковые и ты не видишь разницы между шинами RS485 (если он в твоём есть) и OpenTherm. "Универсальный адаптер цифровых шин" их у зонта много. Какой у тебя и как подключен к h1000?
OpenTherm контроллер. Собственная разработка. Описание

Автор темы
R-TRY
Забегающий
Сообщения: 27
Зарегистрирован: 24 янв 2024, 09:26
Откуда: Иваново
Мой котел: Baxi slim

Zont h1000, openterm, baxislim включает ГВС вместо отопления.

Сообщение R-TRY »

tsv63 писал(а): 24 янв 2024, 19:59 Полагаю, для тебя, все цифровые шины одинаковые и ты не видишь разницы между шинами RS485 и OpenTherm.
Не понимаю почему такое предположение, я сисадминю уже 25 лет, и работаю с огромным зоопарком оборудования от торгового до медицинского. И разницы в шинах, протоколах и тд понимаю прекрасно. Подключено все по инструкции. Один адаптер зонт опентерм древний, как и сам контролёр зонт н-1000. Докупил новый, универсальный. Оба адаптера подключены в контроллер в интерфейс к-лайн. Дальше от адаптера по два провода в котел в доп плату. Как и написано к инструкции baxi и в схеме на ресурсе zont.
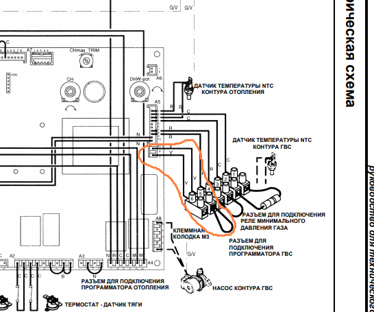
Ни где не нашел схему подключения каскада из двух котлов, просто есть упоминание в инструкции. Оба котла одинаковые, различия только в ГВС, оно расключено только на одном котле. Правильно или нет - хз. Делал не я.
Что имеем. Котёл, основной, с ГВС, работает и определяется правильно при подключении к любому из адаптеров. Котёл резервный работает не правильно ни на одном из адаптеров. Логично предположить что, что-то не то в котле. Разница только в ГВС, на основном в разьемы 1-2 подключен термодатчик ГВС, на резвном стоял резюк в 10 кОм. Резервный ни в какую не хотел включать отопление и упорно грел ГВС до максимума. Вынул резюк, заработало отопление на основном и вышла ошибка по ГВС, что логично. Поставил вместо 10 резюк на 2 кОм, все заработало корректно. ГВС резервный не греет, отопление греет. Остаётся только прописать логику включения резервного котла, это уже вопрос к зонту, дело десятое. Вопрос один, насколько это верно подключено, так как в инструкции об этом ни слова и зонт в статусе котла упорно видит что ГВС, как контур, включен. Если это глюк зонта и надо их тормошить, тогда ок. Если нет, то хочу разобраться. Просто если к этому адаптеру (резервный котел) подключу основной котел (с ГВС), то там в статусе пишет что ГВС не активен, т.е. все правильно, хоть он на котле в расключен.
Надеюсь понятно обрисовал картинку.

P.s. стараюсь использовать теже термины что и в инструкции.
P.s.s адаптер вот этот.
Аватара пользователя

BAXI-Ural
Представитель BAXI
Представитель BAXI
Сообщения: 4493
Зарегистрирован: 07 авг 2012, 18:49
Откуда: Екатеринбург
Благодарил (а): 6 раз
Поблагодарили: 375 раз
Возраст: 57

Zont h1000, openterm, baxislim включает ГВС вместо отопления.

Сообщение BAXI-Ural »

УточнитеR-TRY, на фото на клемнике где резистор не заметно снята либо не снята желтая перемычка? Впечатление, что подключается антилегионела...
Ярослав Грабик
технический специалист BAXI, Екатеринбург
Аватара пользователя

tsv63
Старожил
Сообщения: 677
Зарегистрирован: 31 июл 2019, 17:25
Откуда: Покров
Мой котел: BAXI SLIM 1.490 iN
Благодарил (а): 18 раз
Поблагодарили: 50 раз

Zont h1000, openterm, baxislim включает ГВС вместо отопления.

Сообщение tsv63 »

R-TRY, много букв...ещё раз попробую. H1000 или H1000+PRO? "Универсальный адаптер цифровых шин" с шиной RS485 или без? Как тобой с коммутированы?
п.с. древний H1000 с каскадом работать не будет.
OpenTherm контроллер. Собственная разработка. Описание

Автор темы
R-TRY
Забегающий
Сообщения: 27
Зарегистрирован: 24 янв 2024, 09:26
Откуда: Иваново
Мой котел: Baxi slim

Zont h1000, openterm, baxislim включает ГВС вместо отопления.

Сообщение R-TRY »

Ещё раз напишу. Контроллер старый H-1000, один адаптер тоже старый, на дин рейку, только под опентерм. Второй адаптер новый, универсальный, как по ссылке. Оба адаптера подключены в один (!) разъем контроллера, в k-line. Оба адаптера определяются в контроллере под разными адресами.
В инструкции написано что умеет и будет.
Последний раз редактировалось R-TRY 24 янв 2024, 20:57, всего редактировалось 2 раза.
Ответить
  • Похожие темы
    Ответы
    Просмотры
    Последнее сообщение
  • Один датчик темпеературы ГВС к двум котлам BAXI+ZONT
    gymanoid » » в форуме Электрокоммутация
    5 Ответы
    747 Просмотры
    Последнее сообщение Bahus
  • Baxi main 5 14 f гул во время отопления после отключения ГВС
    Romrain » » в форуме Поломалось - чинимся
    18 Ответы
    3740 Просмотры
    Последнее сообщение Starik
  • Работа контура ГВС, котел BAXI Eco Star, термостат Zont Smart New
    ximik666 » » в форуме Автоматика котлов
    10 Ответы
    4869 Просмотры
    Последнее сообщение ximik666
  • Нагревается вода контура системы отопления в режиме ГВС
    Almy » » в форуме Поломалось - чинимся
    39 Ответы
    16933 Просмотры
    Последнее сообщение SergEsin
  • SLIM 1.230 IN хлопает при переключении на гвс с отопления
    Виталий 1977 » » в форуме Поломалось - чинимся
    1 Ответы
    2183 Просмотры
    Последнее сообщение Bahus

Вернуться в «Программирование настроек»

Кто сейчас на конференции

Сейчас этот форум просматривают: нет зарегистрированных пользователей и 4 гостя