Доброго дня.
Максимальная рабочая дельта для чугунных теплообменников 20 градусов, кто то пишет что при Д в 35 гр. может произойти разрушение теплообменника.
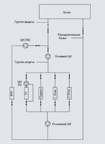
Гидравлическая схема у меня обычная без стрелок, с коллектора на радиаторы, ТП и ветка с насосом на БКН, который включается по запросу на ГВС от датчика Т, насосы отопления и ТП при этом отключаются. Управление СО и ГВС с ЗОНТ. Котел 1.400, БКН 200 л 30кВт.
При работе на нагрев БКН температура ТН достигает 90 гр., но при достижении желаемой температуры ГВС котел переходит на отопление - запускаются ЦН СО и ТП. При этом в СО и ТП теплоноситель порядком остывший, градусов до 30-35, начинает поступать в только что раскаленный теплообменник.
Вопрос как с этим бороться и стоит ли? Я думаю не один с такой проблемой, подскажите пожалуйста.
Из мыслей пока поставить реле задержки выключения на ЦН СО и ТП минут на 10-15, чтобы ТН побольше прогревался в режиме ГВС. Или не нужно заморачиваться и пусть работает как есть.
Baxi 1.400 Дельта при переключении режима с ГВС (БКН) на отопление
-
Starik
- Местный аксакал
- Сообщения: 7459
- Зарегистрирован: 27 ноя 2015, 22:41
- Откуда: Краснодарский край
- Мой котел: BAXI MAIN 5 14f
- Благодарил (а): 73 раза
- Поблагодарили: 820 раз
- Возраст: 59
Baxi 1.400 Дельта при переключении режима с ГВС (БКН) на отопление
Много информации разной не всегда хорошо.
Для котлов с чугуном существует одно предостережение - подпитку СО подключать в подачу и ни в коем случае не в обратку.
Для котлов с чугуном существует одно предостережение - подпитку СО подключать в подачу и ни в коем случае не в обратку.
-
Bahus
- Главный администратор

- Сообщения: 12998
- Зарегистрирован: 24 июл 2012, 13:05
- Откуда: Пенза
- Мой котел: Пензенская ТЭЦ-1
- Благодарил (а): 83 раза
- Поблагодарили: 1686 раз
- Возраст: 45
Baxi 1.400 Дельта при переключении режима с ГВС (БКН) на отопление
Чугун штука странная.
Но если у вас он до сих пор живой в таком режиме - значит всё нормально. Так-то инженерами было предусмотрено, что при возврате из ГВС дельта большая будет. 25 лет сотни тысяч Слимов трудятся в таком режиме. Все живые, как-будто.
Но если у вас он до сих пор живой в таком режиме - значит всё нормально. Так-то инженерами было предусмотрено, что при возврате из ГВС дельта большая будет. 25 лет сотни тысяч Слимов трудятся в таком режиме. Все живые, как-будто.
В ЛС отвечаю только по работе форума
Илья Бахталин
АСЦ BAXI "Санфорт". г. Пенза
Подключение к Зонту - bahus1980
Илья Бахталин
АСЦ BAXI "Санфорт". г. Пенза
Подключение к Зонту - bahus1980
-
- Похожие темы
- Ответы
- Просмотры
- Последнее сообщение
Кто сейчас на конференции
Сейчас этот форум просматривают: нет зарегистрированных пользователей и 22 гостя