Разгонный участок трубы LUNA-3 Comfort 1.240 i
-
Naturalist
- Бывалый
- Сообщения: 71
- Зарегистрирован: 12 янв 2019, 20:27
- Откуда: Москва
- Мой котел: Baxi Luna 3 Comfort 1.240 i (атм. однок)
- Благодарил (а): 1 раз
- Поблагодарили: 2 раза
Разгонный участок трубы LUNA-3 Comfort 1.240 i
Добрый день.
Какая минимальная длина вертикального разгонного участка для котла LUNA-3 Comfort 1.240 i ??
Не нашел данных в документации (нет для атмосферников).
Не знаю какие действуют нормы.
Какая минимальная длина вертикального разгонного участка для котла LUNA-3 Comfort 1.240 i ??
Не нашел данных в документации (нет для атмосферников).
Не знаю какие действуют нормы.
-
Starik
- Местный аксакал
- Сообщения: 7296
- Зарегистрирован: 27 ноя 2015, 22:41
- Откуда: Краснодарский край
- Мой котел: BAXI MAIN 5 14f
- Благодарил (а): 72 раза
- Поблагодарили: 798 раз
- Возраст: 59
Разгонный участок трубы LUNA-3 Comfort 1.240 i
Согласен - в комплексе. Там же всё участвует, не только трубы. Поэтому углы и надо выравнивать, если есть место. Это как раз тот случай, когда запас карман не тянет.
-
garikov76
- Сообщения: 1
- Зарегистрирован: 12 ноя 2020, 07:38
- Откуда: Пермь
- Мой котел: Baxi Luna 3 Comfort 1.240 i
Разгонный участок трубы LUNA-3 Comfort 1.240 i
Есть официальное письмо от BAXI. Разгонный участок 2d дымохода.
- Вложения
-
717 - Об указании длины вертикального участка.pdf- (270.35 КБ) 316 скачиваний
Разгонный участок трубы LUNA-3 Comfort 1.240 i
Добрый день! Кто-нибудь может поделиться письмом от BAXI по поводу размера разгонной трубы? По указанной выше ссылке нет документа. С сантехником возник спор - он говорит, что если нигде не написано (а в инструкции к котлу этого нет), то разгонный участок и не нужен.
-
Starik
- Местный аксакал
- Сообщения: 7296
- Зарегистрирован: 27 ноя 2015, 22:41
- Откуда: Краснодарский край
- Мой котел: BAXI MAIN 5 14f
- Благодарил (а): 72 раза
- Поблагодарили: 798 раз
- Возраст: 59
Разгонный участок трубы LUNA-3 Comfort 1.240 i
Nick777 писал(а): 11 янв 2024, 12:44С сантехником возник спор - он говорит, что если нигде не написано (а в инструкции к котлу этого нет), то разгонный участок и не нужен.
Законодательство РФ изменили, в СССР было четко прописано обязательное наличие разгонного участка (50 см, емнип). Сейчас это убрали, чего и кому помешало доподлинно не известно.
Тему ты читал, так что сам решай что тебе нужно, а в нынешнем законодательстве не отыщешь (а может уже снова что-то изменили, не знаю).
Разгонный участок трубы LUNA-3 Comfort 1.240 i
Сантехником я называю человека, который делает мне котельную, отопление и воду.
Он котел повесил почти под потолок. Вот пытаюсь его уговорить перевесить ниже
Проект котельной не делал, понадеялся на его профессионализм.
Он котел повесил почти под потолок. Вот пытаюсь его уговорить перевесить ниже
Проект котельной не делал, понадеялся на его профессионализм.
-
RADAR
- Местный аксакал
- Сообщения: 6638
- Зарегистрирован: 25 июл 2012, 00:33
- Откуда: г.Кострома
- Мой котел: Gepard 23MTV19
- Благодарил (а): 111 раз
- Поблагодарили: 412 раз
- Возраст: 51
Разгонный участок трубы LUNA-3 Comfort 1.240 i
может сегодня у него плохое настроение
Отправлено спустя 11 минут :
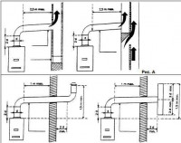
где то была картинка из инструкции Baxi...
-
Starik
- Местный аксакал
- Сообщения: 7296
- Зарегистрирован: 27 ноя 2015, 22:41
- Откуда: Краснодарский край
- Мой котел: BAXI MAIN 5 14f
- Благодарил (а): 72 раза
- Поблагодарили: 798 раз
- Возраст: 59
Разгонный участок трубы LUNA-3 Comfort 1.240 i
Как назвал, так и делает.Nick777 писал(а): 11 янв 2024, 16:50Сантехником я называю человека, который делает мне котельную,...
Ты уверен, что горгаз такая самодеятельность устроит?
-
- Похожие темы
- Ответы
- Просмотры
- Последнее сообщение
-
- 8 Ответы
- 6925 Просмотры
-
Последнее сообщение Bahus
-
- 8 Ответы
- 409 Просмотры
-
Последнее сообщение Bahus
-
- 5 Ответы
- 401 Просмотры
-
Последнее сообщение Bahus
-
- 8 Ответы
- 44210 Просмотры
-
Последнее сообщение Starik
-
- 109 Ответы
- 48687 Просмотры
-
Последнее сообщение ganichevsi
Кто сейчас на конференции
Сейчас этот форум просматривают: нет зарегистрированных пользователей и 3 гостя