Некорректная работа Baxi connect с Baxi eco life
- 
				Egor420
 
- Новичок
- Сообщения: 9
- Зарегистрирован: 15 май 2024, 14:34
- Откуда: Москва
- Мой котел: Baxi eco life
- Поблагодарили: 2 раза
Некорректная работа Baxi connect с Baxi eco life
Помогите разобраться с проблемой работы котла Baxi eco life в связке с Baxi connect. Проблема в следующем. Если котел стоит в режиме отопления и ждет пока температура в доме опустится ниже заданной в приложении, то естественно происходит постепенное охлаждение теплоносителя. И как только она опускается до 30 градусов котел кратковременно где-то на минуту включается и догоняет ее до 35 и так приблизительно раз в 10 минут. При этом температура в доме выше заданной, т. е. греть по логике вообще-то ничего не надо. Я сделал вывод, что это связано с заводским установками котла по температуре 30-80. Кто знает, как решить эту проблему?
			
			
									
						- 
				Bahus
 
- Главный администратор 
- Сообщения: 12486
- Зарегистрирован: 24 июл 2012, 13:05
- Откуда: Пенза
- Мой котел: Пензенская ТЭЦ-1
- Благодарил (а): 78 раз
- Поблагодарили: 1612 раз
- Возраст: 45
Не корректная работа Baxi connect с Baxi eco life
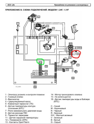
Как Коннект подключен? По цифре или релейно на М1?
А вообще - когда непонятно чьи настройки влияют - отключаем контроллер, смотрим что изменилось.
			
			
									
						А вообще - когда непонятно чьи настройки влияют - отключаем контроллер, смотрим что изменилось.
- 
				Bahus
 
- Главный администратор 
- Сообщения: 12486
- Зарегистрирован: 24 июл 2012, 13:05
- Откуда: Пенза
- Мой котел: Пензенская ТЭЦ-1
- Благодарил (а): 78 раз
- Поблагодарили: 1612 раз
- Возраст: 45
Не корректная работа Baxi connect с Baxi eco life
Думаю это команда с Коннекта идёт. Не припомню ни одного случая в логике работы котла, чтобы при комнатной температуре выше заданной он включал бы горелку. Кроме режима антизамерзания. Но там температура теплоносителя должна опуститься до +5.
А если в режим "Лето" перевести и дождаться 30°С теплоноситель? Включится, не?
Думаю всё-таки нужно копать настройки Коннекта.
			
			
									
						А если в режим "Лето" перевести и дождаться 30°С теплоноситель? Включится, не?
Думаю всё-таки нужно копать настройки Коннекта.
- 
				Egor420
 
- Новичок
- Сообщения: 9
- Зарегистрирован: 15 май 2024, 14:34
- Откуда: Москва
- Мой котел: Baxi eco life
- Поблагодарили: 2 раза
Не корректная работа Baxi connect с Baxi eco life
Если ставлю в лето, то работает только ГВС, на отопление котел не переходит. Но в этом режиме все нормально. Я тоже уже думаю, что дело в connect потому что если отключить его и не ставить перемычку обратно, то котел успешно стоит на отоплении в режиме ожидания и не включается пока не замкнуть контакты термостата. Но вот какие настройки? Все уже перепробовал(((  и вот еще что заметил. На управлении с конекта в режиме ожидания на отоплении циркуляционный насос вообще не останавливается. Обращался в тех поддержку микро Лайта. Там ссылаются на то, что это не они виноваты, типо особенности котла. Обращался в тех поддержку вакси. Сказали так быть не должно. Короче HELP !!!
Отправлено спустя 3 минуты 35 секунд:
Зато я победил и сделал так, чтобы на этом котле работало если мне надо только отопление без ГВС. Если кому нужно могут рассказать как)))
			
			
									
						Отправлено спустя 3 минуты 35 секунд:
Зато я победил и сделал так, чтобы на этом котле работало если мне надо только отопление без ГВС. Если кому нужно могут рассказать как)))
- 
				RADAR
 
- Местный аксакал
- Сообщения: 6606
- Зарегистрирован: 25 июл 2012, 00:33
- Откуда: г.Кострома
- Мой котел: Gepard 23MTV19
- Благодарил (а): 108 раз
- Поблагодарили: 406 раз
- Возраст: 50
Не корректная работа Baxi connect с Baxi eco life
издержки разных производителей...каждый валит на другого...я бы не использовал опентерм, релейный режим с датчиком уличной температуры к котлу да и все...
			
			
									
						- 
				Starik
 
- Местный аксакал
- Сообщения: 7003
- Зарегистрирован: 27 ноя 2015, 22:41
- Откуда: Краснодарский край
- Мой котел: BAXI MAIN 5 14f
- Благодарил (а): 71 раз
- Поблагодарили: 770 раз
- Возраст: 59
Не корректная работа Baxi connect с Baxi eco life
И получил проблему, о которой тут вещаешь.
 Отматывай взад.
 Отматывай взад.Не корректная работа Baxi connect с Baxi eco life
Поделитесь пожалуйста. Сам с такой проблемой столкнулся, победить пока не могу. связка котел - контроллер точно такая же.Egor420 писал(а): 18 май 2024, 22:37 Зато я победил и сделал так, чтобы на этом котле работало если мне надо только отопление без ГВС. Если кому нужно могут рассказать как)))
- 
				tsv63
 
- Старожил
- Сообщения: 677
- Зарегистрирован: 31 июл 2019, 17:25
- Откуда: Покров
- Мой котел: BAXI SLIM 1.490 iN
- Благодарил (а): 18 раз
- Поблагодарили: 50 раз
Не корректная работа Baxi connect с Baxi eco life
juck9342, иногда полезно по нескольку раз перечитать инструкции...
			
			
									
						OpenTherm контроллер. Собственная разработка. Описание
			
						Не корректная работа Baxi connect с Baxi eco life
Очень полезный совет, а вы сами то видели инструкцию к Baxi Коннект??? Ее хоть 50 раз перечитай, в ней нет полноценной информации.tsv63 писал(а): 26 июл 2024, 16:04 juck9342, иногда полезно по нескольку раз перечитать инструкции...
- 
				Egor420
 
- Новичок
- Сообщения: 9
- Зарегистрирован: 15 май 2024, 14:34
- Откуда: Москва
- Мой котел: Baxi eco life
- Поблагодарили: 2 раза
Не корректная работа Baxi connect с Baxi eco life
Через реле Baxi конекта параллельно датчику температуры ГВС подключить резистр на 3.5 КОм. При включении реле, котел будет думать, что вода в бойлере 70 гр. и греть ее не будет. Проверено, работает.
			
			
									
						- 
				IdLerrr
 
- Новичок
- Сообщения: 12
- Зарегистрирован: 13 дек 2024, 11:21
- Откуда: город Владимир
- Мой котел: Baxi Ecolife 1.31F
- Благодарил (а): 9 раз
- Возраст: 47
Не корректная работа Baxi connect с Baxi eco life
У меня такая же проблема только на котел.ОК от ипроконнекта. Подключено по openthrm+, котёл управляется по пид, но когда температура в помещении достигает нужной, горелка отключается, а вот насос работает не останавливаясь до следующего включения горелки. Тех поддержка ипроконнекта сказала, что они не при чём, нужно ковырять настройки котла. Так вот вопрос как в этом режиме добиться отключения насоса.Egor420 писал(а): 18 май 2024, 22:37 На управлении с конекта в режиме ожидания на отоплении циркуляционный насос вообще не останавливается.
- 
				Bahus
 
- Главный администратор 
- Сообщения: 12486
- Зарегистрирован: 24 июл 2012, 13:05
- Откуда: Пенза
- Мой котел: Пензенская ТЭЦ-1
- Благодарил (а): 78 раз
- Поблагодарили: 1612 раз
- Возраст: 45
Не корректная работа Baxi connect с Baxi eco life
Котелок какой? 4.0?
У Котелка довольно скудный выбор моделей котла в OT+. Что установили? Луна-3?
			
			
									
						У Котелка довольно скудный выбор моделей котла в OT+. Что установили? Луна-3?
- 
				IdLerrr
 
- Новичок
- Сообщения: 12
- Зарегистрирован: 13 дек 2024, 11:21
- Откуда: город Владимир
- Мой котел: Baxi Ecolife 1.31F
- Благодарил (а): 9 раз
- Возраст: 47
Не корректная работа Baxi connect с Baxi eco life
да, поставил луна-3.
у котелка два варианта подключения: opentherm- и opentherm+
По первому отключает насос, но не отсылает ошибки в приложение, по второму варианту отправляет ошибки, но не отключает насос.
И вот как бы так извернуться, что бы он и по второму варианту подключения отключал насос?
			
			
									
						у котелка два варианта подключения: opentherm- и opentherm+
По первому отключает насос, но не отсылает ошибки в приложение, по второму варианту отправляет ошибки, но не отключает насос.
И вот как бы так извернуться, что бы он и по второму варианту подключения отключал насос?
- 
				Bahus
 
- Главный администратор 
- Сообщения: 12486
- Зарегистрирован: 24 июл 2012, 13:05
- Откуда: Пенза
- Мой котел: Пензенская ТЭЦ-1
- Благодарил (а): 78 раз
- Поблагодарили: 1612 раз
- Возраст: 45
Не корректная работа Baxi connect с Baxi eco life
Мучал я четвёрку. Правда на EcoFour. Но несколько в другую сторону, поэтому хоть убей не помню что там с выбегом было. Вроде отключался.
Попробуйте прошиться свежей версией. На сайте B27 лежит. У меня есть B28, они там ошибку поправили (ошибки котла в 16-ричном виде отображались). Можно её подкинуть. Дело не сильно хитрое.
			
							Попробуйте прошиться свежей версией. На сайте B27 лежит. У меня есть B28, они там ошибку поправили (ошибки котла в 16-ричном виде отображались). Можно её подкинуть. Дело не сильно хитрое.
- Вложения
- 
			
		
		
				 Kotelok3_app_B28_15.11.2024.zip Kotelok3_app_B28_15.11.2024.zip
- (227.72 КБ) 91 скачивание
 
- 
				IdLerrr
 
- Новичок
- Сообщения: 12
- Зарегистрирован: 13 дек 2024, 11:21
- Откуда: город Владимир
- Мой котел: Baxi Ecolife 1.31F
- Благодарил (а): 9 раз
- Возраст: 47
Не корректная работа Baxi connect с Baxi eco life
Спасибо. Попробую.Bahus писал(а): 16 дек 2024, 15:17 Мучал я четвёрку. Правда на EcoFour. Но несколько в другую сторону, поэтому хоть убей не помню что там с выбегом было. Вроде отключался.
Попробуйте прошиться свежей версией. На сайте B27 лежит. У меня есть B28, они там ошибку поправили (ошибки котла в 16-ричном виде отображались). Можно её подкинуть. Дело не сильно хитрое.
Я и разные котлы пробовал ставить, кроме луны3, никакой разницы - работает насос и всё тут. А ипроконнект утверждают, что прибор не управляет насосом, а вопрос со стороны котла естественно.
- 
				Bahus
 
- Главный администратор 
- Сообщения: 12486
- Зарегистрирован: 24 июл 2012, 13:05
- Откуда: Пенза
- Мой котел: Пензенская ТЭЦ-1
- Благодарил (а): 78 раз
- Поблагодарили: 1612 раз
- Возраст: 45
- 
				IdLerrr
 
- Новичок
- Сообщения: 12
- Зарегистрирован: 13 дек 2024, 11:21
- Откуда: город Владимир
- Мой котел: Baxi Ecolife 1.31F
- Благодарил (а): 9 раз
- Возраст: 47
Не корректная работа Baxi connect с Baxi eco life
М1 пятую убрал, а с М2 чего убирать?Bahus писал(а): 16 дек 2024, 17:49 Непрочитанное сообщение Bahus » Вчера, 17:49
Так. А вы перемычку с М2 убрали?
- 
				Bahus
 
- Главный администратор 
- Сообщения: 12486
- Зарегистрирован: 24 июл 2012, 13:05
- Откуда: Пенза
- Мой котел: Пензенская ТЭЦ-1
- Благодарил (а): 78 раз
- Поблагодарили: 1612 раз
- Возраст: 45
Не корректная работа Baxi connect с Baxi eco life
М1, да. Это я опечатался. С М2 ничего не нужно убирать.
			
			
									
						- 
				IdLerrr
 
- Новичок
- Сообщения: 12
- Зарегистрирован: 13 дек 2024, 11:21
- Откуда: город Владимир
- Мой котел: Baxi Ecolife 1.31F
- Благодарил (а): 9 раз
- Возраст: 47
Не корректная работа Baxi connect с Baxi eco life
Вот я собственно, к чему... У человека же тоже молотит насос на коннекте, так что и котел.Ок получается не при чём...Egor420 писал(а): 18 май 2024, 22:37 На управлении с конекта в режиме ожидания на отоплении циркуляционный насос вообще не останавливается. Обращался в тех поддержку микро Лайта. Там ссылаются на то, что это не они виноваты, типо особенности котла.
Видимо в котле надо что то подшаманить, или оба производителя с одного исходника прошивки пилят каждый под свой прибор.
- 
				EvgenySh
 
- Опытный
- Сообщения: 301
- Зарегистрирован: 24 апр 2024, 20:17
- Откуда: Москва
- Мой котел: Eco Four 1.14F
- Благодарил (а): 3 раза
- Поблагодарили: 29 раз
Не корректная работа Baxi connect с Baxi eco life
А горелка включается менее чем через три минуты ?IdLerrr писал(а): 16 дек 2024, 11:12 а вот насос работает не останавливаясь до следующего включения горелки.
Отправлено спустя 2 минуты 30 секунд:
Можно подробнее откуда два режима опентерм ? Вроде как бы интерфейс один, а полярность у него отсутствует
- 
				Bahus
 
- Главный администратор 
- Сообщения: 12486
- Зарегистрирован: 24 июл 2012, 13:05
- Откуда: Пенза
- Мой котел: Пензенская ТЭЦ-1
- Благодарил (а): 78 раз
- Поблагодарили: 1612 раз
- Возраст: 45
Не корректная работа Baxi connect с Baxi eco life
Я задавал этот вопрос техподдерже. Что-то не очень внятное рассказали. Вроде того, что есть котлы в которых полноценный Opentherm. А есть у которых "на полшишечки". Я слабо себе это представляю, конечно. То есть подключается к цифре, но особых преференций нет. Типа псевдоцифровой что ли.....
+ и - это не про подключение. У них просто режимы эти так называются. Opentherm+ позволяет выбрать модель котла, к которому подключаемся (список довольно скудный на данный момент). Можно установить температуру теплоносителя. Но я тестил на сухом котле (без теплоносителя и газа) поэтому насколько там всё адекватно работает - хз. Ну и отображает с цифры параметры горелка вкл/выкл, какой режим в работе, модуляция в данный момент, интенсивность пламени, ошибки.
На Opentherm- можно только диапазон мощности выставить и плавность модуляции (вроде бы). Остальное мимо. Но я его в принципе не тестил плотно.
Да. С уличным датчиком не умеет работать навовсе. В режиме ОТ+ значение показывает, но и только. Больше с этим ничего не сделать. Хотя техподдержка говорит, что они работают в эту сторону.
			
			
									
						+ и - это не про подключение. У них просто режимы эти так называются. Opentherm+ позволяет выбрать модель котла, к которому подключаемся (список довольно скудный на данный момент). Можно установить температуру теплоносителя. Но я тестил на сухом котле (без теплоносителя и газа) поэтому насколько там всё адекватно работает - хз. Ну и отображает с цифры параметры горелка вкл/выкл, какой режим в работе, модуляция в данный момент, интенсивность пламени, ошибки.
На Opentherm- можно только диапазон мощности выставить и плавность модуляции (вроде бы). Остальное мимо. Но я его в принципе не тестил плотно.
Да. С уличным датчиком не умеет работать навовсе. В режиме ОТ+ значение показывает, но и только. Больше с этим ничего не сделать. Хотя техподдержка говорит, что они работают в эту сторону.
- 
				IdLerrr
 
- Новичок
- Сообщения: 12
- Зарегистрирован: 13 дек 2024, 11:21
- Откуда: город Владимир
- Мой котел: Baxi Ecolife 1.31F
- Благодарил (а): 9 раз
- Возраст: 47
Не корректная работа Baxi connect с Baxi eco life
Почему? Она (горелка) включается когда датчик температуры в помещении ей позволит. А вот насос по Opentherm+ через три минуты не выключается. А по Opentherm- выключается.
Отправлено спустя 4 минуты 55 секунд:
Вот на хабре нашёл, чел мутил самодельное управление по Opentherm:EvgenySh писал(а): 17 дек 2024, 10:50 Можно подробнее откуда два режима опентерм ? Вроде как бы интерфейс один, а полярность у него отсутствует
"Тут надо сделать необходимый экскурс в OpenTherm. Протокол это не закрытый и не открытый. Не закрытый потому что, если у вас окажется спецификация, то никто вас преследовать не будет. Не открытый потому что никто вам спецификацию протокола просто так не даст. Вступите в OpenTherm Alliance за $$$$$$$, тогда получите доступ к телу протокола. Порывшись в глубинах интернета выцепил спецификацию OT2.2.
На физическом уровне OpenTherm – это две слаботочные линии с открытым напряжением порядка 42В. Управляющее устройство, будучи подключено к ним, может одновременно и питаться и контролировать ведомое.
Спецификация определяет два уровня протокола: OT/+ и OT/Lite.
Первый – это протокол в смысле, в котором это слово понимают большинство людей в IT. Т.е. это некий набор запросов и ответов, которые ходят между управляющим устройством (оно же master unit, оно же room unit, в нашем случае таковым является регулятор) и ведомым(оно же slave unit, это котел). Протокол делится на обязательную часть, в которую входят команды «включить/выключить горелку», «отрапортовать статус» и «установить ту самую температуру воды после контура нагрева (параметр называется setpoint)». В необязательной — куча других, начиная от управления модуляцией пламени до съема расхода газа, давления и скорости движения воды в контуре. При этом управляющее устройство управляет изменением напряжения в этих линиях, а ведомое отвечает изменением тока.
OT/Lite – это более простая штука. Если у вас не хватает ума реализовать OT/+, вы можете просто генерировать ШИМ-сигнал, в соответствии со скважностью которого котел будет управлять установкой setpoint.
Кроме того, спецификация определяет еще тестовый режим, при котором линии накоротко замкнуты. В этом режиме котел греется до тех пор, пока ему не надоест (читай, пока не будет достигнута верхняя планка температуры воды, установленная на самом котле). Так котел работает без внешнего регулятора (поэтому там при вскрытии висела перемычка)."
- 
				IdLerrr
 
- Новичок
- Сообщения: 12
- Зарегистрирован: 13 дек 2024, 11:21
- Откуда: город Владимир
- Мой котел: Baxi Ecolife 1.31F
- Благодарил (а): 9 раз
- Возраст: 47
Не корректная работа Baxi connect с Baxi eco life
по Opentherm- он работает так же как термостат на перемычке на М1. Мутит температуру воды по графику в соответствии с уличным датчиком температуры. И тупо даёт сигнал на вкл/выкл от комнатного термостата. И в обратку на "котел.Ок" отсылает % модуляции горелки и вкл. она или выключена. А на Opentherm+ там уже какая то претензия ПИД регулирования в зависимости от уставки температуры в помещении и в ручную установленного максимума температуры подачи воды, так что уличная температура ему не очень то и нужна.Bahus писал(а): 17 дек 2024, 11:15 Да. С уличным датчиком не умеет работать навовсе. В режиме ОТ+ значение показывает, но и только
- 
				EvgenySh
 
- Опытный
- Сообщения: 301
- Зарегистрирован: 24 апр 2024, 20:17
- Откуда: Москва
- Мой котел: Eco Four 1.14F
- Благодарил (а): 3 раза
- Поблагодарили: 29 раз
Не корректная работа Baxi connect с Baxi eco life
Таких самоделок и прошивок под них на ESP контроллерах достаточно много. Сам интересовался и даже приобрел одно, прошивал разными, смотрел что они умеют, общался с авторами по поводу изменения кода, даже что то сам менял под свои хотелки. В результате мои хотелки остались не реализованы и этот контроллер теперь до лучших времен отдыхает.IdLerrr писал(а): 17 дек 2024, 12:04 Вот на хабре нашёл, чел мутил самодельное управление по Opentherm:
Правильно понимаю, что насос не отключается с контроллером котелок.ОК ? С другими похожими не пробовали ?
- 
				IdLerrr
 
- Новичок
- Сообщения: 12
- Зарегистрирован: 13 дек 2024, 11:21
- Откуда: город Владимир
- Мой котел: Baxi Ecolife 1.31F
- Благодарил (а): 9 раз
- Возраст: 47
Не корректная работа Baxi connect с Baxi eco life
Вот человек начал тему, у него то же самое с Baxi connect:EvgenySh писал(а): 17 дек 2024, 12:57 Правильно понимаю, что насос не отключается с контроллером котелок.ОК ? С другими похожими не пробовали ?
Egor420 писал(а): 16 май 2024, 22:30 Помогите разобраться с проблемой работы котла Baxi eco life в связке с Baxi connect
Egor420 писал(а): 18 май 2024, 22:37 и вот еще что заметил. На управлении с конекта в режиме ожидания на отоплении циркуляционный насос вообще не останавливается.
- 
				EvgenySh
 
- Опытный
- Сообщения: 301
- Зарегистрирован: 24 апр 2024, 20:17
- Откуда: Москва
- Мой котел: Eco Four 1.14F
- Благодарил (а): 3 раза
- Поблагодарили: 29 раз
Не корректная работа Baxi connect с Baxi eco life
Да, нашел инструкцию. Но еще в ней есть вот что:IdLerrr писал(а): 17 дек 2024, 12:50 по Opentherm- он работает так же как термостат на перемычке на М1.
17.5 Управление насосом
Для того чтобы настроить управление насосом, откройте приложение «IproConnect». Войдите
в меню прибора. Перейдите в меню «Настройки=>Управление температурой».
«Управление насосом» - выберите выход для подключения и время работы насоса, затем
нажмите на иконку «Сохранить»:
После того как отопление котла будет отключено, насос продолжит работу по
установленному времени. Время работы насоса можно задать – от 1 минуты, до 30 минут.
Как то это видимо связано. Хотя речь идет о управлении насосом через встроенное реле, что то тут нечисто.
- 
				IdLerrr
 
- Новичок
- Сообщения: 12
- Зарегистрирован: 13 дек 2024, 11:21
- Откуда: город Владимир
- Мой котел: Baxi Ecolife 1.31F
- Благодарил (а): 9 раз
- Возраст: 47
Не корректная работа Baxi connect с Baxi eco life
Это работа дополнительного насоса, например тёплых полов, от одной из двух встроенных физических релюшек в "котел.Ок". По крайней мере, я это так понимаю.EvgenySh писал(а): 17 дек 2024, 13:31 После того как отопление котла будет отключено, насос продолжит работу по
установленному времени. Время работы насоса можно задать – от 1 минуты, до 30 минут.
- 
				EvgenySh
 
- Опытный
- Сообщения: 301
- Зарегистрирован: 24 апр 2024, 20:17
- Откуда: Москва
- Мой котел: Eco Four 1.14F
- Благодарил (а): 3 раза
- Поблагодарили: 29 раз
Не корректная работа Baxi connect с Baxi eco life
Да, это логично. Вот только тут может быть как раз кривой код и если реле не выбрать, то в Оpentherm будет что то лететь по насосу для котла. Конечно нужно логи снимать и проверять, но как это с котелком делать не знаю
- 
					- Похожие темы
- Ответы
- Просмотры
- Последнее сообщение
 
Кто сейчас на конференции
Сейчас этот форум просматривают: нет зарегистрированных пользователей и 1 гость
 
				 
				 
				 
				 
				 
				

