Котёл начал выключать грелку
-
ipator
- Новичок
- Сообщения: 5
- Зарегистрирован: Вчера, 21:56
- Откуда: МО
- Мой котел: BAXI ECO Life 24 F двухконтурный
Котёл начал выключать грелку
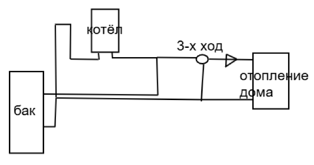
Братцы! Не могу никак понять что происходит. котёл проработал +-год (ECO Life 24 F двухконтурный, контур ГВС не подключен, только отопление) Выставлена температура 70C. Схема - котёл греет малый контур + накопительный бак, ничем не управляется, из него подмес через 3-х ходовой в систему отопления. В течение года держал целевую Т, но с начала января начал отключать горелку - температура падает до значений из диапазона 38-46, потом котёл заводится, работает несколько минут и гасит горелку. при этом никаких ошибок не появляется, как будто работает штатно. В таком режиме может работать несколько часов(2,4, и даже 6) а потом может завестить и держать температуру несколько часов к ряду (от 10 до 24). Давление в зелёной зоне ~ 2, заземление проверено, напряжение - через стабилизатор Рексанта->ИБП Сила->Котёл: стабильно 220. Повторюсь - ошибок нет, но куда дальше курить - не знаю. Воздуха вроде тоже нет -кран маевского стоит в каждом экстремуме, из батарей при попытке стравить воздух - льётся только вода ( и когда работает котёл - все батареи горячие). На подпитке контура стоит грязевик + 10мкм гильза. Нужно ваше мнение - что может быть, идеи кончились
-
RADAR
- Местный аксакал
- Сообщения: 6733
- Зарегистрирован: 25 июл 2012, 00:33
- Откуда: г.Кострома
- Мой котел: Gepard 23MTV19
- Благодарил (а): 113 раз
- Поблагодарили: 415 раз
- Возраст: 51
Котёл начал выключать грелку
можно нарисовать?ipator писал(а): Сегодня, 00:12 Схема - котёл греет малый контур + накопительный бак, ничем не управляется, из него подмес через 3-х ходовой в систему отопления.
-
RADAR
- Местный аксакал
- Сообщения: 6733
- Зарегистрирован: 25 июл 2012, 00:33
- Откуда: г.Кострома
- Мой котел: Gepard 23MTV19
- Благодарил (а): 113 раз
- Поблагодарили: 415 раз
- Возраст: 51
Котёл начал выключать грелку
по этой схеме батареи греться не должны..что то не так нарисовано.. и чем управляется 3хходовой 
-
ipator
- Новичок
- Сообщения: 5
- Зарегистрирован: Вчера, 21:56
- Откуда: МО
- Мой котел: BAXI ECO Life 24 F двухконтурный
Котёл начал выключать грелку
после 3-ходового насос стоит, управляется через самописный контроллер и насос и 3-ходовой.
Отправлено спустя 2 минуты 45 секунд:
В контуре отопление стоит своя циркуляция, если температура падает - 3-ходовой открывается потихоньку и подмешивает горячую воду в большой контур.
Отправлено спустя 2 минуты 45 секунд:
В контуре отопление стоит своя циркуляция, если температура падает - 3-ходовой открывается потихоньку и подмешивает горячую воду в большой контур.
-
RADAR
- Местный аксакал
- Сообщения: 6733
- Зарегистрирован: 25 июл 2012, 00:33
- Откуда: г.Кострома
- Мой котел: Gepard 23MTV19
- Благодарил (а): 113 раз
- Поблагодарили: 415 раз
- Возраст: 51
Котёл начал выключать грелку
Даже с насосом греться не будет контур..
на котле задана постоянно 70 градусов? Цель установки бака какая?
-
ipator
- Новичок
- Сообщения: 5
- Зарегистрирован: Вчера, 21:56
- Откуда: МО
- Мой котел: BAXI ECO Life 24 F двухконтурный
Котёл начал выключать грелку
Бак установлен как аккумулятор тепла, для повышения инерции. Да, схема неправильная, сейчас перерисую
Отправлено спустя 7 минут 41 секунду: Отправлено спустя 6 минут 15 секунд:
Отправлено спустя 7 минут 41 секунду: Отправлено спустя 6 минут 15 секунд:
-
kdme56
- Завсегдатай
- Сообщения: 221
- Зарегистрирован: 12 окт 2022, 23:20
- Откуда: челяба
- Мой котел: BAXI ECO4s 24
- Благодарил (а): 1 раз
- Поблагодарили: 19 раз
-
ipator
- Новичок
- Сообщения: 5
- Зарегистрирован: Вчера, 21:56
- Откуда: МО
- Мой котел: BAXI ECO Life 24 F двухконтурный
Котёл начал выключать грелку
Это да
Но, выключаю контроллер, 3-х выставляю в 0, циркуляция только в малом контуре - ситуация не меняется. котёл работает в вышеуказанном режиме несколько часов и потом выходит на нормальный режим поддержания заданной температуры. ошибок при этом никаких нет. Плохо когда котёл умнее чем хозяин...
Отправлено спустя 3 минуты 21 секунду:
Т.е. я хотел сказать спасибо за участие))) Теперь вроде как понятно куда искать
Но, выключаю контроллер, 3-х выставляю в 0, циркуляция только в малом контуре - ситуация не меняется. котёл работает в вышеуказанном режиме несколько часов и потом выходит на нормальный режим поддержания заданной температуры. ошибок при этом никаких нет. Плохо когда котёл умнее чем хозяин...
Отправлено спустя 3 минуты 21 секунду:
Т.е. я хотел сказать спасибо за участие))) Теперь вроде как понятно куда искать
-
- Похожие темы
- Ответы
- Просмотры
- Последнее сообщение
Кто сейчас на конференции
Сейчас этот форум просматривают: ipator и 27 гостей