устновка доп. термостатов для зон 1-2-3
-
ВладНН
- Забегающий
- Сообщения: 21
- Зарегистрирован: 13 фев 2024, 11:39
- Откуда: ННовгород
- Мой котел: baxi luna 3 comfort
- Благодарил (а): 1 раз
устновка доп. термостатов для зон 1-2-3
baxi luna 3 comfort
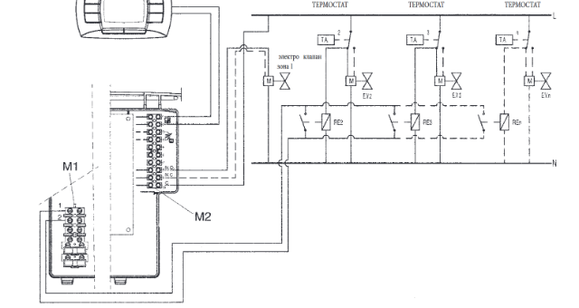
помогите разобраться со схемой подключения доп. зональных термостатов
согласно схемы инструкции
возможно ли использовать подобный термостат TIM TC-E-0090F в приведенной выше схеме для контроля температуры носителя на обратке (возврат от потребителей перед гидрострелкой)
помогите разобраться со схемой подключения доп. зональных термостатов
согласно схемы инструкции
возможно ли использовать подобный термостат TIM TC-E-0090F в приведенной выше схеме для контроля температуры носителя на обратке (возврат от потребителей перед гидрострелкой)
-
Bahus
- Главный администратор

- Сообщения: 12969
- Зарегистрирован: 24 июл 2012, 13:05
- Откуда: Пенза
- Мой котел: Пензенская ТЭЦ-1
- Благодарил (а): 82 раза
- Поблагодарили: 1683 раза
- Возраст: 45
устновка доп. термостатов для зон 1-2-3
Управляемое устройство какое планируется?
Отправлено спустя 1 минуту 54 секунды:
Впрочем непринципиально.
Температурный диапазон позволяет, максимальный ток тоже. Поэтому, думаю да, возможно.
Отправлено спустя 1 минуту 54 секунды:
Впрочем непринципиально.
Температурный диапазон позволяет, максимальный ток тоже. Поэтому, думаю да, возможно.
В ЛС отвечаю только по работе форума
Илья Бахталин
АСЦ BAXI "Санфорт". г. Пенза
Подключение к Зонту - bahus1980
Илья Бахталин
АСЦ BAXI "Санфорт". г. Пенза
Подключение к Зонту - bahus1980
-
ВладНН
- Забегающий
- Сообщения: 21
- Зарегистрирован: 13 фев 2024, 11:39
- Откуда: ННовгород
- Мой котел: baxi luna 3 comfort
- Благодарил (а): 1 раз
устновка доп. термостатов для зон 1-2-3
планировал выносной датчик температуры (погружной) который идет в комплекте с термостатом смонтировать на обратку которая идет на гидрострелку. чтобы по температуре обратки происходила инициация запуска котла и поддерживалась заданой температура носителя за стрелкой
не нашел в инструкции спецификации на контакты 1,2 колодки M1 - можно уточнить по ним?
Отправлено спустя 3 минуты 50 секунд:
подключение L\N такое должно быть?
не нашел в инструкции спецификации на контакты 1,2 колодки M1 - можно уточнить по ним?
Отправлено спустя 3 минуты 50 секунд:
подключение L\N такое должно быть?
-
Bahus
- Главный администратор

- Сообщения: 12969
- Зарегистрирован: 24 июл 2012, 13:05
- Откуда: Пенза
- Мой котел: Пензенская ТЭЦ-1
- Благодарил (а): 82 раза
- Поблагодарили: 1683 раза
- Возраст: 45
устновка доп. термостатов для зон 1-2-3
Там перемычка 220В. Электросхему в инструкции откройте, там всё отрисовано.ВладНН писал(а): 15 май 2024, 17:00 не нашел в инструкции спецификации на контакты 1,2 колодки M1 - можно уточнить по ним?
Нет. Нужно использовать как "сухой контакт". Внешних фазы и нейтрали не нужно ни термостату, ни котлу. 1 и 2 котла тянем к термостату. Один подключаем на "С", второй на 1 или 2 (тот, который с "С" замкнут будет когда нужен нагрев).
В двух словах идея такая. Чтобы котёл пошёл в нагрев нужно чтобы 1 и 2 колодки М1 были замкнуты. Другими словами пока на контакт 3 разъёма CN10 не придёт фаза, котёл на отопление не включится (кроме режима антизамерзания). В случае с Luna-3 Comfort всё немного сложнее, поскольку есть свой датчик. Поэтому в дополнение используются F-параметры.
В ЛС отвечаю только по работе форума
Илья Бахталин
АСЦ BAXI "Санфорт". г. Пенза
Подключение к Зонту - bahus1980
Илья Бахталин
АСЦ BAXI "Санфорт". г. Пенза
Подключение к Зонту - bahus1980
-
ВладНН
- Забегающий
- Сообщения: 21
- Зарегистрирован: 13 фев 2024, 11:39
- Откуда: ННовгород
- Мой котел: baxi luna 3 comfort
- Благодарил (а): 1 раз
устновка доп. термостатов для зон 1-2-3
вот спасибо коментарий + схема и сразу все стало понятнейBahus писал(а): 15 май 2024, 17:23 В двух словах идея такая. Чтобы котёл пошёл в нагрев нужно чтобы 1 и 2 колодки М1 были замкнуты. Другими словами пока на контакт 3 разъёма CN10 не придёт фаза, котёл на отопление не включится (кроме режима антизамерзания). В случае с Luna-3 Comfort всё немного сложнее, поскольку есть свой датчик. Поэтому в дополнение используются F-параметры.
Отправлено спустя 4 минуты 14 секунд:
если правильно понял то F04 = 2 нужно еще выставить
-
Bahus
- Главный администратор

- Сообщения: 12969
- Зарегистрирован: 24 июл 2012, 13:05
- Откуда: Пенза
- Мой котел: Пензенская ТЭЦ-1
- Благодарил (а): 82 раза
- Поблагодарили: 1683 раза
- Возраст: 45
устновка доп. термостатов для зон 1-2-3
Не. F04 и F05 это для дополнительных релейных плат.
Ваш F10
Ваш F10
В ЛС отвечаю только по работе форума
Илья Бахталин
АСЦ BAXI "Санфорт". г. Пенза
Подключение к Зонту - bahus1980
Илья Бахталин
АСЦ BAXI "Санфорт". г. Пенза
Подключение к Зонту - bahus1980
-
ВладНН
- Забегающий
- Сообщения: 21
- Зарегистрирован: 13 фев 2024, 11:39
- Откуда: ННовгород
- Мой котел: baxi luna 3 comfort
- Благодарил (а): 1 раз
устновка доп. термостатов для зон 1-2-3
посмотрел варианты умных реле с сухим конактом
нашел неплохой вариант THR316D Elite
для него есть вариант датчика DS18B20 в исполнении .
не нашел геометриии датчика возник вопрос какую гильзу использовать или сальник .. по описанию датчик вроде как погружной (по парметрам вроде подходит -10 +85)
Отправлено спустя 3 минуты 38 секунд:
нашел неплохой вариант THR316D Elite
для него есть вариант датчика DS18B20 в исполнении .
не нашел геометриии датчика возник вопрос какую гильзу использовать или сальник .. по описанию датчик вроде как погружной (по парметрам вроде подходит -10 +85)
Отправлено спустя 3 минуты 38 секунд:
принято
-
Bahus
- Главный администратор

- Сообщения: 12969
- Зарегистрирован: 24 июл 2012, 13:05
- Откуда: Пенза
- Мой котел: Пензенская ТЭЦ-1
- Благодарил (а): 82 раза
- Поблагодарили: 1683 раза
- Возраст: 45
устновка доп. термостатов для зон 1-2-3
Зачем прокладки? Прям так на металлическую гайку в нужной локации червячным хомутом крепится.ВладНН писал(а): 16 май 2024, 18:35 не нашел геометриии датчика возник вопрос какую гильзу использовать или сальник
В семинарской тетради развёрнутей написано.
В ЛС отвечаю только по работе форума
Илья Бахталин
АСЦ BAXI "Санфорт". г. Пенза
Подключение к Зонту - bahus1980
Илья Бахталин
АСЦ BAXI "Санфорт". г. Пенза
Подключение к Зонту - bahus1980
-
ВладНН
- Забегающий
- Сообщения: 21
- Зарегистрирован: 13 фев 2024, 11:39
- Откуда: ННовгород
- Мой котел: baxi luna 3 comfort
- Благодарил (а): 1 раз
устновка доп. термостатов для зон 1-2-3
решил использовать умное реле с сухим контактом вместо указного первоначально механического термостата с капиляром
в итоге с таким датчиком и гильзой + умное реле
все вместе вышло порядка 2000р
Отправлено спустя 1 минуту 52 секунды:
под гильзу на обратке поставил латунный тройник с отводом на 1\2" получилось вроде годно в части монтажа
в итоге с таким датчиком и гильзой + умное реле
все вместе вышло порядка 2000р
Отправлено спустя 1 минуту 52 секунды:
под гильзу на обратке поставил латунный тройник с отводом на 1\2" получилось вроде годно в части монтажа
Последний раз редактировалось ВладНН 21 май 2024, 22:18, всего редактировалось 1 раз.
-
ВладНН
- Забегающий
- Сообщения: 21
- Зарегистрирован: 13 фев 2024, 11:39
- Откуда: ННовгород
- Мой котел: baxi luna 3 comfort
- Благодарил (а): 1 раз
устновка доп. термостатов для зон 1-2-3
на реле которое собирался испльзовать ограничение по "сухому" 5-25V 1A / возможно не коммутировать фазу с колодки питания а по тригеру с датчика подавать фазу через реле ?Bahus писал(а): 15 май 2024, 17:23Там перемычка 220В. Электросхему в инструкции откройте, там всё отрисовано.ВладНН писал(а): 15 май 2024, 17:00 не нашел в инструкции спецификации на контакты 1,2 колодки M1 - можно уточнить по ним?Нет. Нужно использовать как "сухой контакт". Внешних фазы и нейтрали не нужно ни термостату, ни котлу. 1 и 2 котла тянем к термостату. Один подключаем на "С", второй на 1 или 2 (тот, который с "С" замкнут будет когда нужен нагрев).
В двух словах идея такая. Чтобы котёл пошёл в нагрев нужно чтобы 1 и 2 колодки М1 были замкнуты. Другими словами пока на контакт 3 разъёма CN10 не придёт фаза, котёл на отопление не включится (кроме режима антизамерзания). В случае с Luna-3 Comfort всё немного сложнее, поскольку есть свой датчик. Поэтому в дополнение используются F-параметры.
Отправлено спустя 1 минуту 41 секунду:
отразил на схеме ну либо остается вариант для использования этого реле добавить к нему контактор
-
Bahus
- Главный администратор

- Сообщения: 12969
- Зарегистрирован: 24 июл 2012, 13:05
- Откуда: Пенза
- Мой котел: Пензенская ТЭЦ-1
- Благодарил (а): 82 раза
- Поблагодарили: 1683 раза
- Возраст: 45
устновка доп. термостатов для зон 1-2-3
Блин. Это для чего такое реле? Совсем идиоты что-ли?
На котле стекляшки стоят по току 2,15А или около того. Вот и считайте.
А какая разница? Лишь бы фаза пришла. Откуда - котлу пофиг. Главное чтобы фаза та же самая была. А то мало ли....ВладНН писал(а): 26 май 2024, 23:04 возможно не коммутировать фазу с колодки питания а по тригеру с датчика подавать фазу через реле
В ЛС отвечаю только по работе форума
Илья Бахталин
АСЦ BAXI "Санфорт". г. Пенза
Подключение к Зонту - bahus1980
Илья Бахталин
АСЦ BAXI "Санфорт". г. Пенза
Подключение к Зонту - bahus1980
-
Starik
- Местный аксакал
- Сообщения: 7432
- Зарегистрирован: 27 ноя 2015, 22:41
- Откуда: Краснодарский край
- Мой котел: BAXI MAIN 5 14f
- Благодарил (а): 73 раза
- Поблагодарили: 819 раз
- Возраст: 59
устновка доп. термостатов для зон 1-2-3
Решил напомнить, что доп. термостаты, завязанные на котел, работают по принципу: кто первый встал, того и сапоги.
-
ВладНН
- Забегающий
- Сообщения: 21
- Зарегистрирован: 13 фев 2024, 11:39
- Откуда: ННовгород
- Мой котел: baxi luna 3 comfort
- Благодарил (а): 1 раз
устновка доп. термостатов для зон 1-2-3
sonoff trh16d по выходу 220 так то 16А коммутируетBahus писал(а): 27 май 2024, 13:55 ВладНН писал(а): ↑Вчера, 23:04
5-25V 1A
Блин. Это для чего такое реле? Совсем идиоты что-ли?
Отправлено спустя 5 минут 35 секунд:
ну это понятно. для полного управления разными климат зонами еще нужно управлять клапанами на коллектре по разным веткам. пока такой задачи нет . сейчас хотелось бы управлять температурой носителя за гидрострелкойStarik писал(а): 27 май 2024, 15:02 Решил напомнить, что доп. термостаты, завязанные на котел, работают по принципу: кто первый встал, того и сапоги.
-
Starik
- Местный аксакал
- Сообщения: 7432
- Зарегистрирован: 27 ноя 2015, 22:41
- Откуда: Краснодарский край
- Мой котел: BAXI MAIN 5 14f
- Благодарил (а): 73 раза
- Поблагодарили: 819 раз
- Возраст: 59
устновка доп. термостатов для зон 1-2-3
Т.е. вместо комнатного термостата пытаешься (желаешь) подключить терморегулятор? Или комнатный тоже будет?
-
ВладНН
- Забегающий
- Сообщения: 21
- Зарегистрирован: 13 фев 2024, 11:39
- Откуда: ННовгород
- Мой котел: baxi luna 3 comfort
- Благодарил (а): 1 раз
устновка доп. термостатов для зон 1-2-3
обновлю тему. что из всего этого получилось
по подключению реле - использовал штатную колодку. единственно пришлось обажать в одну ншви N чтобы подключить реле. остальное подключение в условно штатные места. 1 - запитано реле 2 - фаза которую коммутирует реле
по подключению реле - использовал штатную колодку. единственно пришлось обажать в одну ншви N чтобы подключить реле. остальное подключение в условно штатные места. 1 - запитано реле 2 - фаза которую коммутирует реле
-
ВладНН
- Забегающий
- Сообщения: 21
- Зарегистрирован: 13 фев 2024, 11:39
- Откуда: ННовгород
- Мой котел: baxi luna 3 comfort
- Благодарил (а): 1 раз
устновка доп. термостатов для зон 1-2-3
при сценарии который описан выше. через 6 часов дом прогрелся и начался набор температуры
Отправлено спустя 4 минуты 24 секунды:
в целом время работы котла после прогрева дома изменилось с 12 до 8 мин. и период между запусками котла примерно 45 мин.
во общем наблюдаю и корректирую температуру в сценарии.
в целом получить за гидрострелкой контролируемую температуру получилось.
далее буду ставить электрические термоголовки + реле управляемые также сценариями от данных по температуре с дистанционных zigbee датчиков
Отправлено спустя 4 минуты 24 секунды:
в целом время работы котла после прогрева дома изменилось с 12 до 8 мин. и период между запусками котла примерно 45 мин.
во общем наблюдаю и корректирую температуру в сценарии.
в целом получить за гидрострелкой контролируемую температуру получилось.
далее буду ставить электрические термоголовки + реле управляемые также сценариями от данных по температуре с дистанционных zigbee датчиков
Кто сейчас на конференции
Сейчас этот форум просматривают: нет зарегистрированных пользователей и 4 гостя