Кривая дисперсии при подключенном уличном датчике
-
Paney
- Забегающий
- Сообщения: 31
- Зарегистрирован: 24 мар 2018, 20:23
- Откуда: Россия
- Мой котел: baxi eco four 24 f
- Поблагодарили: 2 раза
Кривая дисперсии при подключенном уличном датчике
Подскажете, возможно ли самому задать кривую дисперсии ориентируясь на температуру на улице и температуру в системе отопления.?
Проблема: не могу подобрать нужную.. при температуре на улице +10 в доме холодно, а при -10 котел уже шпарит как бешеный под 75 градусов.
Мне нужно ,что бы при +10 на улице грел до 45-50 градусов , а при -30 грел 75-80 градусов.
Котел: baxi eco four 24f , уличный датчик оригинальный.
Проблема: не могу подобрать нужную.. при температуре на улице +10 в доме холодно, а при -10 котел уже шпарит как бешеный под 75 градусов.
Мне нужно ,что бы при +10 на улице грел до 45-50 градусов , а при -30 грел 75-80 градусов.
Котел: baxi eco four 24f , уличный датчик оригинальный.
-
Starik
- Местный аксакал
- Сообщения: 7600
- Зарегистрирован: 27 ноя 2015, 22:41
- Откуда: Краснодарский край
- Мой котел: BAXI MAIN 5 14f
- Благодарил (а): 75 раз
- Поблагодарили: 842 раза
- Возраст: 59
Кривая дисперсии при подключенном уличном датчике
Кривая не универсальная, надо корректировать руками. При этом кривых больше, чем на рисунке в инструкции (штук 99, наверное).
-
Paney
- Забегающий
- Сообщения: 31
- Зарегистрирован: 24 мар 2018, 20:23
- Откуда: Россия
- Мой котел: baxi eco four 24 f
- Поблагодарили: 2 раза
Кривая дисперсии при подключенном уличном датчике
Я понимаю что их 99, но с 15 до 40 не один режим не работает корректно, от +10 до -30, либо батареи холодные, либо котел греет под 80 градусов.
-
bigbrother72
- Забегающий
- Сообщения: 34
- Зарегистрирован: 16 фев 2021, 09:52
- Откуда: Татарстан
- Мой котел: Baxi Luna 3
- Благодарил (а): 1 раз
- Поблагодарили: 3 раза
Кривая дисперсии при подключенном уличном датчике
во-первых не дисперсии. это сюда никак не относится слово.
во вторых надо самому изменить наклон кривой. для этого надо добавить два резистора к вашему датчику наружной температур - около котла прямо разрезать провод и один резистор параллельно, второй последовательно подключить.
тут примерно описано что и как
https://www.forumhouse.ru/entries/15964/
Номинал резисторов можете сами подобрать.
Я сделал таблицу какие значения сопротивления у оригинального резистора NTC и две формулы для параллельного и последовательного соединения.
У меня получилось 220 кОм. параллельный резистор и 30 кОм. последовательный.
Получилась кривая ПЗА как на картинке. Ну и термостат еще желательно поставить, чтобы ПЗА немного с запасом грела, а термостат небольшой перегрев потом отключал.
На картинке с двумя кривыми, красная кривая это зависимость сопротивления от температуры у оригинального датчика.
Синяя кривая это новая кривая. Т.е. при более высоких температурах кривая выше. А при низких температурах кривые почти сходятся.
во вторых надо самому изменить наклон кривой. для этого надо добавить два резистора к вашему датчику наружной температур - около котла прямо разрезать провод и один резистор параллельно, второй последовательно подключить.
тут примерно описано что и как
https://www.forumhouse.ru/entries/15964/
Номинал резисторов можете сами подобрать.
Я сделал таблицу какие значения сопротивления у оригинального резистора NTC и две формулы для параллельного и последовательного соединения.
У меня получилось 220 кОм. параллельный резистор и 30 кОм. последовательный.
Получилась кривая ПЗА как на картинке. Ну и термостат еще желательно поставить, чтобы ПЗА немного с запасом грела, а термостат небольшой перегрев потом отключал.
На картинке с двумя кривыми, красная кривая это зависимость сопротивления от температуры у оригинального датчика.
Синяя кривая это новая кривая. Т.е. при более высоких температурах кривая выше. А при низких температурах кривые почти сходятся.
У вас нет необходимых прав для просмотра вложений в этом сообщении.
-
Paney
- Забегающий
- Сообщения: 31
- Зарегистрирован: 24 мар 2018, 20:23
- Откуда: Россия
- Мой котел: baxi eco four 24 f
- Поблагодарили: 2 раза
Кривая дисперсии при подключенном уличном датчике
Если я правильно понял, условная схема подключения будет выглядеть так ?
У вас нет необходимых прав для просмотра вложений в этом сообщении.
-
tsv63
- Старожил
- Сообщения: 677
- Зарегистрирован: 31 июл 2019, 17:25
- Откуда: Покров
- Мой котел: BAXI SLIM 1.490 iN
- Благодарил (а): 18 раз
- Поблагодарили: 50 раз
Кривая дисперсии при подключенном уличном датчике
А чего? Сделал замечание, напиши как правильно.
"Браво"...bigbrother72 писал(а): 27 мар 2022, 21:10 во вторых надо самому изменить наклон кривой. для этого надо добавить...
OpenTherm контроллер. Собственная разработка. Описание
-
славянски дом
- Забегающий
- Сообщения: 27
- Зарегистрирован: 20 окт 2021, 10:20
- Откуда: тюмень
- Мой котел: Baxi нт 40, 80, 180 Квт
- Благодарил (а): 4 раза
- Поблагодарили: 4 раза
Кривая дисперсии при подключенном уличном датчике
Бывает, что солнышко нагревает датчик ! На улице -10 а он показывает +
Крривая регулируется по двум показателям ! : нужная температура и НАКЛОН кривой
Крривая регулируется по двум показателям ! : нужная температура и НАКЛОН кривой
-
Paney
- Забегающий
- Сообщения: 31
- Зарегистрирован: 24 мар 2018, 20:23
- Откуда: Россия
- Мой котел: baxi eco four 24 f
- Поблагодарили: 2 раза
Кривая дисперсии при подключенном уличном датчике
Не.. датчик стоит в тени.
Я понимаю ,что по двум показателям, вот спрашиваю как поменять эти показатели.
Т.е сделать кривую под свои конкретные цифры температуры за окном и температурой подачи в отопление.
Я понимаю ,что по двум показателям, вот спрашиваю как поменять эти показатели.
Т.е сделать кривую под свои конкретные цифры температуры за окном и температурой подачи в отопление.
-
tsv63
- Старожил
- Сообщения: 677
- Зарегистрирован: 31 июл 2019, 17:25
- Откуда: Покров
- Мой котел: BAXI SLIM 1.490 iN
- Благодарил (а): 18 раз
- Поблагодарили: 50 раз
Кривая дисперсии при подключенном уличном датчике
Ну, да, ставлю датчик куда и как хочу...славянски дом писал(а): 28 мар 2022, 14:16 Бывает, что солнышко нагревает датчик ! На улице -10 а он показывает +
OpenTherm контроллер. Собственная разработка. Описание
-
Starik
- Местный аксакал
- Сообщения: 7600
- Зарегистрирован: 27 ноя 2015, 22:41
- Откуда: Краснодарский край
- Мой котел: BAXI MAIN 5 14f
- Благодарил (а): 75 раз
- Поблагодарили: 842 раза
- Возраст: 59
Кривая дисперсии при подключенном уличном датчике
Не буду описывать стороны света, но у меня нет тени с утра до вечера.
Пришлось купить запчасть от метеостанции, установить туда датчик и закрепить конструкцию в метре от стены (и около 3 метров от земли, под окно второго этажа МКД). Выглядит запчасть вот так.
В самое пекло (летом) расхождение с официальными метеоданными около 1,5 градуса, зимой показания точные (учитывая гистерезис).
Пришлось купить запчасть от метеостанции, установить туда датчик и закрепить конструкцию в метре от стены (и около 3 метров от земли, под окно второго этажа МКД). Выглядит запчасть вот так.
В самое пекло (летом) расхождение с официальными метеоданными около 1,5 градуса, зимой показания точные (учитывая гистерезис).
У вас нет необходимых прав для просмотра вложений в этом сообщении.
-
tsv63
- Старожил
- Сообщения: 677
- Зарегистрирован: 31 июл 2019, 17:25
- Откуда: Покров
- Мой котел: BAXI SLIM 1.490 iN
- Благодарил (а): 18 раз
- Поблагодарили: 50 раз
Кривая дисперсии при подключенном уличном датчике
Starik, хорошая штука, сам пользую, только никелем из баллончика покрасил.
OpenTherm контроллер. Собственная разработка. Описание
-
bigbrother72
- Забегающий
- Сообщения: 34
- Зарегистрирован: 16 фев 2021, 09:52
- Откуда: Татарстан
- Мой котел: Baxi Luna 3
- Благодарил (а): 1 раз
- Поблагодарили: 3 раза
Кривая дисперсии при подключенном уличном датчике
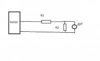
R2 параллельно ДУТ (датчику уличной температуры), а вы его просто на провод сбоку приделали.Paney писал(а): 28 мар 2022, 13:10 Если я правильно понял, условная схема подключения будет выглядеть так ?
У вас нет необходимых прав для просмотра вложений в этом сообщении.
-
Paney
- Забегающий
- Сообщения: 31
- Зарегистрирован: 24 мар 2018, 20:23
- Откуда: Россия
- Мой котел: baxi eco four 24 f
- Поблагодарили: 2 раза
Кривая дисперсии при подключенном уличном датчике
Понятно, а резисторы которые я написал на фото подходят ?
И если не трудно скажите ,как и по какой формуле рассчитывать, резистор с каким сопротивлением ставить ? В зависимости от темп. На улице и темп. Отопления.
Ещё вопрос, после припайки резисторов в схему, какое значение выставлять на котле от 1 до 99 ?
И если не трудно скажите ,как и по какой формуле рассчитывать, резистор с каким сопротивлением ставить ? В зависимости от темп. На улице и темп. Отопления.
Ещё вопрос, после припайки резисторов в схему, какое значение выставлять на котле от 1 до 99 ?
-
bigbrother72
- Забегающий
- Сообщения: 34
- Зарегистрирован: 16 фев 2021, 09:52
- Откуда: Татарстан
- Мой котел: Baxi Luna 3
- Благодарил (а): 1 раз
- Поблагодарили: 3 раза
Кривая дисперсии при подключенном уличном датчике
Резисторы какие нибудь маломощные 0.125Вт типа таких.
https://www.chipdip.ru/catalog/rezistor ... &x.430=MXs

Пока можно примерно такие номиналы как я поставил.
Вы же написали - Мне нужно ,что бы при +10 на улице грел до 45-50 градусов , а при -30 грел 75-80 градусов.
У меня так же.
А кривая примерно 21-22 - т.е. конец этой кривой при -30 градусах на улице будет на 75 градусах в котле вода.
Т.е. когда вы поставите резисторы эти - то котел будет обманут - он уличную температуру когда на улице тепло +10, будет считать около -5 как будто. А -5 градусов при температурной кривой номер 21 - это 55 градусов котле.
Чем ниже будет температура - тем ближе будет сходится кривые сопротивления оригинального датчика и датчика+резисторы.
https://www.chipdip.ru/catalog/rezistor ... &x.430=MXs

Пока можно примерно такие номиналы как я поставил.
Вы же написали - Мне нужно ,что бы при +10 на улице грел до 45-50 градусов , а при -30 грел 75-80 градусов.
У меня так же.
А кривая примерно 21-22 - т.е. конец этой кривой при -30 градусах на улице будет на 75 градусах в котле вода.
Т.е. когда вы поставите резисторы эти - то котел будет обманут - он уличную температуру когда на улице тепло +10, будет считать около -5 как будто. А -5 градусов при температурной кривой номер 21 - это 55 градусов котле.
Чем ниже будет температура - тем ближе будет сходится кривые сопротивления оригинального датчика и датчика+резисторы.
-
Paney
- Забегающий
- Сообщения: 31
- Зарегистрирован: 24 мар 2018, 20:23
- Откуда: Россия
- Мой котел: baxi eco four 24 f
- Поблагодарили: 2 раза
Кривая дисперсии при подключенном уличном датчике
Понятно спасибо!
Ещё одно уточнение: без разницы на какой из двух проводов паять R1 ?
Ещё одно уточнение: без разницы на какой из двух проводов паять R1 ?
-
славянски дом
- Забегающий
- Сообщения: 27
- Зарегистрирован: 20 окт 2021, 10:20
- Откуда: тюмень
- Мой котел: Baxi нт 40, 80, 180 Квт
- Благодарил (а): 4 раза
- Поблагодарили: 4 раза
Кривая дисперсии при подключенном уличном датчике
Наклон кривой зависит от теплопроводности стен . Для настоек вполне хватает заводских кривых. В вашем случае попробуйте выбрать более горизонтальную кривую. При подключенном датчике внешней температуры на дисплее будет " ВИРТУАЛЬЕАЯ " температура В ПОМЕЩЕНИИ , которую котёл будет пытаться поддерживать.
Отправлено спустя 8 минут 55 секунд:
Можно выбрать положение датчика , когда он будет работать в режиме - ДЕНЬ - НОЧЬ. Ссолнышко нагревает дом через окна , и уменьшается температура батарей
Отправлено спустя 8 минут 55 секунд:
Можно выбрать положение датчика , когда он будет работать в режиме - ДЕНЬ - НОЧЬ. Ссолнышко нагревает дом через окна , и уменьшается температура батарей
-
Bahus
- Главный администратор

- Сообщения: 13133
- Зарегистрирован: 24 июл 2012, 13:05
- Откуда: Пенза
- Мой котел: Пензенская ТЭЦ-1
- Благодарил (а): 84 раза
- Поблагодарили: 1715 раз
- Возраст: 45
Кривая дисперсии при подключенном уличном датчике
Чот вспомнилось.bigbrother72 писал(а): 28 мар 2022, 17:48 R2 параллельно ДУТ (датчику уличной температуры), а вы его просто на провод сбоку приделали.

В ЛС отвечаю только по работе форума
Илья Бахталин
АСЦ BAXI "Санфорт". г. Пенза
Подключение к Зонту - bahus1980
Илья Бахталин
АСЦ BAXI "Санфорт". г. Пенза
Подключение к Зонту - bahus1980
-
Starik
- Местный аксакал
- Сообщения: 7600
- Зарегистрирован: 27 ноя 2015, 22:41
- Откуда: Краснодарский край
- Мой котел: BAXI MAIN 5 14f
- Благодарил (а): 75 раз
- Поблагодарили: 842 раза
- Возраст: 59
Кривая дисперсии при подключенном уличном датчике
tsv63, у нас летом жарит так, что никакой никель не удержится, кмк. 
-
tsv63
- Старожил
- Сообщения: 677
- Зарегистрирован: 31 июл 2019, 17:25
- Откуда: Покров
- Мой котел: BAXI SLIM 1.490 iN
- Благодарил (а): 18 раз
- Поблагодарили: 50 раз
Кривая дисперсии при подключенном уличном датчике
Огород мой, огород... "Мой дядя самых честных правил, и я их чуточку исправил…"bigbrother72 писал(а): 28 мар 2022, 17:48R2 параллельно ДУТ (датчику уличной температуры), а вы его просто на провод сбоку приделали.Paney писал(а): 28 мар 2022, 13:10 Если я правильно понял, условная схема подключения будет выглядеть так ?
OpenTherm контроллер. Собственная разработка. Описание
-
Максон
- Сообщения: 1
- Зарегистрирован: 25 фев 2023, 16:39
- Откуда: Ульяновск
- Мой котел: BAXI ECOFOUR 24F
Кривая дисперсии при подключенном уличном датчике
Добрый день. Подскажите кто нибудь. Baxi эко фор 24ф поставил датчик уличной температуры. Не оригинал. А котёл его не видит. Работает как будто датчика нет. Датчик Аристон.
Отправлено спустя 11 минут 43 секунды:
Что делать?
Отправлено спустя 11 минут 43 секунды:
Что делать?
-
Starik
- Местный аксакал
- Сообщения: 7600
- Зарегистрирован: 27 ноя 2015, 22:41
- Откуда: Краснодарский край
- Мой котел: BAXI MAIN 5 14f
- Благодарил (а): 75 раз
- Поблагодарили: 842 раза
- Возраст: 59
Кривая дисперсии при подключенном уличном датчике
Сравнивать ТТХ датчиков (сопротивления). В шапке форума "Аптечка" - семинарская тетрадь, там есть вся необходимая информация про все датчики.
-
RADAR
- Местный аксакал
- Сообщения: 6771
- Зарегистрирован: 25 июл 2012, 00:33
- Откуда: г.Кострома
- Мой котел: Gepard 23MTV19
- Благодарил (а): 114 раз
- Поблагодарили: 421 раз
- Возраст: 51
Кривая дисперсии при подключенном уличном датчике
логично поставить оригинал Baxi...не?Максон писал(а): 25 фев 2023, 17:27 Добрый день. Подскажите кто нибудь. Baxi эко фор 24ф поставил датчик уличной температуры. Не оригинал. А котёл его не видит. Работает как будто датчика нет. Датчик Аристон.
-
Starik
- Местный аксакал
- Сообщения: 7600
- Зарегистрирован: 27 ноя 2015, 22:41
- Откуда: Краснодарский край
- Мой котел: BAXI MAIN 5 14f
- Благодарил (а): 75 раз
- Поблагодарили: 842 раза
- Возраст: 59
Кривая дисперсии при подключенном уличном датчике
На всякий случай, мало ли...: датчик ставят вместо перемычки, а не вместе.
-
igorlezhnevich
- Новичок
- Сообщения: 9
- Зарегистрирован: 24 ноя 2024, 17:42
- Откуда: 125
- Мой котел: Eco-4 1.24f
- Благодарил (а): 2 раза
Кривая дисперсии при подключенном уличном датчике
Доброго дня.
такой вопрос, подключен к котлу уличный датчик. Стоит ещё с завода настройка 52 на отопление, где кнопки+-. Котел греет до 85. Так вот, подскажите , вода с температура нагрева (например те же 85град) которая отображается на дисплее, она с такой температурой и идёт в систему отопления?
такой вопрос, подключен к котлу уличный датчик. Стоит ещё с завода настройка 52 на отопление, где кнопки+-. Котел греет до 85. Так вот, подскажите , вода с температура нагрева (например те же 85град) которая отображается на дисплее, она с такой температурой и идёт в систему отопления?
-
Starik
- Местный аксакал
- Сообщения: 7600
- Зарегистрирован: 27 ноя 2015, 22:41
- Откуда: Краснодарский край
- Мой котел: BAXI MAIN 5 14f
- Благодарил (а): 75 раз
- Поблагодарили: 842 раза
- Возраст: 59
Кривая дисперсии при подключенном уличном датчике
Почитай, должно помочь viewtopic.php?p=86921#p86921
-
Bahus
- Главный администратор

- Сообщения: 13133
- Зарегистрирован: 24 июл 2012, 13:05
- Откуда: Пенза
- Мой котел: Пензенская ТЭЦ-1
- Благодарил (а): 84 раза
- Поблагодарили: 1715 раз
- Возраст: 45
Кривая дисперсии при подключенном уличном датчике
52 дофига. В зависимости от региона 10-30 кривые самое то.
В ЛС отвечаю только по работе форума
Илья Бахталин
АСЦ BAXI "Санфорт". г. Пенза
Подключение к Зонту - bahus1980
Илья Бахталин
АСЦ BAXI "Санфорт". г. Пенза
Подключение к Зонту - bahus1980
-
igorlezhnevich
- Новичок
- Сообщения: 9
- Зарегистрирован: 24 ноя 2024, 17:42
- Откуда: 125
- Мой котел: Eco-4 1.24f
- Благодарил (а): 2 раза
Кривая дисперсии при подключенном уличном датчике
Оптимальная температура на отопление+-60?
Отправлено спустя 8 минут 14 секунд:
Как я понял этих кривых 99? Моей 52 соответствует кривая 5.2? Или как?) если я хочу выставить10-30, это 100-300 получается? Или что то не так понял
Отправлено спустя 8 минут 14 секунд:
Как я понял этих кривых 99? Моей 52 соответствует кривая 5.2? Или как?) если я хочу выставить10-30, это 100-300 получается? Или что то не так понял
-
Bahus
- Главный администратор

- Сообщения: 13133
- Зарегистрирован: 24 июл 2012, 13:05
- Откуда: Пенза
- Мой котел: Пензенская ТЭЦ-1
- Благодарил (а): 84 раза
- Поблагодарили: 1715 раз
- Возраст: 45
Кривая дисперсии при подключенном уличном датчике
Я о том, что вы видите на дисплее, когда кривую устанавливаете.
Да, Кривых 99. В инструкции указаны промежуточные, к маркировке которых нужно добавить нолик справа. То есть, если вы хотите установить кривую №2 с диаграммы, вы ставите на котле 20. При работе по ней, котёл, видя забортную -10 (например) будет держать теплоноситель 60 градусов. При повышении забортной температуры котёл будет уменьшать температуру, смещаясь по кривой влево. При понижении, соответственно, вправо.
У вас сейчас стоит 52-я. Нетрудно увидеть из диаграммы, что котёл будет поддерживать 85 градусов при забортной +5 и ниже.
Безусловно, кривую придётся подбирать эмпирическим путём. Регионы у всех разные. И теплопотери помещения тоже. Я бы начал с 15 или 20. В том районе.
Да, Кривых 99. В инструкции указаны промежуточные, к маркировке которых нужно добавить нолик справа. То есть, если вы хотите установить кривую №2 с диаграммы, вы ставите на котле 20. При работе по ней, котёл, видя забортную -10 (например) будет держать теплоноситель 60 градусов. При повышении забортной температуры котёл будет уменьшать температуру, смещаясь по кривой влево. При понижении, соответственно, вправо.
У вас сейчас стоит 52-я. Нетрудно увидеть из диаграммы, что котёл будет поддерживать 85 градусов при забортной +5 и ниже.
Безусловно, кривую придётся подбирать эмпирическим путём. Регионы у всех разные. И теплопотери помещения тоже. Я бы начал с 15 или 20. В том районе.
В ЛС отвечаю только по работе форума
Илья Бахталин
АСЦ BAXI "Санфорт". г. Пенза
Подключение к Зонту - bahus1980
Илья Бахталин
АСЦ BAXI "Санфорт". г. Пенза
Подключение к Зонту - bahus1980
-
igorlezhnevich
- Новичок
- Сообщения: 9
- Зарегистрирован: 24 ноя 2024, 17:42
- Откуда: 125
- Мой котел: Eco-4 1.24f
- Благодарил (а): 2 раза
Кривая дисперсии при подключенном уличном датчике
Извиняюсь. Вроде понял но не совсем) а как поставить ту же 15 кривую?Bahus писал(а): 26 ноя 2024, 09:57 Я о том, что вы видите на дисплее, когда кривую устанавливаете.
Да, Кривых 99. В инструкции указаны промежуточные, к маркировке которых нужно добавить нолик справа. То есть, если вы хотите установить кривую №2 с диаграммы, вы ставите на котле 20. При работе по ней, котёл, видя забортную -10 (например) будет держать теплоноситель 60 градусов. При повышении забортной температуры котёл будет уменьшать температуру, смещаясь по кривой влево. При понижении, соответственно, вправо.
У вас сейчас стоит 52-я. Нетрудно увидеть из диаграммы, что котёл будет поддерживать 85 градусов при забортной +5 и ниже.
Безусловно, кривую придётся подбирать эмпирическим путём. Регионы у всех разные. И теплопотери помещения тоже. Я бы начал с 15 или 20. В том районе.
Отправлено спустя 5 минут 1 секунду:
Т.е. если я хочу выставить 2 то пишу 20. На все промежуточные ноль не добавляю? Типо просто пишу 21, 22.23...29 и это будет в пределах 20-30
-
Bahus
- Главный администратор

- Сообщения: 13133
- Зарегистрирован: 24 июл 2012, 13:05
- Откуда: Пенза
- Мой котел: Пензенская ТЭЦ-1
- Благодарил (а): 84 раза
- Поблагодарили: 1715 раз
- Возраст: 45
Кривая дисперсии при подключенном уличном датчике
Кнопками +/- на котле теперь не температуру ставите, а кривую. Если нужна 2, то ставите 20, если третья, то 30.
25 кривая на диаграмме будет примерно между 2 и 3.
25 кривая на диаграмме будет примерно между 2 и 3.
В ЛС отвечаю только по работе форума
Илья Бахталин
АСЦ BAXI "Санфорт". г. Пенза
Подключение к Зонту - bahus1980
Илья Бахталин
АСЦ BAXI "Санфорт". г. Пенза
Подключение к Зонту - bahus1980