Всем привет.
Хочу купить онлайн стабилизатор и в придачу ИБП для котла, камеры и роутера присмотрел Штиль SW500L, но был отзыв, что там нуля нет, когда идёт работа от батареи, с каким то котлом не работало. Отсюда вопросы..:
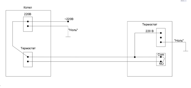
1 котёл BAXI ECOFOUR фазозависимый?
2 будет ли мой котёл работать с этим ибп стабилизатором, в режиме работы от батареи?
Мой котёл удешевленный как я понял, с насоса от WILO... надеюсь там остальная начинка не хуже..
Если брать просто стабилизатор, то тот же Штиль 350 будет отличным вариантом, но хочется ИБП что бы был..
