Схема обвязки котельной (baxi slim 1.300, БКН, ТП 2 этажа)
-
Timur163
- Сообщения: 3
- Зарегистрирован: 03 ноя 2021, 10:04
- Откуда: Тольятти
- Мой котел: Baxi slim 1.300 in
Схема обвязки котельной (baxi slim 1.300, БКН, ТП 2 этажа)
Добрый день. Имеется baxi slim 1.300, бкн на 160 литров, 2
этажа ТП(этот сезон будет использоваться только 1й этаж) через коллекторы с термоголовками и расходомерами по 6 контуров с насосно-смесительными узлами. Изучив ютубы и прочие интернеты, нарисовал 2 схемы. Возможно, что они категорически нерабочие и нужно делать через гидрострелку, как советуют знакомые монтажники, но где-то была инфа, что она не обязательна. Если же можно обойтись без оной, то по какой схеме лучше делать? Есть насосы 2 шт. grundfos 25-40 и 1 шт. aquatim 25-40(уже подключен на коллекторе 1го этажа). Можно ли на СО поставить 25-40 или нужно докупить 32-40(подключение в котле 1¼")?
этажа ТП(этот сезон будет использоваться только 1й этаж) через коллекторы с термоголовками и расходомерами по 6 контуров с насосно-смесительными узлами. Изучив ютубы и прочие интернеты, нарисовал 2 схемы. Возможно, что они категорически нерабочие и нужно делать через гидрострелку, как советуют знакомые монтажники, но где-то была инфа, что она не обязательна. Если же можно обойтись без оной, то по какой схеме лучше делать? Есть насосы 2 шт. grundfos 25-40 и 1 шт. aquatim 25-40(уже подключен на коллекторе 1го этажа). Можно ли на СО поставить 25-40 или нужно докупить 32-40(подключение в котле 1¼")?
- Вложения
-
схема (1).pdf- (248.99 КБ) 875 скачиваний
-
схема2.pdf- (264.2 КБ) 572 скачивания
-
Starik
- Местный аксакал
- Сообщения: 7188
- Зарегистрирован: 27 ноя 2015, 22:41
- Откуда: Краснодарский край
- Мой котел: BAXI MAIN 5 14f
- Благодарил (а): 72 раза
- Поблагодарили: 790 раз
- Возраст: 59
Схема обвязки котельной (baxi slim 1.300, БКН, ТП 2 этажа)
И правильно советуют, ибо:Timur163 писал(а): 03 ноя 2021, 12:47нужно делать через гидрострелку, как советуют знакомые монтажники,
А БКН подключать до гидрострелки (которую надо рассчитать правильно).Timur163 писал(а): 03 ноя 2021, 12:47ТП с термоголовками и расходомерами по 6 контуров с насосно-смесительными узлами.
-
Timur163
- Сообщения: 3
- Зарегистрирован: 03 ноя 2021, 10:04
- Откуда: Тольятти
- Мой котел: Baxi slim 1.300 in
Схема обвязки котельной (baxi slim 1.300, БКН, ТП 2 этажа)
Тогда от гидрострелки нужно ещё по насосу до коллекторов?
-
Starik
- Местный аксакал
- Сообщения: 7188
- Зарегистрирован: 27 ноя 2015, 22:41
- Откуда: Краснодарский край
- Мой котел: BAXI MAIN 5 14f
- Благодарил (а): 72 раза
- Поблагодарили: 790 раз
- Возраст: 59
Схема обвязки котельной (baxi slim 1.300, БКН, ТП 2 этажа)
А насосно-смесительные узлы чем будут заниматься?
-
Timur163
- Сообщения: 3
- Зарегистрирован: 03 ноя 2021, 10:04
- Откуда: Тольятти
- Мой котел: Baxi slim 1.300 in
Схема обвязки котельной (baxi slim 1.300, БКН, ТП 2 этажа)
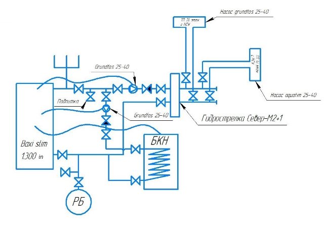
Нарисовал схему с гидрострелкой. Буду благодарен, если укажете на ошибки и подскажете что можно изменить/добавить.
-
plehan
- Дока по нормативам
- Сообщения: 3355
- Зарегистрирован: 04 мар 2014, 23:50
- Откуда: Астрахань
- Благодарил (а): 75 раз
- Поблагодарили: 267 раз
Схема обвязки котельной (baxi slim 1.300, БКН, ТП 2 этажа)
-гидравлический расчет к схеме.
Ооо!.. Етит твою мать, профессор! Иди сюда, выпей с нами!
-
Bahus
- Главный администратор

- Сообщения: 12755
- Зарегистрирован: 24 июл 2012, 13:05
- Откуда: Пенза
- Мой котел: Пензенская ТЭЦ-1
- Благодарил (а): 80 раз
- Поблагодарили: 1648 раз
- Возраст: 45
Схема обвязки котельной (baxi slim 1.300, БКН, ТП 2 этажа)
Всё хорошо. Только насосы на каждую ветку после коллектора надо. У вас не указаны.
-
славянски дом
- Забегающий
- Сообщения: 27
- Зарегистрирован: 20 окт 2021, 10:20
- Откуда: тюмень
- Мой котел: Baxi нт 40, 80, 180 Квт
- Благодарил (а): 4 раза
- Поблагодарили: 4 раза
Схема обвязки котельной (baxi slim 1.300, БКН, ТП 2 этажа)
Схема № 1 самая лучшая . И там гидрострелка не нужна . Это система первичных - вторичных колец . Фильтр надо ставить перед насосом , что бы грязь и песок из СО не заклинили насос .
-
plehan
- Дока по нормативам
- Сообщения: 3355
- Зарегистрирован: 04 мар 2014, 23:50
- Откуда: Астрахань
- Благодарил (а): 75 раз
- Поблагодарили: 267 раз
Схема обвязки котельной (baxi slim 1.300, БКН, ТП 2 этажа)
- не подкинете расчет(гидравлического разделения контуров), там в схеме ТП (переменный расход) и вот для случая, когда в системе переменный расход присутствует.
Ооо!.. Етит твою мать, профессор! Иди сюда, выпей с нами!
-
junkies
- Завсегдатай
- Сообщения: 101
- Зарегистрирован: 22 сен 2017, 20:47
- Откуда: Серпухов
- Мой котел: baxi slim 1.300 in
- Благодарил (а): 2 раза
- Поблагодарили: 7 раз
Схема обвязки котельной (baxi slim 1.300, БКН, ТП 2 этажа)
я себе делал без стрелки, просто насос подмешивающий поставил (получились кольца), тк низкотемпературная система. котел сам как гидрострелка, но с готовым узлами монтаж проще.
если у вас в радиаторах не очень низкая температура, то можно легко поставить перепускной клапан. и оставить только 2 насоса (ТП+ РО)
подпитку делал через змеевик бойлера, но все равно надо выхолаживать котел, перед подпиткой.
если у вас в радиаторах не очень низкая температура, то можно легко поставить перепускной клапан. и оставить только 2 насоса (ТП+ РО)
подпитку делал через змеевик бойлера, но все равно надо выхолаживать котел, перед подпиткой.
-
Semenos
- Новичок
- Сообщения: 7
- Зарегистрирован: 02 дек 2019, 20:59
- Откуда: Псков
- Мой котел: Baxi 1.300 FI
- Благодарил (а): 1 раз
Схема обвязки котельной (baxi slim 1.300, БКН, ТП 2 этажа)
Добрый день! Прошу подсказать, есть котёл Baxi Slim fi (с насосом), можно ли его подключить непосредственно к смесительному узлу без гидрострелки или перемычки между подачей и обраткой, т.е. подача с котла приходит на вход смесителя, выход с смесителя в обратно в котел. На смесителе стоит свой насос на теплый пол. Вопрос возник по причине того что температура на выходе с смесителя приблизительно ровна температуре в контурах теплого пола, хотя температура на входе смесителя очень высокая!! Должен ли смеситель часть теплоносителя пропускать в обратку или так и должно быть??
-
Starik
- Местный аксакал
- Сообщения: 7188
- Зарегистрирован: 27 ноя 2015, 22:41
- Откуда: Краснодарский край
- Мой котел: BAXI MAIN 5 14f
- Благодарил (а): 72 раза
- Поблагодарили: 790 раз
- Возраст: 59
Схема обвязки котельной (baxi slim 1.300, БКН, ТП 2 этажа)
Что ещё кроме теплого пола в СО, а лучше - схему.
-
Semenos
- Новичок
- Сообщения: 7
- Зарегистрирован: 02 дек 2019, 20:59
- Откуда: Псков
- Мой котел: Baxi 1.300 FI
- Благодарил (а): 1 раз
Схема обвязки котельной (baxi slim 1.300, БКН, ТП 2 этажа)
Сейчас подключен только теплый пол, в последствии хочу подачу сначала завести на радиаторы 2го этажа а обратку с радиаторов на смеситель коллектора теплого пола, ну и соответственно бойлер к.н. в приоритет. Условную схему прилагаю.
-
Bahus
- Главный администратор

- Сообщения: 12755
- Зарегистрирован: 24 июл 2012, 13:05
- Откуда: Пенза
- Мой котел: Пензенская ТЭЦ-1
- Благодарил (а): 80 раз
- Поблагодарили: 1648 раз
- Возраст: 45
Схема обвязки котельной (baxi slim 1.300, БКН, ТП 2 этажа)
Чего-то трехходовой у вас какой-то четырехходовой. Да ещё гребенка подключена последовательно радиаторам. Не по фэншую это.

Отправлено спустя 3 минуты 38 секунд:
Вот дернул какую-то картинку с просторов
Должно выглядеть примерно так:
1. Верхний кран (левый патрубок треххода) - подача с котла горячего теплоносителя.
2. Правый патрубок треххода - "смешанная вода". Теплоноситель установленной трехходом температуры. Подача в коллектор.
3. Нижний патрубок треххода - остывший теплоноситель. Подмес в подачу, чтобы получить там нужную пониженную температуру.
4. Нижний кран - обратка. Возврат теплоносителя в котел.
Отправлено спустя 1 минуту 41 секунду:
Офигеет ли у вас Слим при работе только на теплые полы - вопрос интересный. Наверное офигеет. Как минимум не нужно больше 45-50 на котле ставить. Тогда и трёхход полностью открытый будет. Если у вас на данный момент только низкотемпературные потребители - смысла греть выше нет.
Отправлено спустя 1 минуту 53 секунды:
А да. Без петли радиаторов неплохо было бы перепускной клапан поставить. На картинке он вероятно перемычка под термометрами. Мало кто ставит.

Отправлено спустя 3 минуты 38 секунд:
Вот дернул какую-то картинку с просторов
Должно выглядеть примерно так:
1. Верхний кран (левый патрубок треххода) - подача с котла горячего теплоносителя.
2. Правый патрубок треххода - "смешанная вода". Теплоноситель установленной трехходом температуры. Подача в коллектор.
3. Нижний патрубок треххода - остывший теплоноситель. Подмес в подачу, чтобы получить там нужную пониженную температуру.
4. Нижний кран - обратка. Возврат теплоносителя в котел.
Отправлено спустя 1 минуту 41 секунду:
Офигеет ли у вас Слим при работе только на теплые полы - вопрос интересный. Наверное офигеет. Как минимум не нужно больше 45-50 на котле ставить. Тогда и трёхход полностью открытый будет. Если у вас на данный момент только низкотемпературные потребители - смысла греть выше нет.
Отправлено спустя 1 минуту 53 секунды:
А да. Без петли радиаторов неплохо было бы перепускной клапан поставить. На картинке он вероятно перемычка под термометрами. Мало кто ставит.
-
Boroda_67
- Новичок
- Сообщения: 12
- Зарегистрирован: 22 окт 2024, 14:27
- Откуда: Санкт-Петербург
- Мой котел: BAXI SLIM 1.230 iN
- Благодарил (а): 14 раз
Схема обвязки котельной (baxi slim 1.300, БКН, ТП 2 этажа)
Здравствуйте, вопрос к автору и специалистам. А насос на СО, который расположен перед гидрострелкой, не должен быть большей производительности, чем те, которые расположены отдельно на каждом контуре СО? Будет ли в таком случае до них доходить достаточное количество теплоносителя? Спрашиваю не просто так. Сейчас собираюсь делать обвязку своего котла с БКН. И ещё, на схеме не нашел трехходового клапана с сервоприводом, на разделение контуров СО и ГВС. Или можно без него обойтись?Timur163 писал(а): 05 ноя 2021, 14:06 Нарисовал схему с гидрострелкой. Буду благодарен, если укажете на ошибки и подскажете что можно изменить/добавить.
-
Bahus
- Главный администратор

- Сообщения: 12755
- Зарегистрирован: 24 июл 2012, 13:05
- Откуда: Пенза
- Мой котел: Пензенская ТЭЦ-1
- Благодарил (а): 80 раз
- Поблагодарили: 1648 раз
- Возраст: 45
Схема обвязки котельной (baxi slim 1.300, БКН, ТП 2 этажа)
1. Насколько я помню суммарный расход насосов зон не должен быть выше расхода насоса котлового контура.
2. Там же Слим. У него логика работы по двум насосам. Нет там трёххода
2. Там же Слим. У него логика работы по двум насосам. Нет там трёххода
-
Boroda_67
- Новичок
- Сообщения: 12
- Зарегистрирован: 22 окт 2024, 14:27
- Откуда: Санкт-Петербург
- Мой котел: BAXI SLIM 1.230 iN
- Благодарил (а): 14 раз
Схема обвязки котельной (baxi slim 1.300, БКН, ТП 2 этажа)
1) Да, конечно, это логично и понятно. Только как этого добиться на практике? Ставить основной насос 32-8, включать его на полную мощность, а три штуки 25-40 на минималку?Bahus писал(а): 11 июл 2025, 19:59 1. Насколько я помню суммарный расход насосов зон не должен быть выше расхода насоса котлового контура.
2. Там же Слим. У него логика работы по двум насосам. Нет там трёххода
2) У моего котла один выход для теплоносителя. Соответственно, т.к. СО и ГВС работают на отдельных контурах, в месте разделения подающей трубы на две (два контура) должно находиться устройство перекрывающее один из контуров на время работы другого. Для этой цели туда напрашивается клапан с сервоприводом.
Если я ошибаюсь - поясните пожалуйста, в чём. Буду признателен.
-
RADAR
- Местный аксакал
- Сообщения: 6627
- Зарегистрирован: 25 июл 2012, 00:33
- Откуда: г.Кострома
- Мой котел: Gepard 23MTV19
- Благодарил (а): 111 раз
- Поблагодарили: 412 раз
- Возраст: 51
Схема обвязки котельной (baxi slim 1.300, БКН, ТП 2 этажа)
может и 25-60 хватит..
Отправлено спустя 1 минуту 40 секунд:
ставится 2 насоса - один на стрелку - отопление, второй на ГВСBoroda_67 писал(а): 11 июл 2025, 20:50 в месте разделения подающей трубы на две (два контура) должно находиться устройство перекрывающее один из контуров на время работы другого. Для этой цели туда напрашивается клапан с сервоприводом.
-
Bahus
- Главный администратор

- Сообщения: 12755
- Зарегистрирован: 24 июл 2012, 13:05
- Откуда: Пенза
- Мой котел: Пензенская ТЭЦ-1
- Благодарил (а): 80 раз
- Поблагодарили: 1648 раз
- Возраст: 45
Схема обвязки котельной (baxi slim 1.300, БКН, ТП 2 этажа)
Если вы ещё раз посмотрите на чертёж выше, вы увидите то же самое. Выход один, затем потоки разделяются. Одна петля на СО, вторая на змеевик бойлера. На каждой из петель стоит насос. Оба насоса завязаны на плату котла и управляются логикой прошивки. С приоритетом ГВС, естественно. Как только нужно греть бойлер - котёл вырубает насос СО и включает насос змеевика. Догрел - переключил назад. Насосы за стрелкой никак этому не препятствуют. Они так и продолжают по необходимости разгружать стрелку, пусть и остывающую.Boroda_67 писал(а): 11 июл 2025, 20:50 У моего котла один выход для теплоносителя. Соответственно, т.к. СО и ГВС работают на отдельных контурах, в месте разделения подающей трубы на две (два контура) должно находиться устройство перекрывающее один из контуров на время работы другого. Для этой цели туда напрашивается клапан с сервоприводом.
Отправлено спустя 1 минуту 28 секунд:
В инструкции на котёл есть же принципиальная схема подключения бойлера. Вот там так же абсолютно.
-
Boroda_67
- Новичок
- Сообщения: 12
- Зарегистрирован: 22 окт 2024, 14:27
- Откуда: Санкт-Петербург
- Мой котел: BAXI SLIM 1.230 iN
- Благодарил (а): 14 раз
Схема обвязки котельной (baxi slim 1.300, БКН, ТП 2 этажа)
Спасибо за ответ. Да, это понятно, но не будет ли насос (насосы) СО во время работы "вытягивать" теплоноситель из контура ГВС, ведь место разделения контуров никак не перекрывается в зависимости от того какой контур в данный момент работает? Мне именно этот момент не даёт покоя.Bahus писал(а): 12 июл 2025, 09:51 Если вы ещё раз посмотрите на чертёж выше, вы увидите то же самое. Выход один, затем потоки разделяются. Одна петля на СО, вторая на змеевик бойлера.
-
Bahus
- Главный администратор

- Сообщения: 12755
- Зарегистрирован: 24 июл 2012, 13:05
- Откуда: Пенза
- Мой котел: Пензенская ТЭЦ-1
- Благодарил (а): 80 раз
- Поблагодарили: 1648 раз
- Возраст: 45
Схема обвязки котельной (baxi slim 1.300, БКН, ТП 2 этажа)
Не поверите. Слим уже четверть века без изменений идёт.
Кроме того, вам же не просто так обратные клапаны нарисовали, верно?
Кроме того, вам же не просто так обратные клапаны нарисовали, верно?
-
Boroda_67
- Новичок
- Сообщения: 12
- Зарегистрирован: 22 окт 2024, 14:27
- Откуда: Санкт-Петербург
- Мой котел: BAXI SLIM 1.230 iN
- Благодарил (а): 14 раз
Схема обвязки котельной (baxi slim 1.300, БКН, ТП 2 этажа)
Да, согласен, что обратные клапана, в какой-то степени, могут справиться с этой задачей. Но, тем не менее вопрос остаётся. Для чего тогда в настенные газовые котлы установлены такие клапана? Ведь следуя вашей логике, достаточно установить два обратных клапана. Вот нашел инструкцию на клапан трехходовой ГВС BAXI 1. Далее выдержки из инструкции, если надо могу прикрепить сканы из неё:Bahus писал(а): 13 июл 2025, 04:22 Кроме того, вам же не просто так обратные клапаны нарисовали, верно?
Назначение.
1.1. Клапан трехходовой ГВС BAXI (далее клапан)
предназначен для обеспечения потребителя горячим
водоснабжением при совместной работе котла отопления и
косвенного водонагревателя (бойлера).
4. Устройство и работа.
4.1. Клапан устанавливается в контур системы отопления
и в автоматическом режиме перенаправляет теплоноситель
от системы отопления в контур змеевика косвенного
водонагревателя и обратно.
P.S. Поймите меня правильно. Хочется, перед обвязкой, решить все важные, значимые вопросы, дабы в последствии не переделывать.
-
Starik
- Местный аксакал
- Сообщения: 7188
- Зарегистрирован: 27 ноя 2015, 22:41
- Откуда: Краснодарский край
- Мой котел: BAXI MAIN 5 14f
- Благодарил (а): 72 раза
- Поблагодарили: 790 раз
- Возраст: 59
Схема обвязки котельной (baxi slim 1.300, БКН, ТП 2 этажа)
Оставлю тут, на всякий случай... так, для общего развития...
-
Boroda_67
- Новичок
- Сообщения: 12
- Зарегистрирован: 22 окт 2024, 14:27
- Откуда: Санкт-Петербург
- Мой котел: BAXI SLIM 1.230 iN
- Благодарил (а): 14 раз
Схема обвязки котельной (baxi slim 1.300, БКН, ТП 2 этажа)
То есть эти насосы работают постоянно? По крайней мере в режиме "зима".Bahus писал(а): 12 июл 2025, 09:51 Насосы за стрелкой никак этому не препятствуют. Они так и продолжают по необходимости разгружать стрелку, пусть и остывающую.
Отправлено спустя 2 минуты 9 секунд:
Отчего же не верю? Поэтому и задаю (может глупые) вопросы людям, кто давно в теме и разбирается.
-
Bahus
- Главный администратор

- Сообщения: 12755
- Зарегистрирован: 24 июл 2012, 13:05
- Откуда: Пенза
- Мой котел: Пензенская ТЭЦ-1
- Благодарил (а): 80 раз
- Поблагодарили: 1648 раз
- Возраст: 45
Схема обвязки котельной (baxi slim 1.300, БКН, ТП 2 этажа)
а для того, что 2 насоса в настенник запихнуть довольно проблематично. Сложнее, чем трёхход с мотором. А Слимы, самых популярных модификаций идут в комплектации "барабан". И бак, и насос(ы), и группа безопасности - всё снаружи (о чём чуть выше вам намекнули). Подбирается исходя из конкретных условий. А настенники "plug and play". В розетку воткнул и поехали.Boroda_67 писал(а): 17 июл 2025, 17:01 Для чего тогда в настенные газовые котлы установлены такие клапана?
Отправлено спустя 30 минут 15 секунд:
а это как подключите. Хотите через комнатные термостаты соответствующих помещений. Или крутой контроллер купите, который умеет управлять миллиардом зон и датчиков. А по умолчанию, конечно, постоянно. Управлять-то кто-то должен ими?Boroda_67 писал(а): 17 июл 2025, 21:23 То есть эти насосы работают постоянно? По крайней мере в режиме "зима".
Отправлено спустя 6 минут 4 секунды:
всё там чётко.Boroda_67 писал(а): 17 июл 2025, 21:23 Отчего же не верю? Поэтому и задаю (может глупые) вопросы людям, кто давно в теме и разбирается.
Кстати, на заре Слима у настенников тоже не было электрического трёххода. Был гидромеханический, и вполне доставлял хлопот. О сервомоторе даже и не слышали. Ну у Baxi, по крайней мере. Тех лет прошло уже 20-25.... Посмотрите взрывники ЭКО, Луны и Нуволы. Без цифры 3 которые. Подохренеете от конструкции
-
Starik
- Местный аксакал
- Сообщения: 7188
- Зарегистрирован: 27 ноя 2015, 22:41
- Откуда: Краснодарский край
- Мой котел: BAXI MAIN 5 14f
- Благодарил (а): 72 раза
- Поблагодарили: 790 раз
- Возраст: 59
Схема обвязки котельной (baxi slim 1.300, БКН, ТП 2 этажа)
Форум сбойнул, это не мои слова, надо подредактировать.Bahus писал(а): 17 июл 2025, 21:29Starik писал(а): Сегодня, 15:52
Для чего тогда в настенные газовые котлы установлены такие клапана?
-
Bahus
- Главный администратор

- Сообщения: 12755
- Зарегистрирован: 24 июл 2012, 13:05
- Откуда: Пенза
- Мой котел: Пензенская ТЭЦ-1
- Благодарил (а): 80 раз
- Поблагодарили: 1648 раз
- Возраст: 45
Схема обвязки котельной (baxi slim 1.300, БКН, ТП 2 этажа)
Да лаадна, забей. Посмотри остальные цитаты в этом посте. Сам себе отвечаю
Не впервой. Есть такой косяк. То ли не могут исправить, то ли не хотят
Отправлено спустя 24 секунды:
Хотяяя. Мож ща пошаманю. Нехорошо это
Не впервой. Есть такой косяк. То ли не могут исправить, то ли не хотят
Отправлено спустя 24 секунды:
Хотяяя. Мож ща пошаманю. Нехорошо это
-
- Похожие темы
- Ответы
- Просмотры
- Последнее сообщение
-
- 7 Ответы
- 4364 Просмотры
-
Последнее сообщение Bahus
-
- 2 Ответы
- 2576 Просмотры
-
Последнее сообщение WalterSkinner
-
- 12 Ответы
- 4787 Просмотры
-
Последнее сообщение LazyDev
-
- 9 Ответы
- 7929 Просмотры
-
Последнее сообщение Андрей П_
-
- 3 Ответы
- 729 Просмотры
-
Последнее сообщение Bahus
Кто сейчас на конференции
Сейчас этот форум просматривают: нет зарегистрированных пользователей и 1 гость